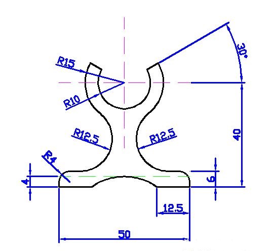
很多小伙伴跟我反映,CAD技巧那么多,可是不会用怎么办?
其实从理论到实操还是有些距离的。今天小编就以这张图纸为例,手把手教你怎么画基础练习图!

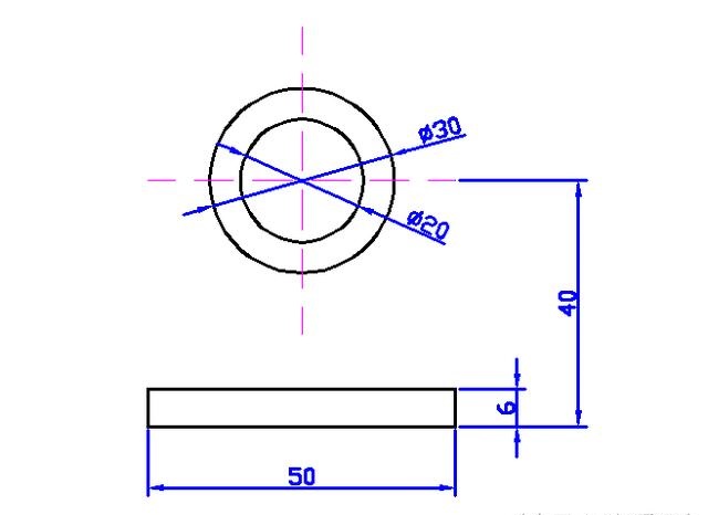
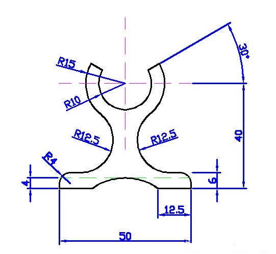
1、找到绘图工具中的矩形,画一个长50、宽6的矩形

2、使用快捷键“F8”,在矩形最下方的中心画两个圆形。直径分别为20和30,然后向上偏移40

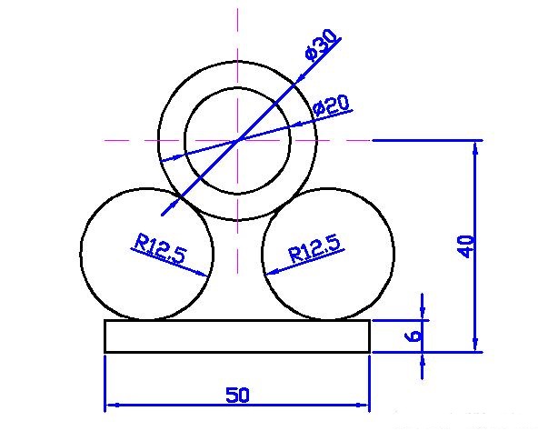
3、想画出两个半径位12.5的圆,你可以利用上面的圆的相切半径功能

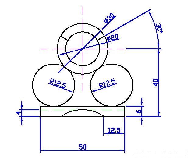
4、在矩形的最下方的直线,向上偏移4做一条辅助线,防备找到12.5长的端点,利用三点圆弧功能将者三个点连接起来

5、画一段角度为30°的线段,然后使用镜像功能

6、使用修剪命令,修剪多余的线

7、使用圆角功能,画出R4的角

以上就是这张图纸的画图详细教程。更多的练习图纸你可以在迅捷CAD每日一图中找到。
http://www.xunjiecad.com/dailypic.html


想学更多CAD知识,记得关注我哦~
