二级管不是线性元什,对其构成的鼙流、限幅、续流保护、低压稳压、门电路等电路进行分忻时可以采用二极管的理想模型 ( 正向导通时视为短路,反向截止时视为开路 ) 或恒压降馍型 ( 止向导通时视为恒压源,反向截止时视为开路 ) ,还可以采用折线模型 ( 正向导通时视为恒压源串联一小电阻|0">电阻,反向截止时视为开路 ) 。不管采用哪种等效模型,关键在于分忻出二极管在电路中的上作状态到底处于正向导通还是处于反向截止.当电路中有多个二极管或有交流信号时二极管的工作状态并不能很直观地判断出来。
本文所述“断路法”能快速判断出二极管的工作状态,其核心思想是先将昕有二极管从电路中断开,分折这种情况下各二极管的正向压降:例如,理想模犁时正向压降大于零时二极管导通,否则截止。若电路中有多个二极管,断路时正向压降最高的二极管优先导通,再把已分忻出导通的二圾管放回电路,重新分忻其他二圾管断路时的正向压降 ( 依旧遵循正向压降最高的优先导通 ) ,直到所有二极管状态分析完。对有交流信号时二极管的工作状态,同样的分析过程要用在不同的电压值范围。下面以几个例题来说明该方法的陵用 ( 二极管工作状态分析采用理想模型 ) 。
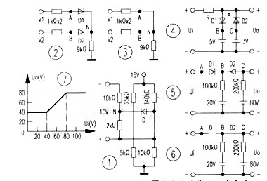
【例 1] 判断图 1 中二极管的状态并求 P 点电位。
图 1 是只有一个 _ 二极管的情况。按“断路法”进行分析,先将二极管从电路中断开,断开后,左 (N) 、右 (P) 各自构成独立的回路。 N 点电位为 2k Ω电阻上的压降加 5k Ω电阻上的压降: VN=-10x2 / 20 十 15x5 / 30=1 . 5(V) ; P 点电位为 10k Ω电阻上的压降: VP=15x10/150=1(V) ,可知二极管 D 承受的正向压降 UPN=-O . 5V ,故该二极管截止 (P 点电位为 1V) 。
【例 2 】求图 2 中 N 点电位 ( 已知 V1=5V , Vz=3V) 。
图 2 是有两个二极管的情况 ( 为门电路 ) 。先将二极管 D1 、 D2 都断开,这时, A 点电位 VA=V1=5V ; B 点电位 VB=V2=3V ; N 点电位 VN=OV ,则 D1 承受的正向压降 UAN=5V ; D2 承受的正向压降 UHN=3V , D1 承受的正向压降更大,故其优先导通,将其放回原电路后相当于短路 ( 如图 3) ,这时 N 点电位变为 VN=V1 x9 / 10=4 . 5V ; D2 承受的正向压降 UBN=3V-4 . 5V=-1 . 5V( 为负 ) ,故 D2 截止,收回原电路后相当于断路 ( 如图 3) ,所以 N 点电位为 4 . 5V 。
【例 3 】求图 4 中的输出波形 uo( 已知输入 ui=10sin ω tV) 。
图 4 是有交流信号的情况 ( 为双限幅电路 ) 。先找出需分别进行分忻的电压值范围:同样按“断路法”,断开 D1 、 D2 ,这时 VA=ui10sin ω tV , VlF5V , Vc= - 3V( 以交流负极为参考点 ) ,所以,若 ui>5V ,则 D1 承受正压;若 ui<5V ,则 D1 承受负压;若 ui<-3V ,则 D2 承受正压。若 ui>-3V ,则 D2 承受负压,故综合得到: ui>5V 时, D1 承受正压, D2 承受负压;一 3V<ui<5V 时, Dl 、 D2 均承受负压; ui<-3V . D2 承受正压。 D1 承受负压 ( 记住:这时二极管承受的电压是指所有二极管断路时的情况,若在某一电压范围,有一只二极管导通的话,放回电路就会改变电路中各点的电位,需重新分析其他二极管所承受的压降 ) ,这样根据断路时的情况输入电压需分为三段来分别进行 D1 、 D2 状态的分析。以 ui< 一 3V 这一电压范围为例.这时 D2 承受正压导通,将其放回电路后相当于短路,则 VA 为 -3V ,这样 D1 承受的正向压降为 -8V .放回电路后依旧为截止,则输出 UO=-3V ;同理,当 -3V<ui<5V 时, Dl 、 D2 均截止;当 uo=ui ; ui>5V 时 D1 导通, D2 截止; uo=-5V ,再据此即可画出输出 uo 的波形。
【例 4 】求图 5 中的输出波形 uo 与输入波形 ui 的关系。
图 5 也是双限幅电路,同样先找出需分别进行分析的电压值范围。按“断路法”断开 D1 、 D2 后, VA=ui , VB=20V , Vc=80V( 以电源负极为参考点 ) 。根据 UAB>0 , UCB>0 时, D1 、 D2 承受正压,得出输入电压需分为: ui>20V(D1 、 D2 均承受正压 ) ; ui<20V(D1 承受负压、 D2 承受正压 ) 二段来分别进行 D1 、 D2 实际状态的分析: 1 .当 ui<20V 时, D2 承受正压. D1 承受负压,: D2 导通后,等效电路如图 6 , VB=100x(80-20) / 300+20=40V ,而 ui<20V ,故 D1 放回后依旧截止; 2 .当 ui>20V 时,断路时 D1 、 D2 均承受正压。这时需分析哪个承受的正压更大,会优先导通: 1) 由于断路时 D2 承受的正向压降 UCB 为 60V, 当 ui>80V 断路时 UAB 大于 UCB 故 D1 优先导通,导通后 B 点电位等于 A 点且大于 80V .所以 D2 截止。 2) 当 ui<80V 时,断路电压 UAB 小于 UCB 故 D2 优先导通,等效电路依旧如图 6 , VB=40V ,这时 D1 导通还是截止,取决于 ui ,若 ui<40V ,则 D1 截止;若 ui>40V ,则 D1 导通。
综上所述可以得到:若 ui<40V , D1 截止, D2 导通, uo=40V ;当 40V<ui<80V , D1 导通, D2 导通, UO=ui ;当 ui>80V , D1 导通, D2 截止。 uo=80V 。据此画出输出 u0 与输入 ui 的波形如图 7 。由图 7 可知它将输入 ui 的大于 80V 及小于 40V 的值截平以后输出,故为双限幅电路。
