VIN:LSGGF59B5AH××××××。
行驶里程:134958km。
故障现象:客户报修车辆无法启动。据客户的描述,车子是在行驶过程中突然熄火,然后无法启动。
由于此车并无进站维修的记录,首先询问客户是否在外维修或更换零部件所导致的,客户说:“除了做保养并无其他项目的维修。”
故障诊断:连接故障诊断仪,GDS检测有故障码:P1682 00 点火1开关电路2,如图1所示。

图1 故障码
由于有当前的故障码存在,查看GDS上的数据流,发动机控制点火继电器反馈信号电压为0,如图2所示。

图2 数据流
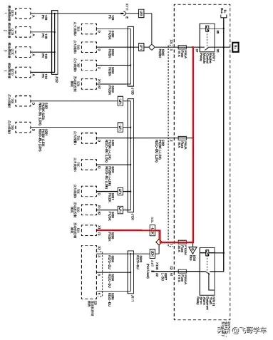
根据维修手册和电路图(如图3所示)分析,得出反馈信号是由(发动机控制系统点火继电器反馈信号)发动机控制模块继电器提供。

图3 发动机系统控制电路
正常情况下钥匙打开就应该有12V电压,根据电路图显示此继电器有20A保险丝。先检查了保险丝,发现烧毁,以为问题已经找到。
从电路图分析保险丝烧毁的原因,发现此保险丝是由ECM直接供电的,无非有两种可能性:
(1)ECM的X1/73号脚到保险丝盒X3/1号脚线路有问题
(2)ECM内部故障。
由于电路测试的结果正常,然后试着更换ECM,随后进行编程与匹配并查看数据流正常,发动机控制点火继电器反馈信号12.8V,如图4所示。

图4 正常数据流
经路试,故障排除。
不料第二天测试时发动机又一次启动不了了,查看保险丝再次烧毁。由于先前测量过线路并无异常,ECM模块也是新的,按理不会有问题。那问题出在哪里呢?
技师再次对线路进行严格的复查,最终发现线束与缸体紧固螺丝处有破损烧焦的印痕,如图5所示。

图5 短路位置
对该处进行修复处理后,短路现象排除。
故障总结:根据这次客户报修的故障问题,应该是线路外层的绝缘层老化,固定线路的卡子损坏,使发动机线束和缸体靠得太近造成摩擦,形成线路破损和缸体上的螺丝搭铁所产生的间歇性故障。
然而在这次的维修过程中,对线路排查并不充分,线路之间测量时导通就认为问题并不是出在线路上,最后导致了自己的误判。