物业电工应聘需要注意什么 (应聘本地65岁以下电工工作)

春节过后,人才市场供需两旺。众多企业大量招聘员工,给打工者提供了一个选择优秀企业的大好机会。

公司招聘电工需要什么条件,电工招工困难要加工资的情况说明

然而选择往往是双向的,一方面打工者想找一个工资高、福利待遇好的东家,另一方面企业却想花最少的钱招到最优秀的雇员,各自打自己的小算盘。相较于老板,打工者永远属于弱势的一方。打工者之间又存在着同质竞争。在这种不对等的较量中,打工者如何做到利益最大化而又能在同质竞争中胜出,是求职者必须面对的一个问题。

那么电工应聘者需注意些什么呢?下面笔者就电工应聘谈谈自己的一些看法。

一、应聘前的准备:

1、 个人简历

尽量把简历写详细些,写漂亮些,但也要真实。给招聘单位留个好印象。

2、 准备证件

比较正规的单位在招聘电工岗位时,往往要求应聘人员持有有效的电工证件。比如:特种作业操作资格证(安全生产培训合格证),特种作业资格证(技术等级证)等。因此,应聘前要备齐这些证件。

3、 电工知识梳理

电工毕竟属于技术性工种。招聘单位往往会对应聘者进行知识和能力考核。为了取得高分很有必要把一些重要的知识梳理一下。比如电工基础知识,电线、开关选择,典型的控制电路等等。

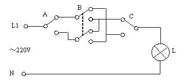
电工招聘考试较多的电工电路有:日光灯控制电路;两开关或三开关控制一盏灯电路;三相异步电动机Y-△转换电路;三相异步电动机正反转控制电路等。

公司招聘电工需要什么条件,电工招工困难要加工资的情况说明

日光灯工作电路

公司招聘电工需要什么条件,电工招工困难要加工资的情况说明

三个开关控制一盏灯电路

公司招聘电工需要什么条件,电工招工困难要加工资的情况说明

公司招聘电工需要什么条件,电工招工困难要加工资的情况说明

4、寻找目标对象

明确目标,做到有的放矢。就是要根据自己的实际情况及愿望去寻找合乎条件的招聘单位,以提高应聘成功的几率。

二、应聘时应注意的几个问题:

1、 注重仪表,穿戴整洁但不华丽。

精神饱满,穿戴整洁给人的印象是精明干练。穿着过于华丽给人的感觉是怕脏怕累。

2、 不卑不亢,落落大方。

见招聘官时,举止要得体,不卑不亢。

3、 不高谈阔论,自吹自擂。

与招聘官谈话时,尽量实话实说,不要高谈阔论。介绍自己时要谦虚,不要自吹自擂。

4、 不说前任领导的坏话。

面试官不一定都是人力资源HR,有可能是设备经理、电气主管,即你未来的直接上司,如果此时你在他面前讲一些你以前领导的坏话或表示不满,他会认为你不是善类,难以管理。这样做的后果可想而知。

5、 说话留有余地。

招聘应聘的过程本身就是双方谈判的过程,"讨价还价"的过程。不管是谈工作还是谈工资,切记不要把话说满说死,要留出周旋的余地。不要一棒子打死,弄得双方不欢而散。

三、聘后签订劳动合同:

1、 订立书面劳动合同。

一旦应聘成功,就应同用工单位签订有效的书面劳动合同。《劳动合同法》第26条规定,以欺诈、胁迫的手段或乘人之危,使对方在违背真实意思的情况下签订劳动合同的,劳动合同无效。因此,签订的合同应是用工双方真实意思的表达,协商一致的结果。另外,此合同一式两份,用工单位一份,你自己也要保留一份。

2、 工作地点及工作岗位应详细写明。

单位安排你在哪个市县工作,就应写哪个市或县。不要笼统地写"中国"或"某省"。工作岗位也要写明白。防止被用人单位任意调岗。

3、工资报酬一定要写清楚。

劳动报酬是合同中不可或缺的一个部分。在签订合同时,要把双方谈定的工资发放标准写入合同中,以避免用人单位降低工资支付标准。

4、不签空白合同。

所谓空白合同,就是只签名字不写内容。或者主要内容当时不填写事后任由用人单位填写。这样一旦出现纠纷,吃亏的往往是你自己。因此要特别注意。