MOSFET体二极管特性
寄生二极管由来
是由生产工艺造成的,大功率MOS管漏极从硅片底部引出,就会有这个寄生二极管。小功率MOS管例如集成芯片中的MOS管是平面结构,漏极引出方向是从硅片的上面也就是与源极等同一方向,没有这个二极管。模拟电路书里讲得就是小功率MOS管的结构,所以没有这个二极管。但D极和衬底之间都存在寄生二极管,如果是单个晶体管,衬底当然接S极,因此自然在DS之间有二极管。如果在IC里面,N—MOS衬底接最低的电压,P—MOS衬底接最高电压,不一定和S极相连,所以DS之间不一定有寄生二极管。
寄生二极管作用:
当电路中产生很大的瞬间反向电流时,可以通过这个二极管导出来,不至于击穿这个MOS管。(起到保护MOS管的作用)
沟槽Trench型N沟道增强型功率MOSFET的结构如下图所示,在N-epi外延层上扩散形成P基区,然后通过刻蚀技术形成深度超过P基区的沟槽,在沟槽壁上热氧化生成栅氧化层,再用多晶硅填充沟槽,利用自对准工艺形成N+源区,背面的N+substrate为漏区,在栅极加上一定正电压后,沟槽壁侧的P基区反型,形成垂直沟道。
由下图中的结构可以看到,P基区和N-epi形成了一个PN结,即MOSFET的寄生体二极管。

MOSFET剖面结构

体二极管主要参数

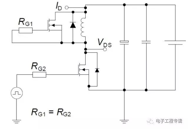
二极管特性测试电路

二极管恢复曲线

MOSFET体二极管反向恢复过程波形



MOSFET体二极管应用场合
全桥逆变电路

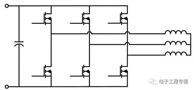
三相桥电路

LLC半桥谐振电路ZVS

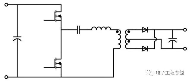
移相全桥PSFB ZVS

HID照明(ZVS)

MOSFET体二极管应用分析
MOSFET体二极管反向恢复

LLC半桥谐振变换器

LLC电压增益

LLC变换器 ZVS状态下模态切换

LLC变换器工作波形(ZVS模式)

LLC变换器工作波形(ZVS模式,轻载)

LLC变换器 ZCS状态下模态切换

LLC变换器工作波形

LLC变换器输出短路状态1波形

LLC变换器输出短路状态2波形

LLC启动过程 - 二极管反向恢复


HID照明电源(带载切换成开路)

HID照明电源启动过程

HID照明电源(低于谐振频率工作波形)

HID照明电源实测波形
