| 在控制领域,有以负载的位置或角度等为控制对象,如: |
-
从简单到高级,根据目的有各种控制方式。(开环位置控制、手动决定位置、闭环位置控制);
-
控制对象的位置以转速积分的形式变化;
-
即使不在负载上直接装设位置传感器,多数场合仅由电机的旋转角也可高精度地推定位置;
-
需要可逆运转
| 控制方式用途运转时的位置控制机床、机器人、雷达天线等停止时的位置控制电梯、起重机械、调节风门、行车等 |
| 以前这些场合大都由伺服电机和伺服电机控制器来完成位置控制。随着通用变频器技术的发展,在位置控制中交流变频传动得到了越来越广泛的应用。三垦在这方面做了有益的尝试。 |
| 位置控制的共同特点: |
| 闭环位置控制的方法: |
|
下图是具有速度反馈环的位置控制。对变频器不给出直接的位置指令,而是输入脉冲列。此脉冲数的累积值作为位置指令,增大此位置指令时在正转输入加脉冲列,减小时在反转输入加脉冲列。控制此输入脉冲列的累积值和PG的反馈脉冲列的累积值,使他们一致。 |

|
以正转为例。将指令输入的脉冲(在计数器内用作加法)和PG的反馈脉冲(在计数器内作减法)在同一计数器内时时刻刻地作计算,以计数器的累加值作为速度指令。因此,一达到目标位置,计数器的累积值就刚好为零,电机就停止在该位置上。另外,计数器的累积值变得很小时,从决定位置判断回路发出决定位置完了信号,通知位置控制结束。 在这种用途中,PG产生两个具有90°相位差的脉冲序列,监视这两个脉冲信号上升的顺序可以判别正反转。还有电机每转一圈,在特定的转子位置上产生显示器脉冲,可以用作位置原点的确定。 PG的反馈脉冲在进入计数器前要通过递减回路。在递减回路把PG的脉冲列分频为整数分之一,目的是改变对于1个输入脉冲的位置变化量(增益)。所以,如果分频为1/n,对于一个输入脉冲PG要n个脉冲电机才旋转。 |
| 应用实例: |
| 现使用Samco-VM05的定位控制(Point to Point控制)功能,在江苏某铜管生产企业生产线上代替伺服系统,达到了在满足工艺条件的基础上降低成本的目的。 |
| 1、系统构成: |

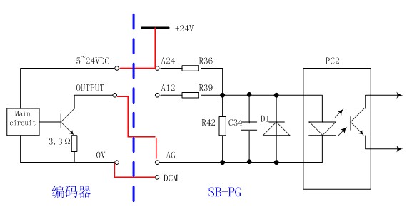
2、编码器(PG)为开路集电极输出,与SB-PG基板接线如下:

| 3、参数设定如下: |
| 代码说明代码说明Cd001=2外部外部端子Cd053与电机参数匹配Cd071=4位置控制Cd088=0.5P增益Cd089=0.1I增益Cd604=1PG脉冲倍增数Cd605=2开路集电极输出Cd606=2位置控制增益Cd609=1位置控制高速化Cd610=0Cd611脉冲数设定Cd611=10000指令值Cd618=500PG脉冲数Cd630=56FR+CCLCd631=57RR+CCLCd131=10最短运行时间10s
仅为变更代码. |
4、时序图:

| 结: |
|