前言:本文作者为国内知名CAD(含Creo、Pro/ENGINEER、AutoCAD、UG NX等)畅销书作者,资深产品工程师,曾获"机械工业出版社60周年最具影响力作者"称号。阅读完,如果觉得有用,那么点击"关注"和点赞是对作者的一种尊重和鼓励。
很多年前,我写了一本关于Pro/ENGINEER的实例教程《PRO/ENGINEER WILDFIRE 4.0完全实例解析》,以下内容为第3章3.5节的正文内容——压缩弹簧零件。案例会慢慢从易到难。想学好PROE或CREO的,可以参考本案例进行练习。有不懂,或者有更好案例提供的,可以关注并私信我,谢谢。
3.5 压缩弹簧
本实例所要完成的零件是圆柱压缩弹簧,如图3-86所示。该圆柱压缩弹簧是可变螺距的弹簧。

图3-86 圆柱压缩弹簧
知识点:螺旋扫描、草绘工具、扫描。
具体操作步骤如下:
步骤1:〖新建零件文件〗
1)在工具栏上单击"新建"按钮,弹出"新建"对话框。
2)在"类型"选项组中选择"零件"单选项,在"子类型"选项组中选择"实体"单选项;在"名称"文本框中,输入TSM_3_5;单击"使用缺省模板"复选项,以取消使用缺省模板。
3)在"新建"对话框上,单击"确定"按钮,弹出"新文件选项"对话框。
4)在"模板"选项组中,选择mmns_part_solid选项。
5)单击"确定"按钮,进入零件设计模式。
步骤2:〖创建螺旋扫描特征〗
1)选择菜单"插入"→"螺旋扫描"→"伸出项"命令,打开"伸出项:螺旋扫描"对话框和"属性"菜单,如图3-87所示。

图3-87 定义螺旋扫描属性
2)在"属性"菜单中,选择"可变的"→"穿过轴"→"右手定则"→"完成"命令,此时的菜单管理器如图3-88所示。

图3-88 设置草绘平面
3)选择TOP基准平面作为草绘平面。
4)在菜单管理器中,选择"正向"→"缺省"命令,进入草绘模式。
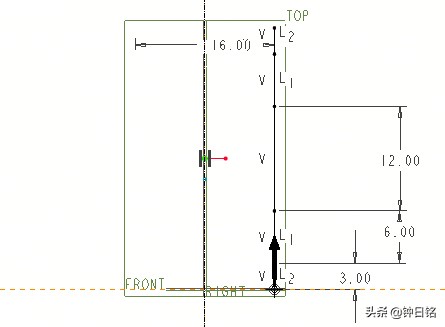
5)绘制如图3-89所示的5段线段和一根中心线。单击"继续当前部分"按钮。

图3-89 草绘
6)输入轨迹起始点处的节距值为1,如图3-90所示,单击"接受"按钮。

图3-90 输入起始点节距值
7)输入轨迹末端处的节距值为1,如图3-91所示,单击"接受"按钮。

图3-91 输入轨迹末端处的节距值
8)此时出现的菜单管理器如图3-92所示,接受默认的"添加点"选项。

图3-92 定义控制曲线
9)在图形中选择第2点,输入该点处的节距值为1.5,如图3-93所示,单击"接受"按钮。

图3-93 输入节距值
10)选择第3点,输入节距值为3,单击"接受"按钮。
11)选择第4点,输入节距值为3,单击"接受"按钮。
12)选择第5点,输入节距值为1.5,单击"接受"按钮。
13)在菜单管理器中,选择"完成/返回"→"完成"选项。
14)草绘弹簧丝的剖面,如图3-94所示。单击"继续当前部分"按钮。

图3-94 草绘
15)在"伸出项:螺旋扫描"对话框中,单击"确定"按钮。按<Ctrl+D>组合键,创建的螺旋扫描特征如图3-95所示。

图3-95 螺旋扫描特征
步骤3:〖草绘曲线〗
1)单击草绘工具按钮,弹出"草绘"对话框。
2)选择FRONT基准平面作为草绘平面,以RIGHT基准平面为"顶"方向参照,单击"草绘"按钮,进入草绘模式。
3)绘制如图3-96所示的曲线。

图3-96 草绘曲线
4)单击"继续当前部分"按钮,完成曲线的草绘。
步骤4:〖创建扫描特征〗
1)选择菜单"插入"→"扫描"→"伸出项"命令,弹出如图3-97所示的"伸出项:扫描"对话框和菜单管理器。

图3-97 对话框和菜单管理器
2)在菜单管理器的"扫描轨迹"菜单中,选择"选取轨迹"选项。
3)按住<Ctrl>键依次选择曲线段,然后在出现的菜单管理器上选择"完成"选项。
4)在出现的"属性"菜单中选择"自由端点"→"完成"选项。
5)单击"圆心和点"按钮,绘制一个直径为1的圆,如图3-98所示。绘制圆并修改尺寸后,单击"继续当前部分"按钮。

图3-98 绘制扫描剖面
6)在"伸出项:扫描"对话框上,单击"确定"按钮,创建的扫描特征如图3-99所示。

图3-99 完成的弹簧
-本例结束-
可以打开Proe、Creo软件对照上述详细步骤进行上机操作,学会几个功能命令。
推荐学习教材(我的一些作品):
1.《Pro/ENGINEER Wildfire5.0从入门到精通》(第2版),机械工业出版社出版,钟日铭等编著。此为超级畅销书,累计20多次重印。
2.《Creo 3.0 从入门到精通》,机械工业出版社出版,钟日铭等编著。
3.《CREO 4.0曲面造型设计从入门到精通》,机械工业出版社出版,钟日铭等编著
4.《Creo 4.0中文版基础教程》,人民邮电出版社出版,钟日铭编著
5.《Creo 4 0中文版从入门到精通》,人民邮电出版社出版,钟日铭编著
6.《Creo 4.0中文版完全自学手册(第2版)》,机械工业出版社,钟日铭
……还有关于Creo机械设计、钣金件设计的专业图书,不一一列列举了,有兴趣的可以在京东、当当网等搜索我的名字获知我的相关图书信息。
亲,别忘记了关注我,后面还有一系列ProE/Creo的学习教程等着你来阅读呢!Creo的操作步骤有些变化,但具体参数和设置本质上的操作思想是一样的。
原创文章,请尊重作者辛苦付出。转发请先关注并注明文章出处,谢谢。版权所有,抄袭必究。如果需要查看我以往一些原创文章,可以关注我的*今条头日**号(钟日铭)和我的公众号(桦意设计),还可以关注我的相关专业技术图书。谢谢。