西安南郊孟村宋金墓发掘简报
考古与*物文**2010年第5期 陕西省考古研究院
墓葬区位于西安市南郊曲江乡孟村之北,西安曲江水厂之南。201年1月至203年5月,为配合西安理工大曲江新校区的基本建设,在其施工的区域内分数次发掘了一批古墓葬,现将其中10座宋金墓的发掘情况简报如下。
一、宋墓
9座,多位于理工大曲江校区的西北部。
(一)墓葬形制及葬具葬式
这9座墓均为竖穴墓道土洞墓,墓道方向多朝南,少数朝东。按其平面形状可分三型。
一型,3座,包括ⅡM13、ⅢM37、ⅣM21。平面基本呈“一”字形,墓室均为长方形,与墓道同宽,或略宽于墓道。
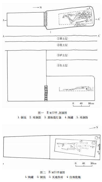
例ⅡM13,坐北朝南,方向179度(图一)。墓道开口于扰土层下,距现地表深约0.8米,长2.2、南宽0.75、北宽0.8米。四壁基本垂直,底面基本水平,开口以下深约2.9米。墓道北端墓室口处有砖封门,多为长短不一的残条砖斜向横置垒砌,残高约0.86米。条砖残长约14~16、宽12~13、厚约6厘米。

墓室平面基本呈长方形,进深2.75,宽约米,顶为拱形,高约1.4米。墓室底面基本水平,距现地表深约3.7米。
葬具为木棺,因墓室早期进水而飘离地面约米。现腐朽严重仅存朽木痕迹、棺钉及棺灰等,由朽木痕迹及棺灰的范围可知,木棺长约1.9、南宽约0.64、北宽约0.76米。棺内葬有两具人骨架,虽腐朽较严重,仍可看出葬式为侧身屈肢,头向北,面向东,从两具骨架的头骨及盆骨判断,东侧骨架应为男性,西侧骨架应为女性。从两者的臼齿磨损程度推测,两人均应为中年。例ⅣM21,坐北朝南,方向192度(图二)。
该墓上方约3.8米的土层在挖基槽时挖掉,现存部分平面略呈梯形,长2.3、南宽1、北宽1.16米。底面基本水平,现深2.7米。墓室平面呈长方形,进深2.5、宽约1.24米。东西两壁于约1.34米处起拱,顶为拱形,高约1.6米。墓室南部淤土中发现少量土坯残块,长宽不明,厚约6厘米,由此推测,该墓原有土坯封门。
葬具为木棺,由于早期墓室进水而漂起,现位置几乎接近墓室顶部。木棺长约2.02、南宽0.58、北宽0.8、高约0.5米。棺内有人骨架一具,葬式为仰身直肢,头向北,根据其头骨、盆骨和牙齿的磨损程度判断,墓主应为一年约50岁的老年男性。
二型,3座,包括ⅢJ1M6、ⅡM9、ⅣM13。平面呈甲字形或梯形。墓室多呈较宽的竖穴长方形或梯形,均为夫妻合葬墓。
例Ⅲ JlM6坐西朝东,方向85度(图三)。墓道开口于扰土层下,距地表深约0.4米,平面基本呈长方形,长28宽1~1.1米,四壁基本垂直;底面较平,深约3.6米。墓道西端墓室口处残存土坯封门,为横一字形错缝平砌现存11 层,残高约Q65米。土坯长35、宽16、厚6厘米。

墓室平面基本呈长方形,进深2.5米。墓室东壁底部有一排土坯紧贴封门及东壁横立。
从残存痕迹看墓室有两副木棺,南侧木棺长约2、宽约0.62~0.78米,北侧木棺长约1.8、宽约0.42~0.6米。两棺的下部均有厚约3~5厘米的棺灰。人骨架亦为两具,头向均朝西,南侧骨架保存较差,呈粉末状,墓主情况无法判断,北侧骨架保存稍好,从其头骨、盆骨及牙齿等判断,应为男性,年龄约60~65岁。
例ⅡM9,坐北朝南,方向174度图四)。
墓道开口于扰土层下,距现地表深约0.7米,平面呈梯形,长2.5、南宽0.6、北宽1.68米,底面基本水平,距开口深约4.4米(距现地表约5.1米)。
墓室平面呈梯形,进深2.4、南宽1.68、北宽约2.45米。墓室东西壁均与墓道东西壁直接相连。两壁于高约1.2米处内收起拱,顶基本为拱形,高约1.5米。墓室底面距现地表深约5.1米。
该墓葬具为三具木棺,并列放置在墓室偏北处。
西侧木棺腐朽严重,仅存朽木痕迹、漆皮、及棺钉等,棺内骨架周围填塞较多木炭块,以头部和足处较多,厚约5~13厘米。棺内底部铺垫一层厚约4~10厘米的灰层。漆皮可分黑白两种颜色。由以上残存迹象看,该木棺长约2、南宽约0.4、北宽约0.6、高约0.7米。棺内骨架保存较完整,葬式为仰身直肢,头向北,从头骨及盆骨判断,应为一女性,根据其骨骼的愈合情况及臼齿的磨损程度推测,年龄约在20~30岁之间。
东侧木棺亦仅存朽木痕迹、漆皮、及棺钉等,棺内骨架周围填塞的木炭渣厚约4~8厘米,亦以头部及足处较多,棺内底部铺垫的灰层亦厚约4~10厘米,根据残存迹象看,该棺长约2、南宽0.4、北宽0.6米。棺内骨架保存状况较好,葬式为仰身直肢,头向北,从头骨及盆骨判断,应为一女性,根据骨骼的愈合情况及臼齿的磨损程度推测,其年龄约在30~40岁之间。
中棺保存状况略强于前二者,木棺的木质部分腐朽严重,但漆皮保存较好,漆皮下有布纹痕迹,应是先在木棺面贴布,再涂漆,其表面的图案已不清,但可看出有描金的痕迹。棺内的情况与前二者相近,亦填塞木炭屑,铺垫棺灰等。该棺长2、南宽约0.4、北宽约0.54米。棺内骨架保存状况较好,葬式为仰身直肢,头向北。从其头骨及盆骨判断,应为一男性,根据骨骼的愈合情况及臼齿的磨损程度推测,年龄约在25~35岁之间。
三型,3座,包括ⅢM18、ⅢJ1M3、ⅣM15,墓道平面均为梯形,墓室或朝东扩或朝西扩,整体平面呈刀形。90度(图五)。墓道开口于扰土层下,距现地表约1.35米,长2.7、东宽0.8、西宽1.1米,底面有约1度坡度,距现地表深4.75~5.1米。墓道西端墓室口处有较多散乱土坯,原应有土坯封门。较完整的土坯长32~34、宽14~16、厚4.5~6厘米。
墓室平面略呈梯形,进深2.4、东宽1.8、西宽2米,南北两壁于高约1.4米处内收起拱,顶略呈拱形,高约1.68米。墓室西壁略偏南处的下部有一个小龛,进深0.2、宽0.5、高0.5米。该墓被严重盗扰,朽木、棺灰及棺钉散乱于墓室各处,从墓室地面残留痕迹看,该墓室内应放置两具木棺,南侧木棺痕迹长约1.9米,宽度不明,北侧木棺扰乱严重,形制不明。人骨架也腐朽扰乱严重,性别、年龄及葬式均不明。
例ⅢM18,坐北朝南,方向180度(图六)。墓道上部约有2.6米的土层已被挖去,其开口情况不明。现口平面呈梯形,长2.7、宽0.78~1.54米,底面基本水平,现深1.6米。墓道北端墓室口处有土坯封门,为南北向横立并排垒砌,现存7层,高1.04米,其下垫有约0.4米的花土。土坯长28、宽14、厚5厘米。墓室与墓道之间以门洞连接,门洞进深0.2、宽1.04米,顶部已坍塌高度不明。

墓室平面呈斜向梯形(其西壁斜向与门洞西壁连接),进深2.3、南宽1.02、北宽2.06米。墓室壁面高约1.3米,顶部已坍塌,形制不明。
墓室内并排放置两具木棺,东棺长1.80、南宽0.48、北宽0.60米,西棺长1.80米、南宽0.42米、北宽0.58米,两棺间距约0.2~0.35米,棺板厚约0.1米。令人不解的是两具棺内均未见骨架痕迹。
(二)随葬器物
这9座宋墓出土随葬器物均较少,多数墓仅出1~2件陶器或瓷器,少数墓仅出土零星小铜饰及铜钱等。
1.陶器3件,均为罐。分别出自ⅡM13、ⅣM13、ⅣM21。
标本ⅡM13∶4,泥质灰陶。侈口,方唇,溜肩,深弧腹,平底。肩腹部饰若干宽凹旋纹,外壁残存涂粉白的痕迹。高19.3、口径9、腹径14.5、底径7.2厘米(图七,3)。
标本ⅣM21∶1,泥质灰陶。口微侈,圆唇外卷,溜肩,斜弧腹,平底,素面。高13.6、口径1.6、肩径17、底径9.2厘米(图七,4;图版二,3)。标本ⅣM13∶1,似为瓷土烧制,呈土黄色,质较硬,略有吸水性。口微敛,圆唇微外撇,高领下部微外弧,领上有数周旋纹,溜肩,斜弧腹,圈足略外撇。颈及肩处残存鋬的残痕。高12、口径7.6、腹径1.6、底径5.2厘米(图八,1;图版二,4)。

2.瓷器共8件,分别出自ⅡM13、ⅢM18、ⅢJ1M3、ⅢJ1M6、ⅣM21等5座墓。
黑釉瓷瓶3件。标本ⅢM18∶2,质稍粗,胎色灰白。小口微敞,束颈圆肩,圈足。外壁施黑釉,下腹及底刮去釉层。高16、口径2.5、肩宽12.8、底径8厘米(图七,6;图版二,1)。标本ⅢM18∶1,较前者低矮。高14.2、口径2.6、腹径13.2、底径8厘米(图七,5;图版二,6)。

ⅢJ1M3出土的1件胎质同上。标本ⅢJ1M3∶1,小口微敛,唇下有一周凸棱,矮颈,圆肩,深斜腹,圈足。外壁黑釉施至下腹,釉色黑亮。高21、口径3、肩径15.2、底径8.1厘米(图七,1;图版二,2)。
黑釉双系瓷瓶2件,均出自ⅢJ1M6,形制相同。标本ⅢJ1M6∶2,胎呈灰白色,质较粗,小直口,唇外卷,颈微束,圆肩,深弧腹,圈足,颈下有相对两个桥形系。内外壁通体施黑釉,外壁下腹刮去釉层,足底均未施釉。高19.5、口径3.5、肩径14.4、底径8.2厘米(图七,2)。
黑釉瓷灯盏1件,标本ⅡM13∶3,胎呈灰色,质较粗。大敞口,尖圆唇较厚,斜腹甚浅,凹底。内壁施黑釉,口沿处刮去釉层,外壁露胎。高2、口径6.2、底径3.2厘米(图八,2)。
残瓷碗1件,标本ⅡM13∶6,仅存部分残片。胎呈灰色,质较粗。大敞口,圆唇较厚,斜腹微外弧,上腹有一道阴弦纹,底部残缺。内外壁通施青釉,釉层薄厚不匀。残高约7、口径约18厘米。白釉瓷瓶(玉壶春)1件,标本ⅣM21∶4,胎为白色,质较细腻。器形似玉壶春,喇叭口,尖圆唇,长束颈,溜肩,鼓腹,圈足。颈下有二周凹弦纹。外壁施白釉,近底处露胎,内壁釉层施至颈部,釉层均匀,有光泽。高13、口径4、腹径6.2、底径4.1厘米(图八,3;图版二,5)。
3.铜器
铜簪3件。标本ⅡM9∶1,表面锈蚀严重。柄部较细,柄端做成六瓣花形,其下隔片为六角形,簪身上部略粗,截面呈六棱状,下部渐细,截面基本圆形,尖部略残。残长8.5、截径0.3~0.45厘米(图九,1)。另外2件形制相同。标本ⅣM15∶1,表面锈蚀,一端呈中部凸起的五瓣梅花形帽,簪身截面呈圆形,下部渐细成尖。长12.8、帽径约1.2、簪身直径约0.2~0.6厘米(图九,2)。

残铜饰1件,标本ⅡM13∶5,片状,似一展翅飞翔的鸟。残高约1.8、残长约2.1、厚约0.1厘米(图九,6)。
残铜器3件,标本ⅡM9∶2,锈蚀严重,圆柱形,上端有半球形帽,下部渐粗,中空,下端残。残高1.8、帽径0.5、腹径0.3~0.4厘米(图九,4)。
标本ⅡM9∶4,为上细下渐粗的柱形,中空,下端开口。高3.9、直径0.3~0.5厘米(图九,5)。标本ⅡM13∶2,长条状,截面呈扁圆形。残长截径0.2~0.45厘米(图九,3)。
4.铜钱共约36枚,各墓均有出土,多者余枚,少者仅1枚,有景德元宝、天圣元宝、皇宋通宝、嘉佑通宝、治平元宝、治平通宝、熙宁元宝、熙宁重宝、元丰通宝、元祐通宝、绍圣元宝、圣宋元宝、崇宁通宝、政和通宝,以及开元通宝。
景德元宝,标本ⅣM21∶2-1,钱文楷书,旋读,直径2.5、穿径0.6厘米(图一○,1)。

天圣元宝,标本ⅣM21∶2-2,钱文楷书,旋读。直径2.4、穿径0.6厘米(图一○,4)。
圣宋元宝,标本ⅣM21∶2-1,背面外廓较浅不显,钱文篆书,旋读。直径2.5、穿径0.6厘米(图一○,3)。
皇宋通宝,标本ⅣM15∶2-1,钱文篆书,直读。直径2.5、穿径0.6厘米(图一○,2)。
嘉佑通宝,标本ⅡM13∶1,钱文楷书,直读,直径2.3、穿径0.65厘米(图一○,5)。
治平元宝,标本ⅣM21∶2-3,背面内外廓不显,钱文篆书,旋读。直径2.5、穿径0.5厘米
(图一○,6)。
治平通宝,标本ⅣM15∶2-2,铸造较粗糙,钱文宽浅不清,楷书,直读。直径2.4、穿径0.7厘米(图一○,7)。
熙宁元宝,出自ⅢJ1M6和ⅣM21。标本ⅣM21∶2-4,背面内外廓较浅不显,钱文楷书,旋读。直径2.4、穿径0.5厘米(图一○,8)。
熙宁重宝,标本ⅣM21∶2-6,钱文楷书,旋读。直径3.2,穿径0.8厘米(图一二,1)。标本ⅣM21∶2-7,形体较前者略小。“宁”字铸时残缺。直径2.9、穿径0.65厘米(图一一,3)。
元祐通宝,出自ⅢM18、ⅣM15和ⅣM21。标本ⅣM15∶2-4,钱文行书,旋读。直径2.45、穿径0.6厘米(图一○,10)。
元丰通宝,出自ⅢM37、ⅣM13和ⅣM21。标本ⅣM21∶2-8,背面内外廓宽浅不显,钱文行书,旋读。直径2.9、穿径0.6厘米(图一一,4)。
绍圣元宝,出自ⅡM13、ⅣM15和ⅣM21。标本Ⅱ区M13∶1,钱文行书,旋读。直径2.5、穿径0.6厘米(图一一,1)。
崇宁通宝,标本ⅣM21∶2-12,铸造精良,内外廓均较窄,钱文“瘦金体”,旋读。直径3.5、穿径0.75厘米(图一二,2)。

政和通宝,标本ⅣM21∶2-13,为涎环钱,外廓不圆,有磨损的痕迹,内廓已被凿去,仍可看出钱文为“政和通宝”,篆书,直读。直径2.7~2.8、穿径约1.3厘米(图一一,5)。
开元通宝,出自ⅣM15。标本ⅣM15∶2-5,正背均具内外廓,内廓较窄,钱文直读,背面穿上仰月纹。直径2.45、穿径0.6厘米(图一一,2)。
铁棺钉各墓均有出土,钉帽皆基本为圆形,钉身皆四棱状,长者可达20余厘米,短者仅约7、8厘米。
ⅣM21还出土买地券1件,为方砖磨制,边长29.5、厚约4厘米。正面磨光并涂墨,用朱砂书写券文,但脱落严重,残存字迹亦模糊不清,已无法辨识。
二、金墓
1座。ⅡM10
位于西安理工大曲江校区二区中部,西距ⅡM9(宋墓)仅约1米,并打破ⅡM11墓室西北角。
该墓为竖穴墓道土洞墓,由竖穴墓道、甬道和土洞墓室组成,平面略呈铲形,座北朝南,方向175度(图一三)。

墓道开口于扰土层下,距现地表深约0.8米,平面略呈梯形,长1.82、宽约0.5~0.6米。四壁基本垂直,底面基本水平,距现地表深约5.1米。墓道两壁北侧各有两个脚窝。进深8~10、宽约15~16、高约12厘米,上下相距约1.4米。
甬道平面呈梯形,进深约1.4、宽0.6~0.9米。顶基本为拱形,高约0.8米。
甬道南口有土坯封门,为较大的土坯竖立并排垒砌,其下垫有厚约0.3米的花土,其上又用较小的土坯堵塞缝隙,将甬道口基本封严。较大土坯长42、宽17、厚约8厘米,较小土坯长24、宽10、厚约6~7厘米。
墓室平面呈不规则的椭圆形,进深约3.2、南宽约0.9、北宽1.4,中部最宽处约1.7米。东西两壁皆与甬道两壁直接相连,并均呈外弧状。四壁高约0.8米,顶为弧形,最高处约1.3米。
葬具为木棺,置于墓室南端至甬道内(大部分位于甬道内),木棺已朽,仅存朽木痕迹、棺钉及棺灰等,根据棺灰的范围可知木棺长约1.9、南宽约0.4、北宽约0.54米。从封门土坯内侧粘结的木痕看;木馆是紧贴封门放置的。木棺下的地面并可见一层很薄的白灰。
人骨保存状况很差,上身骨架多已成黄色粉末状,但仍可看出葬式为仰身直肢,头向北。性别已无从判断;仅能根据自齿的磨损程度推测∶墓主年龄约在35~45岁之间。该墓仅出土铜钱2枚。
标本ⅡM10+1,"政和通宝"。出自人骨架的左足处,制作较精。正背均具内外廓,正面钱文篆书,直读。直径2 5穿径0.6厘米(图一四,3)。标本ⅡM10∶2"大定通宝";出自人骨架左手处。制作较精;钱文字体为仿"瘦金体",直读。背面穿上铭"酉字。直径2 5、穿径0. 6厘米(图一四,1、2)。
三、小结
9座宋墓的规模都很小,均为小型竖穴墓道土洞墓,出土器物也很少,我们根据各墓出土的瓷瓶和铜钱将这9座墓的时代定为宋。
ⅡM10形制比较特殊,墓室平面基本呈椭圆形,木棺大部置于甬道内,未见随葬器物,仅出土2枚铜币,政和通宝铸于宋徽宗政和年间(11~118),大定通宝铸于金世宗完颜雍大定十八至廿九年(178~189)。由此判断应为金代墓葬。
参加发掘:高明韬王俊华黄广民 韩民兴郝顺利高峰峰 韩鑫 马志军等
器物绘图:韩民兴 高峰峰
执 笔:马志军 高明韬