指北针是一种用于指示方向的工具,广泛应用于各种方向判读,譬如军事、航海、野外探险、城市道路地图阅读等领域。武汉会战的万家岭战役中,人生地不熟的日寇第106师团之所以掉进薛岳的包围圈,就是因为作战参谋的指北针失灵,应该是该地区有较强的地下磁场所致,直接造成日军无法准确判明部队所处位置而迷路,在崇山峻岭中兜了好几圈浪费了大量时间,不但没有完成快速穿插的作战任务,反而给国军第一团调动部队围歼之 提供了时间,终遭重创,成就了抗日战场的万家岭大捷”, 也足见指北针和*用军**地图配合使用的重要性。
如今,越来越多的军迷喜欢从事野外生存活动,甚至还有人带上生存装备,专门选那些人迹罕至的地方去探险。但是如果没有掌握荒野寻踪的技能,没有一些必备的仪器设备,一个缺少方向感的人是很容易在野外走丢的。而在户外定向越野运动中指北针是必须要学习的基本技能。今天和大家一起学习户外定向越野中指北针的实战技巧。
在学习本技能之前要先复习户外旅游技巧之前的两篇文章以巩固基础知识:
《地形图知识》定向运动及野外生存入门技巧3
《地貌图知识》定向运动及野外生存入门技巧4
定向运动专用指北针的使用方法
指北针在定向运动中的作用主要有:出别方向、标定地图、确定站立点和辅助按图行进。
下面以瑞典 SILVA 公司生 产的定向运动专用 指北针为例, 简要 介绍定向运动指北针的基本构造、性能、使用方法。瑞典 3 型指北针是 目前国际上较多使用的一种透明式指北针。 由
千它的磁针盒内充满一种起稳定磁针作用的特殊液体,因此很适合在 奔跑时使用。 其构造如图 4 — 28。
在定向越野指北针的分度盘上, 刻有 36。0 制 角度数值, 每一小 格为2” , 当o• ( N ) 刻划与磁针北端(即磁北方向) 对正之后, 相应地, 90 飞 为东 , 18 0' 处为南 , 27 0' 处为西. ....基 于指北针 的这一构造 特点我们轨可以根据磁方位角的原理在图上或现地量测出站立点至 任意一个目标的准确方位。

图 4 - 28 定向越野指北针
1. 直尺 毫米(左).英寸(右) 2. 透明基板 3. 磁针(红喘指北) 4. 充液 磁针盒与磁北标定线 5. 前进方向箭头 6. 放 大镜 7. 指标(读数线) 8. 照 准线 9. 定向箭头 10 . 分度盘 (360. 制) 11. 系绳孔
在图上量读磁方位 角, 如图 4 - 29。
在现地测定磁方位角,如图4-30。利用指北针行进,在定向越 野中是一种补充利用地图行进之不足的有效方法,它适合在山林地使用。利用指北针行进 的方法, 如图 4 - 31p
二、标定地图
标定地图就是为了使定向运动图的方位与现地方向/改。这是使 用定向运动图的重要前提。
1 . 概略标定
定向运动图同其他地图一样,也是_上北、下南、左西、右东。,在现地判明方位后,将地图上方对向现地北方,地图即为概略标定。这种方法 简单实用,在定向运动中经常使用。

图 4 - 29 在图上量读磁方位角
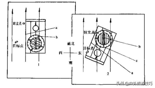
1.标定地图
a.将前进方向箭头朝 向地图上方,直尺边切于磁北线 e
b.转动地图,使磁针北喘 对正目标.
2.测定磁方位角,地图不动
a.将直尺边切于站立 点至目标点的连线前进方向箭头朝 向目标方 向。
b.转动分度盘,使定向箭头与磁针重合。
c. 读数 (210度)
2.利用磁北线 (MN 线) 标定
先使透明式指北针圆盒内的定向箭头”个“转向地图上方,使箭头两侧的平行线与定向运动图上的磁北线重合(或平行),然后转动 图,使磁针北端对正磁北方向,地图即为标定。
3.利用直长地物标定
利用直长地物(指道路、河渠、土堤、电线等)标定地图,应先 在图上找到这段直长地物符号,对照两侧地形,使地图和现地的关系 位置概略相符,再转动地图,使图上的直长地物符号与现场直长地物方向一致,地图即为标定。 三、现地对照地形对照地形就是判明图上所显示的地形在现地的情况,判明现地地进方向和路线;

1. 在胸前适 当位置(要便于读数 ) 平持指北针, 2. 通过中间的照准线 对正目标, 3. 转动分度盘, 使定向箭头与磁针重合; 4 . 读数 (60度)
行进中要使图上和现地道路方向相同,始终保持地图 和现地方向一致,不断研究沿途地形特征,向前寻找方位物,边走边 对照,随时明确所在位置和前进方向,直至终点。
无论在什么情况下,对照地形前应特别注意·一是要有发展变化 的观点,二是要有比例尺和立休概念,三是以地貌为准,地物、地貌 相结合对照;四是主要地形要对照准确。
四、确定站立点的方法
1 . 估测法
估测法是在对照了站立点附近地形的基础上进行的。当站立点在 明显的地形点上时,从图上找到该地形点,即站立点的图上位置。
如果站立点不在地形点上,但附近有明显地形特征时,可先标定地图,对照站立点周围的地形细部,分析站立点与周围地形特征的关系位置, 即可判定站立点 的图上位置。 如图 4 - 32。

图 4 - 31 利用指北针行进
说明:
1.指北针 直尺边切目标方向线( 前进箭头朝向目标方向)。
2 .转动分度盘, 使磁北标定线与图上的磁北线重合。
3. 移动地 图.升将指北 针平持 于胸前远当位置。
4. 转动身体, 使磁针与定向箭头重合 , 沿前进箭 头所指 的方向寻找、明确 目标(或辅助物.而后前进。
进方向和路线;行进中要使图上和现地道路方向相同,始终保持地图 和现地方向一致,不断研究沿途地形特征,向前寻找方位物,边走边 对照,随时明确所在位置和前进方向,直至终点。
无论在什么情况下,对照地形前应特别注意·
一是要有发展变化 的观点,
二是要有比例尺和立体概念,
三是以地貌为准,地物、地貌 相结合对照;
四是主要地形要对照准确。
四、确定站立点的方法
1 . 估测法
估测法是在对照了站立点附近地形的基础上进行的。当站立点在 明显的地形点上时,从图上找到该地形点,即站立点的图上位置。如果站立点不在地形点上,但附近有明显地形特征时,可先标定地图,对照站立点周围的地形细部,分析站立点与周围地形特征的关 系位置, 即可判定站立点 的图上位置。 如图 4 - 32。

图 4 - 32用估侧法确定站立点位置
2 . 后方交会法
当站立点附近地形特征不明显,但周围有两个以上图上和现地都 有的地形点时,可采用后方交会法确定站立点 如图 4 - 33。 其作业要领是·
( 1) 标定地图,
(2) 选择离站立点较远的图上和现地都 有的 2 -- 3 个明显地形点
(3) 将指北针 直尺(或三棱尺) 边分别切于图上两个地形点符 号的定位点上(可插细针),依次瞄准现地相应的地形点,然后分别沿 直尺边向后画方向线,图上两方向线的交点,就是站立点的图上位置。
3.截线法
当站立点在线状地物(如道路、河流、土堤等)上时,可利用截线法确定其 图上位置。 如图 4 - 34。 其作业要领是:

图 4 - 33 后方交会法
( 1) 标定地图;
( 2) 在线状地物 的侧方选择 一个图上和现 地都有的明显地形点;
( 3) 进行侧方交会。 交会时, 先将指北针直尺(或三棱尺) 边切 于图上相应地形点符号的定位点上(可插细针);再瞄准现地该地形 点;然后沿直尺边向后画方向线,该方向线与线状地物符号的交点, 就是站立点在图上的位置。

图 4 - 34 截线法
4 . 磁方位角交会法
在丛林或不便于直接从图上瞄准目标的地区,确定站立点的图上位 置时,可用磁方位角交会法。如图4-35。以丛林为例,其作业要领是:

图 4 - 35磁方位角交会法
(1)攀登到便于向远方通视 的树上, 选择图上和现地都有的两个 明显地形点,并用指北针分别测出至该两地形的磁方位角;
(2)) 在树下附近标定地图;
( 3 ) 将所测磁方位角图解在地图上。 图解磁方位角时, 先将指北 针的直尺依次切于图上被照准的两地形点符号定位点上;再转动指北针,使磁针北端指向所测相应磁方位角分划;然后沿直尺边描画方 向线,两方向线的交点,就是站立点的图上位置。也可将所测磁针方位角先换算成坐标方位角,再在地图上过两已知点按相应的坐标方位角图解方向线。两方向线的交点,即为站立点 的图上位置。
5. 透明纸法
当在站立点上无法精确标定地图时,可采用透明纸法确定站立点的图上位置。 如图 4 - 36。 其作业要领是:
(1) 选择在图上和现 地都有 的三个以上明显地形点;
( 2) 在透 明纸 上描画方 向线 , 描画时, 先将透明纸 固定在图板 上, 并在适 当位置插 4 细针 , 再以指北针直尺(或三棱尺) 边紧靠细针,图板保持不动,依次向三个地形点瞄准,并向前画方向线,然后 在各方向线的末端注记相应地形点名称。
( 3) 取 下透明纸, 蒙在地图上, 并转动透明纸, 待各方向线均能 通过图上相应地形点符号的定位点时,即将透明纸上的针孔刺于图上,该点即为站立点的图上位置。

图 4 - 36 透明纸法
6 . 极距法
当便于测量站立点到已知点的距离时,可采用极距法确定站立点的图上位置。 如图 4 - 37。 其作业要领是:
(1) 标定地图;
( 2) 选择一个距离较近并在 图上和现地都有的明显地形点;
( 3) 描画方向线, 描画时, 先将指北针直尺(或三棱尺) 边与图 上该地形点符号的定位点相切,向现地明显点瞄准端直尺边画方向线(也可测角图解出方向线);
(4 ) 估测出从站立占 到明显地形点的距离,并 按比例尺在方向线上定出一点,该点即为站立点在图上的位置。
五、按图行进的方法
按图行进是定向运动的基本运动方式。它有赖于运动员对前面所 达各种技能的综合运动。因此,在实践中要根据地形情况和个人特点 选择适合自己的方法,反复练习,融汇贯通,以便在比赛时不降低或 少降低运动速度的情况下,始终正确地行进在自己选定的路线上,顺利到达终点。
记忆法:
一般要按行进的顺序,分段地记住路线的方向、距离,经过明显方位物及有参考价值的辅助(参照)物。通过记忆,应该使 自已具备这样一种能力、现地的情景能够不断地与识记的内容”迭影”,印证“人在地上跑,心在图中移”。
拇指辅行法:
先明确自己的站立点和将要运动的路线,到达目标,然后转动地图(身体随之转动),使地图与现地方向一致,先用 拇指压于站立点一侧,再行进。行进中要根据自己所到达的位置,不 断移动拇指,转动地图,保持位置、方向的连惯性和正确性。
借线法:
当检查点位于线状地形或其附近时,可以采用此法。行 进时,要先明确站立点,而后利用易于卅认的线状地形,如道路、高压线、山脊线等,作为行进的“引导",使自己运动时更有信心。
借点法:
当检查点附近有高大、明显的地形点时,可用此法。行 进前要先将目标卅认清楚(亦可用其他物体佐证),然后用最快速度 前往检查点。
导线法:
当站立点距离终点较远,途中地形又很复杂,可采用此 法。行进过程中,要多次采用多个明显地形点,确保前进方向的正确性。但需注意,切勿将相似的地形点用错。 另外,在行进过程中应注意如下儿点。
第一,在经过岔路口、道路转弯点、居民地进出口时,应对照地形。
第二,在遇到现地地形变化与地图不一致时,应仔细对照全貌,全面分析地形的变化和位置关系,然后准确地判定站立点的位置和行 进方向。做到有疑不走、有矛盾不走、方向不明不走。
第三,当发现走错了路时,应立即对照地形。回忆所走过的路程,判明从什么地方走错的,偏离原定路线有多远,再根据情况另选 迂回路线或返回原路,再继续前进。
好今天关于指北针的相关技巧先讲解到这里,后期本系列将会跟新如何运用军事地图在野外越野技巧、和户外越野跑的一些技巧。
你可能对户外旅游技巧的其他同类文章感兴趣:
怎么用指北针在地图精确上定位自己位置和方向?视频教学版
向老兵致敬:我国各式*用军**指北针大全——指北针赏析
户外旅游利器:97式*用军**指北针及使用方法
在野外自己制作简易指南针的四种方法——户外手工技能
户外导航地理知识:关于地图北与方位角
SuuntoA10指南针户外指南针怎么和地图一起识别方向

