时间继电器星三角接线和高清彩图 (星三角怎么选接触器和热继电器)

今天我们讲解一个小元件,那就是时间继电器,元件虽然很小但是能起到大作用,那就是小电流控制大电流,时间继电器一般都是跟接触器组合使用,时间继电器也是星三角接触器接线的必备元件

时间继电器与接触器的接线方法图,时间继电器的接线运用视频讲解时间继电器工作电压有直流的,也有交流的,在我们控制星三角启动接触器一般应用的都是交流的,直流的跟交流的接线方法都是大同小异,就是工作电压不同,接触器工作电压,时间继电器也有显示,如下图就是个交流电压220伏

时间继电器与接触器的接线方法图,时间继电器的接线运用视频讲解时间继电器调节时间的方法有按钮的也有旋转的,都是设置跳转时间的,在我们定好跳转时间以后,到时间时间继电器常开和常闭就会自动跳转,也就是常开变常闭,常闭变常开,对于时间调节我们一般都会,这里就不详细讲解了,今天我们就主要讲解一下交流时间继电器怎么看图接线,因为这是星三角启动必备的原件,以后我也会讲解星三角启动的接线方法,所以今天我们要先了解了时间继电器,为以后学习星三角启动接线做好基础

时间继电器与接触器的接线方法图,时间继电器的接线运用视频讲解时间继电器侧面都有线路图,这是个24伏直流时间继电器,跟交流220伏交流时间继电器接线方法是一样的,在图中我们可以看到,2和7是时间继电器的工作电压电源,7是正极,2是负极,2和7要接24伏直流电压,然后134是是一组跳转触点,1和4是常闭触点,也就是延时以前一直是联通的,在我们定的延时时间到达的时候,1和4就从常闭变为了常开,也就断开了,这时1和三就联通了,这样就完成了跳转

时间继电器与接触器的接线方法图,时间继电器的接线运用视频讲解所以134延时以前,1和4是常闭,1和3是常开,延时到达以后,1和4就变为了常开,1和3就变为了常闭,这组跳转触点就跟我们平常用的双控开关是一个原理,很好理解吧,然后856是另一组跳转触点跟第一组跳转触点是一个原理,这里就不多说了

时间继电器与接触器的接线方法图,时间继电器的接线运用视频讲解

所以时间继电器接线2和7接继电器工作电压,134是一组跳转触点,856是一组跳转触点,我们是利用这两组跳转触点来达到控制一个或者多个接触器的目的,这次讲解时间继电器就是为星三角启动做准备,星三角启动我们用的是通电延时继电器,下面我们详细讲解一下通电延时继电器

.时间继电器分为通电延时继电器和断电延时继电器,我们星三角启动应用的就是通电延时继电器,通电延时继电器也分为220伏和380伏的,我们用的是380伏通电延时继电器

2.通电延时继电器型号不同,厂家不同接线方法也不同,但是原理是一样的,通电延时继电器的意思就是通电以后开始计时,时间一到通电延时继电器的常闭触点变为常开触点,常开触点变为常闭触点

时间继电器与接触器的接线方法图,时间继电器的接线运用视频讲解3.从上图我们可以看到一个88的数字,这里就是调节通电后延时时间,比如我们调到20秒,通电延时继电器就会在通电20秒后,通电延时继电器的常闭就会变为常开,常开就会变为常闭,所以这个功能就是调节延时时间

4.还有的是通过旋转按钮调节时间,但是道理都是一样的,都是调节延时时间的作用

5.380伏延时继电器一般会有8个接触点,两个接触点是通电延时继电器的电压,也就是说是电源,另外还有6个接触点分为了两组跳转,如下图:

时间继电器与接触器的接线方法图,时间继电器的接线运用视频讲解6.从上图我们可以看到2和7是时间继电器的电源,1,3,4是一组跳转接触点,8.5.6是另一组跳转接触点,意思就是通电后继电器开始延时,这时1和3是常闭点,1和4是常开点,8和5是常闭点,8和6是常开点,等通电延时继电器延时时间到了以后,1和3就会断开,1和4开始闭合,下一组跳转点同理,我们可以把他理解为一个开关,很好理解吧

时间继电器与接触器的接线方法图,时间继电器的接线运用视频讲解

7.时间继电器平时不启动时只有一根电源是长待带电的,另一根通电就会开始延时,2是长带电,7是通电后开始延时,很好理解吧,7通电以后还要给1和8的电源,这样才能联通两组跳转点也就是开关,如上图,在电动机星三角启动中我们只需要一组跳转点就可以了,不同的时间继电器接线触点也不一样,我们要看下时间继电器的侧面有线路图,要看一下,那个触点是电源触点,那个是跳转触点,哪个是常闭和常开触点才能根据需要接线,品牌不同但是原理是一样的

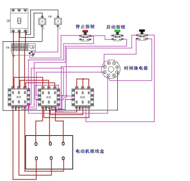
下图是时间继电器控制星三角启动的线路图,你们先看一下,以后我会讲解,上一篇讲解了接触器自锁你们可以看看,只要你看,一般都能学会

时间继电器与接触器的接线方法图,时间继电器的接线运用视频讲解

时间继电器与接触器的接线方法图,时间继电器的接线运用视频讲解

时间继电器与接触器的接线方法图,时间继电器的接线运用视频讲解

以后我会定时分享电工技能方面知识和接触器类知识,喜欢的朋友请加下关注,下一篇我会讲解接触器的双重互锁