CPU 的目的承载操作系统,组织与具体控制任务无关的所有功能 。具体包括:处理暖启动、刷新输入 /输出映像、调用用户程序、检测中断事件、调用中断组织块、检测和处理错误、管理存储器、处理通信任务等等。
它的工作模式
停止( stop ),启动( startup ),运行( running );
启动( startup ):CPU从停止转换到运行时为启动模式。四个要点——清输入,始输出,启OB,排中断。具体为清理输入缓冲区( I 区),初始化输出缓冲区( Q 区),执行启动 OB,排列中断队列,但不处理。 注意,此时启动 OB 读取 I 区时结果为 0,必须读取物理输入。
运行( running ):五个要点 —— 写输出,写输入,行 OB,自诊断,附断信。
具体为 Q 区写输出,输入写 I 区,执行用户程序,执行自诊断,如此循环。循环中任何时候都会处理中断和外来通信。

图 1 CPU的启动( startup)和工作( running)
停止( stop ):四个要点 —— 停程序,禁输出,不刷新,仅通信诊断。
具体为停止执行用户 OB,禁止输出或保持最后输出值,不刷新输入输出过程映像,仅仅处理通信和自诊断。
CPU 的工作方式
扫描式工作:单片机是逐行工作, PLC 是逐行扫描。逐行工作指下一指令的执行始于上一指令的结束,逐行扫描指每循环扫描所有指令并刷新变量。
CPU 的扫描周期:自诊断 —处理通信 —读输入 —执行用户程序 —写输出 。扫描周期是弹性的, 多数情况越小越好,组态时可设置最大值,实际扫描周期超出最大值 CPU报错。
编程基础
编程单位
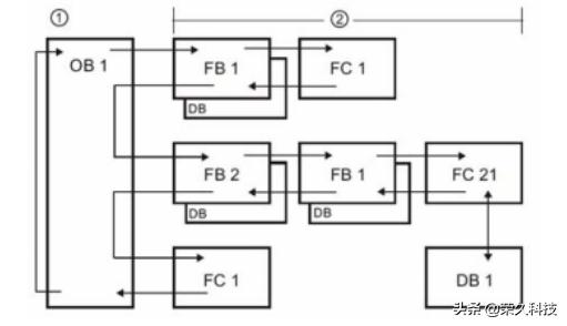
代码块 ,具体分为以下几类:

表 1 用户程序代码块
组织块 OB(organization block ):由操作系统调用, OB 间不可互相调用。 OB 可调用子函数如 FB/FC 。有程序循环组织块 (扫描循环执行) 、启动组织块 (startup ,启动时执行一次,默认编号 100 )、中断组织块 。
功能 FC(function ):子函数, 一个扫描周期内执行完毕 。
功能块 FB(function block ):子函数,内部含有静态变量,须附加背景数据块 DB,多数情况下需要多个扫描周期内执行完毕。
背景数据块 DB/ 全局数据块 DB(data block ):存储全局静态数据。

编程语言
梯形图( ladder diagram, LAD ):类似继电器电路图,由触点、线圈和方框表示的指令框组成。特别适合于数字量逻辑控制,直观易懂。假想“能流” (powerflow )自上而下,自左而右。

图 3 梯形图示例
功能块图( function block diagram, FBD):类似于输电的图形逻辑符号,用类似与或非门表示逻辑运算关系。

图 4 功能块图示例
结构化控制语言( structured control language ):类似于 PASCAL、C 语言的简化的高级语言。语言功能强于图形语言,可读性强于指令语言,适于编写算法复杂的程序,不如图形语言直观。

图 5 结构化控制语言示例
数据存储
过程映像输入( I ):可按照位、字节、字、双字访问。 I0.0,IB0, IW0 ,ID0 。
物理输入( I:P):立即读取输入。
过程映像输出( Q):可按照位、字节、字、双字访问。 Q0.0,QB0,QW0,QD0。
物理输出( Q:P):立即写输出。
位存储区( M):全局性的, 可保持 ,用于存储操作的中间状态或其它控制信息,可按照位、字节、字、双字访问。
临时局部存储区( L):块的临时局部数据, CPU运行时自行分配。
数据块( DB):可保持 。
数据类型
用于指定数据元素大小以及如何解释数据。
基础数据类型 :Bool(1bit )、Byte(8bit )、Word(16bit )、Dword(32bit )、USint(8bit )、Sint(8bit )、Uint (16bit )、Int (16bit )、UDint (32bit )、Dint (32bit )、Real(32bit )、LReal(64bit )、Sturct 、数组。
时间和日期 :Time(32 位 IEC 时间,T#1d_2h_15m_30s_45ms )、Date(16 位日期值,D#2009‐12‐ 31)、TOD(32 位日时钟值, TOD#10:20:30.400 )、DT(64 位日期和时间值, DTL#2008 ‐12‐ 16‐ 20:30:20.250)。
字符和字符串 :char( 8bit 单个字符)、String (256 个 byte ,存储最长 254 个字符),关于String 特别说明如下, 第一个字节存储最大字符串长度,第二个字节存储当前字符串长度 :

表 2 String 数据类型示例
PLC 数据类型 :可自定义在程序中多次使用的数据结构。
指针数据类型: pointer 、any、variant (不占用存储器的任何空间) 。
Any 示例: P#DB11.DBX20.0INT10 (DB11 中从 DBB20.0 开始的 10 个字);
Any 示例: P#M20.0BYTE10 (从 MB20.0 开始的 10 个字节)
Any 示例: (输入 I1.0 )
数据片段访问
按位访问: 变量名称 >".xn 、"<数据块名称 >".<变量名称 >.xn。
按字节访问: 变量名称 >".bn 、"<数据块名称 >".<变量名称 >.bn。
按字访问: 变量名称 >".wn 、"<数据块名称 >".<变量名称 >.wn 。
AT 访问: 以不同于原有变量数据类型的方式访问变量。如利用 arrayofbool 访问 byte 变量。具体步骤:
在待覆盖变量下方选择 AT 变量类型,编辑器随即创建该覆盖;

图 6 AT覆盖( 1)
重命名 AT 变量名称,选择用于覆盖的新的数据类型、结构、数组。

图 7 AT覆盖( 2)
编程准备
安装 STEP7Basic/ProfessionTIAPortal (eg.V13 );
RJ‐ 45接口网线连接 PC和 S7‐ 1200(eg.1214C/DC/DC/DC );
给 S7‐ 1200以及其他模块供电 DC24V 。
一般步骤
新建项目;
组态硬件配置; 特指 硬件组态 ,指在设备和网络编辑器中生成一个与实际系统对应的虚拟系统, PLC 模块的型号、订货号、版本、安装位置、设备通信连接、参数配置都应当与实际硬件系统完全相同。
编写用户程序;
编译和*载下**至 ;
在线监测设备运行情况,调试修改。
指令
能流
能流流经某个具备 EN 和 ENO 的指令,并不一定代表该指令功能执行完成,只代表该扫描周期的扫描完成;算数运算、 bool 变量操作等单扫描周期指令的 ENO输出代表该指令执行完成。
单周期指令和多周期指令
单扫描周期指令 将在本扫描周期内执行完毕;单扫描周期指令的循环操作也在本扫描周期内完成; 多扫描周期指令 的 EN 或者 REQ只使能一个扫描周期,某些指令将不能成功执行;例如大多数的通信指令。能流与扫描FB/FC 的 EN 端将为能流提供扫描通道, EN 端断路,能流无扫描通路, 内部变量将不再刷新,即该函数不再执行;当 FB/FC 的 EN 端总是使能, Enable 输入断开,块内部仍有能流通路,相应变量会被扫描以致刷新,例见下图:

图 8 能流‐内部扫描

图 9 能流‐内部不扫描
前者 FB12 内部的变量总会被扫描,而后者在 M3.0 或 DB_Valve.done 为 1 时,内部变量不会被扫描;相应的,前者 done 变量将被下一扫描周期置 0,而后者 done 置 1 后将因能流不通不能扫描而自行保持;
变量赋值顺序
变量被多次赋值时的先后顺序很重要。 因为变量的值总会被最后执行动作更新, 前面的值将被覆盖,例如下图:

程序初衷为当接受响应完成时 ERR 置位,或响应超时 ERR 置位。上述程序是可以完成正常功能的;但若二者互换,如下图:

接收超时时, ERR 不会置位,因为 rev_done 为 0,ERR 被复位!
FB 与 FC 的参数
FB 块的输入输出形参存储于背景数据块中,在调用该 FB 时实参可选;
FB 块的 输入输出参数 虽不是静态变量,但亦有 保持功能 ,具体视程序而定;
FC 块的输入输出参数是临时内存,必须指定实参才能运行
FC 中临时( Temp)变量也不会自动清零
上升沿和下降沿的读取
单个扫描周期中,一个布尔变量的上升 / 下降沿只能读取一次;因为读取一次之后,其 Pre变量已被立即刷新,后续的读取不能成功读到该变量的状态变化。
数组的使用
数组访问越界将导致 CPU错误, ERR 灯闪烁;
使用数组索引时(例如 array[i] )一定要初始化,上电时该变量内存为随机分配,不一定为0;
SEND_PTP
EN 是使能该命令的能流, REQ 触发该命令的执行,上升沿和保持为 1 都只触发命令 执行一次。
REV_PTP
使用自由口通信协议时, 必须 指定 消息的开始和结束条件 (Condition ),保证正确、及时的发送和接收, 否则会因非必要的延时而增大通信负载; RCV_CFG命令用于配置消息开始和结束条件。
Message timeout/Response timeout messagetimeout 是指从接收到第一个字符起的等待时间,该时间超出后将不再接收消息;
responsetimeout 是指从传送结束到接收到第一个字符之间的时间,超出该时间将不再接受消息,视为消息结束。
STEP7 在线监控的刷新频率
STEP7 中的梯形图操作数、能流的监控特征色(蓝绿) 、以及监控表中的布尔变量的刷新频率有限, 可能不能反映真实的实时运行状况, 可借助一个累加器来监视程序的运行状态, 例如下图:

图 10 累加器监控程序
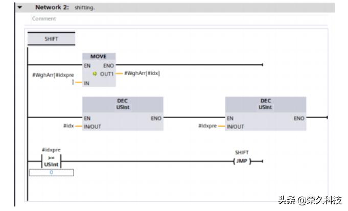
数组下标越界与数据类型
一数组共计 15 个元素, array[0..14] ,执行队列先入先出操作,循环内判断索引是否大于 0:

图 11 数组索引的错误判断
执行结果将为数组下表访问越界。 因为索引的数据类型定义为 USING,即无符号 8 位整数,值域为 0–255 ,当 idxpre 为 0 时,下一循环的 DEC操作导致其变为 255 而非 ‐1,所以,正确的做法是重设索引数据类型为 sint ,或修改判断条件。