朋友们大家好我是大俵哥,今天我们来聊一下互锁电路。我们常说的正反转控制电路,里面就包含电气互锁和机械互锁。

三相电机
三相电机的供电电源,只要随意改变一组相序,就可以实现反转运行,怎么用按钮开关实现启停控制呢?今天我们一起来了解一下。

正转

反转
要实现正反转控制,需要用到两个交流接触器,一个接触器对应正转控制,一个接触器实现反转控制。

正反转原理图
原理分析:当按下正转启动按钮SB1时,交流接触器KM1线圈得电自锁,同时KM1的常闭点断开切断反转的控制回路实现互锁,当按下停止按钮SB3时,KM1线圈失电,当按下反转启动按钮SB2时,接触器KM2线圈得电并自锁,同时KM2的常闭点断开切断正转的控制回路实现互锁,当按下停止按钮SB3时,接触器KM2线圈失电。

点动控制
这种属于点动控制,常见的电动葫芦、行车都是点动控制,如果想实现自锁控制,可以在现有的基础上用启动按钮并联对应的接触器的辅助常开点,实现自保持控制。

正反转控制
这种就是带自锁的正反转控制,KM1和KM2之间为电气互锁,这样控制更加的安全。

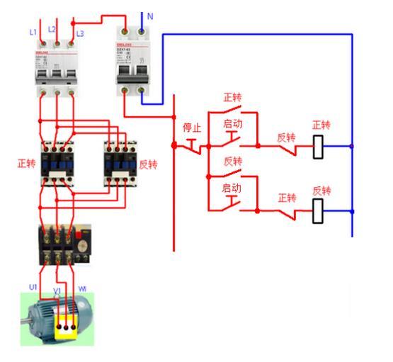
实物接线图
给大家分享一张实物接线图,有兴趣的朋友可以试着接一下。两个按钮开关之间也可以机械互锁,互锁的原理和电气互锁是一样的,双重互锁安全性更高。
经典电工电路 彩*图色**解 电工维修书籍 电路基础分析 零基础学电工知识书
¥69.6
购买
经典电工电路,为初学者打开一扇门