图2-25所示是音频功率放大器在整个放大系统中的位置示意图。它处于前置放大器与负载之间。

图2-25 音频功率放大器在整个放大系统中的位置示意图
电路结构和单元电路作用
1.电路组成方框图
图2-26所示是音频功率放大器电路组成方框图。这是一个多级放大器,由最前面的电压放大级、中间的推动级和最后的功放输出级共三级电路组成。

图2-26 音频功率放大器电路组成方框图
重要提示
电路分析中,时常需要识别一个电路的前、后相关联电路,这有利于了解信号的“来龙去脉”。与音频功率放大器前、后连接的电路是:负载为扬声器电路,输入信号Ui来自音量电位器RP1动片的输出信号。
2.音频功率放大器中各单元电路作用
(1)电压放大级。用来对输入信号进行电压放大,使加到推动级的信号电压达到一定的程度。根据机器对音频输出功率要求的不同,电压放大器的级数不等,可以只有一级电压放大器,也可以是采用多级电压放大器。
(2)推动级。用来推动功放输出级,对信号电压和电流进行进一步放大,有的推动级还要完成输出两个大小相等、方向相反的推动信号。推动放大器也是一级电压、电流放大器,它工作在大信号放大状态下。
(3)输出级。用来对信号进行电流放大。电压放大级和推动级对信号电压已进行了足够的电压放大,输出级再进行电流放大,以达到对信号功率放大的目的,这是因为输出信号功率等于输出信号电流与电压之积。
重要提示
一些要求输出功率较大的功率放大器中,功放输出级分成两级,除输出级之外,在输出级前再加一级末前级,这一级电路的作用是进行电流放大,以便获得足够大的信号电流来激励功放输出级的大功率三极管。
功率放大器以功放输出级电路形式来划分种类,常见的音频功率放大器主要有:OTL、OCL和BTL。
OTL功率放大器应用最多,所以必须深入掌握。掌握了典型的分立元器件OTL功率放大器工作原理后,才能比较顺利地分析各种OTL功率放大器的变形电路、集成电路OTL功率放大器、OCL功率放大器和BTL功率放大器。
甲类、乙类和甲乙类放大器
根据功放输出三极管在放大信号时的信号工作状态和三极管静态电流大小划分,常见放大器有甲类、乙类和甲乙类3种。
1.甲类放大器
单级放大器包括共发射极、共集电极和共基极放大器,这几种放大器是根据三极管输入、输出回路共用哪个电极划分的。如果根据三极管在放大信号时的信号工作状态和三极管静态电流大小划分,放大器主要有甲类、乙类和甲乙类3种,此外还有超甲类等许多种放大器。
甲类放大器就是给放大管加入合适的静态偏置电流,这样用一只三极管同时放大信号的正、负半周。在功率放大器中,功放输出级中的信号幅度已经很大,如果仍然让信号的正、负半周同时用一只三极管来放大,这种电路称为甲类放大器。
重要提示
在功放输出级电路中,甲类放大器的功放管静态工作电流设得比较大,要设在放大区的中间,以便使信号的正、负半周有相同的线性范围,这样当信号幅度太大时(超出放大管的线性区域),信号的正半周进入三极管饱和区而被削顶,信号的负半周进入截止区而被削顶,此时对信号正半周与负半周的削顶量相同,这样非线性失真才最小。
(1)音质好。由于信号的正、负半周用一只三极管来放大,这样信号的非线性失真很小,声音的音质比较好,这是甲类放大器的主要优点之一,所以一些音响中采用这种放大器作为功率放大器。
(2)输出功率不大。信号的正、负半周用同一只三极管放大,使放大器的输出功率受到了限制,即一般情况下甲类放大器的输出功率不可能做得很大。
(3)电源消耗大。功率三极管的静态工作电流比较大,没有输入信号时对直流电源的消耗比较大,当采用电池供电时这一问题更加突出,因为对电源(电池)的消耗大。
2.乙类放大器
乙类放大器不给三极管加静态偏置电流,而且用两只性能对称的三极管来分别放大信号的正半周和负半周,在放大器的负载上将正、负半周信号合成为一个完整周期的信号。
图2-27所示是没有考虑这种放大器非线性失真时的乙类放大器工作原理示意图。
(1)输出管无直流偏置电流。VT1和VT2构成功率放大器输出级电路,两只放大管基极没有静态工作电流。输入信号Ui1加到VT1基极,输入信号Ui2加到VT2基极。
(2)正半周情况。由于加到功放级的输入信号Ui1、Ui2幅度已经足够大,所以可以用输入信号Ui1本身使VT1进入放大区,这一信号经VT1放大后加到负载RL,其信号电流方向如图2-27中所示,即从上而下流过RL,在负载RL上得到半周信号1。VT1进入放大状态时,VT2管处于截止状态。
(3)负半周情况。半周信号1过去后,另半周信号Ui2加到VT2基极,由输入信号Ui2使VT2进入放大区,VT2放大这一半周信号,VT2的输出电流方向如图2-27中所示,即从下而上地流过负载电阻RL,这样在负载电阻上得到负半周信号2。VT2进入放大状态时,VT1处于截止状态。
(4)输出功率大。输入信号的正、负半周各用一只三极管放大,可以有效地提高放大器的输出功率。
(5)用信号直接导通输出管。输入功率放大管的信号幅度已经很大,可以用输入信号自身电压使功率放大管正向导通,进入放大状态。
(6)省电。在没有输入信号时,三极管处于截止状态,不消耗直流电源,这样比较省电,这是这种放大器的主要优点之一。
(7)交越失真。由于三极管工作在放大状态下,三极管又没有静态偏置电流,而是用输入信号电压给三极管加正向偏置,这样在输入较小的信号时或大信号的起始部分,信号落到了三极管的截止区,由于截止区是非线性的,将产生如图2-28所示的失真。

图2-27 没有考虑非线性失真时乙类放大器工作原理图
从乙类放大器输出信号波形中可以看出,其正、负半周信号在幅度较小时存在失真,放大器的这种失真称为交越失真。这种失真是非线性失真中的一种,对声音的音质破坏严重,所以乙类放大器不能用于音频功率放大器中,只用于一些对非线性失真没有要求的功率放大场合。
3.甲乙类放大器
为了克服交越失真,必须使输入信号避开三极管的截止区,可以给三极管加入很小的静态偏置电流,以使输入信号“骑”在很小的直流偏置电流上,这样可以避开三极管的截止区,使输出信号不失真,如图2-29所示。
VT1和VT2构成功率放大器输出级电路,电阻R1和R2分别给VT1和VT2提供很小的静态偏置电流,以避开两管的截止区,使两管进入微导通状态,这样输入信号便能直接进入三极管的放大区。
从图2-29中可以看出,输入信号Ui1和Ui2分别“骑”在一个直流偏置电流上,用这一很小的直流偏置电流避开三极管的截止区,使两个半周信号分别工作在VT1和VT2的放大区,达到克服交越失真的目的。
(1)功率放大管刚进放大区。甲乙类放大器同乙类放大器一样,用两只三极管分别放大输入信号的正、负半周信号,但是给两只三极管加入了很小的直流偏置电流,以使三极管刚刚进入放大区。

图2-28 交越失真示意图

图2-29 克服交越失真示意图
(2)具有甲类和乙类放大器的优点,且克服了它们的缺点。由于给三极管所加的静态直流偏置电流很小,在没有输入信号时放大器对直流电源的消耗比较小(比起甲类放大器要小得多),这样具有乙类放大器的省电优点,同时因为加入的偏置电流避开了三极管的截止区,对信号不存在失真,又具有甲类放大器无非线性失真的优点。所以,甲乙类放大器具有甲类和乙类放大器的优点,同时克服了这两种放大器的缺点。甲乙类放大器因无交越失真和省电的优点,被广泛地应用于音频功率放大器中。
重要提示
当这种放大电路中的三极管静态直流偏置电流太小或没有时,就成了乙类放大器,将产生交越失真;如果这种放大器中的三极管静态偏置电流太大,就失去了省电的优点,同时也造成信号动态范围的减小。
功率放大器的定阻式输出和定压式输出
功率放大器的输出特性有两种:一是定阻式输出,二是定压式输出。
1.定阻式输出
变压器耦合的功率放大器为定阻式输出特性,在这种输出式电路中要求负载阻抗确定不变,在功率放大器输出级电路中的输出变压器一次侧和二次侧匝数确定后,扬声器的阻抗便不能改变。
2.定压式输出
所谓定压式输出是指负载阻抗大小在一定范围内变化时,功率放大器输出端的输出信号电压不随负载阻抗的变化而变化。OTL、OCL、BTL等功率放大器电路具有定压式输出的特性。
在定压式输出的功率放大器中,对负载(指功率放大器的负载)阻抗的要求没有定阻式输出那么严格,负载阻抗可以有些变化而不影响放大器的正常工作,但是负载所获得的功率将随负载阻抗不同而有所变化。
推挽、互补推挽和复合互补推挽放大器
1.推挽放大器
图2-30所示是推挽放大器。VT1和VT2构成推挽输出级电路,VT1和VT2是NPN型大功率三极管,性能参数非常接近(同型号三极管,所谓配对),两管构成一级放大器。T1称为输入耦合变压器,T2称为输出耦合变压器。

图2-30 推挽放大器
(1)认识T1的两个输出信号。二次侧的中心抽头通过电容C1交流接地。二次绕组两端输出大小相等、相位相反的两组信号,用来驱动VT1和VT2,如图2-31所示。
(2)分析VT1和VT2的导通与截止。VT1基极幅度很大的正半周信号使VT1导通,负半周给VT1反向偏置,VT1截止。VT2基极为正半周信号时VT2导通,信号为负半周时VT2截止。

图2-31 示意图
(3)理解推挽工作状态。VT1基极为正半周信号时,VT2基极为负半周信号;VT1基极为负半周信号时,VT2基极为正半周信号。两只三极管一只导通、另一只截止,分别放大半周信号,因此称为推挽工作状态。
(4)电流回路分析。VT1导通时的电流回路是:+V→T2一次绕组上半部分→VT1集电极→VT1发射极→R2→地,图2-32所示是VT1导通时电流回路示意图。

图2-32 VT1 导通时电流回路示意图
VT2导通时的电流回路是:+V→T2一次绕组下半部分→VT2集电极→VT2发射极→R2→地,图2-33所示是VT2导通时电流回路示意图。

图2-33 VT2 导通时电流回路示意图
(5)正、负半周信号合成。VT1导通时信号一个半周的电流流过T2一次绕组,VT2导通时信号另一个半周的电流流过T2一次绕组,T2二次绕组输出正、负半周一个完整的信号,加到扬声器上。
重要提示
对于直流电路而言,VT1和VT2的3个电极是并联的,两管基极通过T1二次绕组相连,两管集电极通过T2一次绕组相连,两管发射极直接相连。
当一只三极管开路而另一只正常时,测量任何一只三极管的集电极、发射极或基极直流电压都是正常的,不能发现开路故障的三极管,因为两只三极管的3个电极直流电路是并联的。
2.互补推挽放大器
图2-34所示是互补推挽放大器电路。VT1是NPN型大功率三极管,VT2是PNP型大功率三极管,要求两只三极管极性、参数十分相近,VT1和VT2构成互补推挽输出级电路。两只三极管基极直接相连,在两管基极加有一个音频输入信号Ui。

图2-34 互补推挽放大器电路
(1)用一个激励信号。利用不同极性三极管输入极性不同,用一个信号来激励两只三极管,这样可以不需要两个大小相等、相位相反的激励信号。两管基极相连,由于两只三极管的极性不同,基极上的输入信号电压对两管而言一个是正向偏置,一个是反向偏置。
(2)工作过程。输入信号为正半周时,两管基极电压同时升高,输入信号电压给VT1加正向偏置电压,VT1进入导通和放大状态;基极电压升高对VT2是反向偏置电压,所以VT2处于截止状态。当输入信号变化到负半周后,两管基极电压同时下降,使VT2进入导通和放大状态,而VT1进入截止状态。
(3)互补电路。利用NPN型和PNP型三极管的互补特性,用一个信号来同时激励两只三极管的电路,称为“互补”电路。
(4)互补放大器。由互补电路构成的放大器称为互补放大器。
(5)互补推挽放大器。两只不同极性的三极管在工作时,一只导通放大,另一只截止,工作在推挽状态,称为互补推挽放大器。
3.复合互补推挽放大器
互补推挽放大器中的两只输出管是不同极性的大功率三极管,要求两管的性能和参数相同比较困难,配对时成本较高,采用复合互补推挽式电路就能够解决这一问题,在实用电路中普遍采用复合互补推挽式电路。
图2-35所示是复合互补推挽放大器电路,VT1和VT2构成一只复合管,VT3和VT4构成另一只复合管。VT2和VT4是两只NPN型的大功率三极管,同极性大功率三极管性能相同容易做到。不同极性的小功率三极管VT1和VT3性能相同比不同极性的大功率三极管性能相同容易做到,这就是要采用复合互补推挽电路的原因。

图2-35 复合互补推挽放大器
(1)互补电路。VT1和VT3构成的是互补电路。
(2)输出管驱动电流。VT2由VT1导通后的发射极电流驱动,两管同时导通,同时截止;VT4由VT3导通后的集电极电流驱动,两管同时导通,同时截止。
(3)推挽过程。将VT1和VT2两管等效成NPN型三极管,VT3和VT4两管等效成PNP型三极管,这样可以方便地分析推挽工作过程。
推挽输出级静态偏置电路
重要提示
为了使功率放大管工作在甲乙类状态,需要给功率放大管建立静态偏置电路,以提供较小的静态工作电流。功率放大器输出级的工作电压和电流比较大,所以故障发生率比较高。
在检修放大器电路故障时,往往是通过检测静态电路的工作情况来推断交流电路工作状态,所以分析放大器电路的静态偏置电路显得非常重要。
推挽输出级放大器的静态偏置电路有多种形式,只有掌握这些电路的工作原理才能真正掌握推挽输出级放大器的工作原理。
1.二极管偏置电路
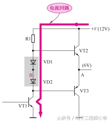
图2-36所示是二极管构成的推挽输出级静态偏置电路。VT1是推动管,VT2和VT3构成推挽输出级,VD1和VD2是输出管VT2和VT3的偏置二极管,给VT2和VT3很小的静态偏置电流,使两管工作在甲乙类状态。A点是这一放大器的输出端。该电路的直流工作电压是+12V。

图2-36 二极管构成的推挽输出级静态偏置电路
理解偏置电路的工作原理关键是明确下列几点。
(1)二极管导通后压降。二极管VD1和VD2串联,它们在由R1加来的直流工作电压+V作用下处于导通状态,其导通后的电流回路是:+V端→R1→VD1正极→VD1负极→VD2正极→VD2负极→VT1集电极→VT1发射极→地端,图2-37所示是VD1和VD2导通电流回路示意图。

图2-37 VD1 和VD2 导通电流回路示意图
每只二极管导通后的管压降为0.6V,这样VT2基极电压比VT3基极电压高出2×0.6V,为1.2V,使两管基极之间有了直流电压降,这就是两管的静态偏置电压。图2-38所示是偏置电压示意图。

图2-38 偏置电压示意图
(2)VT1集电极电压是关键。VD1和VD2两端的电压不变,VT1集电极直流电压不仅决定了VT3基极电压大小,同时决定了VT2基极直流电压大小。
重要提示
改变VT1集电极直流电压大小的方法是改变它的静态工作电流,即改变基极、集电极电流。集电极电流大时,在电阻R1上的压降大,集电极电压就低,反之则高。
只要适当调整VT1静态工作电流大小,就可以使电路中B点的直流电压等于输出端A点直流电压。VT1集电极负载电阻主要是R1。
(3)输出管偏置电路工作原理。由于VD1和VD2导通,VT2基极直流电压高于发射极电压0.6V,对于NPN型的VT2而言是正向偏置电压;VT3基极直流电压低于发射极电压0.6V,对于PNP型的VT3而言是正向偏置电压。这样,两只输出管建立了静态偏置电流,工作在甲乙类状态。
(4)对VD1和VD2内阻的理解。VD1和VD2二极管导通后,它们的内阻很小,在进行交流电路分析时,可以认为两只二极管的内阻为0Ω。
2.输出端直流电压分析
输出端的直流电压等于工作电压+V的一半,+V为12V时输出端A点的直流电压等于6V,图2-39所示电路可以说明这一问题。
VT1和VT2两管有相同的正向偏置电流,VT1和VT2性能一致,所以VT1和VT2集电极与发射极之间内阻大小相等,从等效电路中可以看出,两只阻值相同的等效电阻构成对直流工作电压+V的分压电路,由分压电路特性可知,输出端A点的直流电压等于+V的一半。

图2-39 示意图
3.电阻和二极管混合偏置电路
图2-40所示是电阻和二极管构成的推挽输出级偏置电路。VT1是推动管,VT2和VT3构成推挽输出级电路,R2与VD1构成VT2和VT3直流偏置电路,使两管工作在甲乙类状态。

图2-40 电阻和二极管构成的推挽输出级偏置电路
R2与VD1串联后接在VT2和VT3基极之间,电流从上而下地流过R2和VD1,在VT2、VT3基极之间产生了电压差,这个电压差为VT2和VT3提供静态直流偏置电压。
图2-41所示是偏置二极管VD1导通电流回路示意图。

图2-41 偏置二极管VD1 导通电流回路示意图
OTL功率放大器输出端耦合电容电路分析
OTL是英文Output Transformerless的简写,意思是无输出变压器。前面介绍的功率放大器要设输出耦合变压器,OTL功率放大器就是没有输出耦合变压器的功率放大器。
重要提示
一个功率放大器采用输出耦合变压器后会带来以下几个问题。
(1)变压器安装不方便,成本高,体积大。
(2)对于低频信号而言,由于一般输出变压器的电感量不足,放大器对低频信号的放大倍数不够,造成低音不足现象。
(3)变压器的漏磁对整个放大器的工作构成了危害,会干扰放大器的正常工作。
OTL功率放大器采用输出端耦合电容取代输出耦合变压器解决了上述问题,所以应用十分广泛。图2-42所示是OTL功率放大器输出端耦合电容电路。VT1和VT2是OTL功率放大器输出管,C1是输出端耦合电容,BL1是扬声器。

图2-42 OTL 功率放大器输出端耦合电容电路
1.输出端耦合电容C1的两个作用
(1)隔直通交作用。将功率放大器输出端的交流信号耦合到扬声器BL1中,同时将输出端的直流电压与扬声器隔离。扬声器的直流电阻很小,没有C1输出端将直流短路。
(2)负半周为放大管提供电源作用。VT2进入导通、放大状态时,C1所充电作为VT2的直流电源。
2.输出端耦合电容充电过程
通电后,直流工作电压+V对电容C1充电的电流回路是:直流工作电压+V→VT1集电极→VT1发射极(VT1已在静态偏置电压下导通)→C1正极→C1负极→BL1(直流电阻很小)→地线。图2-43所示是电容C1充电回路示意图。很快电容C1充电完毕,C1中无电流流过,扬声器BL1中也没有直流电流流过。

图2-43 电容C1 充电回路示意图
静态时OTL功率放大器输出端直流电压等于+V的一半。
电容C1一端接输出端,另一端通过扬声器BL1接地,根据电容充电特性可知,静态时在C1上充到+V一半大小的直流电压,极性为左正右负,即C1两端的直流电压就是输出端的直流电压。
3.输出端耦合电容的电源作用
输出端耦合电容C1电源作用的理解主要掌握几点。
(1)+V无法对VT2供电。VT2进入导通、放大状态时,VT1截止(推挽放大器中一只三极管导通,另一只截止),VT1集电极与发射极之间相当于开路,直流工作电压+V不能通过VT1加到VT2发射极,在此期间直流电压+V不对VT2供电。图2-44所示是VT1和VT2导通、截止状态示意图。

图2-44 VT1 和VT2 导通、截止状态示意图
(2)输出耦合电容上的电压是VT2的电源。静态时,电容C1上已经充到左正右负的电压,其值为+V的一半。VT2导通、放大期间的电压供电就是C1的放电过程,其放电电流回路是:C1正极→VT2发射极→VT2集电极→地端→BL1→C1负极,构成回路。图2-45所示是C1放电电流回路示意图。
(3)负半周信号放大。C1放电过程中,它的放电电流大小受VT2基极上所加信号控制,所以C1放电电流变化的规律为负半周信号电流的变化规律。

图2-45 C1 放电电流回路示意图
重要提示
为了改善放大器的低频特性和能够为VT2提供充足的电能,要求输出端耦合电容容量很大,在音频放大器中C1的容量一般取470~1000µF,输出功率愈大,输出端耦合电容容量要求愈大。