电力配电系统示意图:

配电电网常识:
根据IEC60038/GB10056标准
低压:1000V以下
中压:10kV,20kV,35kV
高压/超高压:110kV,220kV,330kV,500kV
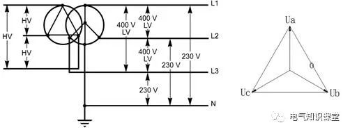
相电压和线电压的关系:UL/Un=400V/230V=


电工学基本概念及元件部分图例:

低压配电主要产品图例:

低压配电系统示意图:
树状图:

低压配电基本概念:
额定电压:电气设备正常情况下的工作电压--Ue1000V以下电气设备的额定电压等级分为:直流:1.5,2,3,6,12,24,36,48,60,72,110,220,400,440,800,1000V;
单相:6,12,24,36,42,100,127,220V;
三相:36,42,100,127,220/380,380/660,1140(1200)V;
额定频率:额定条件下正弦电路中正弦量每秒钟变化的次数称为频率f(Hz);
我国电网标准频率是50Hz,美国、日本采用60Hz;
额定电流:额定电压额定频率下,达到额定功率的电流-Ie。
正弦交流电路中的电流是有效值(均方根值)。
低压配电产品的各种电压:
Ue:额定工作电压220V/380V;
Uc:额定控制电路电压(实际运行电压);
Us:额定控制电源电压230V/400V;
Uimp:额定冲击耐受电压;
Ur:分断后电压;
Ui:额定绝缘电压;
低压配电产品的各类电流:
In:额定电流;
Ib:工作电流(实际运行电流);
Ir:整定电流;
Iz:电缆允许电流;
Icc:短路故障电流;
Icn:极限短路分断能力;
Ics:运行短路分断能力;

低压配电基本常识:
电位:
电压:两点之间的电位差
短路:
单相短路
两相短路
三相短路
过载:
线路所带负荷容量超过了线路的设计容量
在电气上无损的电路中发生的过电流
电能质量:
电压:偏差允许值范围±7%(10KV三相线路)
频率:偏差允许值范围±0.2Hz
波形:正弦曲线(电压谐波含有率)
正弦交流电路中的常用名词:
频率与周期
周期T:正弦量变化一次所需的时间(秒)
频率f:1s内正弦量变化的次数f=1/T
幅值与有效值:正弦量任一瞬间的值为瞬时值,瞬时值
幅值:正弦量任一瞬间的值为瞬时值i,u,瞬时值中的最大值为幅值Im,Um
有效值I,U:正弦交流电网值
功率与功率因数:瞬时功率、有功功率、无功功率、视在功率。
功率因数:电压与电流夹角的余弦值
电压与电流的关系:电阻性、电感性、电容性。
交流电路中的基本公式:
欧姆定律R=U/I
电流的热效应Q=I2RT
功率P=Q/T=UI
能量守恒定律
功率与功率因数:
功率:
有功功率,无功功率,视在功率(S=U*I)
功率因数:cosФ=P/S
关系:P=S*cosФ,Q=S*sinФ,P2+Q2=S2
功率因数:
在电路中,功率因数角是电流滞后电压的角度。
物理意义:对于设备来说,功率因数反映的是能量转换过程中有用功率占总功率的比例。
举例:母线提供给电机的是视在功率;电机中转换为机械做功的部分是有功功率,提供磁场的电流为无功电流。
功率因数降低的原因:
功率因数,或cosФ以0到1.0之间的数值来表示。
功率因数为1.0不含无功功率;
功率因数低于0.9一般认为较差;
系统中有较多的无功功率,其功率因数会较低。
电路中电流与电压的空间矢量关系由电阻和电感决定;由于感性负载的存在,电流滞后电压一定的角度。
物理意义:非阻性负载;为了实现能量转换而消耗的功率,最终转化为热量。
各类设备的功率因数:

功率因数对电网的影响:
如果不减少带有低功率因数的高视在负荷,则从发电站到工厂支路的整个电气网络,必须能承载比需要大的电流负荷。
损耗增加,设备温升严重。
线路上压降增加,设备端电压下降,影响正常工作
供电管理局制定商业和工业的收费标准,奖励高功率因数运行,处罚低功率因数运行用户。通常功率因数应大于0.85,高压供电的工业用户,高压侧大于0.9。

无功功率补偿:
为了提高功率因数,降低无功功率,采用人工的方法进行补偿,简称无功补偿。
电容器组;集中补偿;
分散补偿;个别补偿;
同步电机:利用其工作特性,具有超前的功率因数;
同步调相机:空载的同步电动机;
最简单方便的补偿方式是选用电容器组。
谐波:
产生:当正弦波电压施加在线性的电阻、电感和电容上时,仍为同频率的正弦波。但当负载为非线性时,电流就变为非正弦波,电流产生的压降导致电压也为非正弦波。
非正弦电压电流可分解为傅立叶级数,频率与工频相同的分量为基波,频率大于基波的成为谐波。
谐波频率与基波频率之比为谐波次数。
电弧炉,电力机车,调光设备,日光灯,变频空调等易引起谐波。
危害:谐波损耗,大量的3次谐波流过中线时使线路过热。
引起公用电网中局部的并联和串联谐振,使谐波放大。
会导致继电保护和自动装置的误动作,电气测量仪表计量不正确。
对附近的通信系统产生干扰。
继电保护:
继电保护器:反应故障和不正常状态的自动装置,发出报警和跳闸信号,实现对电气设备的保护。
基本要求:可靠性;选择性;快速性;灵敏性;
常见保护类型:
三段式过流保护;
零序电流保护;
过电压保护;
欠电压保护;
反应电压与电流比值的距离保护;
差动保护、高频保护。
变压器的额定值:
三相变压器:In=Sn/(1.732xUn)
单相变压器:In=Sn/Un
在一台三相变压器低压侧的满载额定电流由下式算出:In=

Sn:变压器的额定视在功率kVA
U:空载时线电压(单位为伏)
In:单位为安
对于400V(三相有载)的简化公式
In=kVA×1.4
短路电流计算基本方法:

低压配电电器的相关国际标准:

低压配电产品的防护等级IP:
IPXX:用数字表示设备外壳提供的保护程度-根据IEC529/GB4942.2-93

低压配电系统简介:
低压配电系统是根据国际电工委员会标准IEC664-1的要求来定义的,适用于海拔至2000m,额定交流电压至1000V,额定频率至30kHz或直流至1500V的系统中。另外,在通信设备中所说的交流配电,一般是指220/380V的供电系统。
IEC364-3标准中,按照载流导体的配置和接地的方法划分成TN、TT和IT交流配电系统,在下面的图示中给出了配电系统的一些实例。图中:
-在大多数情况下,配电系统适用于单相和三相设备,但为了简化起见,图中仅划出了单相设备;
-供电电源可以是变压器的次级绕组,电动机驱动的发电机或不间断电源系统;
字母代号的含义:第一个字母T或I表示电源对地的关系,第二个字母N或T表示装置的外露导电部分对地关系,横线后字母S、C或C-S表示保护线与中性线的组合情况。
TN配电系统:TN配电系统中,电源有一点(通常是中性点)直接接地,设备端的外露导电部分通过保护线(即PE线包括PEN线)与该接地点连接的系统。按照中性线(N)与保护线的组合情况,TN系统又分为以下三种型式:
TN-S系统:整个系统中保护线PE与中性线N是分开的,见图1-2;
TN-C-S系统:系统中有一部分保护线PE与中性线N是分开的,见图1-3;
TN-C系统:整个系统中保护线PE与中性线N是合一的,见图1-4。

图1-1 TN-S配电系统实例

图1-2 TN-C-S配电系统实例
如图1-4在系统的某一部分中,中线和保护接地功能合并在一根单独的导线上(PEN)。
注:将PEN导线分解成保护接地线和中线的点可在建筑物入口处或建筑物的配电板上。

图1-3 TN-C配电系统实例
这三种供电类型在我国都有比较广泛的应用。由图1-3、1-4、1-5可以看出,TN-S系统因为有单独的保护接地线,因此,对设备而言是最可靠的。但是由于增加了一根单独的PE线,而使供电系统的造价提高。该用电设备金属外壳接到PE线上,PE线正常工作时不呈现电流,因此外壳不呈现对地电压。出现事故时易切断电源,比较安全。
通常该系统主要应用在用电量大的楼宇中,也适用于环境条件较差的场所。TN-C系统有一根由中性线和PE线功能合并的PEN线,相对TN-S系统少了一根线,因此使供电系统成本减少。但如果出现三相负荷不平衡时(在我国的电网中常有这种情形发生),在PEN线上就会有较大的电流。
为解决这类问题,通常要求从电源端到设备端每隔50m,将PEN线接地一次。由于TN-C系统的安全措施比较复杂,如果实施不规范容易引发问题,国内一般在建筑物内部不使用TN-C的供电方式。综合TN-C和TN-S系统的某些优点,又推出了一种TN-C-S系统,主要应用在用电量较小的建筑物或线路末端环境较差的场合。
TT配电系统:
具有一个直接接地点的配电系统,设备上需要接地的零部件在用户建筑物中连接到接地电极上,该接地电极与配电系统的接地电极无电气连接,如图1-6。
TT系统每一设备金属外壳或外露可导电部分采用各自的PE接地线单独接地,故障时电流较小,往往不足以使保护装置动作,安全性较差。只适合于功率不大的设备,或作为精密电子设备的屏蔽接地,主要应用在农村低压电力网。这种系统的缺点在于,因为雷击或相线对地意外短路产生的转移过电压,将对人和设备造成损害。同时,如果因为中性线折断产生的失零过电压,使相线电压可达到700V。因此,TT系统要求:除变压器低压侧中性点直接接地外,中性线不得再行接地,且保持与相线同等绝缘水平。为防止中性线机械断线,截面积不小于表5-1的规定。全网必须实施漏电保护,且中性线不得装设熔断器或单独的开关装置。
表1-1 按机械强度要求中性线与相线的配合截面
相线截面Smm2
中性线截面 S0mm2
S≤16
S
16<S≤35
16
S>35
S/2
注:相线的材质与中性线的材质相同时有效。

图1-4 三相线加中线的TT配电系统实例
IT配电系统
IT配电系统。电源与地绝缘或通过阻抗连接,而设备的外露导电部分则接地的系统,如图1-7。

图1-5 三相线(加中线)的IT配电系统
IT系统在供电端有一点通过阻抗或限压装置接地,发生单相接地故障时,短路电流很小,保护装置不会动作供电系统还可以继续运行。被PE线接地的设备外壳不会带电,但其它处的中性线电压会升高。主要应用在对安全有特殊要求的场合,如:矿井、*药火**库或纯排灌的动力电力网。
采用IT 配电系统时要求:配电变压器低压侧及各出线回路应装设过流保护,网络内的带电导体严禁直接接地;各相对地应有良好的绝缘水平,在正常运行情况下,从各相测得的泄漏电流(交流有效值)应小于30mA。
与配电系统有关的接地故障:
所谓接地故障是指电气回路中的带电导体,即相线和中性线(L线和N线)与大地、电气设备金属外壳以及各种接地的金属管道、结构之间的短路。它是单相对地短路,但其事故后果和防范措施与一般短路不同。为便于区别,国际电工标准将它称作接地故障(Earth fault)。
大家知道,金属性短路的短路电流大,常用的熔断器、断路器等过流保护装置能有效的切断电源,从而防止了火灾的发生;电弧性短路的短路电流小,过流保护器往往不能及时切断电源,而电弧、电火花的局部温度可达千度以上,甚至可使附近的可燃物质起火。接地故障火灾多的原因不仅是它发生的机率大,而且一旦发生接地故障,它还往往以持续的电弧性短路的形式存在,比一般短路更易引燃起火。
TN系统的接地故障多为金属性短路,故障电流较大,可利用原来作负荷保护和短路保护的过电流保护电器(熔断器、低压断路器)兼作接地故障保护,这是TN系统的优点。但在某些情况下,如:线路长、导线截面小而使线路导体阻抗增大,过电流保护器常不能满足它的切断故障电流时间的要求,产生电弧性短路而造成危险。所以在TN系统中,常将保护线与接地良好的金属导体相连接,使保护线的电位尽量接近地电位,降低发生接地故障和PEN线断线时,外露导电部分和保护线的对地故障电压。
TT系统发生接地故障时,故障电路内包含有外露导电部分接地极和电源接地极的接地电阻Ra和Rb,如图5-8所示。与TN系统相比,TT系统故障电路阻抗大,故障电流小,更易以电弧性短路的形式出现。并且由于Ra的作用,使设备外壳对地电压升高,如果超过了安全电压的标准50V时,将会对人身造成危险。因此在TT系统中推荐采用漏电保护器作接地故障保护。

在实际应用中,应当根据三种配电系统各自的特点,选择合理的接地和保护方式。