
一、概述
二、管理依据
三、电工及用电人员
四、施工现场用电三原则
五、配电箱、开关箱
六、电缆
七、现场照明
八、电动建筑机械的使用
九、电工巡视维修记录
十、案例分析与防范措施
十一、施工现场常见临时用电安全隐患

01
概述
坚持安全生产管理方针
安全第一
预防为主
综合治理(2005十六届五中全会加入)
坚持“三不伤害”的原则
不伤害自己
不伤害别人
不被他人伤害
主要学习讨论的内容:施工现场临时用电的基本原则;基本供电系统的结构和设置;基本保护系统的组成及设置规则;接地装置及设置规则;配电箱的箱体结构、电器配置与接线规则及配电装置的使用与维护要求;配电线路设置的一般规定和架空线路、电缆线路、室内配线的敷设规则;电动机械、电动工具、照明器的使用规则等。
重点是施工现场临时用电三原则:必须采用TN- S接零保护系统、三级配电和二级漏电保护。
02
管理依据
GB/T13869—92《用电安全导则》
GB50194-93《建设工程施工现场供用电安全规范》
JGJ46-2005《施工现场临时用电安全技术规范》
JGJ59—99《建筑施工安全检查标准》

03
电工及用电人员
建筑电工:特种作业人员、职业资格证(技能鉴定)。
电工必须经过按国家现行标准考核合格后,持证上岗工作;其他用电人员必须通过相关安全教育培训的技术交底,考核合格后方可上岗工作。(2年有效期)
安装、巡检、维修或拆除临时用电设备和线路,必须由电工完成,并应有专人监护。
电工等级应同工程的难易程度和技术复杂性相适应。
接地电阻测定记录表
接地电阻季节换算系数:规范表5.1.7

注:大地比较干燥时,取表中较小值;比较潮湿时,取表中较大值。
04
施工现场用电三原则
建筑施工现场临时用电工程专用的电源中性点直接接地的220/380V三相四线制低压电力系统,必须符合下列规定:
1、采用三级配电系统;
2、采用TN---S保护系统;
3、采用两级漏电保护。
4.1 三级配电原则
三级配电系统的设置应遵守四项规则
分级分路规则
动、照分设规则
压缩配电间距规则
环境安全规则
总配电箱--分配电箱--开关箱--用电设备
三级配电要求:
采用三级配电。由总配电箱(配电室内的配电柜)、分配电箱、开关箱到用电设备处分三个层次逐级配送电力。
开关箱作为末级配电装置,与用电设备之间必须实行“一机一闸一漏一箱”。
即每一台用电设备必须有自己专用的开关箱,而每一个开关箱只能用于控制一台用电设备,严禁用同一个开关箱直接控制2台及2台以上用电设备(含插座)。
总配电箱、分配电箱内可设若干分路,且动力与照明宜分路设置,但动力开关箱与照明开关箱必须分设。
4.1.1 分级分路配电
(1)从一级总配电箱(配电柜)向二级分配电箱配电可以分路。即一个总配电箱(配电柜)可以分若干分路向若干分配电箱(放射式)配电;每一分路也可以(树干式)分支支接若干分配电箱。
(2)从二级分配电箱向三级开关箱配电同样也可以分路。
即一个分配电箱可以分若干分路向若干开关箱(放射式)配电,而其每一分路也可以支接若干开关箱或链接若干同类、相邻开关箱。
(3)从三级开关箱向用电设备配电实行所谓“一机一闸一漏一箱”制,不存在分路问题。
即每一开关箱只能连接一台与其相关的用电设备(含插座),包括一组超过30A负荷的照明器,或每一台用电设备必须有其独立专用的开关箱。
按照分级分路规则的要求,在三级配电系统中,任何用电设备均不得越级配电,即其电源线不得直接连接于分配电箱或总配电箱;任何配电装置不得挂接其它临时用电设备。否则,三级配电系统的结构型式和分级分路规则将被破坏。
4.1.2 动照分设
(1)动力配电箱与照明配电箱宜分别设置;若动力与照明合置于同一配电箱内共箱配电,则动力与照明应分路配电。
(2)动力开关箱与照明开关箱必须分箱设置,不存在共箱分路设置问题。
4.1.3 压缩配电距离
压缩配电间距规则是指除总配电箱、配电室(配电柜)外,分配电箱与开关箱之间,开关箱与用电设备之间的空间间距应尽量缩短。按照《规范》的规定,压缩配电间距规则可用以下三个要点说明。
(1)分配电箱应设在用电设备或负荷相对集中的场所;
(2)电杆最大间距35m;分配电箱与开关箱的距离不得超过30m;
(3)开关箱与其供电的固定式用电设备的水平距离不宜超过3m。
4.1.4 环境安全
环境安全规则是指配电系统对其设置和运行环境安全因素的要求。主要是指对易燃易爆物、腐蚀介质、机械损伤、电磁辐射、静电等因素的防护要求,防止由其引发设备损坏、触电和电气火灾事故。
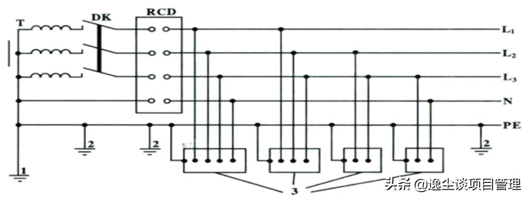
4.2 TN-S接零保护系统

TN-S三相五线制系统图

TN-S配电系统一般规定:
电力变压器低压侧或自备发电机组的中性点直接接地,接地电阻值一般不大于4Ω。
电力变压器低压侧或自备发电机组共引出5条线,其中除引出三条相线(火线)L1, L2, L3 ( A黄, B绿, C红)外,尚须于变压器二次侧或自备发电机组的中性点(N)接地处同时引出二条零线,一条叫做工作零线( N线、淡蓝色),另一条叫做保护零线( PE线、绿/黄双色)。
工作零线(N)与相线(L1, L2, L3)一起作为三相四线制电源线路使用;保护零线(PE)只作电气设备接零保护使用,即只用于连接电气设备正常情况下不带电的金属外壳、基座等。二种零线(N和PE)不得混用。
为保证接零保护系统可靠,在整个施工现场的PE线上应作不少于3处的重复接地,且每处接地电阻值不得大于10Ω。
TN-S配电系统一般规定:
PE线所用材质与相线、工作零线(N线)相同时,其最小截面应符合下表的规定。

配电装置和电动机械相连接的PE线应为截面积不小于2.5mm2的绝缘多股铜线。手持式电动工具的PE线应为截面不小于1.5mm2的绝缘多股铜线。
4.3 两级漏电保护
两级漏电保护是指在整个施工现场临时用电工程中,总配电箱(首级)中必须装设漏电保护器,开关箱(末级)中也必须装设漏电保护器。
目前基本达到三级漏电保护
应当注意级配:下级漏电不影响上一级正常用电
漏电保护器的要求:
末级:开关箱中漏电保护器的额定漏电动作电流不应大于30mA,额定漏电动作时间不应大于0.1S。
使用于潮湿或有腐蚀介质场所的漏电保护器应采用防溅型产品,其额定漏电动作电流不应大于15mA,额定漏电动作时间不应大于0.1S 。
首级:总配电箱中漏电保护器的额定漏电动作电流应大于30mA,额定漏电动作时间应大于0.1S,但其额定漏电动作电流与额定漏电动作时间的乘积不应大于30mA·S。
手持电动工具必须选择漏电动作电流不大于15mA,动作时间小于0.1s的漏电保护器。
漏电保护器应装设在总配电箱、开关箱靠近负荷的一侧,且不得用于启动电气设备的操作。
05
配电箱、开关箱
总配电箱应设在靠近电源的区域,分配电箱应设在用电设备或负荷相对集中的区域,分配电箱与开关箱的距离不得超过30m,开关箱与其控制的固定式用电设备的水平距离不宜超过3m。
动力配电箱与照明配电箱宜分别设置。当合并设置为同一配电箱时,动力和照明应分路配电;动力开关箱与照明开关箱必须分设。
配电箱、开关箱应装设端正、牢固。固定式配电箱、开关箱的中心点与地面的垂直距离应为1.4~1.6m。移动式配电箱、开关箱应装设在坚固、稳定的支架上。其中心点与地面的垂直距离宜为0.8~1.6m。
配电箱、开关箱的金属箱体、金属电器安装板以及电器正常不带电的金属底座、外壳等必须通过PE线端子板与PE线做电气连接,金属箱门与金属箱必须通过采用编织软铜线做电气连接。

PE线没有通过PE线端子板连接
06
电缆
电缆中必须包含全部工作芯线和用作保护零线或保护线的芯线。需要三相四线制配电的电缆线路必须采用五芯电缆。
电缆线路应采用埋地或架空敷设,严禁沿地面明设,并应避免机械损伤和介质腐蚀。埋地电缆路径应设方位标志。
电缆直接埋地敷设的深度不应小于0.7m,并应在电缆紧邻上、下、左、右侧均匀敷设不小于50mm厚的细砂,然后覆盖砖或混凝土板等硬质保护层。
电缆线路严禁穿越脚手架引入。
07
现场照明
(1)照明供电的选择
①一般场所,照明供电电压宜为220V,即可选用额定电压为220V的照明器。
②隧道、人防工程、高温、有导电灰尘、比较潮湿或灯具离地面高度低于规定2. 5m等较易触电的场所,照明电源电压不应大于36V。
③潮湿和易于触及带电体的触电危险场所,照明电源电压不得大于24V。
④特别潮湿、导电良好的地面、锅炉或金属容器等触电高度危险场所,照明电源电压不得大于12V。
⑤行灯电压不得大于36V。
⑥照明电压偏移值最高为额定电压的-10%~ 5%。
(2)照明器的安装
①安装高度:一般220V灯具室外不低于3m,室内不低于2. 5m;碘钨灯及其它金属卤化物灯安装高度宜在3m以上。
②安装接线:螺口灯头的中心触头应与相线连接,螺口应与零线(N)连接;碘钨灯及其它金属卤化物灯的灯线应固定在专用接线柱上,不得靠近灯具表面;灯具的内接线必须牢固,外接线必须做可靠的防水绝缘包扎。
③对易燃易爆物的防护距离:普通灯具不宜小于300mm;聚光灯及碘钨灯等高热灯具不宜小于500mm,且不得直接照射易燃物。达不到防护距离时,应采取隔热措施。
④荧光灯管的安装:应采用管座固定或吊链悬挂方式安装,其配套电磁镇流器不得安装在易燃结构物上。
⑤投光灯的安装:底座应牢固安装在非燃性稳定的结构物上。
08
电动建筑机械的使用
1、电焊机变压器的一次侧电源线长度不应大于5m,其电源进线必须设置防护罩。
2、电焊机变压器的二次线应采用防水橡皮护套铜芯软电缆,电缆长度不应大于30m,不得跨越道路;电缆护套不得破裂,其接头必须作绝缘、防水包扎,不应有裸露带电部分;不得采用金属构件或结构钢筋代替二次线的地线。
3、使用电焊机械焊接时必须穿戴防护用品。严禁露天冒雨从事电焊作业。
4、手持式电动工具的负荷线不得有接头。
5、混凝土搅拌机、插入式振动器、平板振动器、地面抹光机、水磨石机、钢筋加工机械、木工机械、盾构机械的负荷线必须采用耐气候性橡皮护套铜芯软电缆,并不得有任何破损和接头。
6、水泵的负荷线采用防水橡皮护套铜芯软电缆,严禁有任何破损和接头,并不得承受任何外力。



电焊机缺少电源侧防护罩


严禁露天冒雨从事电焊作业
09
电工巡视维修记录
施工现场临时用电必须建立安全技术档案,并应包括下列内容:
1 用电组织设计的安全资料;
2 修改用电组织设计的资料;
3 用电技术交底资料;
4 接地电阻、绝缘电阻和漏电保护器漏电动作参数测定记录表;
5 定期检(复)查表;
6 电工安装、巡检、维修、拆除工作记录。
10
案例分析与防范措施
案例一:
某建筑工地新安装了一台搅拌机,上午电工接上线就走了,下午工地开始使用搅拌机,发现转向错了,工地没有电工,工地负责人就自己摆弄电门,他边弄边说:“这事简单,把两根线一倒就行了。”于是他把三相闸刀开关拉下,伸手去抓开关电源侧的导线,结果手握导线触电死亡。
事故原因分析:
1、刀闸开关虽然拉下,但是其电源侧仍然有电,处于不安全状态;
2、非电工禁止进行电工作业,工地负责人属违章行为。
3、在操作前要进行验电,而该负责人未弄清是否有电的情况下用手去抓开关的电源侧,这种不安全行为是事故发生的直接原因;
4、工地没有能够严格制定执行电工作业制度及安全操作规程
5、员工缺乏电气知识,可见该建筑企业的安全教育培训工作没有真正落到实处
事故教训:
在触电死亡的人员中,有许多不是电工,不懂电气安全常识却去为电气设备接线、维修、操作电气设备,导致触电事故。
防范措施:
一是要严格执行电气安全规程,不是电工,不许安装、维修电气设备;
二是要开展全员电气安全教育。
案例二:
XX年X月,陈某上班后清理场地,由于电焊机接地线绝缘损坏,使外壳带电从而与在电气联成一体的工作台带电。当陈某将焊好的钢模板卸下来时,手与工作台接触,随即发生事故,将陈某送往医院,经抢救无效后死亡。
事故原因分析:
1、接地线过长,致使其绝缘被损坏,外壳带电,所以造成单相触电事故。
2、电气安全设施管理不严,缺乏对电焊机的定期检查。
事故教训:
在使用电气设施、设备的时候一定要严格遵守安全制度和本电气设备、设施的安全操作规程。
防范措施:
1、接地、接零线要完好,并经常进行检查。
2、损坏时要及时进行维修。
11
施工现场常见临时用电安全隐患

电箱出线从箱门位置出,容易夹断电缆发生事故

违章从总空开下口接线

电焊机二次侧无防护罩



电焊机防护罩处于非防护状态,电源线随意拖拉在作业面

电焊机接线柱带电明露

Ⅰ类手持电动工具没有进行保护接零,电源线为塑料线并有接头

I类手持电动工具电源线为两芯线缺少保护接零线

焊把线破损

扎丝绑扎电源线

电缆不允许直接悬挂在钢筋上



电缆不允许直接悬挂在钢筋上

主干电缆拖地未穿管



一闸多机



箱内接线不规范,布线不规范,乱搭乱挂,用铁丝绑扎

从螺栓孔引线,出现搭铁打火现象

未接PE线,挨在箱体上出现搭铁打火现象

电箱布置不合理,无安全操作距离



电箱破坏严重,放置不合理

电箱支架不规范,高度不够

电缆沟布线凌乱
需要此PPT的同学可先关注然后私信我哦