我们买衣服,总有商家会说自家的衣服是全羊绒全棉的,然后拿到衣服一看,在翻开洗标一看,心中一万只羊驼在奔腾。
以下内容借鉴专业教科书内的知识,小主们 可以先收藏,再慢慢品读
一、棉纤维(Cotton,缩写为C)
1.棉纤维的种类
(1)长绒棉(海岛棉)
纤维品质好,主要用于高档棉织物。
数量较少,中国主要在*疆新**上海和广州地区少量种植。
(2)细绒棉(陆地棉)
纤维品质优良,是棉布的主要原料,占世界棉花总产量的85%以上。
(3)粗绒棉
纤维粗短,品质较差,只能适应个别纺织品需要,现在已经很少种植。

棉花

2. 棉纤维的形态结构
纵向:
具有天然转曲(棉纤维生长发育过程中微原纤集体性沿纤维轴向的螺旋变向所致),可见中腔。
截面:
棉纤维沿长度方向截面的形状和面积都有很大变化。纤维截面形状随成熟程度不同而不同,正常成熟的棉纤维横截面呈腰圆形,并可见中腔,未成熟的纤维横截面呈扁环状,胞壁薄,中腔长,过成熟的纤维截面呈近圆形,中腔圆而小。
3、棉纤维的主要性能
吸湿性:
棉纤维组成物质中的纤维素、糖类物质、蛋白质、有机酸等分子上都有亲水性的极性基团,而且棉纤维本身又是多空物质。因此,棉纤维具有较强的吸湿能力。
耐碱性:
棉纤维抗碱能力很强。通常不会发生作用,棉的“丝光”整理就是用18%的氢氧化钠(烧碱)溶液浸渍棉纤维织品,使纤维中腔闭塞、膨胀成圆形,纤维光泽明显增强,抗拉强度提高。染料吸着能力加强。
耐酸性:
棉纤维与有机酸(醋酸、蚁酸等)一般不发生作用。但与无机酸(盐酸、硫酸、硝酸等)会发生作用而使纤维强力明显下降。尤其是遇到强酸或浓酸,纤维会发生脆化而丧失使用价值。所以,棉织品要尽量避免与酸接触,一旦接触不能用水洗,而应用小苏打(俗称面碱)擦洗。
强度和伸长:
较高强度,变形能力差,断裂伸长率低。
强度:
长绒棉>细绒棉>粗绒棉
易霉变:
在一般情况下,棉纤维不与水发生作用。在潮湿的状态下,如遇细菌或真菌,棉纤维会分解成它们喜欢的营养物质——葡萄糖,使面料发霉变质。
易褶皱:
这和棉纤维的弹性有直接关系,棉纤维的弹性较差,这是因为纤维素纤维易受外力变形而不容易回复的性质所致。
二、麻纤维
1、麻纤维的形态结构
苎麻:
纤维无明显转曲,截面为腰圆形,胞壁有裂纹,有中腔。表面时平滑,时有明显竖纹,两侧有结节。
亚麻、*麻大**:
截面为多角形,中腔较小。体壁有竖纹。

(苎麻) (亚麻) (*麻大**)
2.麻纤维的主要性能
强度和伸长:
强度高,在天然纤维中居首位(湿强>干强);伸长能力差
吸湿性:
吸湿性好,散湿性更好
导热性:
导热速度快
抗菌防霉:
抗霉和防蛀性能较好
弹性:
弹性差,易皱且不易回复
耐酸碱性:
耐碱不耐酸
易洗去污
染色性差:
染色时染料渗透困难,上染率低。
三、竹纤维
1. 竹纤维的化学组成
竹纤维的主要组成为纤维素,木质素在竹原纤维中较多,竹浆纤维中较少。
2. 竹纤维形态结构
竹原纤维:
截面椭圆形或腰圆形,有中腔,截面边缘有裂纹和许多微孔;纵向有横节。(竹原纤维是一种天然中空,多孔纤维。)

(竹原纤维横截面) (纵截面)
竹浆纤维:
截面锯齿形有许多微孔;纵向有沟槽。

3.竹纤维的特性
纤维长度:
竹原纤维单纤维较短1.33-3.04mm,利用工艺纤维进行产品生产。竹浆纤维的长度可人为控制。
吸湿透气性:
吸湿透气性及佳。
强度:
和普通粘胶纤维接近,湿强为干强的一半。产品抗皱性和保形性比较差,下水易发硬。
抗菌性:
竹子在生长过程中,无虫无蛀无腐蚀,在大自然中有很好的自我保护性,说明竹子自身具有天然的抗菌性和抑菌性的物质,同时能抵抗外界病虫害,这种物质在竹材中含量很少,我们称它为“竹醌”。
在生产过程中采用一定技术,使其保留在竹纤维中不受破坏,使其具有抗菌性和抑菌性。
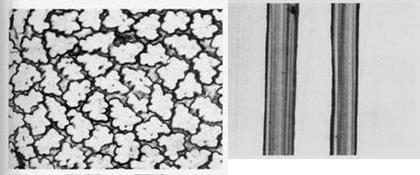
四、羊毛纤维
1、羊毛纤维的形态结构
羊毛纤维属于蛋白质纤维,由多种氨基酸组成,外观呈自然波曲状。
羊毛多数为白色或乳白色,质轻。

羊毛纤维显微图

细羊毛没有髓腔

粗羊毛有髓腔
2、羊毛纤维的主要性能
缩绒性:
缩绒性是指羊毛在机械外力的作用下,经过一定温度(40一50℃)和缩剂的处理,可以粘合成具有一定外型结构的性质。缩绒性是羊毛纤维的一个重要物理特性。缩绒性是羊毛纤维集合体在湿、热、碱性状态下经机械外力作用下, 羊毛纤维互相穿插、纠缠、交编、毡化使羊毛集合体体积缩小的性能。
吸湿性能:
羊毛纤维的吸湿性是所有纺织纤维中最强的,在湿润的空气中,羊毛吸湿可高达30%以上还不感觉潮湿,这与羊毛的组织结构有关。因为羊毛鳞片表层有疏水性,而纤维内部的微隙却可容纳较多的水分子;另外,蛋白质分子含有较多的亲水结构。因此,用羊毛纤维织物制成的服装穿着舒适透气。
强度及伸长:
羊毛纤维的强力在天然纤维中最低,但羊毛纤维比棉纤维长,在60mm左右,表面覆有鳞片,呈天然波曲。有利于纺纱时纤维间的抱合,从而增加纱线的强度。
羊毛的伸长能力强,因而羊毛织物手感柔软。
弹性:
羊毛纤维具有良好的弹性回复性,羊毛面料服装抗皱性和保型性都很好。
耐酸碱性:
弱酸或低浓度的强酸对羊毛不会构成破坏,短时间在硫酸作用下也不会损坏,但长时间会遭到破坏。
对羊毛的作用是剧烈的,在煮沸的NaOH溶液中(5%以上浓度)使羊毛全部溶解,表现出不耐碱。
保暖性:
羊毛纤维有温暖的手感,保暖性能优于其他纤维。一方面羊毛纤维本身是热的不良导体(导热系数较小);另一方面羊毛纤维呈波曲状,可使纱、线蓬松,将空气包含在纤维的空隙间而形成隔离层。因此,羊毛成为冬季极好的保暖面料的原料。
耐微生物性能:
耐霉菌,但不耐虫蛀。
防缩方法:
氧化法(降解法):使用化学试剂破坏羊毛的鳞片,降低摩擦效应,减少纤维单向运动和纠缠能力。
树脂法(添加法):在羊毛的表面涂以树脂薄膜或加入黏结纤维,限制纤维的移动来减小或消除羊毛纤维间的摩擦效应。
五、丝
1.丝的结构
丝是由若干个茧丝通过水煮合并而成。
单根茧丝是由两根并列的丝素和丝胶组成。
丝素:
丝素的横截面呈三角形或半椭圆形,是蚕丝的基本组成部分,呈白色半透明状,具有较好的光泽(当丝纤维脱胶后光泽会显露出来)和强力。组成丝素的化学成分主要是氨基酸,如氨基乙酸、氨基丙酸和酪氨酸等(氨基酸是组成生命的基本物质)。这些氨基酸基本上不溶解于水。
丝胶:
丝胶位于丝素的外面。并包裹着丝素。丝胶的主要成分是丝氨酸,丝胶能溶解于水,尤其是在高温下,但一经冷却又会凝固。缫丝正是利用了丝胶的这一特性。


蚕丝微观结构:
蚕丝微观结构:
横截面:近三角形
纵向:茧丝(茧层之丝):纵向有许多异状的颣(lei)节,造成外观毛糙。
生丝(缫丝之丝):腰圆形,比茧丝要光滑、均匀
熟丝(全脱胶之丝):三角形,有闪光效应,熟丝表面光滑,粗细均匀,少数地方有粗细变化,光泽强而柔和。

蚕丝的主要性能
强度以及伸长:
蚕丝的长度很长,缫丝后合并数根丝后不需要纺纱就可以织造。
吸湿性:
蚕丝具有较好的吸湿性,桑蚕丝的标准回潮率是8%-9%,柞蚕丝达 10%以上,吸湿达到饱和时可达35%。
耐酸碱性:
耐酸不耐碱
耐光性:
耐光性差,易变黄且强度下降。
光泽:
光泽优美。
丝鸣:
经过酸处理后的蚕丝在互相摩擦时,产生悦耳的声响。
六、绢纺原料
养蚕业、缫丝业和丝织业的副产品。
1.绢纺:把养蚕、制丝、丝织中产生的疵茧、废丝加工成纱线的纺纱工艺过程。
2.绢丝生产的原料
桑蚕原料:绢纺厂用得最多,可分为茧类、丝吐类、滞头和茧衣等几类。
柞蚕绢纺原料:主要来源于缫丝厂的下脚茧和副产品,其次是复摇与绸厂的少量废丝。
七、再生纤维
再生纤维的生产是受了蚕吐丝的启发,用纤维素和蛋白质等天然高分子化合物为原料,经化学加工制成高分子浓溶液,再经纺丝和后处理而制得的纺织纤维。
八、粘胶纤维

采用不同的原料和纺丝工艺,可以分别得到普通粘胶纤维,高湿模量粘胶纤维和高强力粘胶纤维等。
1、普通粘胶纤维
吸湿好、柔软
染色性好,色泽鲜艳
湿强是干强的40%—50%
耐磨性差
尺寸稳定性差
2、粘胶纤维的结构特征
(1)化学组成
和棉的成分相同,主要成分为纤维素,聚合度250-550(棉6000-15000)。
(2)形态结构

粘胶纵向形态
3、粘胶纤维的性能
(1)吸湿性是普通化纤中最好的(通常条件回潮率13%,比棉好)。
(2)染色性好,色谱齐全,色泽鲜艳。
(3)断裂强度比棉小;湿强小于干强(干强的40%~50%),不耐水洗。
(4)易燃烧
(5)耐碱不耐酸(较棉差)。
(6)悬垂性好,易皱,尺寸稳定性差。
九、合成纤维
合成纤维是由合成的高分子化合物制成的。常用的合成纤维有涤纶、锦纶、腈纶、氯纶、维纶、氨纶和丙纶等。
涤纶
涤纶的学名叫聚对苯二甲酸乙二酯,简称聚酯纤维。
涤纶外观光滑,横截面一般为圆形。为改变纤维的吸湿性能、染色性能,出现了各种异形的截面。
涤纶的物理、化学性能:
1、强度高。耐冲击强度比锦纶高4倍,比粘胶纤维高20倍
2、弹性好。耐皱性超过其他纤维,即织物不折皱,尺寸稳定性好。
3、耐热性好。将它放在100℃温度下经过20天后,强力丝毫无损。
4、吸湿性差。涤纶表面光滑,内部分子排列紧密,分子间缺少亲水结构,因此回潮率很小,吸湿性能差。
5、耐磨性好。耐磨性仅次于耐磨性最好的锦纶。
6、耐光性好。耐光性仅次于腈纶。
7、耐腐蚀。可耐漂白剂、氧化剂、烃类、酮类、石油产品及无机酸。耐稀碱,不怕霉。
8、染色性较差。涤纶纶由于表面光滑,内部分于排列紧密,分子间又缺少亲水结构,因此,吸湿性极差,染色性同样也较差。
锦纶的主要物理和化学性质:
1.形态:锦纶的纵面平直光滑,截面呈圆形。
2. 密度:密度小,锦纶织物属轻型织物。
3.强度和耐磨性:锦纶的最大特点是强度高、耐磨性好,它的强度及耐磨性居所有纤维之首。
4.吸湿性和染色性:锦纶的吸湿性是常见合成纤维中较好的,在一般大气条件下回潮率达4.5%左右。另外,锦纶的染色性也较好。
5.耐光性和耐热性:对光、热较敏感,导致锦纶变黄、发脆,所以锦纶的耐光性和耐热性较差,不宜制作户外用织物。此外,锦纶耐腐蚀、不怕霉,不怕虫蛀。
6.弹性:锦纶织物的弹性及弹性恢复性极好,但小外力下易变形,故其织物在穿用过程中易变皱折。
腈纶
腈纶是聚丙烯脂纤维在我国的商品名。是仅次于涤纶和锦纶的合成纤维品种。它柔软、轻盈、保暖、耐腐蚀、耐光似羊毛的短纤维,有“人造羊毛”之称。它虽比羊毛轻10%以上,但强度却大2倍多。腈纶不但不会发霉和被虫蛀,并对日光的抵抗性也比羊毛大1倍,比棉花大10倍。因此它特别适合制造帐篷、炮衣、车篷、幕布、窗帘等室外织物。可纯纺(如腈纶毛线)或与羊毛混纺制毛线、毛织物等。用它制成的毛线特别是轻软的膨体绒线早就为人们所喜爱。
腈纶的性能:
腈纶织物染色鲜艳,耐光性属各种纤维织物之首。但其耐磨性却是各种合成纤维织物中最差的。因此,腈纶织物适合做户外服装、泳装及儿童服装。
腈纶织物吸湿性较差,容易沾污,穿着有闷气感,但其尺寸稳定性能较好。
腈纶织物有较好耐热性,居合纤第二位,且耐酸、氧化剂和有机溶剂,对碱的作用相对较敏感。
腈纶织物在合纤织物中属较轻的织物,仅次于丙纶,因此它是好的轻便服装衣料,如登山服、冬季保暖服装等
维纶
维纶的学名为聚乙烯醇缩甲醛纤维。
维纶洁白如雪,柔软似棉,因而常被用作天然棉花的代用品,人称“合成棉花”。其面料特点如下:
⑴维纶织物吸湿性是合纤织物中最强的,因此具有一般棉织品的风格。同时,它比棉布更结实、更坚牢耐用。
⑵维纶织物耐酸碱、耐腐蚀、不怕虫蛀,较长时间的日晒对其强度影响不大,因此适合制作工作服,也常织制帆布。长期放于海水或土中也无影响,所以适宜做渔网、水产养殖网。
⑶维纶织物的缺点是耐热水性差,湿态遇热会收缩变形,且染色不鲜艳,因此,其用途受到限制,属低档衣料。
因为维纶的这个缺点,目前纯维纶产品极少,大多是与其他纤维混纺。
丙纶的主要物理和化学性质:
1.形态 丙纶的纵面平直光滑,截面呈圆形。
2.密度 丙纶最大的优点是质地轻,是常见化学纤维中密度最轻的品种,因此很适合做冬季服装的絮填料或滑雪服、登山服等的面料。
3.强伸性 丙纶的强度高,伸长大,初始模量较高,弹性优良。所以丙纶耐磨性好。此外,丙纶的湿强基本等于干强,所以它是制作渔网、缆绳的理想材料。
4.吸湿性和染色性 质轻保暖性好;几乎不吸湿,但芯吸能力很强,吸湿排汗作用明显。丙纶的吸湿性很小,几乎不吸湿,一般大气条件下的回潮率接近于零。但它有芯吸作用,能通过织物中的毛细管传递水蒸气,但本身不起任何吸收作用。丙纶的染色性较差,色谱不全。
5.耐酸耐碱性 丙纶有较好的耐化学腐蚀性,除了浓硝酸,浓的苛性钠外,丙纶对酸和碱抵抗性能良好,所以适于用作过滤材料和包装材料。
6.耐光性等 丙纶耐光性较差,热稳定性也较差,易老化,不耐熨烫。但可以通过在纺丝时加入防老化剂,来提高其抗老化性能。此外,丙纶的电绝缘性良好,但加工时易产生静电。
7.强度高 丙纶弹力丝强度仅次于锦纶,但价格却只有锦纶的1/3;制成织物尺寸稳定,耐磨弹性也不错,化学稳定性好。但热稳定性差,不耐日晒,易于老化脆损,为此常在丙纶中加入抗老化剂。
氯纶
氯纶的学名为聚氯乙烯纤维。我们日常生活中接触到的塑料雨披、塑料鞋等大部属于这种原料。
面料主要特点如下:
⑴氯纶织物属不易燃烧织物,离开火焰后会马上熄灭不再续燃,是良好的不燃窗帘和地毯的材料。
⑵氯纶织物不仅耐磨性很好,且保暖性也很好,其保暖性比棉和羊毛都好,分别高出50%和10-20%
⑶氯纶织物具有良好的静电绝缘性,它保暖性好,易生产和保持静电,故用它做成的针织内衣对风湿性关节炎有一定疗效,但必须是使用纯纺氯纶衣物才会有疗效。
⑷氯纶织物的缺点在于软化点非常低,通常温度至60~70℃时便开始软化,产生收缩。故洗涤、熨烫时应加倍小心,尽量不要熨烫氯纶织品。
耐热性极差,热收缩大,限制了它的应用。改善的办法是与其他纤维品种共聚(如维氯纶)或与其他纤维(如粘胶纤维)进行乳液混合纺丝。
氨纶
氯纶的学名为聚氨酯弹性纤维。它是一种具有特别的弹性性能的化学纤维,目前已工业化生产,并成为发展最快的一种弹性纤维。
氨纶的主要物理和化学性质
1.形态 聚酯型弹性纤维的截面呈蚕豆状或三角形。
2.强伸性和弹性 氨纶的强度很低,但氨纶的伸长很大,断裂伸长率达450%~800%,并且弹性很好。因此高伸长、高弹性是氨纶的最大特点。
3.吸湿性和染色性 氨纶吸湿性较差,在一般大气条件下回潮率为0.8%~1%左右。但其染色性能较好。
4.其他性质 氨纶的密度较好,仅为1~1.3g/cm3。此外,氨纶的耐酸碱性、耐溶剂性、耐光性、耐磨性都较好。
合成纤维是用煤、石油、天然气为原料,经过化学聚合加工而成的纤维,所以合成纤维的名字前面都有一个“聚”字。
(1)聚对苯二甲酸乙二酯纤维 涤纶(polyester)PET/T
(2)聚酰胺纤维 锦纶(nylon)PA
(3)聚丙烯腈纤维 腈纶(acrylic)PAN/PAC
(4)聚丙烯纤维 丙纶(pylen)PP
(5)聚乙烯醇缩甲醛纤维 维纶(vinylon)PVA
(6)聚氨酯弹性纤维 氨纶(urethane elasticfiber/spandex)PU
(7)聚氯乙烯纤维 氯纶(chloro fiber)
化学纤维中吸湿性最好的纤维是粘胶纤维;
弹性最好的纤维是 涤纶;
耐日晒性最好的纤维是 晴纶;
耐磨性最好的纤维是锦纶;
延伸性(弹性)最好的纤维是氨纶 ;
最不耐湿热的纤维是维纶;
最不耐干热的纤维是丙纶 ;
最轻的纤维是 丙纶;
阻燃性最好的纤维是氯纶 。
常见化纤特性:
一、 粘胶————吸湿易染
二、 涤纶————挺括不皱
三、 锦纶————结实耐磨
四、 腈纶————膨松耐晒
五、 维纶————廉价耐用
六、 丙纶————质轻保暖
七、 氨纶————弹性纤维