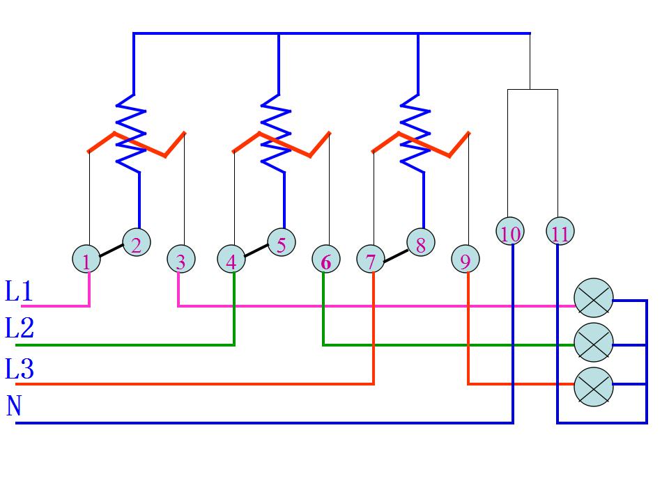
照明电路是我们日常生活和学习中接触最多的电线电路。今天我们来讲一讲基本照明电路及家用电路安装,日光灯工作原理、电表接线图。首先我们先来了解一下照明电路的基本概念和组成的相关知识。








































日光灯的接线
日光灯的接线中用到了以下器件:日光灯管、镇流器、启辉器、单联开关










































以上是基本照明电路及家用电路安装的相关知识,希望能够帮助到大家!以上内容来源网络,由微信公众号:建筑水电知识平台(AZPT991) 整理,如果想继续学习更多水电知识和安装视频可关注我们!
相关阅读
别找了!你想要的单控开关和双控开关的区别和安装方法在这里
教你如何安装双控开关