阀门*位器定**是控制阀的主要附件,它将阀杆位移信号作为输入的反馈测量信号,以控制器输出信号作为设定信号,进行比较,当两者有偏差时,改变其到执行机构的输出信号,使执行机构动作,建立了阀杆位移量与控制器输出信号之间的一一对应关系。本文重点讲解常见*位器定**调试步骤,帮助仪表人轻松掌握各类*位器定**。
一
阀门*位器定**的原理、作用
阀门*位器定**是控制阀的主要附件。它将阀杆位移信号作为输入的反馈测量信号,以控制器输出信号作为设定信号,进行比较,当两者有偏差时,改变其到执行机构的输出信号,使执行机构动作,建立了阀杆位移量与控制器输出信号之间的一一对应关系。因此,阀门*位器定**组成以阀杆位移为测量信号,以控制器输出为设定信号的反馈控制系统。该控制系统的操纵变量是阀门*位器定**去执行机构的输出信号。
(1)用于对调节质量要求高的重要调节系统,以提高调节阀的定位精确及可靠性。
(2)用于阀门两端压差大(△p>1MPa)的场合。通过提高气源压力增大执行机构的输出力,以克服液体对阀芯产生的不平衡力,减小行程误差。
(3)当被调介质为高温、高压、低温、有毒、易燃、易爆时,为了防止对外泄漏,往往将填料压得很紧,因此阀杆与填料间的摩擦力较大,此时用*位器定**可克服时滞。
(4)被调介质为粘性流体或含有固体悬浮物时,用*位器定**可以克服介质对阀杆移动的阻力。
(5)用于大口径(Dg>100mm)的调节阀,以增大执行机构的输出推力。
(6)当调节器与执行器距离在60m以上时,用*位器定**可克服控制信号的传递滞后,改善阀门的动作反应速度。
(7)用来改善调节阀的流量特性。
(8)一个调节器控制两个执行器实行分程控制时,可用两个*位器定**,分别接受低输入信号和高输入信号,则一个执行器低程动作,另一个高程动作,即构成了分程调节。
二
阀门*位器定**的分类
1、阀门*位器定**按输入信号分为气动阀门*位器定**、电-气阀门*位器定**和智能阀门*位器定**。
(1)气动阀门*位器定**的输入信号是标准气信号,例如,20~100kPa气信号,其输出信号也是标准的气信号。
(2)电气阀门*位器定**的输入信号是标准电流或电压信号,例如,4~20mA电流信号或1~5V电压信号等,在电气阀门*位器定**内部将电信号转换为电磁力,然后输出气信号到拨动控制阀。
(3)智能电气阀门*位器定**它将控制室输出的电流信号转换成驱动调节阀的气信号,根据调节阀工作时阀杆摩擦力,抵消介质压力波动而产生的不平衡力,使阀门开度对应于控制室输出的电流信号。并且可以进行智能组态设置相应的参数,达到改善控制阀性能的目的。
2、按动作的方向可分为单向阀门*位器定**和双向阀门*位器定**。单向阀门*位器定**用于活塞式执行机构时,阀门*位器定**只有一个方向起作用,双向阀门*位器定**作用在活塞式执行机构气缸的两侧,在两个方向起作用。
3、按阀门*位器定**输出和输入信号的增益符号分为正作用阀门*位器定**和反作用阀门*位器定**。正作用阀门*位器定**的输入信号增加时,输出信号也增加,因此,增益为正。反作用阀门*位器定**的输入信号增加时,输出信号减小,因此,增益为负。
4、按阀门*位器定**输入信号是模拟信号或数字信号,可分为普通阀门*位器定**和现场总线电气阀门*位器定**。普通阀门*位器定**的输入信号是模拟气压或电流、电压信号,现场总线电气阀门*位器定**的输入信号是现场总线的数字信号。
5、按阀门*位器定**是否带CPU可分为普通电气阀门*位器定**和智能电气阀门*位器定**。普通电气阀门*位器定**没有CPU,因此,不具有智能,不能处理有关的智能运算。智能电气阀门*位器定**带CPU,可处理有关智能运算,例如,可进行前向通道的非线性补偿等,现场总线电气阀门*位器定**还可带PID等功能模块,实现相应的运算。
6、按反馈信号的检测方法也可进行分类。例如,用机械连杆方式检测阀位信号的阀门*位器定**:用霍尔效应检测位移的方法检测阀杆位移的阀门*位器定**:用电磁感应方法检测阀杆位移的阀门*位器定**等。
三
常见*位器定**调试方法集锦
一、ABB*位器定**

调试步骤:
1、接通气源前,先将气源管放空一段时间以排除管路中可能存在的灰尘、杂质、水、油等。建议放空时间 30 分钟,可以用手或者白纸、白布进行气源质量的检查。声明:如由于灰尘、杂质、水、油等造成*位器定**的损坏,ABB 将不提供质保。检查减压阀后压力是否符合执行器的铭牌参数要求(*位器定**的最大供气压力为 6 BAR,但实际供气压力必须参考执行器所容许的最大气源压力)。
2、接通 4---20mA 输入信号。(*位器定**的工作电源取自输入信号,由 DCS 二线制供电,直接加至*位器定**的电压不能超过 30V / 50mA,否则有可能损坏*位器定**电路)。
3、检查位置返馈杆的安装角度(如*位器定**与执行器整体供货,则已经由执行器供货商安装调试完毕,只需作检查确认,该步并非必须):
• 按住 MODE 键。
• 并同时点击⇧ 或⇩ 键,直到操作模式代码 1.3 显示出来。
• 松开 MODE 键。
• 使用⇧ 或⇩ 键操作,使执行器分别运行到两个终端位置,记录两终端角度
• 两个角度应符合下列推荐角度范围(最小角位移 20 度,无需严格对称)
直行程应用范围在 -28º--- +28º 之内。
角行程应用范围在 -57º--- +57º 之内。
全行程角度应不小于 25º
若角度未符合上述要求,则需通过调节反馈杆、联轴器或者*位器定**的安装位置使得角度值满足上述要求。
4、启动自动调整程序(执行器或阀门安装于系统后最好通过此程序重新整定):
方法 1:用于直行程阀门
• 按住 MODE 键 5 秒,直到出现“ADJ_LIN”
• 松开 MODE 键
• 再按住 MODE 键直到显示器上计数器倒计数到 0
• 松开 MODE 键,自动调整程序开始运行(显示器显示正在进行的程序语句号)。
• 自动调整程序大约需要 5 分钟左右,顺利结束后*位器定**会自动存储上述自动调整得到的参数,并自动切换控制方式到 1.1 CTRL_FIX
方法 2:用于角行程阀门
• 按住 ENTER 键 5 秒,直到出现“ADJ_ROT”
• 松开 ENTER 键
• 再按住 ENTER 键直到显示器上计数器倒计数到 0
• 松开 ENTER 键,自动调整程序开始运行(显示器显示正在进行的程序语句号)。
• 自动调整程序大约需要 5 分钟左右,顺利结束后*位器定**会自动存储上述自动调整得到的参数,并自动切换控制方式到 1.1 CTRL_FIX 。在自动调整过程中如果遇到故障,程序将被迫终止并显示出故障代码,根据故障代码,即可检查出故障原因。也可以人为地强制中断自动调整程序。 所进行的自动调整中所测得的参数将存储在 EEPROM 中。
自动调整成功后,调试结束,其他的参数设置不是必须的,可根据需要进行设置!
二、费希尔(FISHER)阀门*位器定**

DVC6000调试步骤:
打开275/375手操器 从主菜单(Main Menu) 选择Hart应用(HART Application)从On line找到该*位器定**。依次进入Setup&Diag ——Detailed Setup——Mode——Instument Mode (或者按手操器上快捷键直接进入)——警告!in service 模式被送到仪表当中时阀门也许会动(WARNING!Valve may move when in Service mode is sent to the instrument.) 按OK 后进入仪表模式(Instrument Mode)选择Out of service 后 按ENTER——提示“Instrument mode is already out of service!” 后回到主界面依次进入 Setup&Diag——Basic Setup——Auto setup——Setup Wizard:
1、选择你所使用的压力单位(Pressure units (psi))后ENTER ;
2、输入最大供气压力(Max Supply Press (psi))后ENTER;
3、选择执行机构的生产厂家(Actuator Manufcture)后ENTER 以上品牌没的话选OTHER ;
4、如果执行机构单作用带弹簧选3 、双作用带弹簧选4 、双作用不带弹簧选2;
5、选ROTARY 下一步根据阀门零信号时是开选2 关的话选1 下一步再选1 下一步选YES自动选择阀门转向及其增益大小;
6、选择是否有加速器或者快速释放阀(Is a Volume Booster or Quick Release Present ? );
7、提示执行机构的信息正被发送到仪表当中,请稍等“Actuator information is being sent to the instrument. Please wait…”;
8、选择使用出厂默认设置Use Factory defaults for setup?(Yes is recommended for Initial Setup) Yes 后ENTER ;
9、 提示 出厂默认设置正被发送到仪表当中,请稍等“Factory default are being sent to the instrument. Please wait… ” ;
10、继续自动设置 选择放大器调整“To continue Auto Setup.select Relay Adjust ”;
11、你是否希望现在进行放大器调整?(Do you wish to run Relay Adjustment Calibration now ?) 假如是双作用选择Yes 单作用选择No后ENTER ;
12、选择行程标定 (To continue.select Auto Calib Travel.)按OK;
13、 你希望现在进行自动行程标定吗?(Do you wish to run Auto Travel Calib now ?Select YES if initial setup)选择Yes 后按 ENTER;
14、 警告!标定将导致仪表的输出突然变化 按 OK;
15、选择交点的调整(Select Crossover Adjust)Manual/Last Value/Default 正常情况下选择 default 后 ENTER 假如默认的调整后精度比较差 才会选择Manual手动;
16、 下面进入自动行程标定的过程,完成后仪表模式恢复到In service!
三、梅索尼兰SVI-II*位器定**

调试步骤:
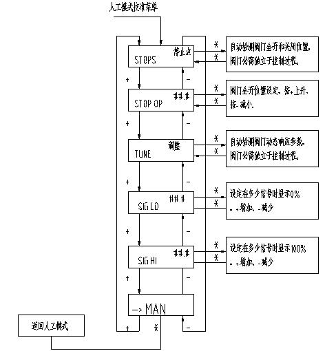
1、检查接线及阀门安装情况是否完整;
2、切换到人工模式(Manual);
3、检查并调整好所有的结构参数(CONFIGuration);
4、运行全开、全关点(STOPS)自动搜索。
5、运行自动调整功能(autoTUNE),得到新的动态响应参数;
6、检查是否有错误提示;
7、手动操作看看是否可以正常运行;
退出人工状态,回到自动控制状态。
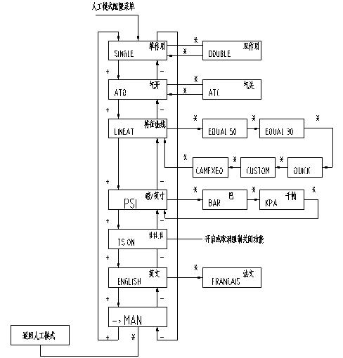
菜单流程:
接通信号源后,将输入信号调节到12mA。系统会进行自检,然后进入交替显示阀位和输入信号的值。此时系统有可能处于人工或自动的状态,取决于上次运行断电前的状态。如果屏幕显示阀位时使用(POS-M)说明处于人工状态;如果显示阀位时使用(POS)说明处于自动状态。然后按照流程图操作即可完成设定。



四、韩国永泰YTC*位器定**

调试步骤:
1、条件:
①稳定的气源 压力≥0.3MPa(角行程*位器定**压力≥0.5MPa)
②4-20mA信号输入设备
2、调试:

①打开*位器定**前盖,打开电源接线盒。
②把稳定气源接入过滤减压阀并密封严紧。
③区分正负输入端接好信号输入设备。
④打开气源开关,向下调节调“0”旋钮,直至排气压力表指针不为0,然后反方向缓慢旋转调“0”旋钮,使压力表指针刚好处于0位置。
⑤输入25%(8mA)、50%(12mA)、75%(16mA)、100%(20mA)信号,观察指针下降(上升)行程:
A、若单次行程超过刻度盘的1/4,说明*位器定**量程过大,此时应调节量程调节旋钮(先松开螺丝,然后调节下方的旋钮,向“—”方向调节。根据实际情况确定调节的程度,单次微调,边试边调)。
B、若单次行程过小或不足刻度盘的1/4,说明*位器定**量程过小,操作与A相同,方向相反。
⑥每次调节量程调节旋钮后,重新进行试验,若实际行程与理论行程差距仍然很大,则再调节量程调节旋钮;若实际行程与理论行程差距较小,则调节调“0”旋钮,使 指针移动到对应的刻度上,再输入信号观察指针移动是否正确。
注:通过量程调节旋钮和调“0”旋钮的配合来调节量程和行程,已达到调试的目的。
注意事项:
(1)当输入信号为20mA时,*位器定**排气压力必须>3公斤(球阀5公斤),一般为3.2-4公斤。若压力不足则调节阀开启/关闭不严,无法正常工作。
(2)气开阀:当输入信号为0时,排气压力必须为0,否则阀门没有完全关闭。
五、西门子*位器定**

调试步骤:
1、调试前准备工作
(1)接汽源,再接电源,将电流给到4mA以上;
(2)如*位器定**没有调试过,这时显示屏中应出现P进入组态,先按“+”再同时按“—”,反之相同,看阀门的最大点或最小点;
(3)看最小点应在5-9之间,不对调*位器定**的黑色齿轮。看最大点应不超过95,调最小点尽量接近5;
(4) 用“+”、“—”键将阀门行程调到50%,调试前准备工作完成;
注意:如果*位器定**调试过必须清零,清零步骤为:按手键进入(新出的为50,最初的为55),再按“+”5秒出现OCAY,再按手键5秒,出现C4抬手出现P,进入组态后调试步骤同以上2、3、4相同。
2、初始化的调校步骤
A、执行机构的自动初始化
注:自动初始化前一定要正确设定阀门的开关方向!否则初始化无法进行!
(1)正确移动执行机构,离开中心位置,开始初始化。
直行程选择:

角行程选择:

用“+”,“—”键切换;
(2)短按功能键,切换到第二参数:
显示:

或

用“+”,“—”键切换;
注:这一参数必须与杠杆比率开关的设定值相匹配。
(3)用功能键切换到参数三,显示如下:

如果你希望在初始化阶段完成后,计算的整个冲程量用mm表示,这一步必须设置。为此,你需要在显示屏上选择与刻度杆上驱动钉设定值相同的值。
(4)用功能键切换参数四,显示如下:

(5)下按“+”键超过5秒,初始化开始:

初始化进行时,“RUN1”至“RUN5”一个接一个出现于显示屏下行。
注:初始化过程依据执行机构,可持续 15 分钟。
有下列显示时,初始化完成。

在你短促下压功能键后,出现显示:

通过下按功能键超过5秒,退出组态方式。约5秒后,软键显示将出现。松开功能键后,装置将在Manual 方式,按功能键将方式切换为AUTO,此时可以远控操作。
B、执行器手动初始化
利用这一功能,不需硬性驱动执行机构到终点位置即可进行初始化。杆的开始和终止位置可手工设定。初始化剩下的步骤(控制参数最佳化)如同自动初始化一样自动进行。
直行程执行机构手动初始化的顺序步骤。
(1)对直行程执行机构实行初始化。通过手工驱动保证覆盖全部冲程,即显示电位计设定处于P5.0 和P95.0 的允许范围中间
(2)下按功能键 5 秒以上,你将进入组态方式。
直行程选择:

角行程选择:

用“+”,“—”键切换;
(3)短按功能键,切换到第二参数:
显示:

或

用“+”,“—”键切换;
注:这一值必须与传送速率选择器的设定相对应。(33°或90°)
(4)用功能键切换到参数三,显示如下:

如果你希望初始化过程结束时,测定的全冲程用mm 表示,你需要在显示器中选择与驱动销钉在杆刻度上设定的值相同,或对介质调整来说下一个更高的值。
(5)通过下按功能,选择参数五:

①先按住“—”再同时按住“+”键,快关阀门(显示在6.5左右),否则调节黑色旋钮调节,使其在范围内;
注:如果按此操作显示的数是减小的,请先调整执行器的开关方向;
②然后先按住“+”再同时按住“—”键,快开阀门。开展后观察显示应在95以内,否则调节黑色旋钮,使其在正常范围内,然后下按功能键确认;
③先按住“—”再同时按住“+”键快关阀门,显示应在5到9之间,然后按下功能键确认;
④初始化自动开始。
⑤初始化的停止是自动出现的。RUN1 到RUN5 顺序出现在显示屏的下行。当初始化已全部完成时,出现如下显示:

下按功能键超过 5 秒,离开杆组态方式。接近5 秒后,软键显示将出现。松开功能键后,装置将在Manual 方式,按功能键将方式切换为AUTO,此时可以远控操作。
注:改变调整门的开关方向,需要调整*位器定**的7和38项,两项同时用“+”、“—”键更改,两项的设置必须要相同。
手动初始化时,出现

下按“+”键5秒以上,开始初始化显示。

六、山武*位器定**

调试步骤:
1、调整
自动设定是一种独特的程序,可用来自动进行*位器定**的各种调整。
用开度开关进行自动设定,执行自动设定和零点-量程调整时需要对*位器定**进行观察。
开度按钮用来启动自动设定和进行手动零点-量程标定,步骤:
(1)将*位器定**的输入信号设定为DC 18±1mA;
(2)打开SCP的前盖,按住开度按钮到“UP”位置(对于Flowing Rotary VFR阀门为“DOWN” );
(3)按住此按钮,直到阀门开始动作(约3秒),将启动自动设定程序,松开此按钮
(4)阀门从全关到全开往返两次。之后,阀门开启到50%的位置,并保持3分钟;
(5)通过改变输入信号确认自动设定程序已经完成。整个自动设定过程约需3分钟;
注:执行自动设定过程中,请勿将输入型号设定到4mA以下。(只要信号在4-20mA范围内,自动设定过程中改变输入信号不会影响程序的执行。)如果输入信号跌倒4mA以下,则自动设定将无效,且必须重新开始。自动设定完成后,信号维持在至少4mA的水平,并至少保持30秒钟,以确保数据和参数被保存到SVP内存中。操作结束后,通过改变输入信号检查阀门的动作,并确认阀门是否移到与信号相对应的正确位置。如满度位置发生偏移,再执行满度调整。
2、零点-量程调整
自动设定后,*位器定**已将其自身标定到阀门的全关(零点)和全开(量程)值。如果阀门不能获得其开度与*位器定**控制信号之间的正确关系,则按以下步骤手动调整零点-量程。
注:只有关闭和全开输入信号(例:4-20)与储存在*位器定**中的,或工厂中设定于*位器定**中的关闭和全开输入信号设定相同,开度开关才会工作。
(1)将阀门调整到关闭位置(零点)的步骤:
a、从控制器输入对应阀门全关位置的电流信号(例:4mA);
b、通过按开度按钮“UP”或“DOWN”,调整阀门全关位置。强制关闭功能默认值设定为0.5%。
(2)将阀门调整到全开位置(量程)的步骤:
a、从控制器输入对应阀门全关位置的电流信号(例:20mA);
b、通过按开度按钮“UP”或“DOWN”,调整阀门全关位置。直至调整阀门位置到位。
注:完成零点-量程调整后,改变输入信号以确认阀门工作是否准确。
3、维修
(1)滤网更换和节气喷嘴维修
可在维修过程中清除积累在*位器定**节气喷嘴中的仪表空气污染物。步骤:
1)、切断通向*位器定**的供气;
2)、从A/M开关铭牌部分拧下固定螺丝(注:拧下螺丝时,小心勿弄丢A/M开关盖板垫圈和防栓垫圈);
3)、从A/M开关转到MAN(手动)位置;
4)、用镊子或其它工具去除夹具,取出旧过滤网;
5)、用铁丝(直径为0.3μm)清除节气喷嘴中的污染物(清除污染物时,勿让油污或油脂弄脏节气喷嘴);
6)、将新过滤网缠在A/M开关上,用夹具将其压到原位;
7)、将A/M开关拧到底;
8)、用固定螺丝将A/M开关部分铭牌固定在A/M开关盖板上。
(2)清洁挡板
若仪表空气中的污染物积在挡板上(注:若向*位器定**施加气压,则清洁挡板和喷嘴背压会改变,引起阀门位置突然变化)
1)、拆下盖子;
2)、拧下盖板上的四颗螺丝;
3)、将盖板滑到左侧,然后拆下;
4)、准备好厚度为0.2mm的纸片,普通名片即可;
5)、用纸片清洁EPM喷嘴和挡板之间间隙内的脏物;
6)、清洁间隙后,将盖板和盖子重新装上。
4、故障排除
(1)*位器定**不能工作(无输出气压)
a、确认*位器定**反馈杆的转动角度未超过20°。若超过该角度,请在反馈杆上添加一个加长杆,以获得足够的反馈长度;
b、检查供气是否存在泄露;
c、检查电器输入信号;
d、检查自动/手动开关是否处于自动位置;
e、检查挡板和滤网的清洁状况。
(2)不能获得全行程,或影响速度慢
a、检查零点(全开)和量程(全开)的调整是否正确;
b、检查滤网和挡板的清洁状况。
(3)乱调或超程
a、检查反馈杆转动的允许角度。
七、横河*位器定**

调试步骤:
1、检查气路、电路是否满足*位器定**工作要求;
2、给定12mA信号,将反馈杆调整至水平位置,并紧固;
3、给定8mA信号,通过零位调节螺母将零位调节至对应值;
4、给定16mA信号,通过量程调节螺母将量程调节至对应值;
5、给定4mA信号,检查阀门全关位置,必要时进行微调;
6、给定20mA信号,检查阀门全开位置;必要时进行微调;
7、给定4mA(或20mA)、8mA(或16mA)、12mA、4mA(或 20mA)、16mA(或8mA)、20mA(或4mA)进行刻度验证,必要时进行微调。
说明:1、通过量程调节螺母可以改变*位器定**的作用方式。
2、取用8mA和12mA信号,分别调整零位和量程,是因为8mA和12mA均有上下刻度值,可以明显反应零位和量程的位置,而4mA向下下没有刻度(和20mA向上也没有刻度值),不宜采用4mA和20mA来调节零位和量程。
3、*位器定**调校时,必须保证阀门能够完全关闭,有时候虽然给定4mA(或20mA)信号,阀门仍然有开度。
4、气动阀门*位器定**和电-气阀门均属机械式阀门*位器定**,因此调校方法类似,不再详细介绍。
八、泰科(Tyco)阀门*位器定**

一、AVID*位器定**接线方式:

说明:+接输入信号的正,输入信号为4-20mA DC
-接输入信号的负
+ (端子号6)接反馈信号的正,反馈信号为4-20mA DC
- (端子号5)接反馈信号的负
二、菜单启动:
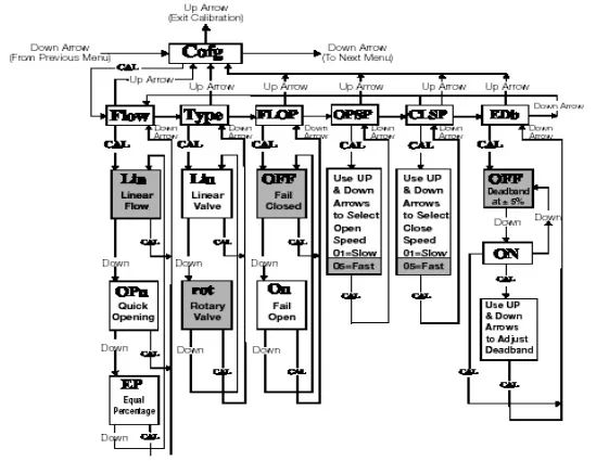
1、 进入菜单:按压CAL直至显示屏出现ACAL,按压↓键直至出现Cofg,其程序菜单如下:↓-Down Arrow ; ↑-Up Arrow; CAL,为三个控制键,在园盘之下:

*参考,请以工艺条件为准:
对于位号:PV-1203的调节蝶阀,仪表规格书上要求的安全位置为全开,请将OFF(Fail Closed)按压↓键改为ON(Fail Open),按压CAL确认后离开。
对于位号:FV-1103的调节蝶阀,仪表规格书的的要求安全位置为全关,不需要对原设置做调整。
2、自动调校:
设定输入信号为12mA,当显示屏显示为ACAL时,按压CAL,气动蝶阀开始自动校正,当显示屏显示为OK时,调校完成,按压↑键,退出调试模式,恢复到正常工作状态,

三、阀门的一些注意事项:
1、阀门在未确认连按管道清洁之前,不允许做开关动作,只能从全关位达到全开位,以防止阀门的密封面受到不可恢复的损坏,厂家对这种情况下造成的损伤不承担任何责任。
2、请按照工艺要求,确认阀门在与执行机构连接后,其故障安全位置与设计的安全位置相同。
3、请确认阀门的安装方向与阀门的要求方向相同。及介质的工作压力在阀门的允许压力之下。
4、请确认对执行机构、附件、ZR阀位反馈器及连接控制气路保护良好,无损伤,泄漏及其它可能造成动作失灵及误操作的可能。
5、请确认已订购了相关的易损件,以应对意外情况下,所造成的对阀门、执行机构及相应控制附件的损坏,因产品为国外定货,供货周期较长。
6、请确认相关的技术资料已到达调试人员手中,调试人员可以依照其进行正确的设置及调试,如不能够得到,请按照正常渠道索取。
九、萨姆森*位器定**

调校及注意事项
主要使用旋转按键来操作*位器定**。
首先必须调整气量限制器来适应气流输送。

一、旋钮按键
转动旋钮按键 可以选择参数代码( P0至 P16),然后按下此按钮 确认所选参数代码。若要变换参数值,转动旋钮按键选择所需值,然后按下 旋钮按键确认所选值。
1、提示
当显示回到状态指示模式时,已更改的参数值首先保存在EEPROM 中(以防电源故障)。转动旋钮按键到代码 P0,或等候3 分钟直到显示自动返回。如果标识显示在显示屏顶部,那么表示参数代码没有完全保存。
2、注意
在参数代码P2、P3、P4 和P8 改变后,需重新初始化*位器定**。气量限制器Q Q气量限制器是用来调节空气输送使之适应执行器尺寸。根据执行器气路方式不同可以选择两种不同的设置。

二、气量限制器在送气时用于适配执行器的尺寸。
► 执行器传输时间<1s,如有效膜片面积小于240cm2 的线性执行器,需要限制空气流量(MIN)。
► 执行器传输时间≥1s, 不需要限制空气流量(MAX)。气量限制器Q 的位置同样取决于信号压力如何作用在 SAMSON执行器上:
► “SIDE”(侧面)位置适用于执行器在侧面连接信号压力,如3271-5。
► “BACK”(后面)位置适用于执行器在后面连接信号压力,如3277-5“SIDE”也适用于非 SAMSON 的执行器。
1、显示
LC 显示器指示出设定代码和功能的符号。棒形图通过(+/-)符号及数值显示出控制偏差,棒形图的一格表示为1%的控制偏差。若*位器定**没有初始化,棒形图不指示控制偏差,而是指示反馈杆相对于阀杆/轴的偏转角度。棒形图的一格对应大约5°的偏转角度。如果显示屏上出现表示故障的符号 ,那么要旋转旋钮按键 直到 ERR 出现,查看错误代码 E0 至 E15。详见5.6 节。
2、启动警告
当装置正在运行时,不要启动系统。在施加供气与电信号时,控制阀可能会在整个行程范围或旋转角范围内移动,范围取决于设定参数。
► 连接气源(SUPPLY 9)
► 给定输入控制信号4 至20 mA, (接线端子11 和12)。大多数情况下,如果*位器定**安装正确,都会采用默认的设置。只要设定好输出气量限制和故障-安全位置之后,*位器定**就可以初始化了。
3、提示
*位器定**能够监视工作范围。如果反馈杆过于靠近机械限位(可能产生机械损害),*位器定**将排空执行器的空气,控制阀就会移动到故障-安全位置( S 将与错误代码 E8 或 E9 同时显示)。这种情况下,检查*位器定**连接,用 RST来对显示的错误代码进行复位。
4、零点校准
假如阀的关闭位置不一致,如:软密封阀芯的情况,需要校准零点。激活代码 P16 启动零点校准:旋转 按钮直到代码 P16 出现。按压 按钮6 秒钟,在显示器上进行 6-5-4-3-2-1 的倒计时。初始化已经启动,显示闪烁!*位器定**移动控制阀到关闭位置并重新校准电气零点。当零点校准完全时,*位器定**回到闭环操作(状态指示)。取消零点校准可以通过按压 按钮来取消零点校准。*位器定**将移动到故障-安全位置(显示为S S)。可以此后重新启动零点校准。
5、复位
在初始化完成后,*位器定**处于闭环操作状态。
复位会导致初始化进程取消并且所有的参数设置值都恢复为默认设置(参见第6节)。
当选择了 P0 状态指示模式时:按下 按钮6 秒钟,在显示器上进行 6-5-4-3-2-1 的倒计时, ESC 出现在显示器上。旋转 按钮, RST 出现在显示器上。按压 按钮,来复位其默认设置。
6、手动操作模式
可以使用手动操作模式来移动控制阀:
旋转 按钮直到代码 P14 出现。按下 按钮6 秒钟,在显示器上进行 6-5-4-3-2-1 的倒计时。– 在初始化完成的*位器定**显示屏上显示手动设定点(w man)。
– 在没有初始化的*位器定**显示屏上显示反馈杆的位置同阀杆轴向素材成的角度。旋转 按钮。
– 初始化完成的*位器定**:可以通过调整*位器定**手动调整设置点以每步为0.1%的间隔在其范围内移动控制阀。
– 没有初始化的*位器定**:通过调整手动设置点,控制阀只会在一个方向运动并不受控制。
按下按钮撤销手动调整功能。
7、注意
手动调整功能只能按所描述的情况下退出。在*位器定**停止操作三分钟后,*位器定**不会自动退出此功能,也不会将显示返回到状态指示模式。
十、美卓*位器定**


“C”键代表返回键 “+”、“-”键代表上下翻页键 “←”代表确认键
调试步骤:
“+、-”键同时按进入菜单,显示屏会出现MODE(模式)界面(模式分为手动模式和自动模式,一般不需要更改)。然后按“+”键显示屏显示PAR(参数),再按“←”进入修改参数,此时屏幕上会显示:
1、PEAF(增益):“C”代表优化(建议使用)、“A”代表最快、超调也最大、“E”代表最慢、超调最小。然后按“+”键,以此类推到
2、CUTL(小信号切除):一般为2.0%
3、DIR(阀门作用方式):OPE代表气开、CLO代表气关
4、UTYP(阀门形式):ROE代表角行程、LIN代表直行程
5、ATYP(单作用、双作用):1-A代表单作用、2-A代表双作用
6、PFA(故障位置):CLO代表故障关、OPE代表故障开
7、ROT(顺时针、逆时针):CC代表顺关阀、CCC代表逆关阀
8、AO(死区):默认为0,一般不需要更改、如需更改的话改到0.6
改完参数后按“C”键返回,然后按“+”键屏幕显示CAL(校验)再按“←”键进入选择AUTO CAL(自动校验),然后按“←”键阀门自动整定。
修改参数方法:
举例说明:DIR(阀门作用方式)这一级菜单下有OPE(气开)、CLO(气关)两个参数要修改。就先按“←”键让显示屏DIR这个单词闪烁,然后按“+”键修改想要的参数,修改好后按“←”键让显示屏DIR这个单词不闪烁,即代表参数已修改保存成功。其它步骤以此类推!
手动设置:
先把模式改成MAN手动模式,然后返回界面后按“+”键到QPOS参数下,按“←”键显示屏闪烁,然后再按“+“、”-“键阀门就可以动作。
十一、福斯阀门*位器定**

调试方法
1、手自动切换(切换到手动),按上下按钮,然后按STATUS,FUNC,出现O O serric(执行离线状态) ,按OK3秒,左上角□在闪,表示离线(手动状态)。
2、自动整定,按上下按钮,选择CATIBRATE,出现FUNC。再按AUTOCAL,FUNC。按START TUNE ,按OK,出现…,再按OK,出现…,再按OK,出现…,按OK,出现rotating,再按OK。
3、修改电流值和*位器定**显示,按上下按钮,然后按Setup回到Func,再按 Curr range回到Func 。选择 0%-20mA Func 选择0%-0mA Ok 选择100%-4mA func 选择100%-_mA OK
4.手自动切换(切换到自动),按上下按钮,然后按STATUS回到FUNC,出现In serrice(执行离线状态),按OK秒,左上角□取消闪动,表示在线(自动状态)。
5、退出,按↑↓调节,REND Func,Pos Func 之后返回主界面。
6、手动点动调试
首先将调校DIP开关拨到Jog位置,用户只能手动设置满量程,不能设置全关位,阀门全关位为默认状态。当DIP 开关拨到Jog位置时,*位器定**的二极管的状态为黄-红-红-绿。此时用户再用Jog按钮↑↓手动调节阀门至所期望的100%,阀门到位后,同时按↑和↓按钮,这时阀门自动进行调整,等调整结束后二极管的状态回到黄-红-红-绿,再重新进行100%的设定,设定完成后,同时按↑和↓按钮,阀门进行自动调整。调整完毕后,二极管的状态以绿色开始。这表明手动调试完成,*位器定**正常。
7、就地手动操作
QUICK-CAL按钮和↑和↓三个按钮同时按住三妙钟,二极管的状态黄-绿-红-红,此时松开三个按钮,就可以用↑和↓进行阀门开关操作。按QUICK-CAL按钮即可退出手动操作,恢复自动状态。
十二、KOSO电气阀门*位器定**

1、调零及行程调整
输入50%信号,用调零旋钮将输出调整到50%开度,然后将输人信号分别调到0%及100%,用调行程旋钮调到规定行程,由于零点会略有变动,因此需按上述方法反复调整,调整结束后将行程紧定螺钉拧紧。(图23)
[外部调零]
日常检修中需要调零时,可利用外部调零装置而不必打开贸壳。(图24)

2、分程操作
1/2分程:可用调零,调行程来调整。
1/3及1/3以下的分程:必须更换负载弹簧
3、改变动作方式
[双动作型]
反作用变正作用或正作用变反作用
1)将连接执行机构的气管OUT1与OUT2 的位置互换。
2)将凸轮面换向安装。(参照5-1)
3)采取上述措施可改变执行机构的动作方向。
04
*位器定**常见故障
1、阀门*位器定**有输入信号但是没有输出信号。
(1)电磁铁组件发生故障,建议换电磁铁组件。
(2)供气压力不对,建议检查气源压力。
(3)气动放大器挡板零点调节过高,挡板远离喷嘴。
(4)气路堵塞。
(5)气路连接有误(包括放大器)。
(6)电/气*位器定**输入信号线正负极接反。
2、阀门*位器定**没有输入信号但是输出信号一直最大。
(1)气动放大器挡板零点调节过低,挡板过于压紧喷嘴。
(2)喷嘴堵塞。
(3)输出压力缓慢或不正常。会导致调节阀的膜头受损、漏气,造成有输入信号但调节阀动作缓慢的故障,使调节阀达不到及时调节的效果,处理办法检查膜室,更换膜片。
3、*位器定**线性不好
(1)反馈凸轮或弹簧选择不当或者方向不对。
(2)反馈连杆机构安装不好或者在某些位置有卡住的现象。
(3)喷嘴或挡板有异物。
(4)背压有轻微泄漏现象。
来源:仪表圈