在正常情况下,单电压焊机的故障率一般比双电压焊机的故障率稍微低些,因为双电压焊机的电压检测转换电路的故障率还是比较高的。
双电压焊机的电压检测转换电路主要有这几种,一种是用瞬态抑制二极管加光耦检测判断,一种是用压敏电阻加光耦检测判断,一种是用工频变压器根据输入电压的高低,次级耦合出一个电压来判断,还有一种是利用开关电源变压器的一个次级绕组输出一个电压或主电一次整流后取一个电压与参考电压通过个比较器比较来判断。原理基本就是这些,但是实际的电路设计每个厂家可能都不一样,对于维修人员来说,如果每台机器这块转换电路坏了,都去研究和推导一下这个电路的故障原因,这个成本显然太高,因为现在的人工成本越来越高,人工投入成本和获得的收益远远不成正比。
为了降低成本,提高工作效率,象类似转换电路如果坏了,如果我们又不熟它的电路结构,我们就可以选择不去修它,而是外加一个转换电路小板来解决,网上的类似小板很多,如下图:

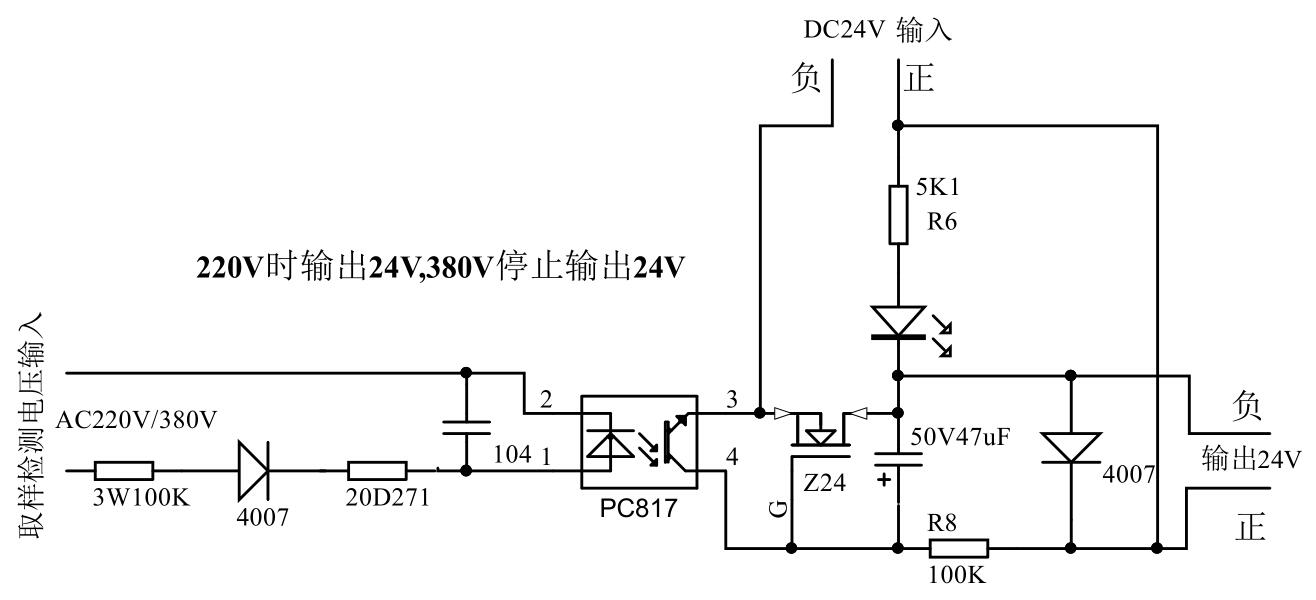
它是利用压敏电阻和光耦来判断和转换,具体电路如下:

这个小板的原理是,取样电压不管是220V或380V电,都得先有24V输入,区别在于当取样电压输入为220V时,压敏电阻20D271不导通,则光耦不导通,这时Z24导通,输出有24V电压,给倍压或抽头转换继电器动作;当取样电压为380V时,压敏电阻20D271导通,,则光耦导通,这时Z24的栅极电压被拉低,Z24不导通,使24V的输出端两边电压都等于24V,倍压或抽头转换继电器不动作。
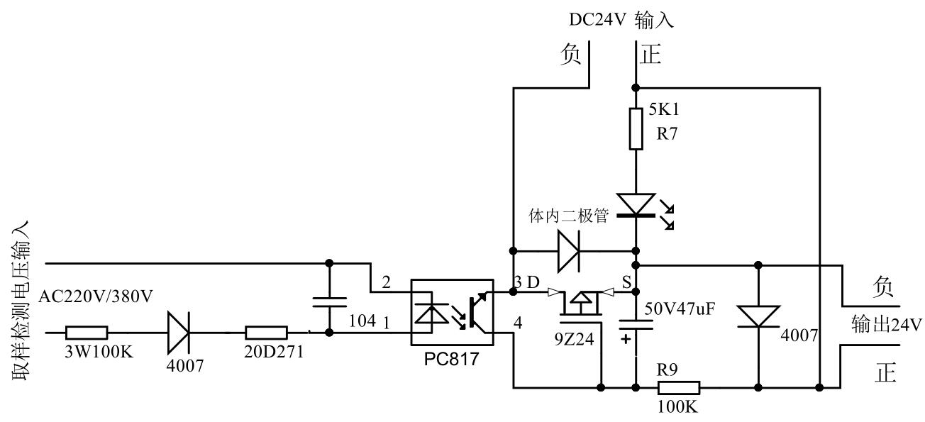
也就是说,这块板能提供的功能是,当焊机输入的电压为220V时,有一个24V输出电压给倍压或抽头转换继电器工作,当焊机输入的是380V时,关闭24V,使倍压或抽头转换继电器不工作。但在实际的的工作中,我们还遇到这样的电路设计,当焊机输入的电压为220V时,无24V电压输出,抽头转换继电器不工作;当焊机输入的电压为380V时,有24V电压输出,抽头转换继电器工作。这样上面的电路就不能满足我们的要求了。因此,我们为了方便,能不能继续用这个小模呢,答案是肯定的,我们只要把上面的N型Z24管换成P型管9Z2就可以了。但这里有个问题需要注意,Z24或9Z24由于生产工艺的原因,都存在体内二极管,Z24的体内二极管的正极与S极相连,负极与D极相连,9Z24的体内二极管的正极是也D极边接,负极与S连接。所以在小板上的实物替换时,只要把9Z24的D脚与S脚交换一下插孔再焊接,就可以现实当380V输入有24V输出,220V输入时没有24V输出的功能,这样就基本解决了我们能遇到所有转换或倍压出问题的电路问题。它的电路原理图如下:
