二极管(全称为半导体二极管)是一种常用的具有一个PN结的半导体器件,它具有单向导电性,通过二极管的电流只能沿一个方向流动。二极管只有在所加的正向电压达到一定值后才能导通。
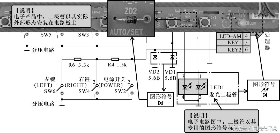
在实际电子产品或设备中,二极管以其实际的外部形态安装在各种各样的电路板上,而在对应于该电子产品或设备的电子电路图中,二极管则用专用的图形符号代替,电路板上的二极管与电子电路图中的图形符号一一对应,如下图:

1、识别二极管的图形符号
下图所示为普通二极管在电子电路图中的图形符号,又称电路符号。可以看到,它主要由一个小三角形、表示负极的竖线和两根引出线构成,小三角形和表示负极的竖线就是二极管的图形符号(相当于二极管内PN结的结构简化图),两根引出线相当于二极管的两个引脚,由图形符号两端伸出,与电路图中的电路线连通,构成电子线路。

2、认识不同类型二极管的图形符号
在实际应用中,二极管的类型多种多样,相对应的图形符号也有所区别,因此,了解不同类型的二极管的图形符号,对准确识别出电子电路图中二极管的类型有重要意义。
常见二极管的图形符号、外形及功能如下图



-
识别二极管的电路标识
二极管在电子电路中的标识通常分为两部分,一部分是图形符号,标识二极管的类型;另一部分是字母+数字,标识该二极管在电路中的名称、序号及型号参数等信息。
典型二极管的电路标识方法如下图所示

图形符号(电路符号)体现出了二极管的基本类型;引线由图形符号两端伸出,与电路图中的电路线连通,构成电子线路。完整的电路标识通常提供了二极管的类别、名称、序号以及二极管型号等参数信息。
-
识读二极管的标识信息
二极管的标识主要有“二极管名称”“材料辕极性”“类型”“序号”“规格号” 等相关信息。识读二极管的标识信息,对我们分析、检修电路十分重要。
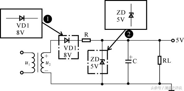
典型整流电路中二极管的电路标识如下图


典型光控电子生日蛋糕电路中二极管的电路标识如图

