
【研究背景】
将全球变暖升温幅度控制在2℃甚至1.5℃,对于控制气候变化至关重要。从大气中人工去除二氧化碳是实现二氧化碳净零计划的关键。碳捕获和储存(CCS)在减少使用化石燃料相关的排放方面发挥重要作用。直接空气捕捉 (DAC),即通过人工接触器从空气中提取二氧化碳,具有非常高的潜力。然而,DAC是一种相对新颖的技术,目前还处于开发和商业化的早期阶段,许多问题有待解决。荷兰乌得勒支大学Matteo Gazzani日前在Joule期刊发表研究型论文,提供了从空气中去除二氧化碳的三种DAC技术的技术评估: 两种水相洗涤工艺和一种固体吸附工艺。使用模拟和数学优化, 计算生产率、火用(㶲)和能源消耗。此外,评估了大规模部署的成本范围。研究表明,所有技术都可以提供高纯度的CO2,而基于固体吸附的工艺具有最佳潜力,因为其㶲需求为1.4-3.7 MJkgCO2-1, 产率为3.8-10.6 kgCO2:m-3 h-1。此外,作者通过一个简单的模型将生产力和能源转化为二氧化碳捕获成本,证明了资本成本是主要的成本驱动因素。所有技术都有潜力在200美元ton-1CO2以下运行。当实现高传质,并且对安装成本的依赖较小时,固体吸附过程可以在更广泛的条件下实现这一目标。该研究成果以 “A comparative energy and costs assessment and optimization for direct air capture technologies”为题发表在Joule (DOI: 10.1016/j.joule.2021.05.023),通讯作者为Matteo Gazzani。
【内容表述】
早期DAC由两个步骤组成。第一步:钠或氢氧化钾与二氧化碳反应生成可溶于水的碳酸盐;第二步:碳酸盐被石灰(Ca(OH)2)苛化,产生碳酸钙沉淀。但是早期DAC最重要的问题是溶剂再生所需的不可避免的高能量需求。美国物理学会(APS)的一份报告中选定碱洗涤为DAC的基准流程,并且预估每吨捕获的二氧化碳的成本约为600美元。
由于大气中二氧化碳的浓度低,不可避免的需要对大量的空气进行处理,以捕获相应数量的二氧化碳。因此,与溶剂有效的空气接触非常重要。通过为空气捕获应用量身定制吸收单元,Holmes和同事估计了空气接触器单独的总成本可以减少到60美元/吨CO2。然而,与碱氢氧化物的苛性回收有关的主要缺点仍未得到克服。
Custelcean等人描述了另一种基于洗涤吸收的DAC过程。在这个过程中,二氧化碳通过氨基酸水溶液(如甘氨酸或肌氨酸)从空气中被提取,生成相应的碳酸盐。氨基酸随后通过碳酸阴离子与双亚胺胍固体结晶而回收。最后,碳酸盐晶体在60-120℃分解,释放高纯二氧化碳。与碱洗涤工艺相比,溶剂再生所需温度较低,但工艺能耗较高。
尽管胺洗涤是二氧化碳燃烧后捕获的基准技术,已应用于数百种气体分离过程,但之前这种液体洗涤不被列为DAC范畴。胺洗涤只是最近才被评估为DAC。此外,胺洗涤需要大量的低品位热再生,而且胺通常是腐蚀性和有毒的,并由于氧化时间长容易被降解。这些缺点可以通过将胺固定在固体载体上, 来显著降低再生胺所需的能量。例如用胺改性的多孔颗粒用于真空-压力变温吸附(VTSA) 循环捕获二氧化碳。在此过程中,空载的吸附剂与空气接触,在环境条件下捕获二氧化碳;随后,该装置被抽真空至20-400 mbar的压力范围内,并被加热至80-130℃ 来脱附二氧化碳。最后,机组增压并冷却到环境条件。金属有机框架(MOFs)是既可以作为吸附剂又可以作为载体,表现出良好性能的固体吸附材料。其大的设计空间和多功能性使其成为各种气体分离应用的良好候选材料;此外表面积和孔隙特征可以定制,开放的金属位置允许表面修饰额外的功能基团。但是MOFs的大规模生产和商业化仍然是一个未解决的挑战。在考虑固体吸附剂时需要注意的一个重要问题是与水吸附有关的行为。因为根据环境条件和固体特性的不同,H2O可以影响CO2的吸附,从而影响工艺生产力和能量需求。
根据已部署的规模和已达到的技术程度,两项DAC技术即:用氢氧化碱水溶液湿洗和对支撑吸附剂进行VTSA 都很突出。此外,胺洗涤也应被视为同样成熟的DAC技术。这些过程有不同的优点和缺点。液体洗涤是一个持续的过程,可以利用成熟和廉价的组件。然而,再生是昂贵的和复杂的,特别是对碱溶剂。VTSA工艺原则上比较简单,因为二氧化碳捕获和吸附剂再生是在同一个单元中进行的。此外,吸附剂的再生在低温下进行。但是该工艺不像液体洗涤那样成熟,吸附剂的稳定性仍然是一个问题,要实现高二氧化碳纯度需要定制和更多能源需求的循环。
作者在该工作为水基和固体基DAC技术提供了透彻的工艺分析。将先进的基于速率的过程建模与数学多目标过程优化相结合,可以计算出具体的能源消耗(以MJ kg-1CO2)和CO2生产率(单位为kgCO2 m-3 h-1)。
工艺方案和方法
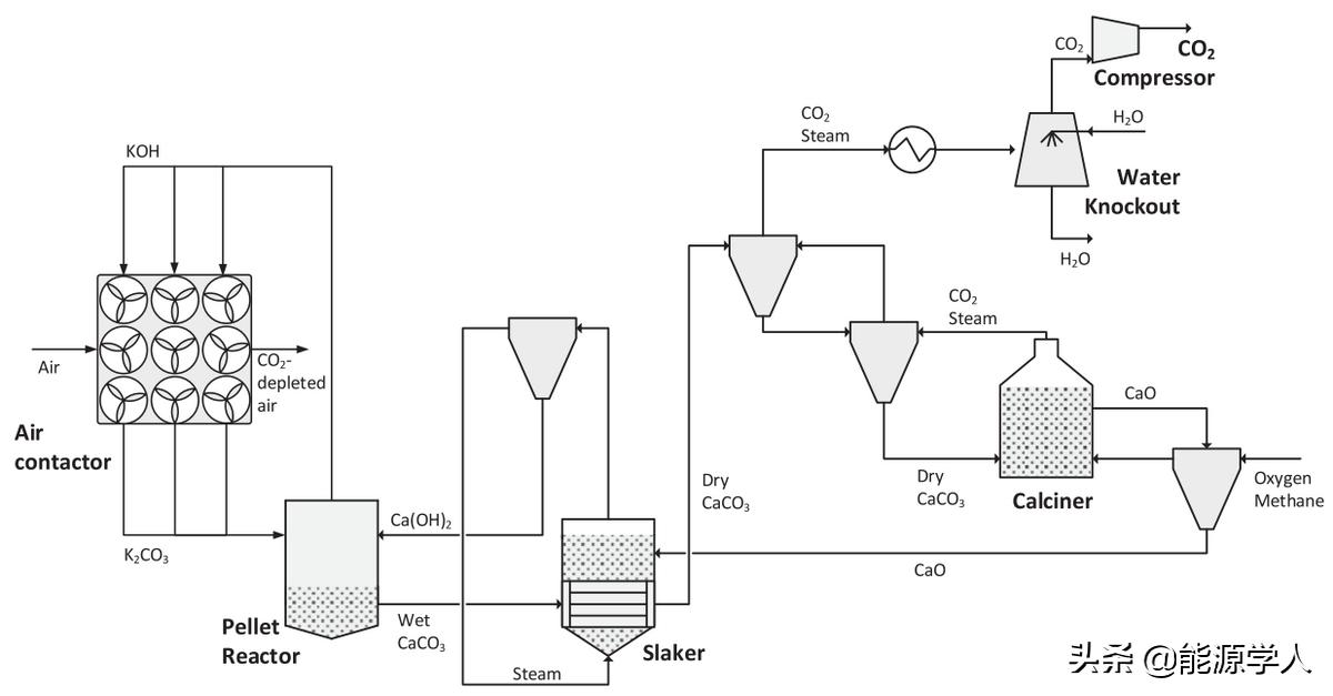
碱洗涤 图1:碱洗涤DAC工艺的示意图

碱洗涤过程如图1所示。在碱洗涤中,二氧化碳被捕获在一个专用的空气接触器单元中,并被KOH水溶液以K2CO3的形式吸收。K2CO3溶液通过生成碳酸钙再生,碳酸钙被送入煅烧炉分解为CaO和CO2。在本工作中,整个过程使用Aspen Plus V11建模,可以通过电解质NRTL方法精确计算相关热力学,同时也提供了一个可靠的基于速率的模型。
胺洗涤
图2:胺洗涤过程示意图

在二氧化碳再生阶段,胺洗涤过程要比碱洗涤简单得多。流程布局如图2所示。
固体吸附
图3:使用固体吸附的捕集过程的简化流程

简化后的固体吸附流程如图3所示。该装置主要由空气接触器、控制阀、真空泵和冷热供应系统组成。固体吸附过程是一个循环过程,其中单个单元在不同压力下依次经历加载(吸附)和再生(解吸)步骤 (变压吸附[PSA])。由于DAC在环境条件和非常大的流量下处理空气,压缩空气不可行,这使得温度和真空成为唯一的再生驱动。因此,本文作者在模拟计算时候根据真空-温度摆动吸附 (VTSA) 四步循环过程,即(i) 吸附,(ii) 吹除,(iii) 再生,和(iv) 再增压 进行。
在吸附步骤中,空气混合物在环境条件下进入吸附器单元。CO2 (和H2O)被吸附剂选择性地去除,含微量二氧化碳的空气离开系统。当二氧化碳前端到达固定床的末端时,这一步骤就终止。为了提高CO2的纯度,引入了一个初步的加热步骤,来去除空隙空间中的空气(主要是N2)。吸附剂通过外部加热流体加热至温度T1<T2,其中1为预热,2为加热步骤。同时,利用真空泵产生真空。在这一步骤中已经有少量的CO2和H2O被解吸。在主要的脱附步骤中,吸附剂被加热到最高工作温度T2,而真空条件保持。在这一步骤中,高纯二氧化碳在水蒸汽中产生,并从塔中提取。与以水溶液为基础的体系相比,在100℃足以使吸附剂再生。随后,打开入口处的阀门,周围的空气流入,从而冷却吸附材料并对系统加压,直到色谱柱恢复到初始状态。

图5: 几种固体吸附剂的工作容量,包括沸石(绿色线),MOFs(灰色线)和胺(橙色线)
多目标优化
为了确定不同捕集系统的最佳性能及相关的操作变量,作者进行了多目标优化。它包括两个相互竞争的目标,即生产率;以及以质量比火用值耦合的电和热能消耗,也就是运行成本。
经济评价
在气体分离中,能量和空气接触器占用体积分别是运行和资本成本的代表因素。因此,使用能源性能和生产率的一致性计算,作者将二氧化碳捕获成本映射为 (i) 每立方米空气接触器成本,(ii)电价, (iii)热价的函数。
【结果讨论】
碱洗涤
图6A报告了KOH洗涤过程的Pareto曲线。曲线下面的区域是不可行区域,而上面的区域代表次优操作。与生产率相反,在Pareto前沿的火用值不会发生很大变化。需求主要由含氧燃烧决定,约为5MJ /kgCO2。图6B显示了Pareto前沿两个极端的火用需求的细分柱状图。由于煅烧过程为高温过程,能量和火用趋近于同一值,因此能量需求几乎等于火用需求。其中,鼓风机的能耗沿Pareto曲线变化显著。此外,风速的影响比较也突出,随着风速的增加,比能量火用需求和生产率都增加。此外,捕获二氧化碳的纯度与考量无关,在干燥的前提下为94.7%。剩下的杂质由N2、Ar和O2组成,取决于ASU和氧燃烧室的设计。当采用气体清洗工艺(如传统的ccsoxy燃烧工艺) 或使用带有第三个柱的ASU回收Ar时,碱洗涤工艺的CO2纯度可以进一步提高。

图6: KOH洗涤过程的曲线图。(A) KOH过程的比火用效率Pareto曲线,A点: 最小火用消耗; B点: 最大生产力。空点表示优化过程中获得的次优条件。(B)对Pareto的两个极端,即点A和点B,碱洗涤过程的火用需求的具体细分。能量需求等于火用需求。具体数值为分解炉A/B: 5.05 MJ/kg,空分装置A/B: 0.44 MJ/kg,鼓风机A: 0.28 MJ/kg,鼓风机B: 0.55 MJ/kg,二氧化碳压缩A/B: 0.34 MJ/kg,泵A/B: 0.10 MJ/kg。
胺洗涤
胺洗涤是一种成熟且被广泛采用的二氧化碳捕获工艺。该工作描述的DAC版本是基于其碱液对应的非常规空气接触器单元,而溶剂再生是通过常规蒸汽脱离进行的。图7A中报告了胺洗涤过程的Pareto曲线。可以看出,生产率和火用需求沿帕累托曲线均有显著变化,说明了优化过程的重要性。对于胺洗涤工艺,溶剂再生是能源需求的最大贡献者。图7B显示,对于Pareto的两个极端,能源需求几乎全部由重沸器运转造成。也就是说更高的生产力导致重沸器运转负荷急剧增加。
在火用要求方面,胺和碱洗涤过程是相似的,但是胺洗涤比碱洗涤需要更多的能量。图7b显示了Pareto的点A的能量需求,这是能量消耗最低的点。即使在这些条件下,胺洗涤过程所消耗的能量几乎是碱洗涤过程的三倍。帕累托点A和点B的能量需求分解如图7B所示。注意,图中所报告的鼓风机的较低的能量需求可以解释为由碳工程型空气接触器提供的较低的压降导致的。

图7:胺洗涤过程的结果图。(A)胺洗涤过程的比火用效率Pareto前沿:A点:最小火用消耗;B点:最大生产力。空点表示次优条件。(B) Pareto前沿的两个极端,即点A和点B的能量需求的分解。重沸器A: 18.01 MJ/kg、B: 48.16 MJ/kg、lean stream A: 1.01 MJ/kg、B: 0.12 MJ/kg、鼓风机A: 0.73 MJ/kg、B: 0.75 MJ/kg、CO2压缩量A/B: 0.28 MJ/kg、泵A: 0.07 MJ/kg、B: 0.01 MJ/kg。两个点的总火用需求用橙色的点表示,用右轴表示。
固体吸附
不同固体吸附剂材料的Pareto曲线如图8所示,具体的火用和能耗细分图如图9所示。从图8可以看出,固体吸附过程涵盖了相当广泛的范围,无论是在火用(1.5-3.7 MJ/kgCO2)和生产力(3.8-10.6 kg/m3/h)方面。这是因为吸附剂的化学-物理性质不同。最高的火用消耗是用Lewatit吸附剂。其中一个原因是化学吸附的吸附热为91.2 kJ/mol,高于其他吸附剂,导致了更高的热能需求。水吸附的工作容量高,也会进一步增加再生阶段的能量需求。较低的颗粒密度和颗粒直径限制了最大风速,导致较低的生产力。MIL-101(Cr)-PEI-800吸附剂具有较高的工作量和较低的能耗,取决于水等温线。MFC-APS-hi水等温线显示了最低的H2O工作容量,并导致使用这种吸附剂的组合(如MP-M和E-M)的较低的火用消耗。对于APDES-NFC吸收剂(A-A),其较低的火用点可与MIL-101(Cr)-PEI-800吸收剂相媲美,但其高产率限制在约6 kg/m3/h。这是由于吸附剂的高孔隙率和低密度,以及CO2等温线的工作能力较低,在生产过程中需要较高的再生温度和较低的真空压力。对于所有情况,主要的火用(能量)需求是由再生过程中的热量消耗所要求的。真空泵在吹扫过程中的能量消耗非常低,因为这一步骤只需要确保清除空隙空间中的所有N2,以达到高纯度,过程进行得非常快。用于CO2生产步骤的真空泵在总能耗中占有较高的份额,主要随着再生所需的真空压力的不同而变化。对于MP-A,如真空压力相对较高,导致泵的能量消耗非常低。鼓风机和二氧化碳压缩的能耗在所有情况下都是相似的。前者对生产率的影响更大。由于再生温度较低,与胺洗涤类似,所有固体吸附的能量和火用需求之间存在较大差异(图10)。

图8:利用CO2和H2O等温线的不同组合进行固体吸附优化的生产率-火用Pareto曲线

图9:固体吸附工艺不同情况下的详细能源和火用需求。(A)火用需求细目。(B)能源需求的细分。热能需求用蓝色表示,不同色调表示CO2和H2O的反应热(平衡时T=373 K, p = 0.1 bar),以及吸附剂、CO2和H2O的显热。在两幅图中,X-X: A表示帕累托上的最小火用/能量,X-X: B表示最大生产力。
经济评价

图10:三个不同流程系统总成本与电价、热价和工厂成本的函数图。(A - D) (A) KOH使用Pareto图上点B (最高生产力),(B) 胺洗涤使用图上点A(最低火用消耗),和(C和D) 固体吸附情况E-A (C:高动力学k = 0.1 s-1使用帕累托图上的B点和D点:低动力学k = 0.0001 s-1使用帕累托图上的一个中点,其火用消耗类似于KOH过程)。假设工厂满负荷运行,20年的项目寿命和10%的贴现率。虚线显示的总成本值为100 $/tCO2,连续的线显示的值为200 $/tCO2。
从图10还可以得出以下结论:
对于胺洗涤过程(以及使用胺作为溶剂的类似液体洗涤过程),改进工作必须集中于降低热能消耗。新的溶剂需要很好地结合高二氧化碳负荷、快速反应、有限毒性和简单制造。对于碱洗涤工艺,保持接触器成本低是关键。对于固体吸收工艺,成本优化设计要求从多组分平衡和传输的角度充分表征吸收剂。一旦知道了吸附剂的特性,改进的重点可以是降低接触器成本,如通过增材制造,或设计一个方便的热量供应能源系统,如通过集成热回收选项。
生产率: 两种液体-溶剂洗涤工艺的生产率范围都很低,为[0.18-0.45 kgCO2m-3 h-1)碱洗和[0.75-1.08 kgCO2m-3h-1]为胺洗。对于固体吸附剂过程,这个范围要宽得多,[3.8-10.6 kgCO2m-3h-1],但更多的数据不确定性存在。
能耗: 胺洗工艺能耗最高,对于固体吸附工艺,能耗相对较低,且温度较低。
可扩展性: 碱洗涤需要一个复杂的过程,更适合大型工厂。对于胺洗涤,再生过程比较复杂,需要专用设备(热交换器、汽提器等),因此不适合小规模。固体吸收工艺可以很容易地放大或缩小,但大规模的管道和阀门数量将使工艺设计和控制具有挑战性。
经济性能: 这三种工艺的成本都低于200美元/吨CO2。
科学挑战:液体-溶剂洗涤过程已经被很好地理解。对于固体吸附过程,缺乏与DAC应用相关的实验数据,其潜在的吸附机制尚未完全了解。
技术挑战:对再生段的不同反应器进行更高效的设计,以及煅烧炉的电气化,可以进一步改善碱洗涤过程。关于胺洗涤,需要重新设计吸附器以处理更先进的胺(挥发性、毒性等)。固体吸附工艺具有挑战性的领域包括接触器内高效热交换的开发、热集成(加热/冷却)、以及接触器的先进设计。
Francesco Sabatino, Alexa Grimm, Fausto Gallucci, Martin van Sint Annaland, Gert Jan Kramer, and Matteo Gazzani, A comparative energy and costs assessment and optimization for direct air capture technologies, 2021, https://doi.org/10.1016/j.joule.2021.05.023