鉴于后台小伙伴的提问,今天这篇文章我想给大家介绍下Pilz安全继电器PNOZ s5的使用。
本文主要包括如下几个主题:
- PNOZ s5的外观及接线端子介绍;
- PNOZ s5的工作原理;
- PNOZ s5的工作模式及复位方式;
- PNOZ s5的定时设置;

1、PNOZ s5的外观及接线端子介绍
PNOZ s5属于PNOZSigma家族,是具有延时功能的安全继电器,它的外观如下图所示:

模块的上下各有8个接线端子,其中:
- A1和A2是模块电源的接线端子;
- S11和S12是一组安全输入通道的接线端子;
- S21和S22是另外一组安全输入通道的接线端子;
- 13/14是一组常开安全触点,23/24是另外一组常开安全触点,这两组常开触点是立即动作型(instantaneous);
- 37/38是一组常开安全触点,47/48是另外一组常开安全触点,这两组常开触点是延时断开型(delay);
- S34是复位信号的接线端子;
- Y32是安全继电器的输出信号端子;
模块中间靠左部分是6个LED指示灯,其中:
- Power:模块电源LED灯,电源接通时为绿色常亮;
- In1:输入通道1的LED灯,通道闭合时为绿色常亮;
- In2:输入通道2的LED灯,通道闭合时为绿色常亮;
- Out:继电器的输出LED灯,当常开触点闭合时为绿色常亮;
- Reset:复位信号的LED指示灯;
- Fault:故障信号LED指示灯,点亮时为红色;
中间部分有三个旋钮,最上边的用来设置安全继电器的工作模式,下面两个用来设置定时的时间;
2、PNOZ s5的工作原理
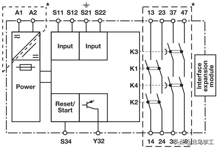
先来看下PNOZ s5的内部原理图:

A1和A2是继电器的电源接线端子,PNOZ s5有两种电压范围的产品:
- 24V DC,订货号:750105,7511005和751185;
- 48~240V AC/DC,订货号:750135,751135;
S11/S12和S 21/S22为安全输入通道,当两路安全输入通道都闭合,并且模块A1/A2正常供电时,右侧的四路常开触点会闭合,此时Y32内部三极管导通,可向外提供24VDC电源,可连接到PLC的输入通道;当安全输入通道任何一路断开时(比如按下急停按钮或打开安全门),立即动作型常开触点(13/14和23/24)会立即断开,延时断开型常开触点(37/38和47/48)会延时设定的时间后断开;当安全输入通道再次闭合时,如果模块设置为【自动复位】模式,则四路输出通道(13/14、23/24、37/38、47/48)将立即闭合;如果模块设置【手动复位】模式,则需要给S34端子一个电压信号才能复位;
怎样设置自动复位还是手动复位呢?
3、PNOZ s5的工作模式及复位方式
PNOZ s5的中间最上方的旋钮可以用来设置模块的工作模式及复位方式,如下图所示:

工作模式包括两种:
- 左侧的"In2+"表示不带触点间短路检测;
- 右侧的"In2-"表示带触点间短路检测;
每种工作模式下,都有四种复位的方式,如下图所示:

4、PNOZ s5的定时设置
PNOZ s5可以设置时间来控制触点37/38和47/48延时断开。
定时时间=时间值x倍数;
时间值是旋钮t[s]的指向的时间数值,单位为:秒;
倍数是旋钮n指向的数值;
举个例子:
假设t[s]选择30,n选择10,则定时时间=30x10=300s,如下图所示:

好了,关于PNOZ s5的使用说明就先介绍这么多,后续如果大家感兴趣会介绍下具体使用例程(比如怎么接急停按钮等)。我的新书《西门子S7-200 SMART PLC应用技术——编程、通信、装调、案例》已经出版,欢迎点击下面的链接查看:
西门子S7-200 SMART编程
¥84.5
购买