什么是压敏电阻器及其分类与参数?
压敏电阻器简称VSR,是一种对电压敏感的非线性过电压保护半导体元件。它在电路中用文字符号“RV”或“R”表示,图1-21是其电路图形符号。

(一)压敏电阻器的种类
压敏电阻器可以按结构、制造过程、使用材料和伏安特性分类。
1.按结构分类 压敏电阻器按其结构可分为结型压敏电阻器、体型压敏电阻器、单颗粒层压敏电阻器和薄膜压敏电阻器等。
结型压敏电阻器是因为电阻体与金属电极之间的特殊接触,才具有了非线性特性,而体型压敏电阻器的非线性是由电阻体本身的半导体性质决定的。
2.按使用材料分类 压敏电阻器按其使用材料的不同可分为氧化锌压敏电阻器、碳化硅压敏电阻器、金属氧化物压敏电阻器、锗(硅)压敏电阻器、钛酸钡压敏电阻器等多种。
3.按其伏安特性分类 压敏电阻器按其伏安特性可分为对称型压敏电阻器(无极性)和非对称型压敏电阻器(有极性)。
(二)压敏电阻器的结构特性与作用
1.压敏电阻器的结构特性 压敏电阻器与普通电阻器不同,它是根据半导体材料的非线性特性制成的。
图1-22是压敏电阻器外形,其内部结构如图1-23所示。


普通电阻器遵守欧姆定律,而压敏电阻器的电压与电流则呈特殊的非线性关系。当压敏电阻器两端所加电压低于标称额定电压值时,压敏电阻器的电阻值接近无穷大,内部几乎无电流流过。当压敏电阻器两端电压略高于标称额定电压时,压敏电阻器将迅速击穿导通,并由高阻状态变为低阻状态,工作电流也急剧增大。当其两端电压低于标称额定电压时,压敏电阻器又能恢复为高阻状态。当压敏电阻器两端电压超过其最大限制电压时,压敏电阻器将完全击穿损坏,无法再自行恢复。
2.压敏电阻器的作用与应用 压敏电阻器广泛地应用在家用电器及其它电子产品中,起过电压保护、防雷、抑制浪涌电流、吸收尖峰脉冲、限幅、高压灭弧、消噪、保护半导体元器件等作用。
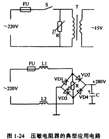
图1-24是压敏电阻器的典型应用电路。

(三)压敏电阻器的主要参数
压敏电阻器的主要参数有标称电压、电压比、最大控制电压、残压比、通流容量、漏电流、电压温度系数、电流温度系数、电压非线性系数、绝缘电阻、静态电容等。
1.压敏电压: 所谓压敏电压,即击穿电压或阈值电压。指在规定电流下的电压值,大多数情况下用1mA直流电流通入压敏电阻器时测得的电压值,其产品的压敏电压范围可以从10-9000V不等。可根据具体需要正确选用。一般V1mA=1.5Vp=2.2VAC,式中,Vp为电路额定电压的峰值。VAC为额定交流电压的有效值。ZnO压敏电阻的电压值选择是至关重要的,它关系到保护效果与使用寿命。如一台用电器的额定电源电压为220V,则压敏电阻电压值V1mA=1.5Vp=1.5×1.414×220V=476V,V1mA=2.2VAC=2.2×220V=484V,因此压敏电阻的击穿电压可选在470-480V之间。MYG05K规定通过的电流为0.1mA,MYG07K、MYG10K、MYG14K、MYG20K标称电压是指通过1mA直流电流时,压敏电阻器两端的电压值。
2.最大允许电压(最大限制电压):此电压分交流和直流两种情况,如为交流,则指的是该压敏电阻所允许加的交流电压的有效值,以ACrms表示,所以在该交流电压有效值作用下应该选用具有该最大允许电压的压敏电阻,实际上V1mA与ACrms间彼此是相互关联的,知道了前者也就知道了后者,不过ACrms对使用者更直接,使用者可根据电路工作电压,可以直接按ACrms来选取合适的压敏电阻。在交流回路中,应当有:min(U1mA) ≥(2.2~2.5)Uac,式中Uac为回路中的交流工作电压的有效值。上述取值原则主要是为了保证压敏电阻在电源电路中应用时,有适当的安全裕度。对直流而言在直流回路中,应当有:min(U1mA) ≥(1.6~2)Udc,式中Udc为回路中的直流额定工作电压。在交流回路中,应当有:min(U1mA) ≥(2.2~2.5)Uac,式中Uac为回路中的交流工作电压的有效值。上述取值原则主要是为了保证压敏电阻在电源电路中应用时,有适当的安全裕度。在信号回路中时,应当有:min(U1mA)≥(1.2~1.5)Umax,式中Umax为信号回路的峰值电压。压敏电阻的通流容量应根据防雷电路的设计指标来定。一般而言,压敏电阻的通流容量要大于等于防雷电路设计的通流容量。
3.通流容量: 所谓通流容量,即最大脉冲电流的峰值是环境温度为25℃情况下,对于规定的冲击电流波形和规定的冲击电流次数而言,压敏电压的变化不超过± 10%时的最大脉冲电流值。为了延长器件的使用寿命,ZnO压敏电阻所吸收的浪涌电流幅值应小于手册中给出的产品最大通流量。然而从保护效果出发,要求所选用的通流量大一些好。在许多情况下,实际发生的通流量是很难精确计算的。简单的讲-通流容量也称通流量,是指在规定的条件(以规定的时间间隔和次数,施加标准的冲击电流)下,允许通过压敏电阻器上的最大脉冲(峰值)电流值。一般过压是一个或一系列的脉冲波。实验压敏电阻所用的冲击波有两种,一种是为8/20μs波,即通常所说的波头为8μs波尾时间为20μs的脉冲波,另外一种为2ms的方波,如下图所示:

4.最大限制电压: 最大限制电压是指压敏电阻器两端所能承受的最高电压值,它表示在规定的冲击电流Ip通过压敏电阻时次两端所产生的电压此电压又称为残压,所以选用的压敏电阻的残压一定要小于被保护物的耐压水平Vo,否则便达不到可靠的保护目的,通常冲击电流Ip值较大,例如2.5A或者10A,因而压敏电阻对应的最大限制电压Vc相当大,例如MYG7K471其Vc=775(Ip=10A时)。
5.最大能量(能量耐量): 压敏电阻所吸收的能量通常按下式计算W=kIVT(J)
其中I——流过压敏电阻的峰值
V——在电流I流过压敏电阻时压敏电阻两端的电压
T——电流持续时间
k——电流I的波形系数
对:
2ms的方波 k=1
8/20μs波 k=1.4
10/1000μs k=1.4
压敏电阻对2ms方波,吸收能量可达330J每平方厘米;对8/20μs波,电流密度可达2000A每立方厘米,这表明他的通流能力及能量耐量都是很大的
一般来说压敏电阻的片径越大,它的能量耐量越大,耐冲击电流也越大,选用压敏电阻时还应当考虑经常遇到能量较小、但出现频率次数较高的过电压,如几十秒、一两分钟出现一次或多次的过电压,这时就应该考虑压敏电阻所能吸收的平均功率。
6.电压比: 电压比是指压敏电阻器的电流为1mA时产生的电压值与压敏电阻器的电流为0.1mA时产生的电压值之比。
7.额定功率: 在规定的环境温度下所能消耗的最大功率。
8.最大峰值电流 一次:以8/20μs标准波形的电流作一次冲击的最大电流值,此时压敏电压变化率仍在±10%以内。2次:以8/20μs标准波形的电流作两次冲击的最大电流值,两次冲击时间间隔为5分钟,此时压敏电压变化率仍在±10%以内。
9.残压比: 流过压敏电阻器的电流为某一值时,在它两端所产生的电压称为这一电流值为残压。残压比则的残压与标称电压之比。
10.漏电流: 漏电流又称等待电流,是指压敏电阻器在规定的温度和最大直流电压下,流过压敏电阻器的电流。
11.电压温度系数: 电压温度系数是指在规定的温度范围(温度为20~70℃)内,压敏电阻器标称电压的变化率,即在通过压敏电阻器的电流保持恒定时,温度改变1℃时压敏电阻两端的相对变化。
12.电流温度系数: 电流温度系数是指在压敏电阻器的两端电压保持恒定时,温度改变1℃时,流过压敏电阻器电流的相对变化。

13.电压非线性系数: 电压非线性系数是指压敏电阻器在给定的外加电压作用下,其静态电阻值与动态电阻值之比。
14.绝缘电阻: 绝缘电阻是指压敏电阻器的引出线(引脚)与电阻体绝缘表面之间的电阻值。
15.静态电容: 静态电容是指压敏电阻器本身固有的电容容量。
-(0k 3$9eU
2 压敏电阻器的应用原理 B5_><|(
压敏电阻器是一种具有瞬态电压抑制功能的元件,可以用来代替瞬态抑制二极管、齐纳二极管和电容器的组合。压敏电阻器可以对IC及其它设备的电路进行保护,防止因静电放电、浪涌及其它瞬态电流(如雷击等)而造成对它们的损坏。使用时只需将压敏电阻器并接于被保护的IC或设备电路上,当电压瞬间高于某一数值时,压敏电阻器阻值迅速下降,导通大电流,从而保护IC或电器设备;当电压低于压敏电阻器工作电压值时,压敏电阻器阻值极高,近乎开路,因而不会影响器件或电器设备的正常工作。 een'WWl
压敏电阻器的应用广泛,压敏电阻主要可用于直流电源、交流电源、低频信号线路、带馈电的天馈线路。从手持式电子产品到工业设备,其规格与尺寸多种多样。随着手持式电子产品的广泛使用,尤其是手机、手提电脑、PDA、数字相机、医疗仪器等,其电路系统的速度要求更高,并且要求工作电压更低,这就对压敏电阻器提出了体积更小、性能更高的要求。因此,表面组装的压敏电阻器元件也就开始大量涌现,而其销售年增长率要高于有引线的压敏电阻器一倍多。 +bKzzB'
预计2002年压敏电阻器的市场增长率为13%,其中,多层片式压敏电阻器市场增长率为20%~30%,径向引线产品增长率为5%~10%。需求主要来自于电源设备,包括DC电源设备、不间断电源,以及新的消费类电子产品,如数字音频/视频设备、视频游戏,数字相机等。片式压敏电阻器已占美国市场销售总额的40%~45%。(0402)尺寸的片式压敏电阻器最受欢迎。0201尺寸的产品尚未上市。AVX公司的0402片式压敏电阻器有5.6V、9V、14V和18V等几种电压范围的产品,它们的额定功率为50mJ,典型电容值范围从90pF(18V的产品)~360pF(5.6V的产品)。MaidaDevelopment公司也生产片式系列的压敏电阻器,但目前只推出了非标准尺寸的产品,1210、1206、0805、0603和0402的产品正在试产。 eBfyQu
Littelfuse公司在2000年底前推出0201的产品。AVX和Littelfuse公司已推出电压抑制器阵列,如AVX推出的MulTIguard系列四联多层陶瓷瞬态电压抑制器阵列(即压敏电阻器阵列)已经被市场接纳。可节省50%的板上空间,75%的生产装配成本。MulTIguad系列采用1206型规格。其中有一种双联元件采用0805规格,工作电压有5.6V、9V、14V和18V等几种,额定功率为0.1J。AVX公司推出Transfeed多层陶瓷瞬态电压抑制器。该产品综合了公司Transguard系列压敏电阻器和Feedthru系列电容器/滤波器的功能。采用0805规格。该组件具有性能优势,更快的导通时间(或称响应时间,在200ps~250ps之间)和更小的并行系数。 6z^X']0
Littelfuse制造的MLN浪涌阵列组件1206规格,内装4只多层压敏电阻器。该产品的ESD达到IEC671000-4-2第四级水平。其主要特性包括:感抗(1nH),相邻通道串扰典型值50dB(频率1MHz时),在额定电压工作状态下,漏电流为5A,工作电压高达18V,电容值可由用户指定。这种MLN贴片组件可用于板级ESD保护,应用领域包括手持式产品、电脑产品、工业及医疗仪器等。 lZ prD=
EPCOS公司推出了T4N-A230XFV集成浪涌抑制器,内含两只压敏电阻器和一种短路装置。该产品用于电信中心局和用户线一侧的通信设备保护。 PS;6g$NM
= 9q(%s\
3.压敏电阻的选用
1、氧化锌压敏电阻器应用原理
压敏电阻是一种限压型保护器件。利用压敏电阻的非线性特性,当过电压出现在压敏电阻的两极间,压敏电阻可以将电压钳位到一个相对固定的电压值,从而实现对后级电路的保护。压敏电阻的主要参数有:压敏电压、通流容量、结电容、响应时间等。
压敏电阻的响应时间为ns级,比空气放电管快,比TVS管稍慢一些,一般情况下用于电子电路的过电压保护其响应速度可以满足要求。压敏电阻的结电容一般在几百到几千pF的数量级范围,很多情况下不宜直接应用在高频信号线路的保护中,应用在交流电路的保护中时,因为其结电容较大会增加漏电流,在设计防护电路时需要充分考虑。压敏电阻的通流容量较大,但比气体放电管小。
压敏电阻器与被保护的电器设备或元器件并联使用。当电路中出现雷电过电压或瞬态操作过电压Vs时,压敏电阻器和被保护的设备及元器件同时承受Vs,由于压敏电阻器响应速度很快,它以纳秒级时间迅速呈现优良非线性导电特性(见图3中击穿区),此时压敏电阻器两端电压迅速下降,远远小于Vs,这样被保护的设备及元器件上实际承受的电压就远低于过电压Vs,从而使设备及元器件免遭过电压的冲击。
2、氧化锌压敏电阻器压敏电压的选择
根据被保护电源电压选择压敏电阻器的规定电流下的电压V1mA。一般选择原则为:
对于直流回路:V1mA≥2.0VDC
对于交流回路:V1mA≥2.2V有效值
特别指出对于压敏电阻压敏电压的选择标准是要高于供电电压,在能够满足可以保护需要保护器件的的同时,尽可能选择压敏电压高的压敏电阻,这样不仅可以保护器件,也能提高压敏电阻的使用寿命。比如要保护的器件耐压为Vdc=550Vdc,器件的工作电压V=300Vdc,那么我们选择压敏电阻就应该是压敏电压为470V的压敏电阻,压敏电压范围是(423-517),压敏电压最大负误差470-47=423Vdc大于器件的供电电压300Vac,最大正误差为470+47=517Vdc小于器件的耐压550Vdc。
选用时还必须注意:
(1)必须保证在电压波动最大时,连续工作电压也不会超过最大允许值,否则将缩短压敏电阻的使用寿命;
(2)在电源线与大地间使用压敏电阻时,有时由于接地不良而使线与地之间电压上升,所以通常采用比线与线间使用场合更高标称电压的压敏电阻器。
3、通流量的选取
通常产品给出的通流量是按产品标准给定的波形、冲击次数和间隙时间进行脉冲试验时产品所能承受的最大电流值。而产品所能承受的冲击数是波形、幅值和间隙时间的函数,当电流波形幅值降低50%时冲击次数可增加一倍,所以在实际应用中,压敏电阻所吸收的浪涌电流应小于产品的最大通流量。
4、应用
图1所示是采用压敏电压器进行电路浪涌和瞬变防护时的电路连接图。对于压敏电阻的应用连接,大致可分为四种类型:
第一种类型是电源线之间或电源线和大地之间的连接,如图1(a)所示。作为压敏电阻器,最具有代表性的使用场合是在电源线及长距离传输的信号线遇到雷击而使导线存在浪涌脉冲等情况下对电子产品起保护作用。一般在线间接入压敏电阻器可对线间的感应脉冲有效,而在线与地间接入压敏电阻则对传输线和大地间的感应脉冲有效。若进一步将线间连接与线地连接两种形式组合起来,则可对浪涌脉冲有更好的吸收作用。
第二种类型为负荷中的连接,见图1(b)。它主要用于对感性负载突然开闭引起的感应脉冲进行吸收,以防止元件受到破坏。一般来说,只要并联在感性负载上就可以了,但根据电流种类和能量大小的不同,可以考虑与R-C串联吸收电路合用。
第三种类型是接点间的连接,见图1(c)。这种连接主要是为了防止感应电荷开关接点被电弧烧坏的情况发生,一般与接点并联接入压敏电阻器即可。
第四种类型主要用于半导体器件的保护连接,见图1(d)。这种连接方式主要用于可控硅、大功率三极管等半导体器件,一般采用与保护器件并联的方式,以限制电压低于被保护器件的耐压等级,这对半导体器件是一种有效的保护。

5、选型原则
如果电器设备耐压水平Vo较低,而浪涌能量又比较大,则可选择压敏电压V1mA较低、片径较大的压敏电阻器;如果Vo较高,则可选择压敏电压V1mA较高的压敏电阻器,这样既可以保护电器设备,又能延长压敏电阻使用寿命。
压敏电阻器主要应用于各种电子产品的过电压保护电路中,它有多种型号和规格。所选压敏电阻器的主要参数(包括标称电压、最大连续工作电压、最大限制电压、通流容量等)必须符合应用电路的要求,尤其是标称电压要准确。标称电压过高,压敏电阻器起不到过电压保护作用,标称电压过低,压敏电阻器容易误动作或被击穿。
6、氧化锌压敏电阻器的使用方法
压敏电阻器是一种无极性过电压保护元件,无论是交流还是直流电路,只需将压敏电阻器与被保护电器设备或元器件并联即可达到保护设备的目的(如图4所示)

当过电压幅值高于规定电流下的电压,过电流幅值小于压敏电阻器的最大峰值电流时(若无压敏电阻器足以使设备元器件破坏),压敏电阻器处于击穿区,可将过电压瞬时限制在很低的幅值上,此时通过压敏电阻器的浪涌电流幅值不大(<100A/cm2),不足以对压敏电阻器产生劣化;当过电压幅值很高时,压敏电阻器将过电压限制在较低的水平上(小于设备的耐压水平),同时通过压敏电阻器的冲击电流很大,使压敏电阻器性能劣化即将失效,这时通过熔断器的电流很大,熔断器断开,这样既可使电器设备、元器件免受过电压冲击,也可避免由于压敏电阻器的劣化击穿造成线路L-N、L-PE之间短路(推荐的熔断器规格见表1)。

压敏电阻器在电路的过电压防护中,如果正常工作在图3的预击穿区和击穿区,理论上是不会损坏的。但由于压敏电阻器要长期承受电源电压,电路中暂态过电压、超能量过电压随机的不断冲击及吸收电路储能元件释放能量,因此,压敏电阻器也是会损坏的,它的寿命根据所在电路经受的过电压幅值和能量的不同而不同。
在电子镇流器和节能灯过压保护的压敏电阻,一般小于20W选用MYG07K系列,30W-40W一般选用MYG10系列的压敏电阻做过压保护
一、压敏电阻的连接线问题
将压敏电阻接入电路的连接线要足够粗,推荐的连接线的尺寸注:接地线为5.5 mm2以上连接线要尽可能短,且走直线,因为冲击电流会在连接线电感上产生附加电压,使被保护设备两端的限制电压升高。压敏电阻通流量≤600A(600~2500)A(2500~4000)A(4000~20K)A导线截面积≥ 0.3 mm2≥ 0.5 mm2≥ 0.8 mm2≥ 2 mm2 例如:若压敏电阻MY两端各有3 cm长的接线,它的电感量L大体为18 nH,若有10 KA的8/20冲击电流流入压敏电阻,把电流的升速看作10KA / 8Μs,则引线电感上的附加电压UL1、UL2大体为
UL1= UL2=L(di/dt)=18×10-9( 10×103 / 8×10-6 )=22.5 V
这就使限制电压增高了45V。
二、压敏电阻的串联和配对
压敏电阻可以很简单地串联使用。将两只电阻体直径相同(通流量相同)的压敏电阻串联后,漆压敏电压、持续工作电压和限制电压相加,而通流量指标不变。例如在高压电力避雷器中,要求持续工作电压高达数千伏,数万伏,就是将多个ZnO压敏电阻阀片迭和起来(串联)而得到的。
压敏电阻可以并联,目的是获得更大的通流量,或者在冲击电流峰值一定的条件下减小电阻体中的电流密度,以降低限制电压。
当要求获得极大的通流量[ 例如8/20,(50~200)KA ],且压敏电压又比较低(例如低于200V)时,电阻体的直径 / 厚度比太大,在制造技术上有困难,且随着电阻体直径的加大,电阻体的微观均匀性变差,因此通流量不可能随电阻体面积成比例地增大。这时用较小直径的电阻片并联可能是个更合理的方法。
由于高非线性,压敏电阻片的并联需要特别小心谨慎,只有经过仔细配对,参数相同的电阻片相并联,才能保证电流在各电阻片之间均匀分配。针对这种需求,本公司专门为用户提供配对的电阻片。
此外,纵向连结的几个压敏电阻器,使用经过配对的参数一致的压敏电阻器后,当冲击侵入时,出现在横向的电压差可以很小。在这种情况下,配对也是有意义的。
三、压敏电阻与气体放电器件的串联和并联
压敏电阻可以与气体放电管、空气隙、微放电间隙等气体放电器件相串联(图10.5a),这个串联组合的正常工作要满足两个基本条件:①、系统电压上限值应低于气体放电器件G的直流击穿电压;②、*点G**火后在系统电压上限值下,压敏电阻MY中的电流应小于G的电弧维持电流,以保证G的熄弧。
这种串联组合具有电容量小,工作频率高;漏电流极小安全性好;以及不存在压敏电阻MY在系统电压下老化的问题,因而可靠性高等优点,但同时也有气体放电器件相应慢所引起的"让通电压"问题。
压敏电阻也可与气体放电管并联,以降低气体放电管的冲击点火电压。雷电与防雷误区
随着电子技术的发展,电子器件已进入大规模集成电路时代。电子设备的功能得以改善,运行的可靠性不断提高,然而防雷的能力却大大地降低了。现在,每年遭到雷击而造成的损失数以亿元计,所以研究保护微电子设备免遭雷电危害已成为一个重要课题。虽然近两个世纪出现了很多的防雷方法和派生出很多防雷器件,但由于对雷电的了解不全面或对器件性能的偏见,往往得不到预期的效果。由于不得其法,浪费了大量资财。本文阐述雷电的成因并指出当前防雷误区,力图打破似乎冻结的防雷方法的规范,以求防雷研究的进展。
1 雷电的形成
1.1 自然界的自由电荷
在电子学中,当人们研究电的现象时发现构成物质的微单元的原子中,围绕原子核高速旋转的外层电子易受外界条件的影响而逸出,使原子缺少电子或者自由电子单独存在而对外部形成电场的带电现象。
金属导体和绝缘体的内部结构区别在于:金属导体中的自由电子内部引力较弱,而绝缘体内部引力较强。所以在金属导体环路中,如加上一种使自由电子逸出的力量(这个力量我们叫电压),由于环路中电压的存在,金属中的电子产生位移式的流动,不过金属内的正负电荷量的绝对值是相等的,一旦去掉加在环路中的电压,环路立即处于中性,没有电子的流动,不再产生电场。
对非环路的金属,比如两块相互平行的金属板,它们之间以空气为介质,如在这两块板上加上电压,金属导体中的电子按同性相斥,异性相吸规律,使电子向一面流动,产生电场,这种现象称为静电现象。这时对某一块金属来说,它们电荷的正负电量的绝对值就不相等了,这时如去掉加在其上的电压,它不像环路那样呈现电中性,却仍保持带电性质,仍然有电场的存在,但是随着时间的推移,这个电场会自然消失。正统的理论解释为*片A**金属的电子通过介质层逐步释放给B片金属的结果,这是以环路电流理论为依据的论点。但是,如果将两块已充了电的金属块瞬间拉开到不可能从A向B释放电子的距离,两块金属会不会永久性地带电呢?事实告诉我们,随着时间的推移带电现象也随之消失,这是什么原因呢?教科书上提到的摩擦起电现象,即绝缘体相互摩擦后,绝缘体出现带电现象,在这种情况下,是否需要两件物体再接触一下才能使绝缘体呈现带电中性呢?事实并非如此,这些悬于空间的带电物体,不管带电性质如何,只要与大地接触一下,带电现象就立即消失。因此这种现象告诉我们,在自然界中,A给B的电荷,A不必从B收回,B多余的电荷也不一定向A输出,这与金属环路电流理论是不相同的。同时可以推定,自然空间(包括大地在内)各种物体电荷的拥有量的绝对值是不相等的,就是说自然界拥有巨大的自由电荷量。
自然界之所以拥有大量的自由电荷,从电势形成概念而言,有电磁效应、化学效应、摩擦起电及射线等诸方面原因,现代科学可以做到测量人脑电流的运动来判断脑的活动。自然界的自由电荷的成因,用能量守恒定律来规范,可以这样说:凡有物质运动的地方(包括宇宙射线),就会产生电子运动并形成自由电荷,这是一种能转换成另一种能的变换过程,所以自然界物质的运动是自然界产生自由电荷的根源。
所谓自然界,包括天空与大地这样广阔的空间,这个空间不存在电荷的中性,就大地而言,我们称之为零电位,但大地本身因物质的运动其电位并非为零,它拥有大量的自由电荷,我们可以做一个简单的小实验:用一副耳机,或者一只毫伏表,两根同金属性质的金属棒,在一定距离内分别将金属棒插入地下,棒与棒之间用耳机可以听到地电荷的噪音,如果接上毫伏表发现有电压指示,而这种指示不因放电时间的加长而消失,单线传输的电话线路,电话的耳机里的噪音也连续不断,这些都说明大地自由电荷的存在。当然用上述方法无法测量天空自由电荷,但是我们用长波和中波收音机收听电台时,噪音干扰也连续不断,以此证明,天空中有不断的放电现象,说明天空中存在丰富的自由电荷,同时又能形成一定强度的电场放电。
这里反复地论证自然界存在自由电荷,其目的是要解释雷电产生的根源,因为教科书上的环路理论不能对雷电成因进行解释。
1.2 雷电场的产生
雷电的能量是巨大的,在人类活动中,任何单一的电站所发出的电能不可能产生一次雷电所释放的能量,那么这样大的能量积聚是怎样形成的呢?
上面说过,由于物质的运动自然界产生巨大的自由电荷,当然这些自由电荷是产生雷电的根源。从电子学中得知,要形成一个强大的电场,一定是其中一方是同性质电荷的积累,但是在天空中空气是绝缘的,同性质的电荷又相斥,它们不可能积聚在一起,不可能形成能量的集中,天空中的物质受气流、宇宙射线的影响而产生自由电荷,且不断增加,在大气层的挤压下向太空高层运动,形成一个电离层,这个电离层是含单性电荷的电子层,其电场的能量是不可估量的。
当大气层中出现潮湿的空气,在上升阶段又遇冷空气结成水状云块时,由于云块可看成是一个整体的导体,在电离层电场力的作用下,云层中的电子推向面向地的一端,虽然云块正负电荷的绝对值相等,但实际上形成了一个静电场,在晴天,云块远距地面而且云块与大地间潮湿空气较稀,它们之间介质绝缘程度较高,不易发生击穿放电现象,但是在雨天,特别是热雨季节,由于云层下降,空气潮湿,在此条件下带电云块击穿空气向大地放电而形成雷电。
雷电不单纯是空间对地放电,往往在空间也会形成雷电。这是因为带电云块在空间的位置较高,当地面的潮湿空气急速上升时,它与带电云块形成的电场在空间放电,形成高空雷电。
上面说过,云块受电离层电场力的作用产生静电现象,这些云块向地放电以后,其本身产生电离即云块的正负电量的绝对值不相等,形成带电现象,带电云块随着气流运动与另一云块形成电场,当它们逐渐接近时产生放电现象是形成空中雷的原因,当我们观察雷电在空间放电时,往往是一次接一次有连续不断的感觉。
1.3 雷电过程
雷电过程也是静电理论中阐明的电场中介质击穿过程。上面说过雷电的成因,雷电是带电云块在运动过程中放电的现象,其放电位置不是固定的,但有一定固定的条件。比如电场中介质的厚度、绝缘系数、气体温度和地表导电系数都影响雷击地点。我们常说的多雷区应该说该地区具备上述诸因素中的几种。但是有人认为雷电是在本位置产生的,这是一种误解。道理很简单:因为在本地区又有什么力量积聚这么大的能量呢?应该是带电云块在运动过程中放电形成雷电,当然在带电云块的作用下,在什么地方放电与地面的前述条件有关,以地貌而言相对高度越高应该说越易遭雷击,这里指的是高建筑物、高山及地表凸出处,但也不一定就在这些地方出现雷击,因为在电场中介质参数不单纯是指厚度,还取决于绝缘系数即环境的温度和气体的温度。我们发现,往往雷击点不在山顶而在平川,这是因为那里的潮湿空气和气温使电场介质的绝缘低于高山而遭雷击。另外,地表的导电也有影响,良好的导电地质比难以导电的地质所产生的雷电场就大得多,所以易导电的地质易于引雷。
雷电场是一个巨大的静电场,是人类不可建造的。巨大的电场面积和所积聚的巨大能量是不可估量而又不可测量的,人们往往在雷电以后,从被雷击的物体破坏的程度估计它的大小。对于雷电流用数以亿安计的词来形容是不过份的,雷电场在放电过程中与静电场放电有相似的地方,但也有差别,人为形成的静电场其储能是极为有限的,所以它在放电过程中放电电流是从最大值逐步减弱,而雷电场就不同,由于储能巨大,在放电时因通过空间的阻力开始阶段不可能使电场减弱,而是在放电时空气加热以后放电电流达到最大值,再随着电场的减弱放电电流随之下降。所以雷击过程中雷电流是从小到大再减弱,就电的性质而言,由于它是一个静电场的放电,电流的方向是不变的,所形成的是一个幅度巨大的脉动直流电流。
所以雷电流的主要分量是直流分量,但脉动部分和雷电流与空气及地接触时产生的热骚动形成的谐波和高次谐波的电磁能量也相当大,所以雷电过程中的交流分量也不可小看,雷击过程中,从低频直至米波段这样宽的频谱均受不同程度的干扰,从谐波理论得知,低频段所受干扰较为严重。
如果我们将地面的物体置于某一位置,雷电对这一物体产生的干扰可分为感应干扰和直接干扰。某一物体不在雷电场内,但由于雷电在放电过程,它所产生的强大电磁波使这一物体受电磁波的冲击,这样的雷我们称“感应雷”,当某一物体置于雷电场内,而且物体又作为雷电流的导电体,巨大的电流通过该物体使物体遭到严重破坏,这种直接置于雷电场受到雷电的冲击,我们称这种雷为“直接雷”。以现代微电子来说,不管感应雷还是直接雷对微电子器件都会造成永久性的破坏。
2 防雷的误区
2.1 避雷针与避雷器
19世纪后叶,人们发现金属导体尖端放电现象。避雷针是典型的利用尖端放电原理做成的防雷装置,在被保护物体上架设一根金属针,并将它与地相通。它是怎样避雷的呢?解释是这样:当避雷针置于空中对地这个雷电场时,由于避雷针与大地有良好的接触,此时电场能量通过避雷针放电,雷电场消失,使它不发生大电流的放电,从而起到消雷的作用。但是这种解释也有不清楚的地方,即位于强大的雷电场下的避雷针,能否按人们的意愿慢慢地放电使雷电场消失呢?从电学原理也说不通。因为强大的雷电场就像*药炸**缺少引信一样,避雷针所指的空间就像引信,由于避雷针的引导会一触即发。因为其高度和良好的接地条件要优于其它位置,同时尖端形成的电场又大于其它地方,所以强大的雷电场以避雷针为中心放电区,如果说避雷针本身不具有电抗,接地电阻又达到零值,数以亿安计的雷电流可以顺利通过它,不会形成热效应和雷电位,便可达到避雷目的。但避雷针本身和引线存在着电抗,接地电阻不可能为零,所以雷击过程中,它没有避雷能力,只起到雷击位置的引导作用。人们认识到这一点,但对避雷针有所偏爱或者说对雷电成因不理解,他们将雷电解释为是本位置产生的,就是说讲不清楚的原因,在避雷针设置的地方和相对的空间形成电场,由于避雷针逐步放电而使这一电场建立不起来,所以避雷针起到消雷的作用。事实上从20世纪以来人们对避雷针的避雷作用公开地提出了质疑,因为避雷针成为引雷针的事件屡见不鲜。
然而避雷针在下述情况能发挥一定作用,当带电云块的电量很小,而且又远离地面与大地形成不太强的电场时,避雷针对其电场逐步放电达到消除这个电场的目的。地面有些物体与大地是绝缘的,比如木质结构的古建筑物,在感应雷和直接雷的作用下,可能会带上静电,由于静电的存在可能引起火灾,如果在这些物体上架设避雷针,就可使建筑物与大地形成等电位,避免这些物体在雷电场作用下带静电。
但是,现代的建筑物几乎都是钢筋水泥结构的,它与大地已形成了等电位,显然架设避雷针是多余的。但是现在的建筑物仍沿袭老规矩架设避雷针,其原因很明显,主要是责任和规范问题。说句实话,不设避雷针谁能保证该建筑物不受雷击?安装了避雷针而遭雷击是老天爷的事,责任不在人。
几乎在出现避雷针的同时,在输电线上人们利用尖端放电现象发明了尖端放电避雷器,两个尖端所形成的电场在一定间距内放电,这个间距的大小可以设定在一定电压下放电,于是将它安装在输电线上,使雷电的超压值通过此放电器引导入地达到避雷的目的。20世纪初叶,输电线上普遍安装了形似羊角的羊角避雷器,但是由于羊角避雷器在泄放雷电过程中,空气被加热引起电弧不断,虽然有引导电弧上升的形态,但雷电过后,电路不能正常供电。于是在尖端放电的基础上加了对电压敏感的电阻元件,此元件在超过额定电压时呈现的电阻小,反之阻值增大,对过压引起的电流起到开关作用,这种避雷器称“阀型避雷器”。按压敏原理又派生出气敏和氧化锌器件。
不管羊角型、阀型、气敏和压敏避雷器,它们的结构企图达到一个目的:使输电线上的过压值,通过这些器件,箝位在人为的整定值上,从而使用户设备的端电压不超过额定电压,确保用户设备的安全。
2.2 避雷器件用在不同电路中的反应
现在形形色色的避雷器,如果单纯地就其本身结构来判断是否有防雷作用是不全面的,还要看这些器件用在什么电路。下面介绍几种电路在雷电过程中的反应:
(1)高压输电线雷电势的分布与过渡
高压输电线是三相三线制,线对地是绝缘的。不管输电线受感应雷或直接雷影响,在三线中的雷电势的电位和相位均是相同的,线与线之间的电位差等于零。所以当雷击高压输电线时,主要危及输电线及其在线路上运行的变压器的对地绝缘。在三线的输电线中,由于各种原因三线对地绝缘系数不尽相同,特别是高压侧的避雷器绝缘性能更难求得一致,所以在雷击过程中会出现一线首先向地放电现象。由于一线放电,该线雷电位迅速下降,此时另外二线的雷电位就高于放电线,线与线之间就出现了雷电位差,这个电压通过变压器高压侧绕组,低压侧(即变压器副边)就由于电磁感应出现雷电压,这个电压很高时就危及用户设备的安全。
(2)低压输电线雷电势的分布与过渡
低压为三相四线制,零线与大地相连,雷电发生在低压电线时,由于零线本身存在着电抗,接地电阻不可能达到零值,四线上的雷电都向地放电,此时的低压输电线首先是零电位急剧上升,当然相线由于零电位上升而相应上升,而且每相向零线放电时,都是通过用户设备进行的,由于各自的负载不同,相应的雷电位也不尽相同,这样又出现了相对零线间和相间的雷电流。所以当雷击低压线时,对用户设备造成破坏的一是对地绝缘,二是超压过载,往往由于零线电位升高而破坏用户绝缘的故障最明显。
(3)小电流电路
所谓小电流电路系指电源功率容量小、电源内阻高的电路网络,这种电路我们常见的如电话外线及电子线路本身。
上面说过,目前的防雷器件是由尖端放电和压敏原理派生,这些器件用于线路超压保护时,接线方式一般为线间并联及线与地间并联,这种器件在小电流电路上是能有效地箝定超压电流的,因为小电流电路功率容量小,电源内阻高。比如:当雷电冲击电话用户时,雷电流通过用户线倒传到交换机的终端,如果交换机终端安了压敏器件,压敏器件对雷电流进行泄放时,电话线路由于阻值大将雷电流给予限制,因此压敏器件能箝定在它的阈值上。在电子电路中,我们常见在稳压二极管的前面串联一只电阻,这只电阻是限流电阻,也可看成是为增加电源内阻而设定的,由于此电阻的限流,稳压二极管就能将电压箝定在它的阈值上,但负载电流不能大,否则稳压值低于阈值,所以在小电流电路中,使用压敏器件进行电压的箝位能有效地防止雷电的冲击,就是说防雷效果是显著的。
(4)大电流电路
大电流电路一般指电源电路,这种电路的特点是功率容量大、电源内阻小。如果在这样的电路上使用压敏器件并联在线路上,力图用压敏器件的过压放电特性,将过压值箝定在压敏器件的阈值上显然是做不到的。雷电要在电源电路形成超压状态,它的功率能量必须大于电源电路的能量,这样一个巨大的能量由压敏器件泄放而器件本身不损坏是不可能的,这是其一;其二,由于电源内阻小,就是在压敏器件放电过程中,压敏器件两端电压不会低于线路的过压值,这样用户设备同样受雷电过压的冲击。
现在市面上有些设备号称具有防雷功能,单纯的将防雷器件和整机并联在电源上,并在电源电路上串联保险丝。制作者们认为在雷击过程中,压敏器件放电而使电路过流而熔断保险丝,达到避雷的目的。这样的接线,对功率器件即电机和电力变压器有一定的避雷作用,但对于微电子设备没有防范功效。前面说过加在压敏器件上的过压值同时加到了用户设备上,而且由于电源内阻小,电压不会因此而降落很多,另外,保险丝是一个热元件,有一个熔断时间,所以用保险丝与压敏器件配合的避雷器装置,对于微电子设备而言是不可取的。
要使压敏器件在电源电路上发挥避雷作用,只有增加电源内阻即在电路上串联电抗元件,但是由于这个电抗元件使电路在正常工作状态下,降低了工作电压,同时又随负载的变化而波动使此电源不能使用,所以当今防雷问题的焦点几乎在电源线引雷问题上。
由于电源线上不能串联电抗元件,但又要使用压敏器件泄放雷电流,于是有人从雷电频谱入手,提出了雷电的浪流现象。什么是浪流呢?雷电如水浪一样来势凶猛,下降迅速,认为这样一个冲击电流主要分量在高频,所以在电路上使用毫亨级的电感就能防止浪流。当然毫亨级的电感对于50Hz的电源频率几乎不形成有影响的电抗。但是前面说过,雷电是静电场的放电现象,主要分量是直流,谐波频率较宽。这个交流分量很小,所以把雷电频谱定在高频是不对的,因此使用高频电感的方法要获得较好的防雷效果是不可能的。
当前对于微电子设备的防雷方法使用1∶1变压器,普遍认为具有较好的防雷效果,为什么能得到这样的效果呢?认为:它能阻止浪流,起隔离作用。但这种解释没有说到点子上。应该是1∶1隔离变压器将大功率容量的电源变成了定功率容量的电源。由于变压器具有磁饱和效应,如果在它的副边并接压敏器件,由于功率容量受到限制,压敏器件能将电压箝位。因为现在生产的氧化锌压敏器件瞬间电流可达数千安培。