1.电路结构
本功放采取前胆后石结构见图a,

前级为J级高频双三极电子管6N8P,接成 SRPP电路形式,后级选用美国NS公司的新型集成功放LM4766,内含两路高品质功放电路, 并具有完善的保护功能。
在前后级之间插入以LM4610为核心的音调控制电路,该电路设有 高低音、声道平衡及音量控制,且实现单联电位器的直流音量调节,同时,还设有3D及音 乐直通功能。
2.制作及元器件选择
(1)前级部分
在一块5cm×10cm的敷铜板上固定两只6N8P用的镀金管座,根据前级线路将各元件搭 棚焊接。电阻R1、R2选用1/4W,R3、R4、R5选用1W的五色环金属膜电阻。
(2)功放部分
电路中各电阻除注明外均用1/4W的五色环金属膜电阻。小容量电容为红色WIMA型, 负反馈网络中的隔直流电容为红宝石,电感L1、L2用φ1mm的漆包线在笔筒上密绕10匝
后脱胎而成。本功放后级增益为25dB左右,此时听感最佳。
(3)音调部分
音调部分可采用LM4610制作成音调板,也可直接邮购成品板。
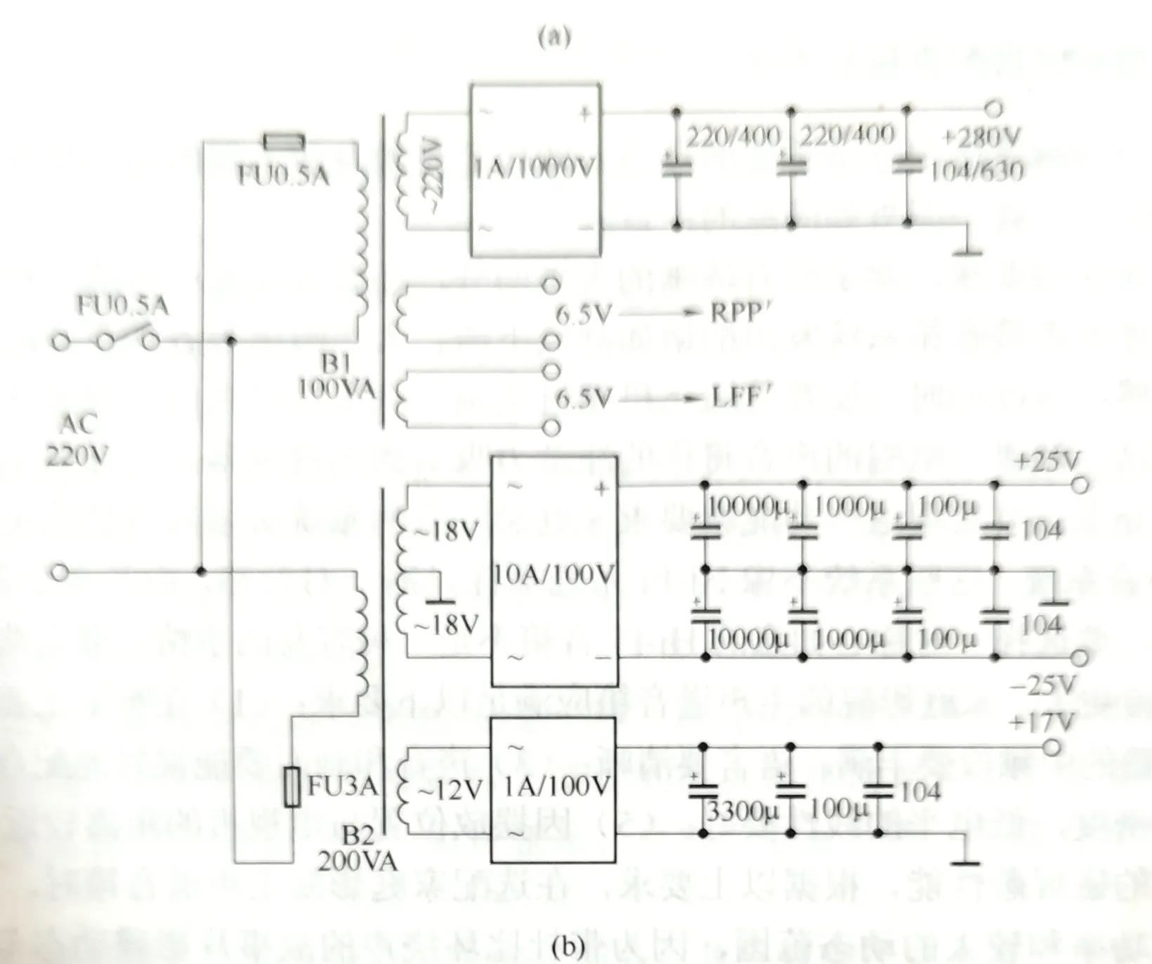
(4)电源部分
电源部分电路图b。

3.整机组装
首先将各板四角打孔,用直径合适的螺栓将其架空并固定于机箱(自制金属机箱)内, 应将前级及音调电路尽量远离电源变压器和整流滤波电路。
用薄铁皮将各变压器与电路板隔 离形成各自小室,并与机壳相连,此举可使电源部分的干扰降至最低。整个电路采用一点接地方式,即先从各板的滤波电容零电位处以粗壮的黑色导线引出后汇集于一点,然后接机壳, 具体接地位置须经反复试验,以噪声最低为最佳接地点。
整机制作完工后,可空载接通功放电源,测量各直流电压应与设计值相符,功率输出端 应为0V或在允许值范围内,手摸各元器件无明显温升。证实无误后,即可接入音源及音箱 试听,此功放适合与低音单薄的中小型书架箱搭配。