电工最最基础的电路,一共有三个,分别是:电机正反转、电机异地控制、电机顺序启动。也是电工入门的三张电路图。之所以这三张称之为基础,并不一定是它们在实践中的使用率有多高,而是图中的控制方法最基本,同样的控制办法,可以套用到所有电路中。
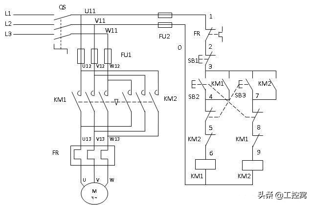
今天,我们着重来看电机正反转的电路,电路图如下:

在这张电路中,我们需要掌握的知识,主要是二次回路中的互锁和自锁。主要电气元件分别为:按钮SB2、按钮SB3、接触器KM1、接触器KM2。
该图实现的效果为:闭合总开关,按下按钮SB2,电机正转;按下按钮SB1,电机停止;按下按钮SB3,电机反转。在电机转动的过程中,按下SB2或SB3电机均无反应;同时按下SB2和SB3电机无反应。
在学习自锁和互锁之前,我们首先要了解接触器的一个特点——常开点和常闭电。在线圈不通电的情况下,常开点为断路,常闭点为通路;线圈通电后,常开点闭合,同时常闭点断开(线圈通电吸合)。图中,“5”和“8”下面的KM1,KM2为接触器的常闭触点;“4”和“7”右边的KM1,KM2和主回路中的KM1,KM2一样,都是接触器的常开触点;“6”和“9”下方的KM1,KM2为接触器的线圈。

电机正反转是如何实现的呢?
当KM1吸合,KM2断开后,电机转动,我们把这个方向称为“正转”;当KM2吸合,KM1断开后,如上图,L1,L2,L3三相电的方向与KM1吸合时正好相反,因此电机与刚才的转动方向相反,我们把这个方向称之为“反转”。
完成这个动作之后,我们发现了一个问题,就是当KM1和KM2同时闭合,就会发生短路事故,为了避免这件事情的发生,我们使用了今天要学习的一项知识——互锁。
上图电路中,当SB2闭合时,该回路通电,线圈KM1通电时,会造成接触器KM1中所有的闭点变为开点,开点变为闭点。因此,编号“8”处的KM1常闭点断开,此时即使按下按钮SB3,也不会使该回路通电,从而避免了主回路中KM1和KM2同时吸合造成的事故。是为互锁!
我们再看电路图,若SB2作为按钮,接通后就会马上断开,此时,由于线圈通电,KM1已经闭合,并不会影响电机的正常转动。是为自锁!
此时还有最后一个问题,即SB2和SB3同时按下,我们看到电路图中SB2和SB3均有一条虚线连接,虚线下端的常闭点是按钮的,当SB2或SB3按下是,它们的常闭点同时会断开。从而避免了两个按钮同时按下造成的事故。是为按钮互锁!实际操作中按钮互锁的运用比较少,主要还是接触器的互锁用处多。