
施工放线
放线是一个土木人都要会的知识和技能;
放线
工作
施工测量准备工作
一) 熟悉图纸,了解设计意图,掌握图纸的各有关数据。如总平面图的定位尺寸,建筑物的轴线尺寸,基础图的各部位尺寸。在熟悉图纸时应随时做好记录,以便在具体测放工作时查找。
二)现场踏勘,全面了解现场的水文地质、地形、地貌情况、检查,核实建设方所提供的原有测量控制点,并办理与建设方对测量点的确认工作。根据测量控制点,放出现场平整线。以便为测量施工提供条件。
三)检查校正测量仪,如经纬仪、全站仪、水准仪、标尺、钢尺等,在使用前都应做好校正工作,以保证测量精度。
四)制定测量计划,按施工进度要求,精度要求,制定测量方案,根据图纸中数据计算和绘制测量草图。
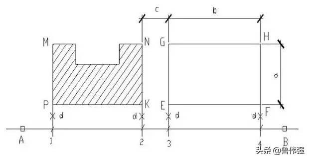
五)建筑物的定位,根据建筑基线或原有建筑物定位(如图1-1)

图1-1 建筑基线定位
六)根据总平面提供的定位关系尺寸,定位时先将原有建筑物的MP、NK延长在AB上交得1点和2点,确保1、2点在AB直线上,由2点量至3点,再由三点量至4点。
七)分别在3、4点安置经纬仪测量90°而测定出EG、FH方向线。在该方向线上分别测定出E、G、F、H点,该方法也适用于只有原建筑,没有建筑基线A、B的情况,只要先按一定的距离由原建筑假设AB直线即可。

图1-2 建筑方格网定位
八)根据建筑方格网定位(如上图:建筑方格网定位图和下表所示)

在建筑场地的方格网,根据建筑物坐标用直角坐标法测量。
1、由A、B点的坐标值算出建筑物的长度值a各宽度值b。
即 a=268.24-226.00=42.2m
b=328.24-316.00=12.24m
2、在m点安置经纬仪,照准N点在MN直线上测定A',B',即
A'=MA'=226-200=26.00m
B'点由A'点再量取建筑物的长度a=42.2m
3、分别在A'、B'点安置经纬仪,测90°,并在视线上分别量取AA'=316.00-300=16m.得A、B点,再由AB点量取建筑物宽度b=12.24m。得C、D点。
放线
工作
建筑物的放线

图 2-1
龙门架设置步骤:
1、在建筑物的拐角处和中间隔墙的两端槽外1.5~2.0m处设置龙门桩,桩要竖直、牢固,两桩应与基槽平行。
2、用水准仪在每个龙门桩上引测建筑物±0.00标高线,并在标高线位置钉设龙门板,龙门板顶面要平直,正好处于±0.00标高位置。
3、用水准仪校验钉好的龙门桩标高,并在中心桩上安置经纬仪,将各控制轴线引测到龙门板上,并钉小铁钉作为轴线标记。
4、用钢尺沿龙门桩板顶面检查中心钉间距,其误差不得超过1/2000。
5、根据中心钉,将墙宽、基础宽标画在龙门板上。最后根据基槽上口宽拉线,用石灰撒出基槽开挖的白灰线。
放线
工作
施工工程中测量控制
一)基槽开挖深度控制
当基槽开挖接近基底标高时,在基础拐角处3~4m位置,在槽壁上每隔一段距离设置一个水平控制桩,一般比基槽设计标高高出0.5m~1.0m,用于拉线找平基础底标高。
二)开挖达到设计标高的控制标记
在开挖达到设计标高后,一般每隔2.3m钉一30×30见方小木桩打入基底,并在小木桩周围撒上白灰点或白灰圈作为基槽开挖到位标记。
三)基础放线
1、在基槽开挖完成后,必须复核槽底的标高及几何尺寸,确认无误后准备砼垫层施工,砼垫层完成后进行基础放线。
2、首先在控制桩 I 安置经纬仪,对中、整平后照准轴线另一端的控制桩 I'的小钉。固定水平制动螺旋,并使望远镜上下移动,从槽底层的另一端开始向另一端投测轴线标的记点。
3、弹线(轴线)
每隔一段测一个点(一般不超过3米)用红笔点圆点。圆点外用红笔画圆圈标记,以便清楚位置。最后将各点用墨线弹成一条直线,此线为主轴线。
4、其它轴线的弹法(如图3-1所示)

图3-1 基础弹线
1-孔洞位置;2-中心轴线;3-砌转大放脚;4-基槽边界线
根据垫层上已弹出的主轴线,测量建筑物其它细部轴线时,由一个主轴线的交点为0点,沿主轴线量出细部轴线距离,将细部轴线的两端对应点弹成墨线。最后完成所有轴线的弹线。
5、细部线的弹法
按图纸所标注的基础宽度,由轴线向两侧量距,定出边界点,再弹出墨线,即为基础宽度线。最后将图纸标注的洞口位置、管井位置、门洞位置、墙、柱尺寸等弹出墨线。
注意:
1)偏轴线尺寸
2)洞口、预留口标高的(地面标注)。
3)预留插筋高度、位置。
四)首层墙体施工放线
当基层完成后,用控制桩将线引到砌好的基础墙截面上。
1、用小白线将轴线两端与控制桩对点拉通,对照拉通线每隔一段用红笔标一个圆点,然后将各点连续用墨线弹成该墙的轴线。用同样的方法将所有的轴线都弹出来。
2、在弹线时对已砌好的基础墙进行复验,利用主轴线检查基础有无偏移,防止出现半边墙跨空现象(见图3-2),同时还需注意整个建筑物轴线总长误差应控制在1/2000-1/5000范围内。

图3-2 基础墙错位
3、门窗洞口放线
A、门的位置在基础墙平面上画出;
B、窗的位置一般在基础的侧面画出;
C、窗台、门口、洞口的规格尺寸(长×宽×高)及标高一般在皮数杆上反映(见图3-3)

图 3-3
4、皮数杆的设置
在砌筑施工中,墙身各部位的标高是用皮数杆来控制的。皮数杆是根据建筑物剖面图的标高而设定的。内容包括:窗台、门窗洞口、过梁、雨蓬、圈梁、楼板等构件的标高位置。
皮数杆一般设在建筑物的转角和隔墙处(见下图)

立皮数杆先在地面上打一桩,并用水准仪在桩上测出±0.000标高。将皮数杆上的±0.000与桩上的±0.000线对齐钉牢。皮数杆钉牢后用水准仪进行复核,并将皮数杆立垂直。(如上图:皮数杆设置图)
5、高程传递
1)当墙体砌到一步架高时(1.2M),用水准仪在室内墙所有墙面上测定一条距室内地坪0.500M高的水平线,称为“建筑50线”。作为该楼层所有标高的控制线。二层及以上各层的标高传递应以首层为50线依据,竖直量取,每栋建筑物应由三处分别向上传递,标高传递的允许误差每层±3mm,总高H≤30m应为小于±5mm,总高30m<h≤60m应为小于±10㎜。< span=""></h≤60m应为小于±10㎜。<>
2)施工层找平之前,应先校测从首层用钢尺传递上来的三个标高点,当校差小于3㎜时,取平均点,再用水准仪后视该点抄测该层50线,并弹好墨线,传递位置一般在垂直贯通的地方(如楼梯间、外墙等)。
放线
工作
施工工程中测量控制
一)近十年建筑的特点:
1、规模大,分期分段施工。
2、结构复杂、层数多、基础深、机械化施工进度快、设备多样化、安装精度高。
二)高层建筑测量的特点:
1、由于建筑物层数多,高度高,结构竖向偏差直接影响工程受力情况,故施工测量中要求竖向投点转度高,所选用的仪器和测量方法要适合结构类型、施工方法和场地情况。
2、由于建筑物结构复杂、设备和装修标准较高,特别是高速电梯的安装,对施工测量精度要求也高。一般在设计图纸时有说明,总的允许偏差值在施工过程中还产生误差,只能控制在总的偏差值之内。
3、由于建筑平面、立面设计新颖又复杂多变,故要求开工前先制定施工测量方案、仪器配备、人员配备,方可施工。
三)先进测量仪器
全站仪的基本操作方法:全站仪是光、电、机、算、贮等功能综合构造精密的自动化仪器。
四)操作步骤:
1、安置仪器,对中定平测仪器高。
2、开机自检,纵转望远镜进行初始化。
3、输入参数,主要是棱镜常数、温度、气压等气象参数。
4、选定模式,主要是测距单位、小数位数及测距模式,每度单位及测角模式。
5、后视已知方位,输入测站已知坐标及后视已知方位。
6、观测前欲求点位,一般由四种模式:测角度、测距、测点的极坐标、测点位。
7、应用程序测量。(机内存有各种测量程序)
如:
A、按已知数据进行点位测设施;对边测量。
B、观测两个目标点,即可测得其两点的斜距离、水平距离、高差及方位角;
C、面积测量;
D、后方交会;
E、导线测量。
五)施工测量的准备工作:
1、校定与检校仪器、钢尺:
2、了解设计意图,熟悉施工图纸;
3、校核红线桩、定位桩、水准点;
4、制定测量方案。
六)建立拟建小区的平面与高程控制网
1、控制网应均布全区,间距30~50M为宜,网中应包括场地定位依据的起始边、建筑物交点、主轴线、弧形建筑物的圆心点(或其它几何中心点)和直接方向(或切线方向)

控制方格网
2、便于使用要测量组成与建筑物外廓平行的闭合图形,以便于控制网的闭合;3、控制桩之间应通视、易量,其顶面应略低于场地设计高程,桩低于冰冻层,以便长期保留;
4、精度根据《工程测量规范》、《高层建筑混凝土结构技术规程》及《施工测量规程》规定,一般场地控制网主要技术指标应符合下表:

5、网形:
常用的有以下几点:
矩形网,也叫建筑方格网;
多边形网,对于三角形、梯形或六边形、非矩形建筑物适用;
主轴线网,与建筑物轴线平行或垂直“十”字形、“井”字形。
6、高层建筑的基础施工过程中的测量工作:
根据所建立的平面和高程控制网,结合基础平面图和施工方案,确定土方开挖上口灰线,采用极坐标或直角坐标方法计算出所测量数据进行现场放样,在土方开挖过程中,要严格控制槽底标高。
大型基础采用机械开挖,要预留人工清槽厚度,一般不少于200MM,以防扰动地基。
如果基础较深要用水准仪向槽底引测2~3个标高控制桩。
测量人员要注意开挖边坡、地下管线等,以防蹋方和挖断市政管线。
土方开挖后,要把控制线投测下去,检查槽底平面尺寸,放出电梯基坑、集水坑等位置线。要考虑到外墙的施工作业面。
在进行人工清槽时,用小木桩在槽底抄测3*3M的方格网,拉小白线进行清槽。
经勘察、设计、甲方、监理、质检验槽合格后,方可进行下道工序施工。
7、在主体施工过程中的测量控制
建筑物施工到±0.000时,把控制线投测到地下室顶板上,根据标准层的结构改作内控点.
内控点的划分依据是施工流水段、施工方案、施工图纸。
每个流水段应设成规则的闭合图形的内控点。(工地上使用最多的是矩形)
随着楼层的不断升高,每层的主控线应由首层控制点用铅垂仪或线坠投测到作业面,用测角与量边检查投测到作业层的闭合图形。
以检查闭合后的主控线,做为各层作业面的放线依据,根据图纸及设计变更放出墙边线、墙身控制线、门窗洞口线。
见附图

主控线与墙体控制线
随着工程进度在每层的外墙弹出外墙大角线、门窗洞口中线。

建筑施工水平1m 线外墙大角控制线
在每层墙体模板拆除后及时弹出建筑标高线50线或1M线,以控制顶板的标高。

采用水平 管抄测1m水平线

石膏线安装线
根据建筑物的高度和仪器的测量精度,一般在建筑物高度超过30M时,将控制点向上引测重新作控制桩。
8、建筑物轴线竖向投测方法;
1)外控法;既在建筑物外用经纬仪竖向投测,一般适用于多层建筑,常用有a;延长轴线法。b;侧向借线法。c;正倒镜挑直法。
2)内控点;既在建筑物内用铅直接原理将轴线投测到施工层上,多适用于高层建筑,常用方法有a.吊线坠法;b.激光垂准仪法;c.经纬仪天顶法;d.经纬仪天底法
9、高层建筑标高传递
在首层墙面上抄测一圈建筑50线,然后用钢尺沿垂直处墙、电梯、楼梯向上直接量取中,每层不少于3个点,误差不超过3㎜取,抄测各层建筑50线标高,如果标高超过尺长,要作二次传,即在50米高度以内的楼层作二次传递点,传递标高不能逐段传递,避免累记误差。
10、沉降观测:
(1)作用:
- 1)监测施工对临近建筑物安全的影响;
- 2)监测施工期间施工塔吊与基坑护坡的安全情况;
- 3)监测正在施工的工程,施工是否符合预期要求,为有关地基基础及结构设计是否安全、合理提供沉降观测数据;
- 4)监测高低跨之间的沉降差异,以决定后浇带何时浇筑。
(2)特点:
- 1)精度要求高;
- 2)观测时间性强;
- 3)观测成果可靠,资料完整;
(3)操作要点:
- 1)人员固定;
- 2)仪器固定;
- 3)观测路线固定。
放线
工作
测量验线工作
一、验线工作应主动预控
1、验线工作要从审核施工测量方案开始,在施工的各主要阶段前,均应对施工测量工作提出预防性的要求,以做到防患于未然。
2.验线的依据应原始,正确有效
主要是设计图纸变更洽商与定位依据定位(如红线桩、水准点等)及其数据(如坐标,高程等)要原始,最后定案有效并正确的资料。因为这些都是施工测量的基本依据,若其中有误,在测量放线中是很难发现的,一旦使用后果是不堪设想的。
3、测量仪器与钢尺必须按计量法规定进行检定和检校
1987.02.01其实施的《中华人民共和国计量法实施细则》第二十五条规定:“任何单位和个人不准在工作岗位上使用无检定合格印证或者超过检定周期以及经检定不合格的计量器具。”例:经纬仪、水准标尺的检定周期为一年。例:J6型经纬仪的2C≤16”,数值度盘指标差i≤15 ” 。水准仪,全站仪,钢卷尺的检定周期最长不超过一年,例如:DS3级水准仪视准轴不水平的误差i≤12 ” 。
4、验线的精度应符合规范要求,主要包括:
- 1)仪器的精度应适应验线要求,有检定合格证并校正完好;
- 2)必须按规程作业,观察误差必须小于限差,观测中的系统误差应采取措施进行改正;
- 3)验线成果应先行校核。
5、验线工作必须独立,尽量与放线工作不相关,主要包括:
- 1)观测人员;(即放线人与验线人应不是同一人);
- 2)仪器;(即验线所使用的仪器精度不低于放线所用的精度)
- 3)测法及观测路线;验线人员的观测方法及观测路线与放线人员不同。
6、验线部位。应为关键环节与最弱部位,主要包括:
- 1)定位依据桩及定位条件;
- 2)场区平面控制网,主轴线及控制桩(引桩)
- 3)场区高程控制网及±0.000高程线;
- 4)控制网及定位放线中的最弱部位。
7、验线方法及误差处理:
(1)场区平整控制网与建筑物定位,应在平差计算中评定其最弱部位的精度,并实地验测。精度不符合要求时应重测;例如:三级建筑物平面控制网的测角误差±24”,边长相对中误差1/8000。
(2)细部测量。可用不低于原测量放线的精度进行验测。验线成果与原放线成果之间的误差应按以下原则处理:
1)两者之差小于1/√2 限差时,对放线工作评为优良;
2)两者之差略小于或等于 √2限差时,对放线工作评为合格;
3)两者之差超过2限差时,原则上不予验收,尤其是要害部位。
8、五项基本限差:
1)各部位放线的允许误差:

2)基线放线尺寸的允许误差

3)轴线竖向投测的允许误差

4)标高竖向传递的允许误差

5)建筑方格网的主要技术指标
放线
工作
细部线的检验方法
一)细部线的检验方法:
1、施工测量验线的主要任务是对正测设于实地的建筑物细的正确值及精度进行检测的工作。
2、细部线的验线依据首先是图纸,依此检查施工层的线是否按图施工,根据主轴线有钢尺拉通尺检查各轴线及墙等边线尺寸,误差是否在允许值之内细部轴线位置,是否正确或用经纬仪进行转90角校测,也可用钢尺拉对角线校核。竖向标高的检验方法从起始高程向施工层传递三处标高点,较差在3㎜之内算合格,每层的标高相对误差应在±3㎜之内。
二)实物线的放法与检验方法
放法:
首先校核定位依据桩,熟悉及校核图纸,根据定位坐标或定位条件,采用极坐标方法进行相关数据的计算,采用一定的观测方法观测顺序,各建筑物的角点(或控制点)。
检验方法:
1、验定位依据桩位置是否正确,有无碰动;
2、验定位条件几何尺寸;
3、验建筑物控制网与控制桩的点位准不准,桩牢不牢固;
4、验建筑物外廊轴线间距或主要轴线间距;
5、在经施工方自检定位验线合格后,填写“施工测量放线报验单”提请监理单位验线。
注:定位检验线时,应特别注意检验定位依据与定位条件,而不能只检验建筑物的自身几何尺寸。
放线
工作
验线方法及易错线问题
第一节 装修线的检验
一)室内抹灰前进*房行**间套方正工作,依据轴线位置准确的一面墙在地面弹出抹灰厚度线,在找与本面墙呈直角的另一面墙,用勾股定律验证房间是否方正。(见图7-1)

图7-1 用勾股定理验证房间的方正
二)房间墙垂直度验证
1、用米尺量房间开间墙(上点、下点)取纵,横墙各两端净空尺寸避免出现房间大小头偏差。(上点取天花下100㎜,下点取墙跟部与地面夹角处)。(见图:7-2)

图:7-2
用线坠吊墙是否垂直(先取一面纵墙和一面横墙)。
三、检验地面标高
1、根据室内50线(或1.0m线),查看装修图做法,确定建筑50线与装修做法是否吻合。
2、用水平管检验50线是否水平。
四、用上述三种检验方法同样可以检验结构细部线是否准确。
五、控制线的应用
- 1、在外墙装修使用垂直控制线安装保温板;
- 2、用水平控制线安装外墙保温板;

水平控制线安装保温板
- 3、利用墙边控制线进行墙体模板安装。

墙体控制线
第二节、易错线的问题
在施工中线的偏差是有限的,而错线则是致命的,所以在施工中线不出差错是最关键的。
一)注意偏轴线
有时图纸较复杂会在若干部位出现偏中心线的设计,需要我们认真看图,并从不同方向复核各尺寸的总尺寸。
二)注意标高线
重点是注意+0.000和-0.000也就是±0.000以上和以下的关系,避免计算错误。
三)注意非直角线的放线
当出现锐角或钝角线时,要认真及复核对轴线,同时复核依据轴线导出来的各种钝角、锐角线。
四)注意50线与非50线的标注
50线应在楼梯间处用红三色标明,避免在施工中各工种弹的非50线。
五)注意双线错误
很多工程中50线是正确的,但在弹线时也有人弹错位,或弹错位后又从新补弹一根线,造成工人操作中误用线错误,特别是精装修更显得尤为重要,对出现双线必须将错误线及时清掉。