电气图样设计规范

1 目的和范围
为规范电气图样的编制,特制定本规程。
本规程适用于电气类设计图纸的编制、审核和标准化审查。
2 相关文件
|
GB4728.1 ~ 13-2005 |
电气简图用图形符号 |
|
SJ/T207.2-2001 |
设计文件管理制度第2 部分:设计文件的格式 |
|
SJ/T207.7-2001 |
设计文件管理制度第7 部分:电气简图的编制 |
3 职责
产品设计部门负责按照本规程对图纸进行编制、审核。
4 规范内容
4.1 电气图纸设计规范
本规范中涉及的电路图包括电路原理图、接线图、PCB简图等相关电气设计图纸。电路图使用 Protel 或 Altium 系列软件进行绘制,特殊要求时可使用其他软件进行。
4.1.1 图纸的格式
一张完整的电气图主要包括标题、幅面、签字、登记、倒号和图样六个部分组成。
4.1.1.1 电气图的图幅分区
为了便于确定图上的内容,补充更改和寻找各组成部分等的位置,图纸需可进行分区表示。每个分区内竖边方向用大写拉丁字母(A…… F ),横边方向用阿拉伯数字分别表示。分区为偶数,每一分区的长度应等距离,一般不小于 25mm ,不大于 75mm 。
分区代号用该区域的字母和数字表示,字母在前,数字在后,如B3、 C5 。

4.1.1.2 电气图的字体
电气图中字体要求如表1所示
表 1 电气图中字体最小高度
|
图纸幅面代号 |
A0 |
A1 |
A2 |
A3 |
A4 |
|
字体最小高度(mm) |
5 |
3.5 |
2.5 |
2.5 |
2.5 |
4.1.2 符号
电路图涉及大量的电气元件(如接触器、继电器开关、熔断器等 ) ,为了表达控制系统的设计意图,便于分析系统工作原理,在绘制电气控制电路图时所有电气元件不画出实际外形,而采用统一的图形符号和文字符号来表示。
在产品设计时,每一张图样上标记的每一个数据、符号都应符合国家标准。
4.1.2.1 图形符号
a) 图形符号的定义
电气图形符号是用来表示一个设备或概念的图形、标记或者符号。通常一般是由一般符号、限定符号、符号要素等组成。
1) 一般符号: 用来表示某一类产品及其特征的一种通用符号。
如开关、继电器、电动机、电阻等。而热敏电阻、低压断路器、接触器,隔离开关则不是一般符号。
一般符号可以单独使用,并可以在一般符号上附加其它符号要素和限定符号,派生出新的符号。
2) 限定符号:用以提供附加信息的一种加在其他符号上的符号。
限定符号一般不代表独立的设备、器件和元件,用来说明某些特征、功能和作用等,限定符号通常不能单独使用。
如:在开关的一般符号上加不同的限定符号可构成隔离开关、断路器、接触器、按钮开关、转换开关等。
3) 符号要素:是具有确定意义的简单图形,用于与其它图形符号组合构成一个设备或概念的完整符号。

符号要素不能单独使用。
如:真空二极管是由外壳、阴极、阳极和灯丝4个符号要素组成。
如:不同功能、类型的主令开关是由开关的一般符号与不同功能的符号要素组成(如按钮开关、紧急开关、旋钮开关等)。
以三相电机图形符号为例:

图1 三相电机图形符号示例
b) 常用图形符号应用的说明
1) 所有的图形符号,均按无电压、无外力作用的状态示出;
2) 在图形符号中,某些设备元件有多个图形符号,有优选形、其他形、形式1、形式 2 等。选用符号的原则:尽可能采用优选形;在满足需要的前提下,尽量采用最简单的形式;在同一图号的图中使用同一种形式。
3) 符号的大小和图线的宽度一般不影响符号的含义,在有些情况下,为了强调某些方面或者为了便于补充信息,或者为了区别不同的用途,允许采用不同大小的符号和不同宽度的图线。 4) 为了保持图面的清晰,避免导线弯折或交叉,在不致引起误解的情况下,可以将符号旋转或成镜象放置,但此时图形符号的文字标注和指示方向不得倒置。 5) 图形符号一般都画有引线,但在绝大多数情况下引线位置仅用作示例,在不改变符号含义的原则下,引线可取不同的方向。如引线符号的位置影响到符号的含义,则不能随意改变,否则引起岐义。

6) 在GB4728中比较完整地列出丑了符号要素、限定符号和一般符号,但组合符号是有限的。若某些特定装置或概念的图形符号在标准中未列出,允许通过已规定的一般符号,限定符号和符号要素适当组合,派生出新的符号。
7) 符号绘制:电气图用图形符号是按网格绘制出来的,但网格未随符号示出。
4.1.2.2 文字符号
文字符号可以分为基本文字符号和辅助文字符号。
a) 基本文字符号
基本文字符号分为单字母符号和双字母符号。
单字母符号:用拉丁字母将各种电气设备、装置和元器件划分为23大类,每大类用一个专用单字母符号表示。如 R 为电阻器, Q 为电力电路的开关器件类等。
双字母符号:表示种类的单字母与另一字母组成,其组合型式以单字母符号在前,另一个字母在后的次序列出。双字母符号中的另一个字母通常选用该类设备、装置和元器件的英文名词的首位字母,或常用缩略语,或约定俗成的习惯用字母。
常用基本文件符号如表1所示:
表 1 常用 基本文字符号
|
设备、装置和元器件种类 |
名称 |
基本文字符号 |
||
|
电容器类 |
电容器 |
C |
||
|
保护 |
熔断器 |
F |
FU |
|
|
限压保护器件 |
FV |
|||
|
发生器电源 |
同步发电机 |
G |
GS |
|
|
异步发电机 |
GA |
|||
|
蓄电池 |
GB |
|||
|
信号器件 |
声光指示器 |
H |
HA |
|
|
光指示器 |
HL |
|||
|
指示灯 |
HL |
|||
|
继电器 接触器 |
继电器 |
K |
KA |
|
|
接触器 |
KM |
|||
|
感应线圈 |
感应线圈 |
L |
||
|
电抗器 |
||||
|
电动机 |
电动机 |
M |
||
|
测量设备 |
电流表 |
P |
PA |
|
|
电压表 |
PV |
|||
|
设备、装置和元器件种类 |
名称 |
基本文字符号 |
||
|
电力电路的开关器件 |
断路器 |
Q |
QF |
|
|
电动机保护开关 |
QM |
|||
|
隔离开关 |
QS |
|||
|
电阻器 |
电位器 |
R |
RP |
|
|
热敏电阻器 |
RT |
|||
|
压敏电阻器 |
RV |
|||
|
控制、记忆、信号电路的 开关器件选择器 |
控制开关 选择开关 |
S |
SA |
|
|
按钮开关 |
SB |
|||
|
压力传感器 |
SP |
|||
|
位置传感器 |
SQ |
|||
|
转速传感器 |
SR |
|||
|
温度传感器 |
ST |
|||
|
变压器
|
电流互感器 |
T
|
TA |
|
|
电力变压器 |
TM |
|||
|
电压互感器 |
TV |
|||
|
调制器 变换器 |
编码器 |
U |
||
|
整流器 |
||||
|
端子插头插座 |
测试插孔 |
X |
XJ |
|
|
插头 |
XP |
|||
|
插座 |
XS |
|||
|
端子板 |
XT |
|||
b) 辅助文字符号
辅助文字符号表示电气设备、装置、元器件以及线路的功能、状态和性能。一般放置在基本文字符号后面,构成组合符号。
常用辅助文字符号如表2所示:
表 2 基本 辅助 文字符号
|
辅助文字符号 |
名称 |
辅助文字符号 |
名称 |
辅助文字符号 |
名称 |
|
AC |
直流 |
DC |
直流 |
OFF |
断开 |
|
AUT |
自动 |
E |
接地 |
ON |
接通 |
|
ACC |
加速 |
F |
快速 |
OUT |
输出 |
|
AUX |
辅助 |
FB |
反馈 |
PE |
保护接地 |
|
ASY |
异步 |
FW |
正,向前 |
SET |
复位 |
|
BRK |
制动 |
IN |
输入 |
RUN |
运转 |
|
BW |
向后 |
INC |
增 |
ST |
启动 |
|
CW |
顺时针 |
L |
左 |
SET |
置位 |
|
CWW |
逆时针 |
MAN |
手动 |
STE |
步进 |
|
D |
延时 |
N |
中性线 |
c) 补充文字符号的原则
1) 在不违背前面所述原则的基础上,可采用国际标准中规定的电气技术文字符号。
2) 在优先采取规定的单字母符号,双字母符号和辅助文字符号的前提下,可补充有关的双字母符号和辅助文字符号。
3) 文字符号应按有关电气名词术语国家标准或专业标准中规定的英文术语缩写而成。同一设备若有几种名称时,应选用其中一个名称。当设备名称、功能、状态或特征为一个英文单词时,一般采用该单词的第一位字母构成文字符号,需要时也可用 前两位字母,或前两个音节的首位字母,或采用常用缩略语或约定俗成的习惯用法构成;当设备名称、功能、状态或牲为二个或三个英文单词时,一般采用该二个或三个音讯的第一位字母,或采用常用缩略语或约定俗成的习惯用法构成文字符号。
4) 因I、 O 易同于 1 和 0 混淆,因此,不允许单独作为文字符号使用。
4.1.2.3 方框符号
是在方框内加上一般符号或限定符号所构成的一种简单符号,主要用以表示某一元件、设备或功能单元等的组合及其功能,既不给出元件、设备的细节,也不考虑所有连接的一种简单图形符号。
通常只用于单线表示法的系统图和框图中,也可用在表示全部输入和输出接线的图中或按单线表示法画成的电路图中。电路图中的外购件、不可修理件也可用方框符号表示。
方框符号的外轮廓一般为正方形、长方形、圆形等。
4.1.2.4 项目
用来表示基本件、部件、组件、功能单元、设备、系统等的图形符号都可以称为项目。
用以识别图、表图、表格中和设备上的项目种类,并提供项目的层次关系、实际位置等信息的特定代码。
一个完整的项目代号由四个代号段组成,分别是
高层代号段 前缀符号 “ =” ;
种类代号段 前缀符号 “-” ;
位置代号段 前缀符号 “+” ;
端子代号段 前缀符号 “ :”;
例如:
-S4 : 1 控制开关 S4 的 1 号端子;
=A1-K3+M4 A1 装置中的继电器 K3 ,位置在控制柜 M4 中。
4.1.3 元件
a) 元件符号表示方法
电路图涉及大量的电气元件(如接触器、继电器开关、熔断器等 ) ,为了表达控制系统的设计意图,便于分析系统工作原理,在绘制电气控制电路图时所有电气元件不画出实际外形,而采用统一的图形符号和文字符号来表示。
同一电气元件的不同部分(如线圈、触点 ) 分散在图中,如接触器主触点画在主电路中,接触器线圈和辅助触点画在控制电路中,为了表示是同一电气元件,要在电器的不同部分使用同一文字符号来标明。
对于几个同类电气元件,在表示名称的文字符号后面加上一个数字序号,以示区别。
如:按钮SB1和 SB2 ,熔断器 FU1 、 FU2 、 FU3 等。
b) 元件属性标注
在电路图上一般还要标出各个电源电路的电压值、极性或频率及相数,对某些元器件还应标注其特性,如电阻、电容的数值等。
不常用的电器,如位置传感器、手动开关等,还要标注其操作方式和功能等。
在完整的电路图中,有时还要标明主要电气元件的型号、文字符号、有关技术参数和用途。例如电动机的用途、型号、额定功率、额定电压、额定电流、额定转速等。
c) 元件的基本表示法
1) 电气元件的集中表示法(整体表示法)
电气元器件的所有电气连接表示在一个框内,可以构成完整的图形符号。把设备或成套装置中的一个项目的各组成部分的图形符号在简图上绘制在一起的方法,称为电气元件的集中表示法,该方法适合较为简单的图形。

图2 元件的集中表示法
2)电气元件的分开表示法
分开表示法也称为展开表示法,是把图形符号的各个部分在图中按作用、功能分开布置,但是仍然用同一项目代号来表示。
因为此表示法使设备和装置的电路布局清晰,易于识读,所以大多数电路图等电气简图均采用分开表示法。

图 3元件的分开表示法
3) 半集中表示法:
为了使设备和装置的电路布局清晰,易于识别,将一个项目中某些部分的图形符号,在简图上分开布置,并用机械连接符号表示他们之间关系的方法。机械连接线可以弯折、分支和交叉。

图 4 元件的半集中表示法
4.1.4 连接线
连接线应水平或竖直取向,除使用斜线改善易读性的情况外。
a) 导线的一般符号

图5 导线的符号
b) 导线根数的表示方法
一般的图线就可表示单根导线,对于多跟导线,可以分别画出,也可以只画一根图线,但需加标注。若导线少于四根,可用短划线数量代表根数;多多于四根,可在短划线旁加数字表示,如图6所示:

图6 导线根数表示方法
c) 线路特征的表示方法
导线特征的表示方法是:在横线上面标出电流种类,配电系统、频率和电压等;在横线下面标出电路的导线数乘以每根导线截面积,当导线截面积不同时,可用“+ ”将其分开,如图 7 所示:

图7 线路特征表示方法
要表示导线的型号、截面等,可采用短划指引线,加标导线属性的方法,如图8所示:

图8 线路特征表示方法
d) 导线的粗细
一般而言,电源主回路、一次电路、电流回路、主信号通路等采用粗实线或中实线绘制;二次回路、电压回路等采用中实线或细实线绘制,比主电路导线宽度小一半,如图9所示:

图9 导线粗细表示方法
e) 导线连接点的表示方法
导线连接点有“T ”形连接点和“ + ”连接点两种。对于“ T ”形连接点可以加实心圆点,也可不加实心圆点。对于“ + ”连接点必须加注实心圆点。
对交叉而是不连接的两条连接线,在交叉处不能加实心加圆点,并应避免在交叉处改变方向,也应避免穿过其他连接线的连接点。

图10 导线连接点的表示方法
f) 连接线的表示方法
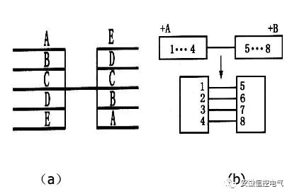
为了表示连接线的接线关系和去向,可采用连续表示法和中断表示法。
连续表示法用同一个图线首尾连通的方法,而中断表示法将连接线中间断开,用符号分别标注其去向。
1) 连续表示法
连续线可以用多线也可以用单线表示。为保持图纸清晰,对于多条去向相同的连接线常采用单线表示法。

图11 连续线表示方法
当单根连接线汇入线束时,在汇入处应倾斜相接,倾斜方向应使看图者易于识别连接线汇入或离开线束的走向,且每根连接线的两端应采用相同的标记号。线束与线束相交不必倾斜,如图12所示:

图12 汇总线(线束)单线表示法
2) 中断表示法
当穿越图面的连接线较长或穿越稠密区域时,允许将连接线中断,在中断处加注标记如:a-a,或增加汉字如:去 Y5 处,如图 13 所示:

图13 穿越图面中断线表示法
去向相同的线组,也可用中断表示法,并在图上中断处的两端分别加注适当的标记,如图14所示:

图14 导线组中断表示法
项目之间的连接线,可用端子符号标记表示连接线中断,如图15所示:

图15 用符号标记表示中断线
在某些情况下,一条图线需要连接到另外的图上去,则必须采用中断表示法,表明两端连接的图样的顺序号和分区位置,如图116所示:

图16 不同图上连续线的中断表示法
4.1.5 注释、详图、箭头和指引线
4.1.5.1 注释
在图形符号表达不清楚的地方或不便表达的地方可以加上注释。
注释有两种形式:一是直接放在所要说明的对象附近;二是加标记,将注释放在另外的位置或另一页。
当图中有多个注释时,应把这项注释按编号顺序放在图纸边框附近。如果是多张图纸,一般性注释放在第一张图上,其它注释则放在与其内容相关的图纸上。
注释方法可采用文字、图形、表格等形式,其目的是把对象表达清楚。
4.1.5.2 详图
实质上是用图形来注释,相当于机械制图的剖面图,即将电气装置中某些零件、连接点等结构、安装工艺等放大并详细表达出来。
详图可放在要详细表示的对象的图上,也可放在另一图上,但必须要用一个标志将它们联系起来。标注在总图上的标志称为详图索引标志,标注在详图位置上的标志称为详图标志。
4.1.5.3 箭头和指引线
电气图中箭头有两种形式:开口箭头和实心箭头。
开口箭头:用于电气能量、电气信号的传递方向(能量流、信息流流向)
实心箭头:用于可变性、力或运动方向,以及指引线方向。
两种形式箭头如图17所示:

图 17 电气图中箭头表现形式
指引线:指示注释的对象,应为细实线。
指引线末端加注标记:指向轮廓线内,用一黑点;指向轮廓线上,用一实心箭头;指向电气连接线上加一短划线 ,如图18所示:

图 18 电气图中指引线表示方式
4.1.6 围框
限定功能单元或功能组的围框或结构单元(如元件组或器件组、继电器装置或配电盘)应采用GB4728.2中的框线 02-01-06 符号绘制。围框应有规则的形状,并且不应与任何元件符号相交。如图 19 所示,必要时也可采用不规则形状的围框。

图19 采用围框表示功能单元 A1 的示例
当表示一个单元的围框可能包围不属于此单元的部件,这种符号应表示在第二个套装的围框中,这个围框应采用GB4728.2中的框线 02-01-06 符号注中标明的双点划线绘制。如图 20 所示,该图中控制开关 S1 和 S2 不是 Q1 单元的部件。

图20 采用围框表示功能单元 A1 的示例
4.1.7 电路图的绘制原则
电路图的绘制原则和特点 :
a) 在电气控制系统的电路图中,主电路和辅助电路应分开绘制。
电路图可水平或垂直布置。
水平布置:电源线垂直画,其他电路水平画,控制电路中的耗能元件(如线圈、电磁铁、信号灯等 ) 画在电路的最右端。
垂直布置:电源线水平面,其他电路垂直画,控制电路中的耗能元件画在电路的最下端。
b) 在电路图中,所有元件的可动部分均按原始状态画出。
对于继电器、接触器的触点,应按其线圈不通电时的状态画出;对于手动电器,应按其手柄处于零位时的状态画出;对于按钮、行程开关等主令电器,应按其未受外力作用时的状态画出,如图21所示

图21 元件可拨动部分原始状态示例
c) 电气元件触点符号的取向
由电磁力或人工操作的触点,如电量继电器、接触器、开关、按钮等的触点, 受激后,各触点符号动作方向应取向一致,取向为“左开右闭,下开上闭”,如图22 所示

图22 触点位置表示方法示例
当元件的完整符号中含有机械锁定、阻塞装置、延迟装置等符号时,这一点尤为重要。在触点排列复杂而无机械锁定装置的电路中,当采用分开表示法时,为了图面布局清晰,减少连接线交叉,可以改变触点符号的取向。
d) 导线标记法
根据电路图的简易或复杂程度,既可完整地画在一起,也可按功能分块绘制,但整个电路导线的连接端应统一用由字母或数字组成的线号加以标志,这样可方便地查找和分析其相互关系。
线号 标在导线或线束两端,必要时标在其全长的可见部位(或标在图线上),以 便 识别。
在垂直绘制的回路中,线号采用自上而下方式编号,线号一般标在连接线的左侧。
在水平绘制的电路中,线号采用自左而右的方式编号,线号一般标注于连接线的上方。
e) 技术数据的表示位置
电气元器件的技术数据一般标在图形符号近旁。
连接线水平布置:尽可能标在图形符号下方,如图23中 a )所示;
连接线垂直布置:标在项目代号的左方。符号外边给出的技术数据应放在项目代号下方,如图23中 b )所示
其他:方框符号或简化符号内,如图23中 c )所示:

图23 技术数据的表示位置示例
f) 应尽量减少线条数量和避免线条交叉。
各导线之间有电联系时,应在导线交叉处画实心圆点。根据图面布置需要,可以将图形符号旋转绘制,一般按逆时针方向旋转,但其文字符号不可倒置。
| 版权声明:联盟致力于好文共享,推送文章部分源于网络,版权归原作者所有,若涉及版权问题,烦请原作者联系我们,我们会在24小时内删除处理,谢谢!^_^。 |