城市 北京
户型 2室1厅1厨1卫
面积 60平
花费 32万
屋主作为一个从0起步的小白,
@鳄梨君
(我),小年糕(我媳妇儿)
原始户型图:左北右南,上东下西

设计方面:
这次装修没有请设计师,从方案设计到渲染图制作都是我和我媳妇共同完成的。
从设计、配色、灯光,到定制家具的格局都是自己现学现画,然后按照效果图挑选各种东西。

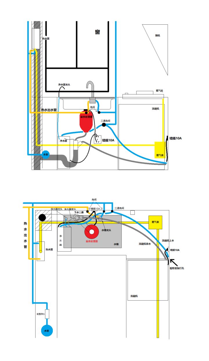
▲水电燃气图

▲厨房布局图

▲燃气安装施工图每天3个小时,各种设计施工图断断续续1个多月花了200多个小时。
虽然大部分具体工作是由我完成的,但每一个细小的决定都是和我媳妇沟通确认,达成共识之后的结果。
我俩的对话像极了甲方(我媳妇)让乙方(我)改方案。
甲方:“这个地方还需要修改一下,这里这里要加大”。乙方:“好的,改成这样你看一下可以吗”。甲方:“OK,这个就这样,挺好”。
所以不管是几个人住,一定要尽量满足常住成员的需求,一定要多沟通!
预算方面:
80年代红砖板楼,全部彻底重装,北欧/现代混搭风格,从准备到完工共用了9个月,预算30w,实际花费32w。

▲预算清单
看身边朋友正在或即将被装修折磨,很想帮一把,故写下自己的装修过程,尽量详述,让大家少踩坑,也算给9个多月的努力画一个完整的句号。
先来一波毕业照,后面po出对各种建材、电器、家具等做的笔记功课,长文预警。
1玄关

下图是玄关柜层板后侧安装了感应灯带。

2客餐厅


两个人用餐使用一张1米的餐桌就够了,所以客厅的餐桌选择了较小的1米餐桌,需要时可以拉伸成1.3米,也节省了客厅不是很富裕的面积。

3主卧
开始有担心过衣帽间很小很鸡肋,但是使用起来发现,这个小衣帽间还是挺实用的,而且也对卧室的私密起到了很好的保护。

三个房间窗帘加阳台和卧室纱帘都算下来,才1300元,而且卧室还选的比较贵的带绒材质。

淘宝上有很多窗帘店铺,完全可以满足需求,一般家庭的窗帘需求量,2000元以内搞定。
4次卧(北卧)
次卧没有放床,定制了衣柜、书桌、卡座,作为活动室玩耍娱乐使用。

考虑到这次装修是作为婚房使用,而且3年之内都没有要小孩的打算,双方父母也不会到家里来住,朋友来家里玩耍聚会的时候不少,但是基本都不会住在家中。

做了1.2米卡座,垫上卡座垫之后是一个十分舒服的休闲空间,下面还可以收纳。

另外为我家的宠物貂设计了一个玩耍的角落,以及大面积的开放区域可以一起玩耍。

老铁,一起耍撒。

5厨房
厨房尽量选择可拉拽的龙头,配合大单槽的水槽使用,冲洗方便,空间宽敞,特别适合冲洗大的锅具。

厨房一系列电器的摆放以及厨房和餐厅一体的橱柜吧台非常nice。

吧台椅,低于台面或者桌子35cm左右用餐使用比较舒服,不要买高了,否则吃东西会很别扭。
餐厅吧台由于和橱柜一体,只有90cm,非常规吧台高度。吧台椅63cm就太高了,最后工长帮锯断椅腿才可以舒服地使用。

6卫生间

没有选择镜柜,而是用了通透的大圆镜、方形洗手池,天圆地方,看起来很舒服。

卫生间洗手池下方有两个下水口,由于位置靠外,洗衣机可以放在卫生间门外拐角,上下水都十分方便。
我家选择了两个洗衣机,一个洗烘一体,一个壁挂洗衣机专门洗内衣(有小孩的家庭也可以用来洗小孩的衣物)。

要注意哦,壁挂洗衣机的上下水管提前布置在墙内。
7阳台
墙面用仿石文化砖,搭配养的绿植,视觉上非常放松惬意。

接下来详细说一下9个月的装修功课。
作为一个从0起步的小白,我的经验不一定都是对的,也不可能完全了解这么多的行业内容,有的见解可能会有些片面,大家有不同的看法可以多留言探讨。

首先我先画一个时间轴,标记一些重要节点:
方案设计→拆除(1周)→开工交底→水电改造(2周)→瓦工作业(2-3周)→木工作业(1周)→油工作业(2-3周)→地板、木门、定制类家具安装(3-5周)→收尾作业→竣工验收→各类安装。
按照采购的先后顺序逐一说明:为避免打乱内容的流畅度,以下无配图。
8窗户
窗户是格外需要提前采购的,由于生产周期较长,入场时间又早,很多作业必须要在窗户安装完成后才能进行,所以很容易成为延误工期的罪魁祸首。
另外不同品牌之间的价格差异非常大,以我家为例,一共17.5平米的面积,7个开扇,便宜的1w多就可以搞定,贵的10w也是不在话下。
所以具体怎么选要看个人情况了。
各种品牌我也不能妄加评论,只能说说我自己的选择。
我是通过装小蜜的内购平台选购的沃伦门窗,总计价格3w元,属于比较贵的品牌。
个人认为窗户这个东西甚至比装修本身用的还久,听说过装修不换窗户的,没听说过光换窗户不装修的,加上平时开开关关经常会用,而且隔音隔热也是居住舒适度的重要因素,所以选择相对好一些的品牌。
平开和推拉:推拉类型的窗户无论什么材质都无法解决的问题就是密封,其他缺点不需要在阐述,光凭这一点就不建议使用。
唯一的好处就是开窗时不占地方。所以除非极端苛刻的空间要求,否则一定不要选择推拉窗。
平开类型的窗户按照开窗方式可以分为内开和外开,外开虽然不占用室内空间,但是存在极端天气时掉落的风险,而且大部分厂家不会为6层以上的用户提供外开窗。
内开窗虽然开窗时会侵入室内空间,但是更加安全放心,不会出门在外遇到极端天气就想着“卧槽我窗户好像没关”。
并且现在窗户的合页一般都是两种模式的,外开-外悬,内开-内倒。
我家窗户选的是内开-内倒,其实大部分时间是关闭或者内倒的状态,偶尔需要大量通风的时候才会短暂内开。
个人认为内开-内倒是最为合理的方式,如果没有特殊情况都建议使用这种模式。
现在主流的平开窗户框体是断桥铝,结构上屋里屋外的铝合金框架是不会直接连接的,由隔热的橡胶连接,这样就控制了温度的传导,冬天不会传递屋外的低温,夏天不会传递屋外的高温。
玻璃可以选择2层或3层,3层固然隔热隔音效果更好,但是成本更高,根据个人情况选择吧。
玻璃和玻璃之间有中空和真空的区别,绝大部分是中空,真空成本过高,而且很难长久保持。
为了避免玻璃间水雾,一定要安装防潮条。
除了框体和玻璃,五金件也是十分重要的。
各类品牌的五金件按照开扇数量计算,不同品牌五金件偏差很大,至于原因,大家可以自己去实体店开开关关感受一下。
我选择的是沃伦门窗提供的最好的五金件品牌索宾柯,确实在开关时、内开-内倒转换时的手感是十分细腻和顺畅的。
最后金刚网的纱窗也是必备的,结实可靠,基本是标配,没什么选择的余地。
关于价格,除了窗户的面积,玻璃的层数,框体的宽度,特殊情况需要添加附框的数量,五金件的品牌以及明、暗合页的区别,导致价格偏差最重要的因素就是开扇的数量。开扇越多,对应的五金件数量越多,金刚网纱窗的数量越多。关于颜色,如果小区物业没有对窗户颜色有要求,可以自行选择,但是价格会有增加,一般默认的免费颜色是白色和香槟色。
由于我们小区物业对窗户没有颜色要求,所以我选择了磨砂黑色的框体,看起来更厚重更有质感。
9暖气
暖气管道的改造入场时间很早,是在水电改造之前,好在第一次管道改造不涉及到暖气片的生产,没有生产周期,预约安装师傅上门后就可以进行。
所以我们需要提前决定暖气片的品牌,完成现场测量,确定暖气片的安装位置和尺寸后,签合同交钱就可以了。
签署合同之后就可以预约安装师傅上门管道改造了。根据尺寸定制的暖气片在签署合同后会进入生产周期,大概4-5周,由于第二次安装暖气片的时间比较靠后,所以生产周期基本不会影响施工进程。
都说装修总会留些遗憾,我思前想后找了一下我这次装修的遗憾,只有一个:“暖气数量不足”。
所以在此也特意提醒不做地暖的朋友,暖气片一定要在数量上多做几片!我家现在冬天的室内温度在18-20度之间,虽说还算可以吧,但是更高一些会更加舒适。
建议如果不是在窗户下方安装暖气的话更要多增加一些数量,每组暖气片数量要比供暖面积大30%以上。
暖气的安装需要两次。
第一次是在毛坯状态的时候对原有管道进行改动,为之后的暖气片安装做好准备,所有的阀门和金属管道都在这次安装时候完成。
第二次暖气片的安装只需要固定暖气片用pvc管道连接即可。
由于我家属于顶层暖气管道设备层,暖气管道的改动也受到了局限,开槽将暖气管埋入墙里的方式太过麻烦,也考虑到万一出现问题需要更换或者维修管道,会大动干戈。
所以还是老老实实走了明管,家里有条件的同学可以考虑管道暗走,外观上看起来确实干净利落十分美观。
北方冬天暖气是命根和向南方同学炫耀的资本。
所以在暖气的选择上我十分重视,而且十分建议选择质量好的暖气片,不然过个三五年暖气片在家里没人的时候漏水,把楼下泡了,损失可就不可估量了。
而且暖气这种安上基本上就不会动的东西,更换起来也是很麻烦的,选一个好一点品牌多用几年还是值得的。
我选择的品牌是森德,我认为是暖气品牌中最好的了,价格自然会贵一些,但是还可以接受。
虽然我家没有选择暗管,但是有很多管道改动的地方,最终价格在1w元,如果选择走暗管价格会高不少。
可能我是森德粉吧,其他品牌压根没问,先入为主直接选了森德,价格可以接受直接就签合同了。
10防盗门
防盗门安装时间不太严格,在户门附近地砖,地面找平之前安装即可,一般早些更换为好。
装修期间使用厂家赠送的临时锁,入住之前换成自己挑选的门锁。
由于本人对于防盗门没有特别重视,选的时候基本上只看了价格和样子两个因素,所以并不太能提供什么意见。
个人感觉各个品牌之间区别不大,注意一下防盗等级就可以了。
主要是挑了个颜色喜欢的,价格合适的就买了。选购的是金诺德的防盗门,颜色是木纹色,和我家的木门和定制家具颜色相近,风格统一。
最重要的其实是门锁。
电子锁真的是可以大大提高幸福感,以后再也不用揣着钥匙出门了,也不会出现忘带钥匙进不去家门的情况了。
指纹开锁方便快捷,输入密码和刷门禁卡的方式虽不如指纹开锁快,但是还是比带钥匙方便多了。
电池更换的频率也不高,基本可以一年一换。
个人还是比较相信现在科技的安全可靠性,要不要电子锁安就看你信不信任它了。
11瓷砖
在水电改造和安装窗户之后就要开始贴瓷砖了。
大部分瓷砖是现货,不需要提前太多采购。但有的瓷砖可能受到物流和断货的影响还是需要提前一周左右采购。
并且由于瓷砖种类繁杂,品牌众多,挑选起来十分费时费力,建议余出2周时间进行挑选和采购。
以我家为例,一共需要购买8种瓷砖。卫生间3种:墙砖+水槽背景墙瓷砖+六角三色砖;厨房3种:墙砖+吊柜下背景花砖+厨房、餐厅、玄关大地板砖;阳台2种:仿石文化砖+仿木纹地板砖。
由于品牌很多,种类也很多,所需要的品种也很难在一家店里全部买到,一般需要3-4家店才能买齐。
挑瓷砖是个体力活。
你可能需要跑很多家才能完成采购,越早的开始挑选就越可以轻松面对。
瓷砖我们中国制作绝对是世界第一,中国最好的瓷砖来自广东。所以基本上所有买瓷砖的都会说自己的砖是广东的。
但是对于我们这些外行很难去分辨瓷砖的质量和价格是否匹配,不怕多花钱,就怕多花钱买了以次充好的瓷砖。
其实众多知名的大品牌质量是非常好的,就是不一定能满足你的所有需求,而且价格贵的不少。
而一些小品牌价格便宜,质量我们又看不出来,完全无法衡量。所以我们除了按照渲染图去挑自己想要的,好像也没什么可挑的了。
特别注意,按照瓷砖的材质和制作工艺瓷砖会分成很多种类,有的需要在贴砖之前泡水,喂饱水的瓷砖不会吸收水泥中的水分导致空鼓。
有的瓷砖不需要泡水,粘贴的时候可以使用粘接剂用薄贴法粘贴。
这些细节我们虽然不用了解的十分透彻,但是一定要询问清楚,或者请教装小蜜监理,及时和工长沟通,方便工长确定购买水泥和粘接剂的数量。
其实主要还是多逛多挑,挑瓷砖这种体力活真的是靠步数和与商家的交涉的时间堆出来的结果。
我在瓦工作业的时候经常回家和瓦工聊天,自然也会聊到我买的这些砖质量怎么样。
瓦工一般都有十几年甚至几十年的贴砖经验,他们见过各种各样品牌的砖,谁家的砖好,谁家的砖次,他们心里都很清楚。
甚至一开始贴,瓦工就能看出瓷砖的产地,也知道价格多少是合理的,你的砖哪里好哪里不好他们全能感觉出来。
瓦工在水电改造期间也会先来完成一些砌墙的工作,所以如果你选瓷砖的时间足够早,可以赶在这个时候买几块瓷砖的样品回来先让瓦工看看,砖的产地,质量,价格就都清清楚楚了。
当然这个是我通过这次装修的经历想到的一个方法,自己没机会实践了,朋友们如果符合这些条件,不妨先和瓦工和工长沟通一下这样操作是否可行,商家那边也先询问一下可以不可以买少量样品。
如果这套操作可行,我相信可以更好地选到质量和价格匹配的瓷砖。
另外提示一点,就是瓷砖转角处的处理,可以直接粘贴,也可以选择阳角处理。
这个要根据情况确认,如果是阳角处理的话需要在买瓷砖的时候一同购买,要和瓦工确认阳角条使用的数量。
还有地砖和墙面涂料交接位置的踢脚线,也是和买瓷砖时一同购买,要提前确认需要踢脚线的长度。
12过门石、窗台石
瓦工作业的过程中,需要先选购过门石,在地砖铺贴的最后阶段,要一起将过门石铺贴。
具体尺寸询问瓦工之后就可以选购了。关于过门石的必要性,可以根据个人情况选择,我是比较推荐在不同地砖、地砖和地板的衔接处都进行铺贴。
虽然不太起眼,但是有了过门石会更美观一些,而且对于门框位置的地砖处理起来也会更方便,地板和地砖的衔接处安装金属过门条也会很方便。
尤其对于卫生间和厨房,过门石也有一定的挡水作用。而且价格十分低廉,几块过门石两三百块就可以搞定。
特别需要注意的,过门石的面积不能太大,过宽的过门石可能会比较难看。
而且过门石绝大部分都是亮光的材质,不要放在太阳直射的地方,否则就变成了一片镜子。
我阳台和客厅衔接的位置,过门石又很宽,和阳台的配重一个宽度,安上之后就像一面大黑镜子,把直射的阳光反射到天花板上。最后只能拿掉不要,用地板补充铺在这个区域。
过门石送货上门的时候,师傅会对窗台进行测量,经过2-3周的生产,可以在油工作业期间进行安装。建议选比较浅的石英石材质,即使有灰尘也不会特别显眼。
过门石和窗台石的选择比较多,建材市场有很多商家,品质相差也不多,简单挑挑就可以了,个人认为没有什么特别需要注意的地方。
13橱柜
橱柜和衣柜都属于定制类家具,需要测量精准的尺寸后再经过一个很长的生产周期,最后还要安装。其中涉及的内容非常多,所以也需要花费更多的经历和时间。
先按照时间节点说明一下,在开工验收之后就可以进行初测了,这次的测量是为了出设计图。
通过沟通和对设计图的修改,基本确定方案之后,还要等到厨房的瓷砖全部贴完才能进行复尺。复尺完成后细化图纸中的尺寸,完善设计图,得到一个最终设计方案,然后签署合同后生产,最后安装。
但是只有交了定金厂家才会上门进行初测和后续的方案设计,我们又很难在开工验收那么早就决定橱柜品牌的选择,所以这个时候交定金很容易花冤枉钱。
这个时候就用上我们已有的尺寸和自己画的设计图了,可以先不进行初测,就按照自己设计的图纸和橱柜厂家进行深入的沟通,和简单的报价,可以多选几家一同比较。
等我们沟通和挑选差不多了,基本可以选中一家的时候,就可以交定金,上门初测,细化方案,一步步完成后续的工作了。
关于板材,定制的板材家具主要使用实木颗粒板,市场上较常见的国产板材和进口板材。国产板材最具有代表性的是吉林森工、福建大亚的板材,这两种板材的质量和环保是比较有保障的。
进口板材认可度最高的是奥地利的爱格板,但是价格比国产板材贵不少。主要是因为环保做的更优秀,甲醛的释放量很低。
像欧派,博洛尼等有一些西班牙、东南亚进口的板材,由于缺少横向参考,无法过多的评价。
关于五金件,五金件是十分重要的部分,直接影响到使用的舒适度。
主流的五金件品牌,有Blum百隆和海蒂诗两个品牌。
百隆会更常见,这两个品牌的五金件是完全没有问题的,如果不是这两个牌子的话就一定要多了解一下原因,以及如果换成这两个牌子的五金件需要加多少钱。
由于橱柜还涉及到很多问题,关于板材和五金件的问题也无法在这里一一列举。
最值得提示的一点,厨房电器一定要早选!
最好是在买橱柜之前就先决定好或者已经买好相应的电器,这样橱柜的设计才能更好地结合电器的使用,电器的各种尺寸也有了,橱柜设计师在设计的时候也方便很多。
我橱柜最终在装小蜜内购平台上选择了志邦。
从一开始的沟通到后续的测量,沟通方案,签署合同,到最后的安装都十分顺利,最终的效果也十分满意。
入住一段时间,厨房的使用频率还是很高的,各种电器使用起来也是十分方便!感觉厨房和餐厅是全屋设计最满意的地方。
14木门
随着瓦工作业进入尾声,木门也具备测量的条件了。
木门的生产周期也比较长,好在安装时间比较靠后,不太会导致工期的延误。
木门不仅仅是几扇门,还包括门套、窗套、门洞垭口。
所以在选购前一定要确认安装门套、窗套、垭口的位置和尺寸。这些加起来的价格也是不少的,也要成为选购时考察的要素。
门锁推荐使用磁吸锁,关门时不会有锁舌头碰撞的声音。门吸建议使用安装在地上的隐形门吸,不会形成卫生死角,不用的时候会自动收起。
由于我对木门没有什么特殊的要求,主要看颜色和价格。最终选择了美心木门,灰木纹色,和我的定制柜颜色十分接近,包括窗套、垭口都是统一的颜色,整体效果还是十分搭配的。
木门的选购时间还是比较充裕的,当瓦工作业接近尾声的时候才可以进行测量,我们在这个时间之前决定购买的品牌,交定金之后就可以测量了。
木门的安装时间也比较靠后,油工作业完成之后安装,需要注意的是要先安装木门再安装地板。
另外有一些门框垭口可能会和浴室柜、橱柜、衣柜有冲突,需要提前沟通好,在安装时注意特殊的处理方式。
15定制衣柜
在地面完成找平之后就可以安排衣柜复尺了,复尺完成后签署合同,进入生产周期。
所以在瓦工作业的最后阶段我们要决定好选购的衣柜品牌。
和橱柜一样,建议先自己画设计图,尺寸不用十分精确,具体分区和格局可以大概设计一下,也方便想设计师传达我们使用的需求,比如长衣区短衣区的分布比例,以及额外的裤抽,拉篮等功能区的需求。
用自己绘制的相同图纸找不同品牌进行的报价之间可比性也更大,更有参考意义,能帮助我们更好地进行选择。
关于板材和五金件,和橱柜一样,板材基本上都是用实木颗粒板,国产板材吉林森工、福建大亚的板材是有保障的,各个定制柜品牌也会告诉你他们使用板材的原产厂是哪里,并且会摆出授权证书。
进口爱格板认可度最高,价格也不菲。
不同于橱柜,五金件的品牌相对就更多一些,会有自己品牌的五金,当然用百隆或者海蒂诗等品牌的五金件一般会收额外的费用。
定制衣柜板材的厚度会根据需要有所不同,正常板材厚度1.8cm,加厚的桌面等地方是用2.5cm,大部分衣柜后背板会选择0.6cm左右薄板,各个品牌后背板的厚度也有所不同。
关于这些不同的板材厚度也需要了解清楚,因为价格会有所偏差。
和橱柜一样,衣柜设计的问题也是非常多的,在这里就不一一列举了,多和不同品牌的商家沟通和比较,得出自己的选择答案。也欢迎大家私下沟通和探讨。
我再次选择了志邦,加上之前橱柜选购沟通的顺畅,定制衣柜给我的价格是非常优惠的。
最重要的一点是板材的颜色。棕灰色木纹和我木门,防盗门的颜色接近,十分配套,十分适合北欧的风格。
和橱柜一样,从碰方案、出图纸,到送货安装,都十分顺利,最终效果也是十分满意。(这里必须为城外诚志邦的店长邓姐和设计师小张老师打call)
16浴室柜
在卫生间贴砖完成后就可以进行复尺了,生产周期3-5周,需要做台下盆的话,提前把买好的水盆交给浴室柜厂家,由他们和浴室柜做到一起后拿到家中进行安装。
浴室柜和淋浴房的安装可能会出现冲突,需要协调好先后顺序。
与橱柜和衣柜不同,浴室柜的定制材质一般选用实木的齿接板,因为防水性比实木颗粒板要强很多,如果用实木颗粒板制作浴室柜,潮湿或者泡水的环境会直接导致板材的变形。
由于我家浴室柜需求比较简单,1延米的尺寸,简单的抽屉和平开门,所以挑选的时候也没大费周折,基本上颜色对上号,价格合理就直接购买了。
浴室柜的下面可以留出一定高度,不光可以存放一些盆、皮搋子等杂物,站在洗手池前脚也不会顶在柜子上。
如果浴室柜下面有对应的排水口和管道,像洗衣机下水地漏如果排水量大,可能会有少量水溢出,留出一定空间可以更好地清扫晾干,也不至于水泡浴室柜。
关于镜柜还有浴室柜的储物,请根据个人情况和喜好进行选择,我没有选择镜柜,完全是因为美观,通透的大圆镜,方形洗手池,天圆地方看起来还是很舒服的。
而且浴室柜本身的空间,台面的空间,角落添加置物架也让收纳得到了满足,没有在再安装镜柜的需求。
我最终选择的品牌是金牌,金牌最为木作类家具的大品牌还是值得信赖的,虽然金牌更多的是橱柜和衣柜。
安装时遇到一些不愉快,安装师傅上门没有提前联系,自己来了就安上了,导致本人没有在现场监督细节处理。
最后我自己进行了一些开孔位置和大小的调整,才将我两个洗衣机的上下水全部布置好,好在最终结果还是满意的。
17淋浴房
关于干湿分离的必要性,大家基本上都是认可的,但受到空间和布局的影响,不是每家都可以安装淋浴房。
关于淋浴房的位置和开门方式也要根据个人情况选择,在这些问题都确定之后,选择一款适合自己家情况的淋浴房还是十分必要的。
空间不富裕的推拉门淋浴房,可以选择三扇联动的门,可以增加开门之后的宽度,高度一般选择两米就足够了。
关于一些细节,比如把手的位置,滑轨的方式,都并不是很复杂,多沟通询问就可以找到适合的款式。
如果淋浴房石基需要预埋在地砖中,就需要在铺卫生间地砖之前选购淋浴房,并提前带回石基,瓦工铺砖时直接将石基和地砖一起铺好。
如果和浴室柜有冲突,一般需要先安装浴室柜之后才能安装淋浴房。
我最终选择的品牌是朗斯,价格比较合理,也有我喜欢的黑色外框。
现场安装的时候一定要注意玻璃胶打的是否到位,我家安装的时候自己没有注意到玻璃胶打的比较粗糙,等安装师傅走了之后才发现。
由于不影响使用,也不太容易注意到,就没再追究。所以大家在安装淋浴房时现场注意一下玻璃胶打的是否均匀好看,有问题现场解决。
18吊顶
这里说的吊顶是指铝扣板吊顶,一般用于吊顶内存在电器而且处于厨房卫生间等潮湿环境的吊顶。
如果选择石膏板吊顶,电器的安装不太方便,而且需要预留检修口,也不美观,最主要的石膏板上的涂料长时间潮湿可能会脱落。
所以一般厨房、卫生间或者玄关、阳台等区域吊顶都会选择铝扣板吊顶。
但是石膏板吊顶更加美观,整体性更强,所以我玄关和阳台还是选择了石膏板吊顶。石膏板吊顶是由木工作业时完成,完全由工长负责,不需要自己采购。
铝扣板吊顶的安装时间比较靠后,而且没有生产周期,所以挑选的时间比较充裕。
我对于铝扣板吊顶的关注度也不是太高,个人认为其实就是挂在天花板上的几块铝板,基本上很少会动,也不太存在什么质量问题,选个样式满意,价格合适的就可以了。
关于铝扣板吊顶的安装,和石膏板一样需要先安装龙骨,但是铝扣板吊顶的龙骨格局更密集,需要保证每块铝扣板都有两边要塞到龙骨的缝隙之中,这样才能安装的牢固。
检修口的处理就会麻烦一些,现场安装时一定要和安装师傅沟通好检修口的尺寸和位置,同时也会加收一些费用。
还有一些筒灯需要开孔,也要和安装师傅沟通好,所以安装的时候本人尽量到现场。
我最终选择的是奥普吊顶,主要是样式和价格都比较满意,销售小姐姐也挺可爱的。
安装过程也比较顺利,新风更换滤网和暖气管道放气也自行拆装过几片,都没有什么问题,整体上还是很满意的。
19地板
关于地板,我们首先想到的两大类型,实木地板和复合地板。
还有由于家中地暖的原因需要选择特殊的地板。
关于实木地板还是复合地板,个人认为除了你是有实木情节的土豪,否则我实在找不出选实木地板的原因。
可能我的生活层次还没有达到铺实木地板的水平,无法理解实木地板的好处。
首先实木地板对于环境的要求较高,干燥可能会导致干裂,潮湿或泡水会导致膨胀变形。
其次实木地板需要定期的保养和维护,并且保持室内的温湿度,使用时也要注意不要磕碰,简直是请了个祖宗回家。
但是据说光脚踩上去的感觉会很舒服,质感会更高级更舒适。对于我这样又懒又穷的当代恶臭年轻人,还是选择价格便宜,更耐造的复合地板吧。
地板测量需要在地面找平之后,基本上也不存在什么误差,需要注意的是地板的厚度,提前确认好地板的厚度,之后对于定制柜的测量是个重要的数据。
关于铺地板的方式有些选择,比如错开平铺,鱼骨拼等等,平铺的损耗会比较小,价格相对更低,完全看个人喜好进行选择。关于地板铺装的方向,听取商家的建议就好了,不太需要我们操心。
一般购买地板的同时会赠送踢脚线,我保守的选择了白色,关于踢脚线的安装,需要和安装师傅确定好有定制柜的地方,来沟通确认踢脚线如何安装,包括踢脚线之间的衔接处,尽量藏到不起眼的位置,会更加美观。
地板安装时间在油工作业完成之后、木门安装之前,基本都是现货,不需要生产周期,所以选购和安装的时间比较充裕。
我选择的是圣象地板,也没有什么特别的原因,大品牌质量值得信赖,颜色也有喜欢的偏灰的款式--泰晤士印象,价格也比较合理。
其他品牌基本也没做过多的挑选,感觉区别不大。选择圣象最终的效果也是十分满意的。
20其他材料
还有一些零散的材料,比如开关面板,水槽,花洒,龙头,马桶,角阀,地漏。
没有什么挑选难度,根据预算量力而行,选择自己喜欢的就好了。
特别提示一点,厨房尽量选择可拉拽的龙头,配合大单槽的水槽使用,冲洗方便,空间宽敞,特别适合冲洗大的锅具。
角阀、洗衣机龙头、下水管、地漏,选择潜水艇没毛病!
关于马桶多说几句,个人十分推荐直接选择智能马桶,选择传统马桶加装智能马桶圈也是可以的。
根据马桶的排水方式、下水口的距离,来选择智能马桶。
一般智能马桶不带水箱,看起来也更整体美观。
一些智能马桶对于水压有一定要求,请根据自家水压情况选购。
现在市场上大部分智能马桶在停电的时候也可以冲水,完全可以放心使用。如果智能马桶需要像我家一样放到湿区,那么一定要注意是否完全防水。
接下来聊聊家电。
我将逐个说明有关家电的问题,特别是争议比较大的,新风、洗碗机、厨余处理器,希望从一个使用过的业主的角度来做出客观的评价,帮助大家解除自己心头的疑问。
有很多家电是需要在很早的时候就选定或者采购的,可以选择延迟发货,但是一定要早些确定各种细节,以便之后的设计更加精确合理。
21新风系统
我家虽然只有60平米的使用面积,但是由于层高足够还是选择了安装新风系统。
总体来说安装新风涉及的问题较多,除了噪音和管道占空间之外,室外进风口出风口位置等细节问题都需要提前规划,入场时间又早,所以要早确认方案。
现在还有很多人不了解新风系统,有没有必要装新风是个最大的疑问。
我个人的建议如果层高足够的话十分推荐安装,如果层高不足,研究一下解决方案争取安装,实在无法克服就只能放弃了。
先说一下新风系统的原理,将室外空气过滤净化成新鲜的空气再从各个房间的出风口送入各个房间,排风系统主动将室内旧的空气排出,形成一个新鲜空气进入和旧空气排出的循环。
比起空气净化器,新风系统可以搬运新的空气进来,而不仅仅是净化室内已有的空气。两种空气净化模式,物理除尘和电子除尘。
物理除尘就是通过滤网进行空气的净化,比较传统成熟的空气进化技术,需要定期更换滤网。
电子除尘(静电除尘)就是通过电压形成的电场区对空气中的杂质进行吸附。
比起物理除尘,电子除尘不需要更换滤网,需要定期取出除尘盒进行冲洗。
现在的家用新风系统一般具备全热交换和显热交换的两种类型。
热交换直白的说就是在新风主机内将即将要送入室内的新鲜空气与要排出的空气进行热量的传递,这样就不会有冬天吹进来冷风,夏天吹进来热风的情况。
全热交换,就是温度和湿度都进行传递,显热交换只传递温度,大部分新风品牌都只有全热交换的类型。
个人认为北京这种温湿度全热显热区别并不大,价格一般也相差不多,所以选全热交换肯定更好。
这里说的交换并不是把新旧空气混合,只是传递温湿度,所以不用担心吹出来新鲜空气的质量。
建议安装新风的原因:无论室外空气质量好坏,温度高低,都可以不开窗为室内提供优质新鲜空气。
不开窗的话,屋里很少有灰尘,省去了频繁打扫的麻烦,也避免了开窗时室外的噪音。
而且冬夏季节开窗换气会导致室内温度不适,通过新风换气更为舒适。
安装新风也会有一些缺点,主机工作时会有一定噪音,请放置在远离卧室的区域的吊顶内,房间出风口也会有一定噪音,可以在睡觉时调小风量降低噪音。
新风管道的安装比较麻烦,会占吊顶高度,屋内层高不理想的房屋安装受限。
更换滤网产生额外费用,并需要在吊顶上预留检修口。
如果房间不大可以考虑像我家一样在房屋的中间区域集中回风,省去了每个房间都要再走一根回风管道的麻烦。
虽然空气流通效果不如独立回风,但是房间不大,空气流通畅通的话,效果相差不大。
我选择的是松下150风量全热交换新风系统,个人比较倾向传统的物理除尘的方式,松下新风算是物理除尘新风中市场占有率较高的品牌,除了噪音问题反响较大之外,口碑一直不错,价格也可以接受。
购买新风系统的渠道有两种,一种是品牌的直销,另一种是代理商。
代理商会从各个品牌购买新风主机,然后由自己的安装团队上门安装,所以有的代理商可能会卖多个品牌的新风系统。
品牌直销就是有对应品牌指定的团队来提供安装服务,有可能是品牌自己的团队也有可能是外包的团队。
由于新风系统安装是影响使用效果十分重要的因素。品牌直销的价格固然会比代理商的价格略高一些,但是安装质量更有保障,所以最后我选择在松下官网上联系购买。
自己不想再去花时间和精力在众多代理商中选择了,直接选择了个人认为风险更低、更保险的方式。
22空调
现在较多的选择是壁挂空调和中央空调,还有其他什么水冷空调,没有了解过,所以只对中央空调和壁挂空调进行讨论。
首先说一下中央空调,为什么说中央空调和新风系统比较搭配,并不是因为新风和中央空调可以共用管道,它们都是走的独立管道,但是可以走在一起,包管和吊顶的时候可以一同处理。
两者也不存在谁代替谁的关系,是两个独立功能的电器,先说一下中央空调的优点,安装隐蔽,比壁挂或者柜式空调美观,出风口位置更自由,不会像壁挂空调一样受到室外机悬挂等问题的局限,同时也不用预留空调专用墙插。
如果面积大,房间多,中央空调还是非常好的选择。当然价格昂贵,保养和维修也会更麻烦,如果遇到故障全屋都没有空调吹了。
我没有选择中央空调的主要原因是价格会比壁挂空调高将近1倍,而且房间面积较小,对于单个房间空调的开关更加自由。
壁挂空调或者柜式空调,优点就是价格低廉,品牌选择很多,可以根据房间大小自由选择对应的匹数。
但是需要考虑室外机悬挂的条件,壁挂位置不能离室外机过远,同时要保持冷凝水管的坡度。特别注意一点,在水电改造之前一定要决定好安装的位置,设计好墙插位置。
我在空调墙插的问题上犯了个小错误,导致我空调的位置并不完美。
由于壁挂空调与室外机连接的管线需要保证坡度,我预留的墙插位置过高,所以为了让管线避开墙插只能调整空调的位置。
引以为戒,在设计墙插位置的时候可以稍低一些,低于天花板/吊顶50cm左右比较合适,这样不管空调怎么左右平移都不会影响。
由于空调技术已经非常成熟,品牌之间差异并不大,就不做过多评论。
关于能耗和定频、变频,请根据预算和空调使用时长决定,变频更加舒适,购买和维修成本都更高,长时间工作更加省电。
所以夏天需要整宿开空调睡觉的同学,建议购买1级能耗的变频空调。
23热水器
热水器主要分为储水式电热水器和燃气热水器。
由于我家厨房卫生间距离很近,所以直接选择燃气热水器为花洒提供热水,热水器在厨房,走燃气管道也非常方便。
但是很多家庭的卫生间和厨房距离较远,只能安装电热水器,由于电热水器体积较大,所以一定要提前设计好,并安排好水电改造的点位。
由于我家只有淋浴需要使用热水器,厨房和卫生间的水槽使用即热式厨宝,热水器的需求比较简单,所以选择了林内功能最简单的一款。
关于出水量,要根据用水点的数量、水压综合决定。如果像我家一样,只用于淋浴使用,顶层水压比较低的情况,选择13L足够了。
关于厨宝,我选择的是即热厨宝,原因主要是比起储水式,即热式的体积更小,可以长时间供应热水。而且储水式长时间使用后,储水空间内会十分脏。
但是即热式厨宝,冬天水温低的时候,打开龙头需要几秒甚至十几秒,水温才可以提升到指定温度。频繁使用时,就不会出现这种情况了。
原因也是可以理解的,毕竟冬天管道内的水温十几度,瞬间要求加热至40几度是不可能的,所以在早上起床,或者下班回家之后,长时间没有使用热水的情况下,需要多放几秒钟才会有热水。
即热式比储水式更省电,即热式虽然瞬时功率很大,但是不用的时候是不费电的,而储水式提前烧热的水会慢慢放凉,再加热,如果长时间不使用热水,这个烧热放凉再烧热的循环过程就是浪费电了。
特别提示一点,如果打算装即热式厨宝,要在水电改造之前确定,要在相应位置预留6平方的线路插口,并且不要和其他大功率用电设备在一路上。
最后也不要安装普通的墙插,厨宝安装时师傅会使用特定的面板或者空气开关。
24烟机灶具
在橱柜复尺之前请选择好烟机灶具,这样橱柜的尺寸才能完美配合烟机灶具的安装。
作为一个做饭小白,对烟机灶具的挑选,我基本上都是从参数比较的,更大的风压和风量可以更好地排烟,风量21立方米每分钟,风压420pa都是比较优秀的数据了,更低的噪音代表电机更优秀。
大家可以根据自家烹饪的习惯和楼层高度,选择对应的参数。
楼层较低使用烟道排烟的,需要更大的风压,否则烟道使用高峰期自家油烟无法正常排出,喜欢爆炒这种油烟量较大的烹饪方式的业主,选择风量更大的烟机,中式爆炒的风量要求至少20立方米每分钟以上。
灶具主要看最大功率,不像烟机这么讲究,基本挑个样子就差不多了。
市面上的大品牌都是值得信赖,我选择的是老板的烟机灶具套餐,参数指标满足,价格合适的套装。
关于烟机的排烟方式,有侧吸和顶吸两种。
个人比较倾向侧吸式,首先样子比较好看,而且比较薄,吊柜配合起来比较协调,而且不会碰头或者压迫视线,排吸的位置也更低,更接近锅具,在油烟散开之前就更有效的排吸。
更传统的顶吸式,对于高度的要求需要根据家中经常做饭的人来调整,但又不能过高,会影响排吸效果,而且需要的空间比较大。
现在十分流行的集成灶,虽然没有选择,但还是有一些了解。
集成灶排吸的位置最低,油烟基本上刚一出来就被直接吸走了,排吸效率十分优秀。
但是集成灶的价格会比较高,比起侧吸和顶吸的灶具可以搭配吊柜安装,集成灶显得有些突兀,会比较丑,后期保养维护成本也很高。
现在比较好的集成灶会有不少功能,比如可伸缩的排吸口,灶台柜集成烤箱或消毒柜的功能区。
选集成灶建议选择好一些的,不要省钱图便宜,否则后续使用不便,维修保养十分麻烦。
25洗碗机
关于洗碗机有没有必要买的讨论,我觉得已经不用说了。
那些说洗碗机洗不干净的要么就是你洗碗机不行,要么就是你使用方法不对。
只要你正确的使用洗碗机就会发现它真的是懒人救星,就像洗衣机在家里的地位一样。
洗碗机现在市面上主要有水槽洗碗机,台式洗碗机,嵌入式洗碗机,还有微型桌面洗碗机。
微型的桌面洗碗机就不讨论了,跟闹着玩似的。
台式和嵌入式有些类似,基本上只是安装方式不同而已。
很多家庭也有选择水槽式洗碗机的,水槽式洗碗机虽然占用的空间较小,而且可以洗菜洗水果,但是致命的短板是无法洗大的锅具。
台式和嵌入式充足的空间可以轻松洗的同时洗巨大的炒锅和煮锅再加上各种碗碟、工具。
洗碗机的套数一定要选择13套以上,这样才能保证每次做饭的锅碗瓢盆全都能放进去。
对于厨房空间实在不允许选择13套以上洗碗机的情况,退而求其次选择水槽式也是可以的。但是建议只要有空间,一定要安排出地柜的空间安装洗碗机。
一般台式和嵌入式尺寸比较统一,都是60cm左右的宽度和深度,高度70-80cm左右。一般橱柜的台面深度60cm是标准,所以洗碗机安装在台面下面非常合适。
台式洗碗机就像洗衣机一样,设计好上下水和电源,台面下留出60cm宽度的空间不做地柜,洗碗机可以推进这个空间,深度和宽度都很正好。
嵌入式看起就更加美观了,和地柜融为一体,容量也足够,是最好的选择,但是价格会更高。
洗碗机的原理并不复杂,很多大品牌都是值得信赖的选择,我个人对于洗碗机发明者“西门子”的品牌认可度更高。
但是西门子洗碗机普遍价格偏高,最终在满足套数的情况下选择了西门子最便宜的台式款。
预算更加充足的同学可以有更多的高端款式选择。
通过一段时间的使用,洗碗机带来的幸福感是十分真切的。
虽然只做两个人的饭,但是实际需要清洗的量还是很大的,包括最占空间的炒菜锅和煮锅,两个可以同时放进洗碗机,加上铲子、打蛋器等工具,切完肉的菜板,几个盘子和碗,筷子和勺这些统统都放进洗碗机。
即使一次饭后需要清洗的量太少,也可以等第二天吃饭再攒一次一起清洗。确实让做饭变得更加轻松省时间了,而且只要摆放合理,洗的也会十分干净的,同时比手洗更加省水。
26厨余处理器
对于厨余处理器(垃圾处理器),又是一个很有争议的电器。
有人觉得它很好用,有人觉得它很鸡肋。
根据我的使用来看,配合洗碗机使用效果还是很好的。
原理上很简单,将厨余垃圾碾碎,并通过下水管道排走。
我在使用之前也十分担心堵塞的问题,但通过水电改造时的设计,调整下水管口的位置,下水管的粗细,以及倾斜的坡度,最大程度上保证厨余处理器排水的畅通。
选择一款好的厨余处理器,可以将厨余碾的更碎也会避免堵塞的情况。
而且厨余处理器连接洗碗机的排水管也是非常合理的,洗碗机排出的高温带分解酶的水可以很好的冲刷厨余处理器及管道,确保不会积累堵塞。
厨余处理器会比较占水槽柜的空间,所以尽早决定是否安装,水电改造的时候就为厨余处理器的安装做好铺垫。
关于厨余处理器的电机类型可以分为直流电机和交流电机,直流电机转速更高,交流电机更有力,更适合碾碎骨头。
直流电机款贝克巴斯,交流电机款爱适易都是十分推荐的。
我个人认为需要处理骨头等硬物的时候还是挺多的,就选择了爱适易的e100。
通过一段时间的使用感觉还是十分方便的,做饭时产生的厨余垃圾先扔到水槽中,吃完饭后将碗、盘子、炒锅之类一起拿到水槽中,堵住下水,用龙头简单冲掉这些锅具餐具上的厨余垃圾后,直接放入洗碗机,直到水槽中只剩下各种厨余垃圾,打开厨余处理器和水槽下水口,配合龙头冲洗,将所有厨余垃圾一起冲到厨余处理器中处理后排走。
最后洗碗机工作完成后,排出的热水正好冲刷厨余处理器和下水管道。
27净水器
关于净水器,现在有更完整的解决方案,就是中央净水系统,可以提供直饮水也可以对水质进行软化,减少水渍,提升身体用水后的舒适度。
有兴趣的同学可以多了解,我由于预算和空间的原因没有选择这种更高级的水处理方式,只是安装了在水表之后的反冲洗前置净水器,和提供直饮水的Ro反渗透净水器。
特别注意的一点,前置净水器是一定要安的!非常小巧,安装不受限制,只要在水电改造的时候添加在所有用水设备的最前端就可以了。
即使没有像我家一样可以单独给反冲洗安排一个地漏出来也没关系,反冲洗的频率也不高,用盆或者其他容器接一下就可以了。
前置净水器可以过滤掉水中的大颗粒杂质,对所有用水设备都是很好的保护,尤其智能马桶和热水器,水质不好长时间使用会导致故障。
Ro反渗透净水器为我们提供饮用水,基本原理也不复杂,主要是对应的几个滤芯,通过几道滤水过程最终产出可以达到饮用级别的纯净水。
类似新风系统的滤芯,净水器的滤芯也需要更换,选择一家售后有保障的大公司是十分必要的。
几个重要的参数:出水量、废水比、总净水量。
出水量很好理解,就是水出的快不快。
废水比是指产出纯净水的量和同时排走的废水之间的比例,废水比越低浪费的水越少。
总净水量是指这一套净水系统一共可以产出多少纯净水,之后就需要更换滤芯了。但其实不同的滤芯更换的周期也不相同,都需要根据净水器提示进行更换。
我个人对于净水方面要求并不高,可以提供直饮水就可以了,Ro反渗透技术也不是什么垄断技术,生产反渗透膜的供应商也就那么几家,所以个人选择了几项参数都不差,价格更加合适的佳尼特。
我选择的这款净水器体积也不大,可以放心的和各种设备一起安装在水槽柜里。
28洗衣机、烘干机
关于洗衣机,根据运行类型可以分为滚筒和波轮两种,滚筒的洗涤方式更像是用棒子敲打衣物,而波轮的洗涤方式更像是搓。
波轮洗衣机已经渐渐地被滚筒取代,所以我也没有对波轮洗衣深入了解,很小的时候家里就已经不用了。
洗衣机几个重要的参数,首先就是洗涤重量,这个很好理解,越大能洗的衣服就越多。另外就是洗净比和衣损率,这两个参数是要综合在一起选择的,洗净比很高,可以把衣服洗得很干净,但是同时衣损率也很高,会把衣服洗坏,这样的洗衣机我们也不会去选,所以这两项指标都做的优秀才是好的洗衣机。
波轮洗衣机的衣损率就比滚筒洗衣机要高,这可能也是它之逐渐被淘汰的原因之一。简单一些,其实大品牌都没什么问题,在自己偏好的品牌中选择就好了。
真正影响我们洗衣机选择的最直接因素是尺寸和排水方式。比如我家放置洗衣机的地方尺寸就有限制,所以可选范围本身也小。
排水方式也是要根据自家情况来确定,如果只能选择上排水,那可选范围也会缩小。在满足这两个必要条件的前提下,再进行挑选就简单一些了。
滚筒洗衣机也有带烘干功能的:洗烘一体机,对此也有很大的争议。中国家庭更多的是选择直接把衣服晾晒,所以对烘干机的接触并不多。
真正好用的烘干机是独立的热泵式烘干机,国外普及率很高,基本上洗完的衣服直接烘干,不需要晾晒就可以穿。
但是洗烘一体机的烘干是洗衣机的附加功能,与独立的热泵烘干机原理不同,也达不到热泵烘干机的效果,所以属于一种比较凑合的功能。
即使是这样,洗烘一体机也并不是完全没有存在的意义,由于很多家庭甚至安排出一个合理方便的洗衣机位置都很困难,更别说再放置一台烘干机,即使烘干机可以摞在洗衣机上使用,但是空间不足是无法选择热泵烘干机的最主要原因。
这样一款洗烘一体机就可以弥补一下烘干功能的缺失。
就像空间不足无法选择独立洗碗机而选择水槽洗碗机一样,即使有明显短板但也只能是退而求其次的选择。
洗烘一体机的厚度都会比普通滚筒洗衣机厚,所以空间对于厚度也有严格限制的家庭基本连洗烘一体机都告别了。
我个人也是由于厚度的原因只能选择松下的一款洗烘一体机,对比所有品牌只有这款洗烘一体机的厚度最薄。
使用场景:我也只是在洗袜子和浴巾时使用过洗烘一体机。
洗袜子的时候数量多,单个体积小,而且晾晒和摘取都比较麻烦,直接洗完烘干可以偷不少懒,又不怕有褶皱和损伤,所以洗烘袜子是比较合理的。
烘干效果还是不错的,完成后可以直接穿,也不会有变硬和烘干不均匀的情况。对于大件的衣物还没有试过烘干功能,不过听闻朋友家的洗烘一体机表现并不太好。
洗烘模式时间会很长,一般需要2-4小时,过程中洗衣机会很热,而且烘干完成前是无法打开洗衣机的,所以要是选择洗烘,最好在最后,可以不用管他直接第二天起来再回收整理。
和热泵式烘干机一样洗烘模式完成后也要清理过滤网上的毛绒,这是烘干一定会有的产物,一定要清理。
所以综上所述,选择洗烘一体机还是普通的滚筒,就看个人的选择了。
烘干机,在国外尤其是美国生活过的同学一定接触的很多,由于不能晾晒衣物,所以都是使用烘干机进行烘干。
热泵式烘干机最为现在最优秀好用的烘干机,烘干效果是非常好的,烘干之后的衣物及温暖又蓬松柔软,而且也不会有褶皱。
烘干机最大的优点其实是解放阳台,阳光再也不会被阳台晾晒的各种衣物遮挡了。热泵式烘干机可以摞在洗衣机上方使用,而且不需要排水。
烘干机的价格普遍较高,比洗衣机贵不少,和洗衣机一样需要占据很大的空间,所以空间和预算充足的朋友可以考虑购买。
烘干机每次使用完之后都要清理过滤口的绒毛,不过比起晾晒衣服,已经是很省时省力了。
个人还是十分推荐的,要不是我家实在没地方安排它,我一定会放弃洗烘一体机,选择独立的热泵烘干机。
29壁挂洗衣机
我选择壁挂洗衣机是为了解放双手,之前我媳妇的内衣*裤内**都需要手洗,而这个壁挂洗衣机就是专门来完成手洗工作的。
家中有小孩朋友也可以用壁挂洗衣机单独洗小孩的衣物。原理上跟洗衣机一样,就是更小一些挂在墙上,瓷砖或者涂料的墙上都可以安装。
经过一段时间的使用,对于壁挂洗衣机的评价还是很高的。
也正是因为选择了壁挂洗衣机,挂在传统洗衣机的上方,我才没有地方放置烘干机,所以在选择的优先级上,我个人认为壁挂洗衣机优于烘干机。
如果空间足够的朋友可以考虑三个都要!想要安装壁挂洗衣机的同学特别需要注意的一点,一定要提前规划!
壁挂洗衣机的安装首先对于墙体的材质和厚度有较高的要求,一定要安装在坚固厚重的墙上,如果墙体不够厚,需要加装另一侧墙体的加固板。
而且关于上下水管和电源线,也可以提前预埋pvc管道来进行隐蔽处理。需要注意的是预埋的管道一定要够粗,否则安装时发现线管串不过来就白费劲了。
关于品牌,壁挂洗衣机的品牌并不是很多,主要是小吉和大宇。个人对于韩国的品牌排斥,所以排除了大宇。
小吉的水滴设计也获得了红点设计奖,外观上确实很好看,所以选择了小吉。壁挂洗衣机的问题主要在于提前的计划和水点设计,早些规划就可以啦。
实在没有预埋管道的同学也可以安装,只不过水管电线裸露在外有些难看,但是并不影响使用。
30烤箱、蒸箱、微波炉
除了微波炉是家家必备的生活电器,烤箱和蒸箱需要根据烹饪习惯和需求来选择的。
对于现在市面上很多一体机需要强调一点,和洗烘一体洗衣机一样,集成在一起的永远没有独立的更好,是一种节省开支和空间的选择。
对于烤箱,经常烤东西,做蛋糕或者饼干之类的烹饪达人应该比较了解,烤箱最重要的是温控的准确度和加热的均匀。
专业的烤箱都有精准的上下独立温控,上下独立烤,热风循环等功能。蒸箱同样的,对于蒸汽温度的控制,出气是否均匀都有很好的把控。
所以独立的蒸箱、烤箱都是最专业的,但是除了过高的价格,还有巨大的空间需求,让大部分家庭无法选择。
现在市面上有很多微蒸烤一体机,价格也十分低廉,1000多元就可以买到。而作为一个烹饪小白,在刚开始的时候也被这种一体机迷惑了,觉得这样的一体机比单独购买更好,但深入了解后发现,这些微蒸烤一体机,是将三个功能整合在一个机器里,主机没有足够的空间来保证每一套系统的完整。
这就导致了三个功能都能做,但是哪个也做不好的情况。
微波炉不能热金属,这是常识,所以带微波功能的烤箱就一定不能有下加热管,这是无法克服的技术壁垒。没有下加热管就自然无法做到上下烤,和独立下烤,更无法在烤箱中安装旋转烤架。
微波炉大家都用过,通过微波加速水分子的运动来加热,经过微波加热的食物会变得干瘪,水分流失。
我们使用蒸箱的初衷也是因为蒸是一种健康的烹饪手法,可以保持食材的水分,保证原汁原味,营养不流失。
我们使用微波炉的初衷是方便快速的加热食物,主要是为了节省时间,节省操作,代价就是营养的流逝和口感的变差。
烤和蒸需要的时间都更长,是追求优质烹饪效果的选择。
所以微蒸烤一体机广告上说的各种组合,微烤,微蒸,自己想想真的有说的这么好吗?
对于一个三个都可以做但是哪个都做不好的为蒸烤一体机存在的最大意义就是节省空间!空间紧张,预算有限,而且不那么追求烹饪品质的家庭使用微蒸烤一体机还是很合适的。
但是对于厨房空间充足,预算充足,追求更高生活品质的家庭,可千万不要被这种微蒸烤一体机迷惑。
关于嵌入式,对于厨房空间富裕,可以做专门放置烤箱蒸箱的橱柜,那么嵌入式当然是最美观的选择。
空间富裕到任性的家庭,安装的高度当然是台面上的高度最为合适,过高容易有危险,过低使用起来很不方便。
台面空间较大的也可以直接选择台式,放到台面上使用。
由于我家橱柜扩展到了餐厅,有着比较多的台面,所以我选择了台式款蒸烤一体机,比起微蒸烤一体机,蒸烤功能的结合更为合理,虽然还是不如独立蒸箱烤箱,但是可以满足我得烹饪需求。有独立上下温控,独立上、下烤,循环热风,旋转烧烤架,比起微蒸烤一体机功能还是强大了许多。
由于尺寸限制选择了华帝的一款较小的蒸烤一体机,虽然有一系列的波折,但最终还算是解决了,烤过几次鸡翅和鸡软骨,蒸过几次粽子,效果还不错。
有了蒸烤箱,微波炉就可以选择功能简,体积小巧的款式了。
31冰箱
冰箱分为直冷和风冷两种类型,风冷各方面都比直冷更好很多,但是直冷价格十分低廉,所以正常自家使用都要选风冷,出租房才会使用直冷。
直冷冰箱,就是在冰箱后侧有一些制冷的金属管道,直接通过这些管道进行制冷,首先管道周围的温度低于其他位置,制冷不均匀,另外会在制冷管上结霜,时间久了会出现大量的冰冻在制冷管上,需要定期清理产生的霜冻,严重时还会导致抽屉、门被冻住,无法打开。
风冷冰箱,是在各个仓室内吹出设定温度的冷风,制冷均匀,而且不会结霜。但是风冷冰箱吹风会有一定的风干效果,导致水分的流失。好在一般风冷冰箱都会有独立的保鲜室,保持一定湿度来维持水分。
网上有些看起来很好看的复古外形冰箱,虽然好看,但是是直冷的,居然还能卖到大几千,还有几百人付款,真的是可怕。
直冷冰箱也就值个几百,一千块,看到有这么多人花冤枉钱买了个直冷冰箱,还追加评论很好看很满意,实在是有些心疼。
尤其女士们,不要光看样子,否则容易上当受骗。当然这种直冷冰箱专门作为酒吧,餐厅冰镇饮料使用,摆出来又好看,还是有可取的地方。而且通常的功能分区也不适合正常家用,所以家用还是选择正经的风冷冰箱吧。
关于定频、变频,冰箱基本上全年无休的工作,自然变频更加好,但是定频的价格会比较低廉。
双开门、单开门的选择完全看各家的空间了,冰箱的容量在尺寸允许下尽量选择大的,永远要相信自己有能力把冰箱塞满。
注意看装修账单和前面图片的同学对我家的冰箱可能有些兴趣,将近9000的价格,也不是大尺寸的双开门,有些贵啊。
我是在苏宁实体店购买的一台松下原装进口的冰箱,尺寸上在一开始的设计是,就只预留了65cm的宽度,所以冰箱只能选择60cm宽。
这款冰箱外尺寸虽然不大,但是由于压缩机置顶技术,为冰箱的内部节约出很大的空间,就是冰箱的后背很薄,可储存的区域很深,容量比同尺寸冰箱大不少,而且下面的所有抽屉区域都可以完全拉出。
还有个放纯净水就可以制冰的小冰室,分区也比较多,特别有日本节约空间,分区细致的紧凑设计,也十分符合我家空间狭小的情况。
虽然价格比同尺寸的冰箱都贵了快一倍,但是看到这款之后就再也看不上别的冰箱了,最后咬咬牙还是买下了。
事实证明只有交钱的时候有些痛苦,其余使用的时候都是很爽的,这个钱花的不亏。这也是我一直努力控制预算节省出来的,如果每样东西都任性的喜欢什么就买什么,贵也无所谓,可能实际花费就比预算多出去太多了。
32电视
电视又是一个挑起来很复杂的东西。价格区间也非常大,同样大小便宜的一两千,贵的几万块。
由于我对于电视的需求没有特别的要求,又不是土豪,也不想挑的太费劲,所以确实没有做什么功课。
个人对于品牌上是有很明显的倾向,比较青睐索尼,所以就选择了索尼的一款尺寸和价格合适的65G8588X。
关于电视的尺寸,按照观影距离会得出合适的尺寸,建议可以稍微大一点,不用担心眩晕,只要电视不是充满视野就不太会造成眩晕。
市面上还有各种OLED,QLED等价格不菲的类型,由于我的预算有限,没能力选购,激光电视,和投影,都需要较暗的环境观看,而且对于投射的面积和观影距离有较高的要求,还有音响系统,这些都属于十分专业的领域,我就帮不上大家什么了。
33浴霸、电动晾衣杆
浴霸、电动晾衣杆,这两个安装在吊顶上的电器也是很值得说一下的。
现在的浴霸大部分是风暖类型,灯暖多年前比较流行,风暖更加舒适,也有一些风暖灯暖集成在一起的浴霸。
尺寸上因为卫生间大部分也是推荐使用铝扣板吊顶,都基于30x30cm为一个单元格,所以浴霸基本都是30x60或者30x45这样的尺寸,十分适合安装在铝扣板吊顶上。
风暖浴霸暖风口不要直吹淋浴时人站的位置,即使是暖风,直吹身体也会感觉冷,而且浴霸的排风管在主机的上的方向会影响到浴霸的位置,尽量早些选择型号,完善设计细节。
而且浴霸需要预留不同数量的火线零线,所以早些选定,在水电改造时可以准确的预留相应的线路。
价格上偏差比较大,实体店和网上价格也差不少,我认为浴霸这个东西属于比较简单的电器,使用效果上也没有明显的差异,即使需要更换维修,铝扣板吊顶上操作起来也比较方便,所以选择了网上购买比较便宜的,功能上暖风,换气,吹风,照明都有,完全可以满足使用需求。
吊顶商家都会有厨卫套餐,包含浴霸,比单独购买吊顶和浴霸会实惠一些。
电动晾衣杆和浴霸有类似的情况,实体店价格普遍很高,三千五千都不少,由于我对于电动晾衣杆的需求很简单,只需要升降和照明,所以也是在网上购买最便宜的款式。
市面上大部分电动晾衣杆都集成了很多功能,紫外线杀菌,烘干,价格也高很多。我个人认为完全没必要,想选个功能简单价格便宜的还真不容易。
现在的电动晾衣杆都是遥控的,不需要预留面板位置,我已经预留了面板,想简单的选择线控版都找不到。主机也只需要预留火线和零线,所以并不像浴霸一样需要提前规划,只预留火线零线就可以了。
34扫地机器人
基于扫地机器人的技术逐渐成熟,已经不比几年前的人工智障,还是十分推荐购买的。
关于当下比较流行的品牌:iRobort,科沃斯,石头,米家.
iRobort是最为高端的,使用效果也是最好的,i7自动清理尘盒并打包,可以减少人工干预,也不会造成清理尘盒的二次污染,可以很久不用管它,很长时间之后扔掉打包出来的尘袋就可以了。但是价格昂贵,7000元左右。
科沃斯,石头属于中间段,价格3000-4000元左右,清理效果各有所长,也有各自的问题。
而性价比最高的米家,只有不到2000元的价格,还是以超高的性价比具有很强的竞争力。
我最终选择的是性价比最高的米家LDS激光导航版。科沃斯和石头比米家的贵1000多元,但是性能没有更优越,有的地方甚至不如米家。
所以建议要么直接买iRobort的i7,一次性到位,要么选择便宜的米家,随便用上几年,等待技术进步和产品迭代,之后再更换技术更好的新产品。
花大几千块买扫地机器人,过两年更好地产品出来是真不舍得换啊。
通过一段时间的使用,米家这款激光导航版扫地机器人给我的感觉还是挺聪明的,注意观察过它在有桌椅腿地方的清扫过程,钻的明明白白,完全不会困住。
通过第一次清扫,会绘制家中的地图,在手机上app上可以看到,而且会标记清扫路线,保存每次清扫的记录。
可以完全自主的完成清扫和完成后的返回充电,更换拖地专用的拖布和尘盒还可以完成拖地、扫拖模式。
虽然最强吸力模式下噪音比较大,但是可以手机app远程启动,家中无人的时候自己完成清扫后回充。指定区域的清扫和禁区,虚拟墙的设置也可以更灵活的使用。
35其他电器
即热饮水机、洗菜机、电饭煲、空气炸锅、面包机等厨房小家电,就根据个人需求选择。
特别推荐即热式饮水机和洗菜机。
即热式饮水机不需要做开水再保温,或者晾凉,直接可以选定出水温度,配合净水器,随时补充饮水机水箱中的水就可以了,十分方便。
还有一些净水器直接继集成了即热功能,也是十分推荐的。
洗菜机省去了洗菜洗水果的麻烦,臭氧杀毒的洗菜机相对便宜一些,几百块钱,但是物理冲洗方面差一些,可以洗蔬菜水果肉类还有谷物。
超声波洗菜机洗的更干净,原理就和洗眼镜和首饰的超声波清洗机类似,体积更大,但价格比较高,3000元以上。
最后聊聊软装家具。
个人认为成品家具完全可以用网购完成,同城有实体店的去看看心里就更有谱了。
我成品家具的电视柜,床,梳妆台,床头柜是在淘宝上“源氏物语”买的,北京有实体店,去店里看过实体,各方面都比较满意,使用情况和外观效果也都不错。
还有很多类似的网店,网上购买还是很省事的,看看手机就可以了,不用去家具城跑断腿。家具城也有很多成品家具的品牌,有时间去逛逛和网上的对比参考,最后再决定在哪里购买。
其实进入这个阶段挑选起来的感觉就轻松开心很多了,大部分时候是尺寸和样子主导选购,所以按照自己喜欢的样子愉快的挑选吧,即使去逛家具城也不会那么疲劳乏味。
这部分除了一些客观的原因之外,最重要的原则就是美观!可以相对任性的按照自己的外观偏好挑选喜欢的,女士们会比较开心,男士们可以稍微轻松一点,多听听女士们的意见,多让她们选择喜欢的,自己划划水,有助于家庭和谐。
36沙发、茶几
关于功能沙发,确实会十分舒适,包裹感很强,真皮也很有质感,但是这样的沙发普遍比较丑,尤其是空间小的家庭,功能沙发膨胀感十足,摆在家中会产生很强的压迫感。
而且家中有宠物猫狗的,尽量就不要选真皮材质的了。
沙发这种光看样子是无法准确挑选的,建议去家具城试坐一下,而且定制空间很大,尺寸上都可调整,把手的宽窄,靠垫的柔软度,面料的颜色和材质。
尤其面料和材质,选择的空间非常大,完全可以满足各种需求。
本人是宜家一生黑。宜家的沙发是为数不多可以买的大件,就是没有定制空间,尺寸上也偏大,如果特别合适和喜欢的是可以选购的。
由于我家沙发摆放位置的原因,紧挨着阳台配重的矮墙,可以很和谐的选择贵妃榻,所以选择了带贵妃榻的三人沙发,朋友来可以多坐人,平时两个人,一个摊在贵妃榻上,一个摊在剩下的两个位置上画面还是挺和谐的。
茶几和沙发相同,如果空间不大不建议选择复杂的膨胀感十足的款式,而且茶几需要摆放在相对中间的位置,过于厚重不仅不美观还会很碍事。
简单轻巧的茶几还可以方便挪动,比如我家聚会的时候,朋友们围在沙发前的地毯上玩起了switch的跳舞游戏,场面十分辣眼睛,这时候就需要挪走茶几,如果是一个厚重茶几就很不方便了。
37餐桌、餐椅、吧台椅
餐桌也会过于膨胀的问题,在满足使用的前提下尽量选尺寸较小,款式简单的。
空间有限的同学十分推荐可以拉伸的款式,日常两人用1m餐桌正合适,拉长后1.3m挪到中间位置,可以供6人使用。
餐椅可以选择和餐桌配套的,这样可以保持外观的一致性,会更好看。如果选择木质,并且同屋有其他木质成品家具,颜色尽量相近,能在同一家店购买最好。
我由于尺寸的受限,无法和电视柜一起选择源氏物语,这就导致了胡桃色的偏差,最终只能用桌布掩盖弥补,好在后续其他软装装饰到位后,不太会注意到颜色搭配的不和谐。
吧台椅,请根据配合的台面或者桌子高度选择,低于台面或桌子35cm左右用餐使用比较舒服,不要买高了,否则吃东西时会很别扭。
38床、床垫
床可以说是家里占地面积最大的家具了。
首先肯定是会受到尺寸的影响,请在设计阶段,尽量精确尺寸,合理安排卧室家具摆放。
由于宽度有限,我只能选择床头尽量窄的款式,才能保证床脚位置的动线。
许多家庭可能也会有类似的尺寸问题,所以根据空间大小注意过于膨胀的床头款式是否适合。
关于榻榻米,除非空间实在不够只能如此弥补储物需求,尽量不要选择,拿去物品十分不方便,床底封死也会导致潮湿和空气的不流通,容易产生卫生问题。
床底留空,保证床垫的透气,是最健康合理的选择,可以在床底放置储物盒来弥补收纳空间。
床垫,去家具城挨个躺躺试一试感觉,根据自己的软硬喜好和预算很容易就挑到合适的床垫了。
我选择的是喜临门“蜜月”这款床垫,喜临门比起慕斯、席梦思等价格昂贵的高端品牌,价格还是十分有亲和力的。
床垫就跟鞋一样,好的贵的不如适合自己的,多躺多试一定可以买到满意的床垫。
39灯具
建议不要去灯饰城购买,价格虚高的离谱,直接淘宝解决,经济实惠。
淘宝200元的灯,去灯饰城能给你卖到几千。
而且去灯饰城挑的话,挑花了眼,最终让你选定的原因不是哪个灯满意,而是颈椎疼和走不动了。
躺在床上用手机挑挑看看,慢慢挑,很轻松的就能买到满意的灯具,价格也很便宜。
去灯具城盲目的挑选,最后很容易因为挑花眼和时间体力不够而卖到又贵,安上又后悔的灯。
由于房屋装修风格和个人审美喜好的不同,没有明确的正确与错误的选择。
但是房屋层高不够的,灯具下方是动线或者开放区域的,谨慎选择吊灯。
所有灯具都要提前规划,在水电改造期间预留电线,尤其壁灯、浴室镜灯、柜体灯带。
如果是吊顶*射内**灯或者筒灯,电线够长的话后期安装位置还可以进行调整,铝扣板吊顶在安装前购买射灯或者筒灯,直接让吊顶安装师傅把铝扣板孔开好,方便后期灯具安装。
整体上只要尽早规划位置和尺寸等问题,灯具方面会很顺利。
关于色温,3000~5000k是家庭常用的色温区间,越低越黄,越高越白,高于6000k色温就会出现发蓝的情况。
白光虽然会显得更亮堂,但是缺乏温馨感,显得惨白,黄光温馨,但是照明效果不如白光,过于暗黄也会显得老旧。
所以4000k左右自然光颜色是不会犯错的颜色,大部分灯光选择自然光效果都不会差。
特殊区域,厨房台面照明,衣柜灯带、衣帽间照明,推荐白光,照明需求大,白光更能满足,照明区域小,白光不会影响氛围。
餐桌、卧室建议选用低色温暖光,可以更好地营造温馨感。
关于柜体灯带,这是一个十分麻烦的工作,除了要提前预留电线,安装时的走线也非常麻烦,尺寸也需要精准定制,一般定制衣柜商家都不愿意做,基本用高昂的价格劝退你。
想装的话就得自己安排所有内容。淘宝上可以很容易的找到各种灯带的定制服务,提供给他们精准的尺寸,线路长度,出线方向等信息,就可以制作出想要的灯带。
但是整个过程要保证没有错误,一个错误可能就会导致所有计划的失败。我在定制灯带的时候就出现和商家沟通的失误,导致描述出线方向时搞反了,定制衣柜安装的当天才发现,还好自己动手把灯带中led组件条拆除,掉转方向后重新组装,最后有惊无险的完成了安装。
由于灯带和顶灯都直接通过开关控制,为防止衣帽间忘记关灯,长时间发热的安全隐患,在灯带变压器前段安装了定时断路器。
定时断路器是一个很小巧的盒子,手动调整自动断电时间,大概30分钟,到时间后会自动切断灯带电源,关闭开关,重新开灯之后进入下一次30分钟断电周期。
所有灯带相关断路器,变压器,分线盒都置于衣柜顶部,有挡板遮蔽,灯带走线从柜体后背板打孔穿入,走边角到达灯带。最后在淘宝购买和柜体相近颜色木纹胶带,隐藏粘贴裸露电线。
40窗帘
窗帘是一个实体店价格偏高的产品。
所以窗帘选购时如果价格高,请务必深入了解一下原因,如果真的有什么特别之处导致价格较高,请自己判断是否真实是否有必要。
淘宝上窗帘店铺也会提供相关挑选窗帘的颜色的技巧以及按照你家照片帮你推荐颜色。
决定之前一定要先购买小样,考察窗帘材质,也可以更真实的看到颜色,放到墙上进行比对,确认没有问题之后自己测量尺寸后购买。
关于褶皱倍数,一般店铺会推荐所有材质都是2倍褶皱,2倍褶皱确实是可以保证效果,1.8倍其实也足够了,价格相差不多,可自由选择。
关于轨道的选择,由于我家一开始就已经提前安装了窗帘盒,所以之间购买轨道安装在窗帘盒里就可以挂窗帘了,关于罗马杆等其他挂窗帘的方式没有了解过,请根据情况和商家客服沟通探讨。
我是轨道和窗帘分开购买的,先买了轨道安装完之后才慢慢挑选的窗帘,其实也可以在一家店全部搞定。
在窗帘盒上安装轨道是十分方便的,由于顶面有木板垫底,可以直接使用手钻将自攻螺丝打入即可,可以尝试自己安装。软装部分还有很多琐碎的内容,例如地毯,装饰画,花架等等,完事按照自己喜好随意挑选,这个时候就是最开心的环节,这段时间会有大量的快递,开心的布置新家吧。
最后说下我装修的选购经验
主材是装修成本的最大组成部分,装修中接近一半左右的成本都会花在主材上,所以在控制成本是主材是重中之重。
而且主材各品牌之间的差异十分巨大的,挑好了,舒心,挑不好,毁所有!
特别感谢装小蜜监理提供的主材内购平台(现在仅北京、上海、杭州3个城市有),价格上亲测确实比自己去建材市场寻到的价格低或者持平,最重要的一点,十分方便!
在装小蜜的内购小程序上就可以加入各个主材品牌的内购群,直接会有导购接待,加微信好友。
你可以先用微信和这些导购沟通,聊的差不多了,周末抽个时间去实体店看看。
因为上班族工作日是不可能去建材市场逛的,先有效的微信沟通之后,利用周末的时间有目的且高效地逛建材市场,可以为我们省下很多时间和精力!
我几乎所有的主材都是用这种方式购买了所有的主材,即使没有从内购群里购买,也会在挑选主材的过程中提供很好的参考和帮助。
而且经过比较,内购群给到的价格确实比市面上更有竞争力,而且还会有一定额度的成交后返现,可以藏一波私房钱。