所谓阻容降压电路,原理是电容在一定的交流信号频率下产生的容抗来限制最大工作电流。工程师们利用电容的这个特性,在一些要求不高的小产品中(如LED灯泡)会使用阻容降压来提供电源,主要优点是器件少、成本低。

阻容降压电路原理分析:
阻容降压的本质不是降压,而是限流,其输出电压大小由负载的阻抗大小决定,阻抗大电压就高,阻抗小电压就低。电容器实际上起到一个限制电流和动态分配电容器和负载两端电压的角色。
根据电容容抗的公式: Xc=1/(2πfC),在市电中(220V/50Hz)接入一个1uF的电容所产生的容抗约为3180欧姆,则流过电容的最大电流约为70mA。并且电容器所作的功为无功功率,不会产生功耗。
将一个5W/65V的灯泡与1uF电容串联接到220V/50Hz的交流电上,灯泡同样会被点亮,而不会被烧毁。就是因为5W/65V的灯泡的工作电流也约为70mA。

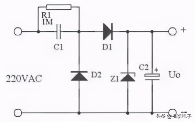
阻容降压电路(半波)
上图是阻容降压的典型应用电路,C1为降压电容,R1为断开电源时C1的泄放电阻,D1为半波整流二极管,D2在市电的负半周为C1提供放电回路,否则电容C1充满电就不工作了,Z1为稳压二极管,C2为滤波电容。输出为稳压管Z1的稳定电压值。

阻容降压电路(全波)
阻容降压电路(全波)参数计算:
1.首先根据负载的工作电流大小和交流电的电压频率选取适当的电容,计算公式如下:
容抗 Xc=1/(2πfC)
电流 Ic=U/Xc=2πfCU
此电容必须是无极性,且耐压要大于400V,常用金属膜CBB电容。
2.根据电容大小选取合适的泄放电阻,按下表取值即可。

3.选择的稳压二极管最大反向电流要大于总电流,这样当负载断开时,稳压管才不会烧坏,此处由于电容已经限制了电流,所以稳压二极管可不用串限流电阻。
4.整流管选择1N4007即可,输出滤波电容选择几百uF就行。
阻容降压电路应用注意事项:
阻容降压电路虽然成本低,但是不隔离,存在安全隐患,一般应用在接触不到的地方。
阻容降压电路不能用于大功率场合,一方面由于结构简单不安全,另一方面电容的容量与电流也限制着,一般使用场合电容容量不超过2.5uF。
阻容降压电路适合用在负载电流小且负载固定的场合,不适合动态负载条件、感性负载、容性负载场合。