2017年,中国一拖自主研发制造的东方红-LW4004重型拖拉机与我国众多令人瞩目的高科技成果一起,亮相“砥砺奋进的五年”大型成就展。

东方红-LW 4004重型拖拉机
东方红-LW 4004重型拖拉机结束了我国350马力以上重型拖拉机必须进口的历史。该拖拉机突破了无级变速传动系统、智能化控制管理系统等重型拖拉机关键核心技术,填补了多项国内技术空白。
其中的无极变速技术在国外已经成为高端拖拉机的标准配置。
在欧洲媒体评选的“年度拖拉机”大奖中,从2010年的获奖拖拉机纽荷兰T7070到2017年的凯斯300 CVX,这些机型的变速箱几乎都是无级变速的。
上世纪90年代中期,芬特(fendt)生产了第1台装有无级变速器的拖拉机产品,自此,国外无级变速拖拉机技术经过20多年的发展,已经相当成熟了。
无级变速技术包括液压机械无级变速技术、CVT无级变速技术等。
其中,液压机械无级变速技术起源于芬特生产的第一台无级变速器,它的主要构成包含液压泵、液压马达和多个速度区段的机械式变速箱。其实质就是一个液压功率与机械功率合流的无级变速器。

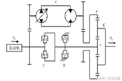
液压机械无极变速传动结构简图
液压机械无级变速传动结构如上图所示。从发动机输出的功率分成两路, 一路作为机械功率通过离合器直接传给太阳轮s。另一路作为液压功率, 经传动齿轮后, 通过液压传动系将功率传给齿圈r, 最后功率经差动轮系合成后由行星架c输出。
诸多品牌的该项技术基本都是利用功率分流再合流这一思路,只是各自在系统调校上有所不同。
凯斯SteigerCVXDrive系列拖拉机(额定功率370~540马力,最大功率605马力;0.0546~40公里/小时的速度下实现无级变速)是十分典型的无极变速拖拉机。
请大家看一下图文版解析

凯斯该型拖拉机的无级变速箱

无级变速箱的内部

这套齿轮机构就是无级变速器复杂的的行星齿轮组

这就是换向离合器传动部分,中间标红的部分就是湿式离合器

前进离合器部分,它也是利用了湿式离合器

标红部分就是无级变速器的HST(液压泵与液压马达的集成)


标蓝色的部位就是功率分流中的液压功率流部分