在工业控制或者民用中,有一些特殊场合必须保证不间断供电,比如加油站、地下抽风机、消防供水泵、养殖供养机等。这就要求当一路电管因故断电时,备用电源能自动投入,怎么解决这类问题?今天给大家分享通过控制电路来实现备用电源自投控制电路。

控制电路
电源自投控制线路可分为两种,一种是单相;另一种三相;
单相双电源自投控制
- 控制原理图

原理图
工作原理:工作时先合上开关S1,交流接触器1KM吸合,由于1#电源供电,然后合上开关S2,因接触器KM1与KM2互锁,此时接触器KM2不会吸合,2#电源处于备用状态。如果1#电源因故障断电时,交流接触器1KM释放,其常闭触头闭合,接通2KM线圈电路,2KM吸合,2#电源投入供电。也可以先合上开关S2,后合上开关1S,使1#电源为备用的电源。
- 实物接线图

单相双电源控制线路图
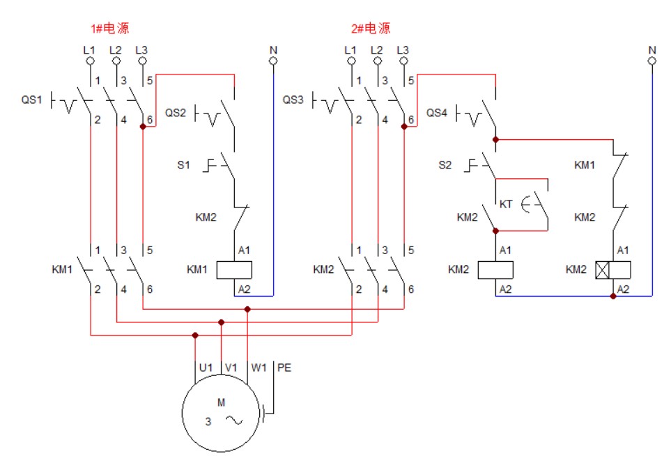
三相双电源自投控制
- 原理图

原理图
工作原理:工作时同时合上断路器QS1、QS2、QS3、QS4,接通开关S1、S2,接触器KM1接触器线圈得电吸合,同时,时间继电器KT也得电,但由于KM1接触器的吸合,KM1常闭触点又断开KT时间继电器的电源,这时1#电源向负载供电,2#电源为备用电源。
当1#电源因故障断电时,接触器KM1释放,这时KM1常闭点闭合,接通时间继电器KT线圈上的电源,时间继电器经延时数秒钟后KT延时常开点闭合,2KM得电吸合,并自锁。由于KM2的吸合,其常闭点一方面断开延时继电器线圈电源,另一方面又断开KM1的电源回路,使1#电源停止供电,保证2#电源正常供电。如果2#电源工作一段时间断电后,KM2常闭点会自动接通线圈KM1的电源换为1#电源供电。
- 实物接线图

三相双电源自投控制线路
这里接触器应根据负载的大小进行选定,时间继电器可选用0~60S的交流时间继电器。有不明白的地方评论区留言一起讨论,学习电工电控知识请关注阿智!