下面简单介绍一下这款螺丝刀:该螺丝刀的电机和减速部分使用的是瑞士行星齿轮减速电机,号称世界上最小的减速电机。电压3V,具体参数可以见最后的厂家说明书。
该减速电机拧小直径的螺丝是绰绰有余,所以大家不用担心拧不动的情况。该电机正常转速六十几转,也符合电动螺丝刀的钻速标准(毕竟不是电钻)
电池使用的是定制锂电池,也是最小的聚合物锂电池,是用在*子烟电**里的。
此螺丝刀最大的难点在于可左右换向,当时考虑用电路来达到效果,后来发现体积太大只好放弃,最好思考到脑袋暴才想到使用换向器。
金色的就是我做的电动螺丝刀,大家可以和论坛螺丝刀做一下比较。

再来一张

这就是所谓的冯哈伯瑞士减速电机,的确很小

直径只有8mm

该电机自带编码器,我不需要,所以要拆除降低长度

尾部拆除

拆除后的尺寸

尾盖不能少,打磨薄一点

重新装好

重新焊导线,引出

由于前面有焊齿轮,我需要将其磨掉

磨掉后的模样

切割后的样子

特别购买的电池,很难买到

直径和长度都很小

直径不到8mm

万能的淘宝购买的铜材

有管,有棒

先用8mm钻头绞孔,因为内径不均匀

没有车床,只能出此下策

车尾部台阶(作用往后看)

切割出止转槽并打磨

前面倒角

加工后的筒体

由于内孔刚好8mm,电机装不进去,所以需要再内径扩大一点点

土法上马

制好的铰刀

绞到一半

完全绞好

下面是换向器的制作,原料来自马达

拆下换向器

剪切铜片

这就是电动螺丝刀的换向器

镶入

钻孔

装好换向片

打磨组装

装在手柄尾部的

做尾部旋转开关外圈

钻孔

直径和车制好的柄尾一致

打磨边角

切割

安装好的样子

换向器需要固定,所以打凹孔

柄上打孔后用螺丝固定,后切断螺丝,锯出一字槽

内部换向圈,通过螺丝和外部圈同步转动,由于槽的限制,所以只能旋转180度

电刷部分,蓝色为电刷座,铜圈为转向导圈

一半一半的原则

安装好的样子

下面是刀头部分选择南旗送的小螺丝刀头

使用迷你钻夹头做批头夹头

改造合适

两者由于直径悬殊需要增加直径

先热缩管,后笔芯

夹头内部用易拉罐增厚

套上去刚刚好

锁紧螺丝需要锯短

装好后的样子

和手柄比一下,内部的安装摸样

电池焊好导线

全部线路走法

手柄加工凹槽,先划线

锉刀打磨

砂纸细磨后抛光

打电机固定螺丝孔

焊电池和换向器

焊好后的样子

组装内部

马达导线从换向器中心穿出

焊接换向电刷

安装后的换向器

尾座螺丝切短

开槽

组装后齐平

全部组装好后固定电机螺丝

完工!尾部之后处理

换向器原理图

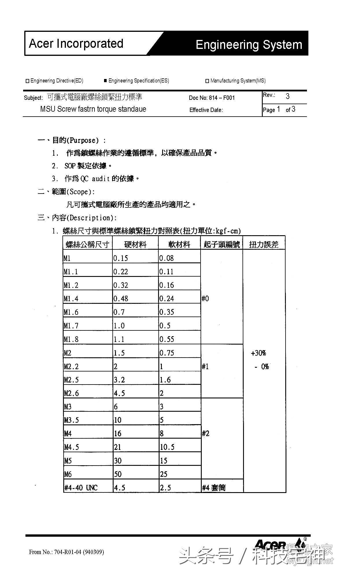
各规格螺丝所需扭矩

马达规格

全剧终,因为图片太多,筛选部分上传。
下面是之前设计的图纸,由于没有车床等设备,原设计流产
原设计内部结构,大小是和数码之家螺丝刀1:1的

筒体部分

头部,需要安装轴承的

换向器原设计

手动工具合集

电动工具合集

工作台

内容来自网络收集 http://bbs.mydigit.cn/read.php?tid=429749&fpage=4