建筑电气系统图纸符号大全解释 (水暖供水和回水图纸符号)

本资料为 建筑电气、水暖、通风工程图形符号大全35页。如需原文件,私信回复关键词:机电35.

主要内容:

  • 一、电气工程图形符号
  • 二、管道工程图形符号
  • 三、暖通工程图形符号

内容展示:

暖通通风图纸符号大全,土建电气图纸字母符号大全

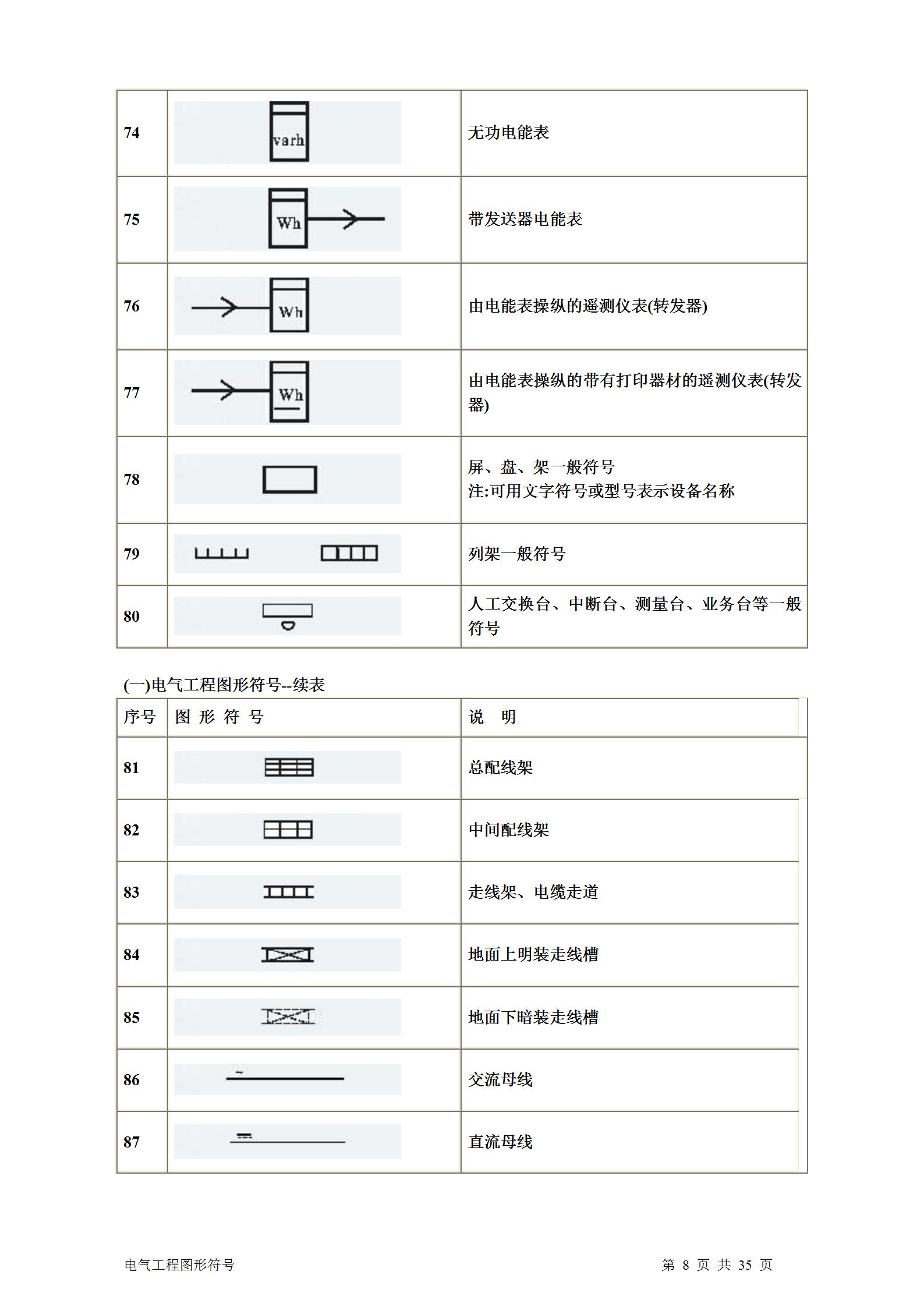
电气工程图形符号

暖通通风图纸符号大全,土建电气图纸字母符号大全

管道工程图形符号

暖通通风图纸符号大全,土建电气图纸字母符号大全

暖通通风图纸符号大全,土建电气图纸字母符号大全

暖通通风图纸符号大全,土建电气图纸字母符号大全

暖通通风图纸符号大全,土建电气图纸字母符号大全

暖通通风图纸符号大全,土建电气图纸字母符号大全

暖通通风图纸符号大全,土建电气图纸字母符号大全

暖通通风图纸符号大全,土建电气图纸字母符号大全

暖通通风图纸符号大全,土建电气图纸字母符号大全

暖通通风图纸符号大全,土建电气图纸字母符号大全

暖通通风图纸符号大全,土建电气图纸字母符号大全

暖通通风图纸符号大全,土建电气图纸字母符号大全

暖通通风图纸符号大全,土建电气图纸字母符号大全

暖通通风图纸符号大全,土建电气图纸字母符号大全

暖通通风图纸符号大全,土建电气图纸字母符号大全

暖通通风图纸符号大全,土建电气图纸字母符号大全

暖通通风图纸符号大全,土建电气图纸字母符号大全

暖通通风图纸符号大全,土建电气图纸字母符号大全

暖通通风图纸符号大全,土建电气图纸字母符号大全

暖通通风图纸符号大全,土建电气图纸字母符号大全

暖通通风图纸符号大全,土建电气图纸字母符号大全

暖通通风图纸符号大全,土建电气图纸字母符号大全

暖通通风图纸符号大全,土建电气图纸字母符号大全

暖通通风图纸符号大全,土建电气图纸字母符号大全

暖通通风图纸符号大全,土建电气图纸字母符号大全

暖通通风图纸符号大全,土建电气图纸字母符号大全

暖通通风图纸符号大全,土建电气图纸字母符号大全

暖通通风图纸符号大全,土建电气图纸字母符号大全

暖通通风图纸符号大全,土建电气图纸字母符号大全

暖通通风图纸符号大全,土建电气图纸字母符号大全

暖通通风图纸符号大全,土建电气图纸字母符号大全

暖通通风图纸符号大全,土建电气图纸字母符号大全

暖通通风图纸符号大全,土建电气图纸字母符号大全

暖通通风图纸符号大全,土建电气图纸字母符号大全

暖通通风图纸符号大全,土建电气图纸字母符号大全

暖通通风图纸符号大全,土建电气图纸字母符号大全

暖通通风图纸符号大全,土建电气图纸字母符号大全

暖通通风图纸符号大全,土建电气图纸字母符号大全

本资料为 建筑电气、水暖、通风工程图形符号大全35页。如需原文件,私信回复关键词:机电35.