车型:配备1.6L Twin-Tec直列4缸发动机,81-40LE自动变速器。行驶里程:14409km。
故障现象:车主反映该车不能着车。笔者带上必要的工具设备和配件,前去救援。
故障诊断:首先确认故障。车主说该车停放在自家院子里无故报警,响叭频响,转向灯闪烁,继电器盒处和侧A柱内恻都有噼叭声响,将点火钥匙插入点火开关启动时启动机运转但不能着车,故障一般在洗完车两三天后较易出现。为避免车辆再次报警,车主已经将蓄电池负极断开。先将蓄电池负极接上,进行完怠速电机的学习后启动,发动机已能正常启动。反复试验,故障不能再现。连接T E CH2读发动机和变速器的故障码,无故障记录。根据车主的描述和笔者维修凯越车的经验,认为故障可能和以下几个方面有关:
(1)继电器盒下面的线束磨破或线束之间短路,引起发动机有时不能启动。
(2)变速器的挡位开关连接器进水,造成车辆有时不能启动。
(3)位于发动机舱左侧纵梁前部附近的冷却风扇继电器进水造成继电器盒内继电器频响。
(4)位于蓄电池支架下的C104连接器进水,经过该连接器的导线主要是有关转向灯和报警器及前机盖监测开关的。
(5) 发动机控制模块问题。
(6) 线束搭铁不实。
首先拆下继电器盒检查下面线束,未见有磨破搭铁和导线之间短路情况。拔下变速器挡位开关,没发现有进水。拔下左侧纵梁前部附近的冷却风扇继电器,也未见有进水。拔下蓄电池支架下的C104连接器,亦未见进水。用水龙头向发动机舱和整个车身洒水,模仿洗车,故障未再出现。断开蓄电池负极,将发动机控制模玦拔下,再接上蓄电池负极,用遥控器锁车,未出现无故报警的情况。检查位于发动机舱搭铁点的连接虛实情况,断开位于继电器左侧翼子板上的G105搭铁点,用遥控器锁车,观察锁车后的状况,没有异常情况出现。断开位于发动机舱左纵梁上的G103搭铁点,用遥控器锁车,没过几秒钟时间车辆的防盗被触发,报警喇叭频响,转向灯闪烁。打开车门,用点火钥匙启动,启动机运转但不能着车。仔细观察搭铁导线,上面有一层薄薄的油漆,看来问题就出在这里。用砂纸处理好搭铁点和搭铁线后,向客户说明发现一处问题,因为是间歇性故障,建议在使用中观察,有问题再绐我们打电话,客户表示理解。
然而过了五天后客户打来电话,说车的*毛老**病又犯了,在放置的过程中无故报警,不能着车。笔者再次去救援。因为客户在几天内又洗过一次车,对上次检查过的地方又复查一遍,未见异常,看来得调整一下思路了,应该对车上的其他部位做一个大体上的检查,而不应该仅局限在发动机舱了。因为车主反映左A 柱内侧都有噼叭声响,而那里除了闪光继电器还有一个和发动机着车相关的点火继电器,检查这两个继电器的情况,未发现异常。由于该车车况较新,洗车可能出问题的地方已经大部分都检查过,其他方面出故障的可能性已经很小了。忽然想到该车是不是出过事故呢?而车主为了索赔又不愿透露。经过对车仔细观察,发现此车左侧C 柱附近像是喷过漆,打开左后门门槛饰板,发现有明显的喷漆痕迹,饰板下面的G302搭铁点螺栓明显没上紧(如图1 所示)。处理该搭铁点后将车交付客户,故障未再现。
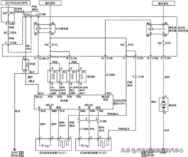
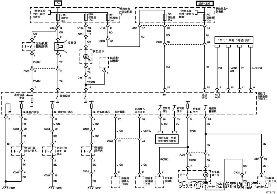
那么,此搭铁点又怎么会影响到发动机的启动和防盗呢?查阋电路图(如图2、图3 所示)可知,防盗系统的后备箱监测线搭铁和燃油泵的搭铁都在G302处。正是G302搭铁不牢影响燃油泵的工作,造成发动机有时不能启动和防盗被触发的问题。
值得一提的是,故障出现后诊断第一步可以通过 THCH 2看防盜系统数据,了解最近一次防盜被触发是由哪个触发点触发的,从而使我们的维修更有针对性。

图1 G302搭铁点处

图2 G302搭铁点电路1

图3 G302搭铁点电路2