前面讲过PLC控制变频器应用模式之一:端子运行指令通道+端子模拟量通道。该模式典型的应用就是在恒压供水中,利用远传压力表检测检测管道压力,转换成0-10V电压或4-20MA电流模拟量反馈到PLC中,经过PLC进行PID运算,再将运算结果变成模拟量输出,通过变频器的端子模拟量输入通道控制变频器频率从而调节水泵转速,这样形成闭环调节实现恒压供水控制,如下图:

我们以西门子V20变频器为例,来讲解变频器与PLC之间如何进行配合控制。由于PLC标配不带模拟量输入输出功能,所以选用一个模拟量输入输出模块EMAM06进行扩展,接线图如下:

0+,0-为模拟量输入接口,1M, 1为模拟量输出接口,DI1为V20数字输入端子,连接PLC的输出点Q0.0用于控制变频器启停,DIC为数字输入的公共端,图中连接24V电源的负极。
那么变频器该如何设置参数配合呢?
在调试参数之前对变频器进行恢复出厂缺省值操作,方法如下:

V20设置了参数访问级别P0003,需将级别改成专家才可访问全部应用参数,方法如下:

设置启停命令源为外部端子控制P0700,方法如下:

设置外部输入端子的功能P0701至P0704,方法如下:

设置控制线式P0727,方法如下:

设置频率设定选择P1000,方法如下:

还可以利用宏功能实现快速调试,系统提供了几个常用的宏,如下所示,每个宏的具体参数设置请参阅V20手册。

连接宏方法如下:

选择连接了对应的宏,如果个别参数不符合控制要求,再通过手动方式修改一下即可。
接下来编写控制程序,先对硬件系统块进行组态设置,方法如下:

再进行PID向导组态,方法如下:








编写好程序后可以通过向导数据块找到P回路增益,I积分时间,D微分时间的地址,通过修改值来进行调节,PID参数需设置成断电保持类型。如下图所示:

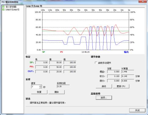
还可以通过软件提供的PID面板来进行调节,使调节更直观,如下图所示:

感谢耐心的读完这篇文章,希望对你们有所帮助,持续关注小舒还会更新其它模式应用详解。