VIN:LSGPB54U2BS××××××。
行驶里程:43210km。
故障现象:客户反映行驶中有时仪表灯点亮,发动机此时已熄火,但可以再次启动。
故障诊断:技师接车后确认是拖车进店的,随后在工位上启动车辆,可以启动着车,但车辆有抖动现象并伴随熄火;连续两次此现象,再次启动,故障现象消失,接着连续试车几小时,故障未再现。
首先做了常规检查,车辆的油、水、电及线路连接情况,未发现异常,包括蓄电池电压及发电量均正常,蓄电池上部的保险丝盒连接都很可靠。
使用专用诊断仪GDS,读取车辆DTC,故障码是头灯控制回路断路等,显示的故障码内容与车辆反映的故障现象不能吻合。
读取发动机数据,数据流显示如图1所示。

图1 数据流
长、短期燃油修正存在偏浓现象,而且再一次读取数据的过程中,发动机有“喘、抖”的现象,出现的时间很短,一会儿发动机就恢复正常。“喘、抖”的同时,发现长期燃油修正值为:-33;短期燃油修正值为:-24,数值都超过标准值很大,分析可能存在以下几点:
燃油油品存在问题
汽油压力存在问题
点火系统存在问题
相关模块存在问题
线路系统存在问题
根据平时维修的经验,英朗车出现抖动,一般会伴有故障码 P0300 发动机缺火。考虑故障的不定因数,仍然检查点火模块与火花塞的工作状况,并与同款车对换点火模块,没有发现问题。对于燃油修正偏浓,也已与同款车对换空气流量传感器,数值也没有改变。
检查汽油压力,压力表显示油压正常,并且接上油压表进行厂外路试,油压值显示均正常,如图2所示。

图2 压力测试
此次厂外试车连续发生过2次熄火,在行驶中莫名的发现加速没反应,重复两次此现象后,开车进厂检查。
由于在路试中直接感受到故障的现象,回车间再次读取故障,仍然没有故障码,数据显示还是差不多,考虑是不是曲轴位置传感器部分存在问题?尽管可能性不大,还是排除一下吧。
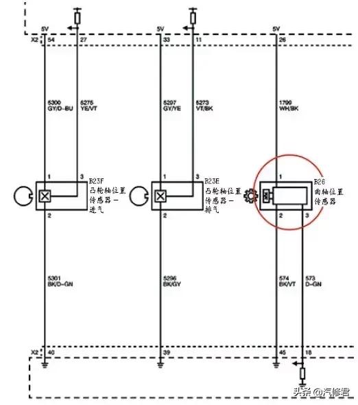
检查B26曲轴位置传感器(电路如图3所示)的1号脚与接地2号脚的5V参考电压正常;测量传感器的信号线3号脚与K20(发动机控制模块)18号针脚通断正常。由于线路检测正常,更换了B26曲轴位置传感器试车,试车两天未发现异常,以为问题解决,交车给客户。

图3 曲轴位置传感器电路
客户使用了两天时间,打来电话,车辆又发生同样的故障。听到此消息一时间也没有任何维修思路。该换的部件与同款车均已更换过,可仍然会发生同样故障,问题究竟出在哪儿?
冷静下来思考,发觉遗漏了比较关键的检查要点,如发动机控制模块和线路。拆解线束插头,检查插头部件没有明显问题,可拆除发动机控制模块,检查模块针脚时,发现在针脚处有氧化现象,如图4所示。

图4 发动机控制单元
拆除X2的73号针脚,发现此针脚内部有轻微变蓝(如图5所示),重新更换X2 的73针脚,恢复后试车,故障排除。

图5 针脚检查
故障总结:由于X2/73号针脚(如图6所示)内部氧化,车辆在行驶过程中发生内部虚接现象,造成发动机控制模块总接地触点接触不良,引起车辆熄火。

图6 X2/73脚电路
维修中由于没有任何参照与相应数据分析,很容易造成维修技师主观分析错误,往往很被动,容易重复维修,造成一定难度。
其实一些细小失误,往往会造成不可避免的错误,希望我们维修技师平时能善于总结与积累,在诊断故障时能迎刃而解。