第一章 基础知识
Q1: 脱扣等级是什么意思?脱扣等级为10A代表什么含义?
A1: 脱扣等级规定了从冷态开始,对称的三相负载在7.2倍整定电流时,不同的脱扣等级
具有不同的脱扣时间:
CLASS 10A 脱扣时间为2-10S
CLASS 10 脱扣时间为4-10S
CLASS 20 脱扣时间为6-20S
CLASS 30 脱扣时间为9-30S
第二章 3VU断路器
Q1: 3VU13,3VU16有何区别
A1: 3VU为国产紧凑型三极断路器,可用于电机保护,系统保护,变压器保护或熔丝监控。
共有3VU13和3VU16两个系列,同系列外形尺寸相同。
其主要区别为:
1、额定电流范围:3VU13额定电流范围是0.1-25A,3VU16额定电流范围是1-63A。
2、短路分断能力:3VU13和3VU16短路分断能力最高均可达100kA,但同容量3VU16分断能力等于或高于3VU13。
3、外形尺寸:3VU16宽度与安装深度均大于3VU13。
4、附加配件:3VU13具有更多附加配件,具体选型请参阅相关技术样本。
Q2: 短路故障显示器3VU9131-7AA00的动作特性
A2: 3VU9131-7AA00为短路故障显示器,其只在断路器短路时动作;当正常分合闸,发生过载,用TEST按钮测试,或辅助脱扣器(分励/欠压)造成脱扣等情况发生时,短路故障显示器均不动作。
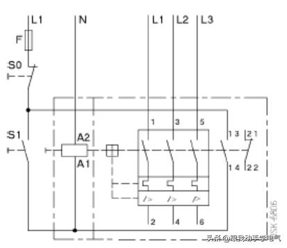
Q3: 3VU远程控制机构3VU9138-1AA14操作方法
A3: 3VU9138-1AA14是3VU断路器的远程控制机构。
如图所示,当按S1按钮,A1A2得电,远程操作机构动作,断路器合闸,此时辅助触点13/14常开触点闭合,形成自锁回路。需要分闸时可以通过本地手动分闸或远程电气分闸(按S0)。

图1
第三章 3RV断路器
Q1: 目前3RV系列断路器包括哪些类型
A1: 3RV为Sirius系列三极断路器,目前包括3RV1、3RV2系列进口产品和3RV5、3RV6系列国产产品:

Q2: 3RV1921-1M 信号开关的主要功能与动作特性?
A2: 3RV断路器(不适用于S00规格)附件3RV1921-1M信号开关主要功能是:输出两对不同的信号触点。通过此附件可实现过载、短路的独立信号输出。信号开关有一个指示窗和一个蓝色按钮,安装步骤:视窗为红色,将弹出的蓝色按钮复位(如图2操作),断路器处于分闸位置,将信号开关与断路器拼接(如图3所示)。手动合闸后指示窗变为黑色。这时触点为57/58(NO),65/66(NC);77/78(NO),85/86(NC)。
1.发生过载时:指示窗变红色,触点状态改变:57/58(NC),65/66(NO),3RV处于脱扣位置,故障排除后,手柄先至分闸,再合闸,指示窗及触点复位。
2.发生短路时:指示窗变红色,蓝色按钮弹出,触点状态改变:57/58(NC)65/66(NO);77/78(NC)85/86(NO),3RV处于脱扣位置,故障排除后,蓝色按钮按下,短路触点复位.手柄先至分闸,再合闸,指示窗及过载触点复位。
3.用TEST做测试时,指示和触点状态同发生过载的状态。
4.信号开关复位后,手动分和闸,指示和触点状态均不变。
如果需要实现过载和短路故障信号独立输出,可参考图4。

图2

图3

图4
Q3: 3RV系列断路器防止非法合闸
A3: 3RV系列断路器S00-S3规格手柄都可以在分闸位置加一把挂锁以防止非法合闸。其中,3RV1系列S00规格在分闸位置直接挂锁,如图5所示。
3RV1系列S0-S3规格及其他3RV产品需在分闸位置将手柄锁定机构抽出再挂锁。如图6 所示。
所有规格挂锁孔径均为3.5-4.5mm。
另外,3VU断路器在不加装附件的情况下无法锁分闸。

图5

图6
Q4: 3RV Test按钮功能
A4: 3RV前面板上有一个测试按钮,其功能为测试过载保护。与3RV1921-1M配合测试时,按下Test钮,3RV1921-1M只有一组信号点(57/58,65/66)动作,功能如下图7:

图7
该功能对于3RV13系列产品是特殊的,因为3RV13系列没有过载保护功能,S0规格产品上无Test功能,但是S2和S3规格上仍然会有Test按钮,该按钮测试脱扣机构。与3RV1921-1M配合测试时,按下Test,3RV1921-1M两组触点均动作。
Q5: 3RV1辅助触点参数对比
A5: 3RV1有横向安装的辅助触点和侧挂辅助触点两种触点,这两种触点除了安装位置不同之外,在触点容量和适用电压等级上也有区别,选型时需要考虑这些问题,详见下表:
横向安装:

侧面安装:

横装固态触点:

Q6: 3RV是否可以在直流系统中应用?
A6:3RV系列断路器可以应用于直流系统,需要注意接线方式和工作电压,分断能力也与交流应用有很大区别。详细参数请见 LV 1-T技术手册。

Q7: 3RV过载调节旋钮上的两个标记(三角和刻度线)起什么作用?
A6: 三角形和刻度线分别代表断路器在两种不同的安装方式下的基准刻度。
当断路器单独安装时,用刻度线做基准刻度。
当断路器并排安装或断路器和接触器插接安装时,用三角形做基准刻度。
不同的安装方式使用相对应的标记作为标准。三角形和刻度线均可以在允许范围内整定。
此外,还应注意当环境温度过高时,断路器最大整定值应相应降低。如下右图,环境温度为60摄氏度以下时,断路器整定值最高可设定为1.6A;如环境温度超过60摄氏度且低于70摄氏度时,整定值最高可设定为1.4A。
注:下图9截取自3RV使用说明书。

Q8: 3RV1908-0P保护罩的作用
A8: 3RV1908-0P是3RV断路器整定旋钮的保护罩,铅封后可以防止非法操作。适用于S00,S0,S2,S3规格。如图10所示。

图10
Q9: 3RV与3RT连接模块选型
A9: 用于3RV与3RT的连接模块3RA19.1-1.在样本上区分电压AC和DC,该电压为连接的接触器线圈控制电压,因为交流和直流线圈的接触器尺寸是不一样的,所以与其连接的模块也不一样。如图11所示。

图11
Q10: 3RV1电动操作机构
A10:3RV1马达保护断路器S2和S3规格可选配电动操作机构,电操机构有两种电压等级:DC24V和AC230V(50/60Hz),接线见下图12:

图12
通过电操进行远程电气分合闸的前提是将机构打到Automatic状态,如果是Manual状态,只能手动分合闸,Manual状态下的分闸位置可以通过挂锁锁定;如果断路器安装的3RV1921-1M故障指示器动作了,电操机构的复位按钮可以对3RV1921-1M进行复位操作。
Q11: 3RV10马达保护断路器安装方式
A11: 3RV10系列有S00 S0 S2 S3四种规格,所有规格均可以安装在35mm标准导轨上(S3规格可以安装在35mm或75mm两种导轨上)。
S2、S3规格断路器可以底板安装,断路器本体有安装孔,可以直接用螺钉固定。
S00、S0规格断路器本体没有安装孔,如果需要底板安装,则需要单独订购底板安装插片:3RB1900-0B,每台断路器需要两个插片,安装如图13所示:

图13