作者:Aditya Kulkarni Power Integrations 高级产品营销经理
许多高效率电源在设计时可以使用有源钳位反激(ACF)变换器或LLC开关IC来实现其设计目标。在实际设计时,究竟应该选择哪一种呢?一些设计工程师会根据个人偏好、熟悉程度以及在某些特别应用当中过去常用的历史经验来做出相应的选择。然而,当面对两种或更多可能的解决方案时,最佳方案的选取则取决于合理的工程推理、设计要求以及产品效率、尺寸、BOM、功率密度、设计简易性的优先级别以及其它影响设计的一些因素。
Power Integrations (PI)面向电视机、显示器和大功率充电器应用提供全系列高度集成的反激式变换器,这些器件均采用超薄封装。我们还提供一系列新的LLC开关IC,与我们的新型HiperPFS™-5功率因数校正(PFC)前级IC搭配使用时,可在相同的应用当中以极高的效率提供高达240W的功率输出。
但是对于某种特定的设计应用,ACF和LLC,哪种方案更加适合呢?
终极反激方案
隔离反激式拓扑是最容易实现的。Power Integrations提供许多反激式控制器IC产品系列,其中包括InnoSwitch平台。InnoSwitch IC的关键创新之处是采用Power Integrations独特的FluxLink™磁感应耦合技术,该技术的运用不仅能实现精确的高性能次级反馈控制,而且还具备通常只有初级反馈控制才具有的线路简单及元件数目少的优势。而高效的同步整流技术的应用,可以保证整个负载范围内均提供极高的效率,同时具有极低的空载功耗。由于FluxLink的使用,线路中无需光耦器,可以保证初级和次级同步整流开关管协同工作,不会发生交越导通现象,进而大大增加了可靠性。
Power Integrations提供丰富多样的InnoSwitch反激式IC,内部集成各种不同电压的硅、氮化镓(GaN)以及用于汽车应用的碳化硅(SiC)功率开关。对于需要通过反激方案实现最佳效率和最小尺寸的设计工程师来说,可以采用InnoSwitch4-CZ和ClampZero™有源钳位IC(均采用GaN开关)以及HiperPFS-5 PFC级,设计出体积极小的可量产销售的USB PD移动设备充电器(见图2)。具体详见Power Integrations的参考设计DER-957。

图2:超紧凑且高效率的PFC + 反激式功率变换方案,采用
HiperPFS-5以及InnoSwitch4-CZ和MinE-CAP技术
InnoSwitch4-CZ产品系列采用薄型InSOP-24D封装,内部集成了一个750V PowiGaN开关、初级和次级控制器、ClampZero接口、同步整流以及符合安全标准的反馈链路。高达140kHz的稳态开关频率降低了变压器尺寸,进一步提高功率密度。相较于其它有源钳位反激方案,InnoSwitch4-CZ和ClampZero芯片组可提供高达95%的效率,并在不同输入电压、系统负载和所选输出电压下保持极高的效率。这是通过对具有零电压开关特性的主功率开关以及有源钳位开关,进行变频的非互补模式的控制来实现的。这种控制方式同时支持连续和非连续导通工作模式,可极大地提高设计灵活性,并在所有工作条件下实现效率最大化。这些反激式开关IC具有优异的恒压/恒流精度,且不受外围元件参数变化的影响。在保证输入电压检测、安全及保护功能的前提下,其空载功耗小于30mW。
2021年,全球移动设备充电专家Anker宣布其Nano II系列USB C充电器基于InnoSwitch4-CZ和ClampZero IC设计而成,并且表示该芯片组“具有极为出色的集成度和效率水平,是Nano II系列实现超紧凑设计的关键所在。”
可实现极高效率的LLC方案
上述设计方案已经非常紧凑精良,那么客户还会提出哪些更高的需求呢?如何满足这些需求?答案是更高的效率水平,可借助Power Integrations的HiperLCS™-2芯片组,一种半桥式谐振开关或LLC拓扑架构来实现。这种双芯片解决方案可以让设计工程师轻松打造出效率极高、超紧凑的电源和适配器设计,以便在市场竞争中获得关键优势。
这种方案使用谐振开关来消除开关转换期间发生的损耗,甚至可以比最佳的反激式设计所实现的效率还要高出至少2%。HiperLCS-2双芯片解决方案由一个隔离器件和一个独立半桥功率器件组成。其中的隔离器件中集成了高带宽的LLC控制器、同步整流驱动器和FluxLink隔离控制链路;而独立的半桥功率器件则采用Power Integrations独特的600V FREDFET(快恢复外延型二极管FET),可提供无损耗电流检测,并且还集成上管和下管驱动电路。这两款器件均采用薄型InSOP-24封装。相较于分立式LLC设计,这种高集成度的高效架构无需使用散热片,不同器件之间的参数容差可忽略不计,并且可减少高达40%的元件数量。
基于新型HiperLCS-2芯片组的电源设计可提供250W的输出功率,变换效率超过98%。可在400VDC输入下实现低于50mW的空载输入功率,而且即使在空载时也能提供持续高精度输出,轻松符合全球最严格的空载和待机效率标准。HiperLCS-2器件可在整个负载范围内维持恒定的高效率性能,并且功耗极低,只需通过FR4 PCB板直接传导散热,在连续输出功率高达220W的适配器设计中无需散热片,并且能够短时提供170%的峰值输出功率。所有HiperLCS-2系列器件都具有自供电启动功能,同时还能够为使用公司的HiperPFS IC实现的PFC功率级提供启动偏置供电。次级侧检测的方式可保证在不同输入电压下、整个负载范围内以及大批量生产时具有小于1%的调整精度。相较于传统的光耦,使用Power Integrations的FluxLink技术进行的安全隔离高速数字反馈控制,可提供更快的动态响应和更优异的长期可靠性。
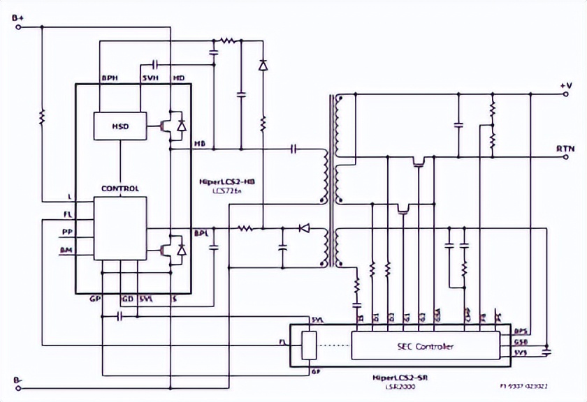
具体电路图如图3所示。DER-672为相应的一款参考设计。

图3:使用Power Integrations HiperLCS-2芯片组的高效LLC设计
HiperLCS-2控制引擎还提供渐进式脉冲串模式和控制技术,不会因为在待机期间为了抑制更高的输出纹波,而采用更多的输出滤波元件。
如果以实现极高的效率为最终目标,而不考虑设计简易性、可生产性及具体操作等其他因素,那么LLC谐振变换器无疑是最佳的选择。
最紧凑设计与最高效率之间的权衡
250W只是LLC变换器起步功率,它可用于高达数kW的应用。而另一方面,反激式设计在250W时已接近其极限。就变压器尺寸和初级开关电流(因GaN开关具有超低RDS(ON)而有所缓解)要求而言,输出功率若要超过250W,可能需要不同种类的反激方案。后续设计和设计可移植性的需求是工程师在确定采用哪种平台时必须考虑的另一个因素。
Power Integrations的反激式和LLC解决方案都非常高效且BOM数量较少。
如果要实现极致的小型化和最低的BOM数,可以选择反激式InnoSwitch4-CZ设计。对于具有非常宽输出范围(5V、9V、12V、20V,甚至28V)的USB PD充电器和适配器应用,反激方案仍然是最常见的选择。
为获得最佳效率,则可选择LLC方案,即HiperLCS-2和HiperPFS-5结合使用。
简而言之,如果想要具有极高效率的方案,请选择HiperLCS-2和HiperPFS-5;如果想要最易于设计、最紧凑和BOM数极少的方案,请选择InnoSwitch4-CZ、HiperPFS-5和ClampZero。
补充内容:功率因数校正
许多国家和地区要求额定输入功率超过75W的电源,必须对输入电流加以校正,使其波形与相位关系与正弦输入电压相近。这一规定是为了防止输电线产生功率损耗和干扰连接到交流电源的其他设备。这种调整称为功率因数校正(PFC)。
在今年德克萨斯州休斯顿举行的APEC大会上,Power Integrations推出了一款新的功率因数校正(PFC) IC,HiperPFS-5系列准谐振(QR) DCM PFC IC。其内部集成了750V PowiGaN™氮化镓开关,可在不使用散热片的情况下提供高达240W的输出功率,实现优于0.98的功率因数。其最高效率可达98.3%。这种前级芯片支持110/220VAC输入,并将输入变换为400V的直流输出母线电压。

图1:使用HiperPFS-5可设计出具有极高集成度的QC DCM升压PFC电路,
并且HiperPFS-5是业界首款内置PowiGaN升压开关的IC
Power Integrations的HiperPFS-5 PFC IC使用创新的准谐振(QR)非连续导通模式(DCM)控制技术,可在不同负载、输入电压和每个工频周期内对开关频率进行调整。QR模式的DCM控制可降低开关损耗,并允许使用更小的PFC电感和成本更低的升压二极管。相较于传统的临界导通模式(CRM)升压PFC电路,变频引擎可将升压电感尺寸减小50%以上。低开关和导通损耗(因PowiGaN开关而进一步降低)再加上无损耗电流检测,使HiperPFS-5 IC能够在整个负载范围内提供非常高的变换效率。而且空载功耗仅为38mW。
对于世界范围内因市电供电不稳定而可能导输入电压浪涌的地区,耐用的750V GaN开关也非常有用。当使用传统的硅MOSFET时,输入电压升高可导致元件故障。HiperPFS-5 IC可以在不同输入电压(最高可达305VAC)下保持高功率因数,并且可在输入电压骤升至460VAC期间连续工作。此外,HiperPFS-5 IC还集成了Power Integrations的X电容自动放电(CAPZero™)功能,包括满足安全法规所需的冗余引脚以及高压自启动 - 所有这些都集成在一个薄型InSOP™-T28F表面贴装功率封装中。
通过将HiperPFS-5 IC与Power Integrations的反激式或LLC开关IC搭配使用,可将直流母线电压变换为所需的24V、19V、12V、5V等输出。因此,设计工程师能够轻松满足最严格的效率标准并省去散热片,同时将物料清单缩减一半,为电视机、显示器、游戏机、电脑一体机和家电应用设计出精致小巧的超快速充电器和大功率USB PD适配器。