现如今随着小米品牌价值的提升,高端产品层出不穷,产品品质都有了质的飞涨,此外,Redmi接棒扛起了“性价比”的大旗,为消费者提供同价高配、价格厚道的产品。笔记本品类其实已经进入了红海市场。传统笔记本厂商的格局基本已定,然而,随着四年前小米的进入,以手机厂商的模式为本来沉寂的市场,带来了更多与手机的智能联动体验。不仅如此,Redmi不久前还推出了首款游戏本-Redmi G游戏本,拓展游戏本市场,那么这款产品到底表现如何?下面为大家解析。
先来说下机器的配置参数

测试内容和项目较多,特列个目录
一、外观细节
二、硬件参数测试(各种跑分)
1、GamePP测试
2、硬盘测速
3、AIDA64 +甜甜圈
4、3Dmark11
5、Cinebench R20 & 国际象棋
6、局域网传输
三、跑游戏测试
1、地平线:零之曙光(HorizonZeroDawn)
2、生化危机2重置版(RE2remake)
3、只狼(SEKIRO)
4、古墓丽影:暗影(Shadow of the Tomb Raider)
5、古墓丽影9 (Tomb Raider 9)
6、绝地求生(PUBG)
7、英雄联盟(League of Legends)
四、小米独有功能
五、拆机
六、拓展
七、优缺点
一、外观细节



整体外壳全部采用的是塑料材质,笔记本A面不再是光秃秃的一片,反而是赛博朋克的纹理,十足的科技感,可惜不能亮。四个角采用的是切割的造型,没有尖锐的边角,也减少了磕碰刮花的风险。整体笔记本品质感十足,外形尺寸是374mm×265mm,厚度25mm,旅行重量足足有2500g左右。


左手边有一个USB2.0的A口以及一个3.5mm的音频口。右边有2个USB3.2GEN2的A口和一个非全功能的TYPE-C口。别问我怎么区分的,Redmi的这些接口都没有标注,甚至USB3.2都没有蓝色舌头标注,完全靠看详情参数才能获得。两侧靠近屏轴的位置各有4个通气格栅。左侧设计2.0的是用来插一些拓展键盘或者无线鼠标的用途。

顶部依次是RJ45网口、MiniDP、HDMI和DC电源接口。其余部分都是大面积的通气格栅,一目了然的内部布满了鳍片,看意思是为了散热用足了料啊。作为一个游戏本,有物理网线是非常有必要的,无线虽好,断线烦恼,排位赛断线重连然后举报封号的惨痛经历历历在目。这里有个拓展思路,DP+HDMI可以分别拓展一个显示器,右侧的TYPE-C拓展一个显示器,实现连接四个屏幕,再加上本身自带的屏幕,这款产品可时间五屏同显,最后试验一下能否实现。

D面没有任何的独立开孔,更换硬盘或者内存需要整体拆掉后盖来进行的。最明显的是一大片的格栅,甚至都可以看见内部的电容。整体风路设计是底部进风,左右和顶部的格栅出风,那必须要提高脚垫的高度,最明显的就是顶部的脚垫非常高,其余两个脚垫还算正常,旁边也有格栅开孔,里面勉强能看见发音单元,回头拆开看看。


打开上盖,B面左右和顶部的边框比较窄,下巴较宽。摄像头和指示灯放在下巴正中间位置,两侧是一对麦克风,下巴正中央有Redmi G 的logo。这样的设计可能是想让屏幕相对抬高一些,避免打字手会对屏幕遮挡,不过要是能做到跟其他三个边一样窄那谁还在乎手会不会挡住视野呢。



键盘上有一排塑料格栅和开孔,用来散热和音响效果。键盘的键程稍微高一些,有很好的回弹力度,整体按压的触感要比以前用过的小米笔记本pro要好,回馈明显。突出的是空格键的左边为了配合拇指的按压,做了加宽处理,WASD按键也做了白边标注,体现出这是一台游戏本。

其实让我最喜欢的是小键盘区,可以方便开Trainer等修改器(懂的都懂我说的是什么),但是这个键位设计就很离谱,加减乘除统统放到上面去了,适应起来要一大段过程。对于看股票倒是没什么影响。


单手开合是很轻松的,毕竟游戏本很重,重心做在下半部非常简单。推开屏幕最高极限是130°左右,千万别使劲,疼,钱包疼。

这是这台游戏本包装箱内唯一的一个配件,一套贼大的电源适配器,输出是19.5V9.23A,19.5*9.23=179.985,约等于180W的电源适配器。其实我很好奇为什么没有用全功能的TYPE-C的接口来实现充电,后来发现这个电源是180W的就明白了,据我了解现阶段TYPE-C接口充电功率也就是120W,还没见这么大的。旅行重量里这货功不可没!!!!
二、硬件参数跑分(所有测试均接电源线,开启全速模式)
测试之前的准备工作要做足,系统更新到最新版本,显卡驱动等也更新到最新。这里要强调一遍,重点强调一件事,首次开机更新Windows 10的时候,千万什么都别动。升级跨度的一个版本里有对板载声卡驱动的更新,很容易出现蓝屏!!心急吃不了热豆腐。如果出现蓝屏了,连续等他无法启动三次后选择恢复出厂模式就好了。这都是惨痛的教训,Windows 10更新千万不能乱来。切记!切记!
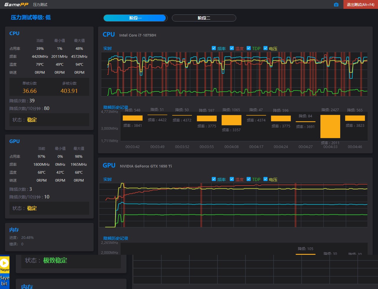
1、GamePP

通过GamePP测试,可以清楚看到硬件参数,CPU、显卡这些参数官方是不会胡乱写的,但是其他的硬件很容易在品牌上下文章。比如内存看到是三星的DDR4-3200MHz的,但是参数是2933MHz,这是因为酷睿10750H处理器(第十代酷睿)最高支持2933MHz内存频率,所以内存物理上是3200MHz,但也只能用到2933MHz。硬盘发现是东芝的SSD,之前看其他的人写的是群联的SSD。有点小惊喜,一会去跑个测试看看。



用GamePP做了个简单的测试,只可以做阶段1和2。其余的要收费。。。。发现CPU频率到4400MHz左右就会配合温度降频操作偶发降频可以到2000MHz砍一半的地步,温度能稳定在90℃左右;GPU很稳定地维持在1800MHz频率,温度稳定在70℃左右。当然这个降频的问题还有待考证。
2.AS SSD Benchmark 硬盘测试

硬盘是让我觉得挺意外的,东芝的512GB的固态硬盘,支持NVMe协议,读取速度可以达到2400MB/s,写入速度1200MB/s。综合得分3402。

另外一个入手RedmiG游戏本的小伙伴,他的机器内置的就是Phison群联的SSD。测速大约是1800MB/s。个人感觉两者在日常娱乐和家用环境中区别不明显。尤其是4K这块基本上没什么区别的(据说是混装,其实没区别)。
3.AIDA64+Furmark


CPU单烤数据,温度控制在85℃。此时键盘表面中间温度略有提升。

GPU单烤数据,采用甜甜圈来跑,温度稳定在70℃。此时键盘表面温度明显升高,但左手WASD位置没有明显变化,从数字键到YHN这排“T”字形区域温度较为明显。

CPU+GPU双烤模式下,温度依旧明显,手感温度约50℃,仍旧是T字形区域发热明显。烤机25分钟,CPU频率4000MHz,96℃;GPU频率3840MHz,73℃。稳定运行,没有死机等异常。其实烤机的目的就是看下设备的稳定性,这样的工况环境下稳定运行约30分钟足以体现稳定性了。
4.3Dmark11


3Dmark11的测试模式分为P(720分辨率)和X(1080分辨率)两个模式。从互联网上查了下两个模式的伪天梯图(因为不能保证真实,就不放图了,可自行查找),1060 3G的显卡 X4800左右;1660Ti:X7300 P14200。这么一看1650这个系列就是1050的接班人,有部分提升,但是距离高端显卡还有差距。跑分还算是符合1650Ti这块卡,毕竟跑分和实际不一样,一会进游戏体验一下。
5.CineBench R20 和 国际象棋

经过多次跑分,不同时段,不同温度下平均结果是CPU:2700pts ;单核跑分440pts。

国际象棋4.3.2跑分结果21785;相对性能倍数45.39。
6.Wifi传输


路由器是小米路由器PRO,数据源是一台DIY的NAS服务器,NAS服务器用的是Unraid6.8.1版,NAS与路由器千兆网线连接。笔记本距离路由器有一堵承重墙的卧室内,速度能维持在35MB/s,将笔记本拿到路由器2米范围内,无障碍情况下速度提升稳定在47MB/s。推算实际带宽能达到400M。同样的文件在我另一台AX200网卡的台式机上,*载下**速度约为25MB/s,其实无线信号比较玄学,至今WIFI6的路由器我也没换,觉得对于家用实际意义不是非常大,追求速度的直接跑实体网线上了。这个带宽利用率还是符合我的预期。(不展示实体网线的传输速度了,无线真的没有实体线来的又快又稳。)
三、游戏测试(接电源+全速模式+全局启用1650Ti独显)
1.地平线:零之曙光







第一个选择测试的游戏就是这个地平线,首先它是我在PS4上第一个白金的游戏,而且最近才刚开始已知在PC端,其次是这个游戏算是性能检测的游戏,毕竟索尼没有优化的太完善,机器差一点就跑不了,随时可能崩溃。四个模式进行基准测试,性能优先69FPS;初始61FPS;质量优先50FPS;终极质量37FPS。开在最高画质下,可以运行在40帧左右,过场动画135FPS,毕竟没那么大压力。风扇开满速噪音就到55db左右。
2.生化危机2重置版


生化危机2重置版细节等问题开到高,流畅运行在70FPS左右。假如降低一下画质,锁个120FPS体验体验刀杀G第一阶段的高伤害去。当初这个是用小米笔记本Pro玩的,画质都要开到最低,恐怖感就全然消失了,这下可以重温小小噩梦了。
3.只狼 SEKIRO


只狼开最高画质也是60FPS,整体游戏锁了帧率,真心话这游戏不是一般的难,铁匠必修游戏。
4.古墓丽影:暗影



古墓丽影:暗影自带的测试系统下测试,最高画质48FPS,高画质和中画质都在59FPS左右,实际游戏娱乐的话高画质足以,观感和游戏性都有保证。
5.古墓丽影9(年代久远)



古墓丽影9因为是STEAM免费送的,顺便*载下**下来测试一下效果。虽说是N年前的游戏,当初玩都要开低画质才据项目建。最高画质85FPS;高画质95FPS;普通则能跑满144FPS。
6.PUBG


最高画质下能达到80FPS,其实真实玩游戏的情况下是只有某几个设置高,其他最低,能跑到110FPS左右,毕竟这类游戏的门槛不会太高。
7.LOL


LOL作为一个经典竞技类游戏,我已经AFK许久了,团战或者说是虐泉(毕竟打电脑)能稳定在130FPS左右。

以上游戏仅仅是我个人偏好的游戏内容,其实还有很多想玩的想测试的,很多热点游戏,比如大表哥2就已经买了PS4版的了,我是一个TV游戏的忠实玩家,特别喜欢3*级A**别的大作,通过上面测试一圈下来,RedmiG游戏本属于中等水平的游戏本,高画质畅玩3A是不可能的,但是能跑得起来。重点突出的是对时下流行的竞技类游戏比较友善,几乎都可以完美娱乐。
四、小米独有功能


小米互传功能,默认预装在系统内的,同样是MIUI的系统,直接就可以开启互传,扫描识别并且传输文件。这个功能在交互的灵活度上有待优化,一套操作还需要手动连接才能实现。一向以功能最新最优的MIUI在这个层面上并没有领先全场。




小米感应钥匙也是特色功能,虽说B面上有一个摄像头,但是不支持Windows Hello的人脸解锁,也没有指纹传感器,手环解锁算是一个功能的弥补吧。扫描下附近的手环,绑定一下,手环确认即可实现手环在附近无需密码直接进入。
五、拆机



机身背面螺丝都非常明显,切记一定要注意的是垫脚下面有一个螺丝,千万不要大力出奇迹,否则钱包又要疼一会了。用撬片顺着顶部位置划开,围着转一圈即可打开后盖了。塑料材质的后盖也没有覆盖导热板之类的设计。

俯视图很明显的可以看到两组散热的分布,热管将CPU GPU的热量引导在周围画了一个圈,通过四个鳍片散热出去。

干坏事之前一定要做的就是断电,不拆掉螺丝也可以将供电排线断开,这个工作千万颗不能偷懒。不怕一万就怕万一。谨慎再谨慎。


背面左下角是硬盘的位置,上面覆盖一个金属片,不是用来散热的,是用来做静电屏蔽的哦。还记得看外观时候小垫脚旁边的格栅开孔么,不是用来散热的,是这一对音箱的外放孔。



随便找朋友要了一条Intel 660P硬盘测试了一下,就是为了确认一下第二条是否也支持NVMe协议,能跑过1300Mb就可以了。不过这条硬盘的4K跑得有点惭愧了,价格决定一切啊,一分钱一分货。


左右两侧的USB插口版,都有明确标注。3.0的可以达到10G的速率。


Intel AX201的无线网卡,两根飞线都有绝缘的海绵托托着,绕道屏轴附近。

顶部的DC电源入口,需要穿线到风扇下方,细节的地方是特别加上了一个抗干扰的线圈环。

电池为55Wh锂聚合物电池组,实测,这个电池充满电要1个半小时左右,开独显玩游戏的话真的勉强可以到2.5小时,日常看视频的可以超过3小时。当然没有电源接入是无法开全速模式的,为了省电限制频率也是理所当然的了。在看网页,编辑文档情况下5小时以上的使用时长。

开机静止不动的状态充电大约功率为60W左右。

电池未充满,启动游戏(生化危机3重制版)最高画质,接近满载,140W功耗左右。

关机充电功率30W左右,会逐渐降低到20W,再一会就5W,一直到充满电降低到0.

充满电状态下,启动游戏(生化危机3重制版),功率110W左右。这一套测试数据下来,可以发现几个参数,游戏本接近满载状态的时候功耗大约为110W左右;办公功率30W左右(60-30=30);又充电又游戏是140W左右。现阶段的TYPE-C的接口还没办法满足这个充电功率。
六、拓展

笔记本顶部有HDMI和MiniDP接口,分别通过转接口联机到显示器上。当下我现有的显示器只有VGA和DVI输入接口,选择了一根HDMI转DVI和miniDP转HDMI再转VGA的方法接入的。插入顺序要一个个地来,先接入HDMI在接miniDP接口可以顺利接入三屏。延伸一下拓展思路,如果是再有一个USB-C转HDMI的拓展坞可以再多一个屏幕,在配合无线投屏设备的电视或者显示器,又可以增加一个输出设备。理论上可以实现1+4的五屏组合,挺适合用做炒股盯盘的工作。

先拿这个当游戏本用吧,毕竟是我所有电脑里配置最强的一台。现有台式机配置是I3-4130T配GT760显卡的老旧电脑,日常办公足以,后续将其改成家庭NAS服务器来用。深夜看着美股行情心是拔凉拔凉的(我是空头一方。。。),还是转过头玩玩生化2提提神吧,这个夜晚不犯困。
七、优缺点
总结优缺点,这款产品的优点
1、16.1英寸屏幕,并且用了素质非常好的屏幕,尺寸上相比传统的15.6英寸,显示面积更大。另外144Hz的高刷新率对于游戏玩家来说是非常好的,可以增加画面流畅性,减少画面割裂,削弱液晶屏幕拖影带来的眩晕感。
2、性价比出色,同价更高配,适合学生用户、上班族选购。

整体机身厚度高,手臂搭在WASD上后很快就会有搁痕,棱角比价硬。将笔记本的长条垫脚抬高,既加大了进气空间,又能缓解手臂搁痕迹,亦或干脆外界键盘使用。
RedmiG游戏本算是一款主流的游戏本。大型3A可以跑,但是跑不满,LOL、吃鸡类时下热门的电竞游戏跑起来绰绰有余。个人觉得完美符合大学生的需求,旅行重量略重,并不适合日常携带,但放宿舍里用是妥妥的够用了,周末或者假日带回家也并不觉得很重;有足够的性能支持,尤其是CPU性能,无论是看网课、学python、视频编辑等学科都可以游刃有余;电池方面简单地记作业不开小差玩游戏的话,早上充满上一天课足够应付。夜晚熄灯的宿舍也能坚持1两小时,起码一局游戏是可以打完了。

先说到这,我准备点素材,用Pr剪个短片玩去了,活到老、学到老,学习利器不能少。