据说,被窝是天堂在人间设得分店。人生得1/3都是在床上度过的,睡得好,能凭空多出20多年的快乐~

但是一到夏季,别说被闷热的被窝“蒸”醒了,就算刚洗好澡躺下去,一分钟就出汗热成狗。
连睡觉这么美好的事情都变得很煎熬!哎...

普通被子盖着哪有什么幸福感可言,更别提能睡个美容觉了!
如果你想要一份自在的惬意,更要‘“一觉到天亮”的酣畅睡眠,对被子的选择必须要严苛!不仅要凉爽、控温,更要轻薄、干爽、透气......

今天小编就为大家安利一款【Boomer Home 水洗真丝桑蚕丝被】。
这条桑蚕丝被,就像一张能盖在身上的“寒冰床”。能迅速给身体降温,一整晚被窝里都像开着空调一样凉爽。

而且蚕丝被是出了名的好睡,它轻盈、透气、贴身,不会像棉花被一样压着你,也不会像羽绒被一样轻到“浮”在身上,无论怎么翻身都会被它轻柔的包裹,还没有压迫感~

很多人会有疑惑,夏天盖蚕丝被不会太厚嘛?
答案是,当然不会!好的蚕丝被不仅透气轻薄,还能有吸汗功能。

人睡觉的时候,皮肤会不断散发出来的水气和热气(汗水),蚕丝的“亲水侧链氨基酸”恰好能吸收空气中的水分,保持被子的清凉和卫生。

孩子盖上它,也不会在夏天热得直踹被子,妈妈们也能安心睡到天亮了~

这么强大的被子,可以说是“夏日安眠神器”!
而且它一共有 4 种颜色可选,白色、灰色、金色、紫色每一款都让人无法抗拒。有 3 种不同的规格,160*210(2斤)、220*230(3斤)、220*240(3斤),喜欢厚一点薄一点的小伙伴可有不同选择~

水洗真丝面料,冰凉、亲肤又丝滑
夏日炎热zui舒爽的当然还是脱掉衣服裸睡啦!作为被子的“门面担当”,表面材料首先就定位了被子的档次,爽不爽,肌肤才知道!

这款夏凉被采用水洗真丝面料,质地是真丝的质感,摸上去冰冰凉的,天热的时候,躺上去体感上立马降温 5 度!

柔软顺滑,睡在其中的感觉就像是在泡牛奶浴,别提有多舒服了~

也正因为丝滑,所以它对人体的摩擦力特别小,无论是对皮肤还是发质都不会产生伤害,也不易产生静电,特适合裸睡。

和真丝面料相比,它除了兼具真丝的顺滑之外,它还经过了“水洗”的特殊工艺处理,不勾丝、不缩水!

而且由于面料本身的特有的“轻薄”属性,所以TA的透气性也超好,盖在身上一点也不觉得闷热,很亲肤。

加上这颜值,小编就妥妥被圈粉了。极简的INS风格,一床被子就能撑起整个卧室的颜值~

100%天然桑蚕丝,抗菌、防螨
除了面料舒服外,一条好的桑蚕丝被更重要是桑蚕丝绵原料的好坏。

Boomer Home夏凉被填充的,是100%优质桑蚕丝,而且是地地道道的长丝绵,达到国家优等品标准。

注:长丝绵指的是蚕丝的长度。丝绵长度一般有长、中长和短3种,其中长丝绵是zui优等的。

每个蚕茧都需要经过烘干、煮茧、剥茧、开绵、晒绵、拉丝等38道工序,才能抽出制作被子所需的蚕丝,可见工序的复杂性。

而且在抽丝过程中,只要有断丝或别的失误,那个蚕茧就直接报废了,不能再使用。

用长丝棉作为填充,不但不会从蚕丝被中跑出来,而且更加耐用,正确使用和保存可以用上10年以上。

桑蚕丝的好处是什么?
桑蚕丝与我们肌肤的相似度高达87%,有着“第二皮肤”的美誉,富含人体所需18种氨基酸,能够养肤美肌。

蚕丝纤维得外面裹着一层丝胶和少许蜡质,有天然的防御力,可以抵抗过敏、尘螨和抗菌,是过敏人群首选!
小编因为有鼻炎,每次整理被子都会被飞起的尘屑搞得狂打喷嚏,但用了蚕丝被再也没这种困扰了~

另外,桑蚕丝有很好的吸湿性,纤维表面有很多亲水性基团,可以吸收人体排出的汗液、分泌物等,让人的皮肤保持干爽舒适。

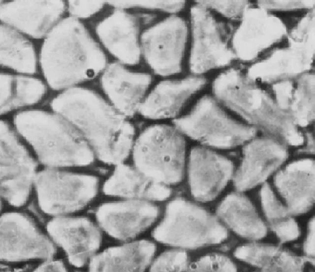
显微镜下的桑蚕丝截面
在水分散发的同时,也会带走部分热量,能让贴近蚕丝的身体,始终保持舒适的温度。

盖着蚕丝被,被窝像一台软软的“天然空调”,身体舒爽又不会觉得干燥,太舒服了~

如何辨别一床好的蚕丝被?
首先,你拿到手看吊牌就可以初步判定,蚕丝被的含量、丝绵长度都会写的清清楚楚。

当然,你也可以拉开被子侧面的拉链,就可以看到里面的丝线,一般蚕丝被芯侧边都会有观察口。

证明是不是真蚕丝,你可以用一些测试的方法,比如燃烧法:
真蚕丝是白烟,看不到明火,离开火源立即熄灭,一股烧头发的味道;而假蚕丝是黑烟,有明火,火源离开后继续燃烧,直到燃尽,一股燃烧塑料的味道。
▼ Boomer Home蚕丝被中的蚕丝

▼ 市面上的假蚕丝纤维

另外用桑蚕丝制成的被芯,手感无比软糯、蓬松,整个被子摸一遍,中间没有凹凸不均。而且,睡久了也不会结团、僵硬~
ps:被套和填充是一体的,不可拆卸。

不变形、不褪色,细节无可挑剔
Boomer Home主打轻奢简约的INS风,所以整个床品都采用纯色系,这对色泽度的要求就比较高了。

产品全部采用活性植物印染,这种工艺染出来的布料不仅色泽的饱和度更高,而且耐水洗,不容易褪色,健康又环保。

正如Boomer Home的品牌初衷,一向坚持以zui优秀的品质带来舒适的睡眠感受。所以除了工艺过硬之外,其他细节之处也做的无可挑剔~

采用多针绗缝工艺,针线细腻,立体感强,不仅雅致美观,也杜绝了跑绒起团现象。

4 种INS风颜色可选,超仙!
这床凉被,能从春末睡到初秋。有 4 种颜色,每种颜色都有 3 种规格160*210(2斤)、220*230(3斤)、220*240(3斤)。大家可根据自己的需求购买~

1)金色

2)灰色

3)紫色

4)白色

仔细想想咱每天有1/3的时间是在床上度过的,值得关注的就是睡眠时候的体验。
现在买个包包都要大几千甚至上万,为什么不能花个几百块为自己买一床舒服的被子,提高睡眠质量和生活质量呢?!
