用通俗易懂的方式,带你快速理解变频器接线及原理:
本文通过各方资料及个人理解整合:
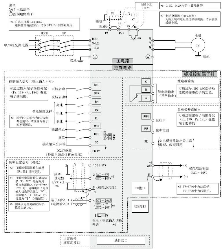
这是三菱变频器,3相380V变频器接线图:后面会把常用的部分剖析,详解!这样更有助于消化,不同变频器接线时参照说明书。
漏型逻辑:

来自网络
一、主回路部分咱们说一下电源输入,和变频器输出;

来自截取
电源线三相接L1,L2,L3或者R,S,T。 电机部分接到U,V,W 然后地线端子接地。(这里要注意变频器的接地一定要接到变频器的专用接地端子)
可以这样理解,主电路电源三相380V,当变频器有信号时电机U,V,W得电,电机工作。
二、控制回路部分:开关量控制变频器
变频器内部有切换SINK漏型和SOURCE源型的跳线开关。
1、什么是变频器漏型逻辑?
当信号输入端子流出电流时,信号变为ON,为漏型逻辑。接点信号端子SD为公共端

截取图片,漏型逻辑
例1:开关按钮接正反转,其他端子同理

按图接好线后,将参数Pr.79 设为2(外部操作模式)启动信号由外部端子(STF,STR)输入
按下SB1,电机正转启动,按下SB2,反向启动。
例2:(PLC继电器输出)PLC控制变频器正反转。

PLC是继电器输出
因为PLC继电器输出,这里就可以把PLC想成是一根导线,SD是公共端。当PLC输出端Y001有输出信号时,形成回路,电机正转。Y002输出时,电机反转。
源型逻辑:

2、什么是变频器源型逻辑?
当信号输入端子流入电流时,信号变为ON,为源型逻辑。接点输入端子PC为公共端

截取图片,源型逻辑
【1】当PLC晶体管输出模块,控制变频器接线时:

前面文章讲过,晶体管输出要接直流电源
所以当PLC晶体管输出模块,控制变频器时接公共端接PC端(DC24V电源,外部电源晶体管公共端)
提醒一下,刚入门不要看太多接线方式,把常用的接线方式记住,分析清楚。然后慢慢深入。
三、模拟量输入端子:

10频率设定用电源作为外部连接频率设定器时的端子
2频率设定(电压)输入DC0-5V(或0-10V)
5是公共端
4频率设定(电流)输入DV4-20mA
1、通过改变端子的电压和电流的输入值,来改变电机的转速。
2、将这些端子与PLC模拟量输出端子相连,因为模拟量是连续变化的量,这样就可以利用PLC模拟量控制实现电机的无级变速。
例:电位器接线,如下图:(旋转电位器按钮就可以控制电机的速度)

截取
例:(电压)PLC模拟量输出模块连接变频器时,V+接2,V-接5(公共端)

网络截取,输出模块控制变频器,只接2和5
1.通过模拟量输出模块,在2和5间产生0-5V或0-10V的模拟量电压,来控制电动机转速。
2.因为模拟量是连续变化的量,这样就可以利用PLC模拟量控制实现电机的无级变速。
四、继电器输出(或者是晶体管输出)常接报警

A常开点,B常闭点,C 公共端,其实就是继电器的常开和常闭点,可以通过PR.192参数来更改ABC继电器动作的功能。
例:如图,当变频器出行异常时,A,C接通,X001输入ON,去控制程序

网络截取编辑