节能灯是指采用*土稀**三基色荧光粉为原料研制而成的节能灯具,它一般采用电子整流器来驱动。电子节能灯具有低电压启辉、无频闪、无噪声、高效节能、开灯瞬间即亮、使用寿命长(3 000h 以上,为普通白炽灯的3 倍多)等优点,很受消费者的欢迎,尤其是在电源电压波动频繁的地区。
电子节能灯有玻罩型和裸露型两种,玻罩型又有球形、球柱形及工艺型3个系列,前两个系列均有全透明、刻花、彩色刻花和乳白色4个品种,具有外形美观、安装时不易损坏灯管、耐碰撞等优点。裸露型则有H型、UH型、3U型、4U型、2D型及螺旋形等类型。按发光的颜色分,节能灯可分为红、绿、蓝、黄(色温为2 700K,属暖色光,类似于白炽灯的光色)、白(色温以6 400K 居多,属冷色光,类似于日光灯的光色)。色温为5 000K 的灯管因光色接近于自然光,对眼睛无刺激,更适合学生和从事精细工作者使用。
电子节能灯电路的基本原理是:220V市电经整流后变成300V左右的直流电,再由开关电路来回振荡和升压,转化为高频脉冲电压,即可直接点亮日光灯管。由于开关电路本身功耗低,输出功率大,功率因数可以做得很高,若配上高效灯管,节能效果更佳。
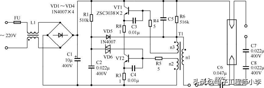
1.采用ZSC3038构成的电子节能灯电路
图1-18所示为由ZSC3038构成的电子节能灯电路,该电路具有很强的抗干扰能力,它既可以防止市电电源中的干扰窜入电路,也可防止节能灯电路产生的干扰信号窜入电网。该电路中设置有软启动(灯丝预热)电路,可延长灯管寿命,多用于护目灯和外销灯具中。

图1-18 电子节能灯电路(一)
该节能灯电路主要由以 L1、VT1、VT2、VD6、T1 等为核心的元器件构成。其中,L1是一种电磁滤波器,VT1、VT2 的型号均为 ZSC3038,VD6 是一种双向触发二极管,T1 为高频振荡升压变压器。该电路主要由抗干扰电路和高频振荡电路两个部分组成。
(1)抗干扰电路
在正常情况下,220V交流电压经电感L1、VD1~VD4、C1整流滤波后输出300V左右的直流电压。由于L1采用共模绕制方式(即两组线圈匝数相等,绕向相反),故能有效抑制中、高频信号干扰电网。
(2)高频振荡电路
开关型高频振荡电路由R1、C2、VD5、VD6、VT1、VT2和T1组成。双向触发二极管VD6的击穿电压是16V,在每次接通电源时,电容C2充电。当C2上的电压超过击穿电压时, VD6导通,此时VT2也导通。由于变压器T1的正反馈作用,VT1与VT2轮流导通,使电路产生自激振荡,经L2、C6提供给日光灯丝预热电流。C7、C8上取得高电平,在2s内启辉点亮灯管。L2采用空心线圈,如配用不同功率的灯管,调试时应适当增减匝数。
提示
因电子节能灯振荡电路未设静态工作点,不启振时振荡电路的电流和电压测不到。
2.采用BU406构成的电子节能灯电路
图1-19所示为由晶体管BU406构成的电子节能灯电路,目前许多成品电子节能灯的电路都与此相同或相似。
该电路主要由功率推换管VT1、VT2(型号为BU406)以及振荡变压器T1、双向触发二极管VD6等组成。在电路中,电容C2起隔直流作用,二极管VD7和VD8起电压峰值阻尼作用,以防止灯管早期端头发黑。谐振电路的频率主要由电感L4和C6决定。

图1-19 电子节能灯电路(二)
当电源接通后,VD1~VD4与C1组成的供电电路将市电整流、滤波后提供给后级电路。当C2的充电电压超过VD6的触发电压时,VD6导通,此时VT2也导通。由于变压器T1的正反馈作用,电路开始振荡,产生开关脉冲电压并送至T2和C6的串联谐振电路,形成近似正弦波的高频(30~60 kHz)振荡电压。日光灯从 C6 上取得高频电压而启辉,一旦启辉,电感L4即起限流作用。灯管点亮后,电流主要通过灯管,但C6支路仍有一定的分流而对灯丝有辅助和加热作用。
提示
维修时应注意,该电子镇流器组成的节能灯为一个系列产品,主要有13W、15W、20W、30W和40W共5种产品,它们所使用的电路连接方式均相同,但各元器件的参数有一些差异。
3.采用C2482构成的电子节能灯电路
图1-20所示的节能灯电路比较简单,比较适合于电子爱好者或中学生实训时动手制作。

图1-20 电子节能灯电路(三)
该节能灯电路主要由桥式整流及滤波电路和以VT1、VT2为核心的电子开关电路等组成,由C2~C5、R4~R6以及隔直耦合变压器T组成的自激振荡电路形成高频电压,该电压通过 T、L4、C6 组成的 LC 串联型谐振电路在 C6 两端产生一个高电压,使灯管启辉。
元器件选择:开关管VT1、VT2为C2482型硅NPN*功中**率晶体管,电路中的二极管均采用1N4002系列,电阻为1/8W碳膜电阻器,C1、C2、C5选用电解电容,C3、C4、C6选用涤纶片状电容。高频变压器T需自制,L1~L3同绕在一个φ10mm的磁环上,分别用有色胶线绕3 匝、3 匝和6 匝,作磁环电感用。L4 为扼流圈,用φ0.21mm 漆包线在一个φ10mm×20mm的空心骨架上绕300~500匝,电感量为4~6mH,直流电阻约为9Ω。灯管选用2D16W三基色日光灯管。
提示
维修电子节能灯时,首先要排除假故障。关灯后节能灯有间隙性的闪光,这并不是灯的质量问题,主要原因是电工线路安装不规范,将开关设在零线上造成的。只要把进线端的零线与相线调换一下即可。维修电子节能灯时,为安全起见,应用1∶1隔离变压器隔离市电。
使用节能灯时的注意事项
① 节能灯不能在调光台灯、延时开关、感应开关的电路中使用。
② 应避免在高温、高湿的环境中使用节能灯。
③ 与其他照明灯具一样,电子节能灯不宜频繁开关。开关次数过多,将直接影响节能灯的使用寿命。
④ 更换节能灯时,应避免手握灯管,并注意断电后再更换。