怎样改进拖拉机传统起动电路?
韦 肇,宋吉鸿
1 出现的问题
传统的拖拉机启动电路( 见图 1) ,没有电源总开关,即使有的拖拉机有电源总开关,也是机械手动闸刀式,这种没有电源总开关的拖拉机电路,由于拖拉机经常工作在颠簸不平,道路条件比较恶劣的田间地头,时间久了,很容易造成拖拉机电路故障,有可能短路或断路。拖拉机电路一旦短路,如果不及时断开电源总开关,会引起电路烧毁或者小电流放电使电瓶电”跑光”,造成发动机启动困难或其他经济损失。

图 1 传统起动电路
我们团队经过研究,认为如果在拖拉机启动后,点火开关在 OFF 挡,蓄电池搭铁线自动断开,这样就能够对拖拉机整车电路给予很好的保护。可以防止拖拉机因为很少的漏电或个别用电设备在拖拉机驾驶员忘记关闭,经过一晚或一段时间停车,造成电瓶亏电,使发动机再次启动时发生启动困难的现象。
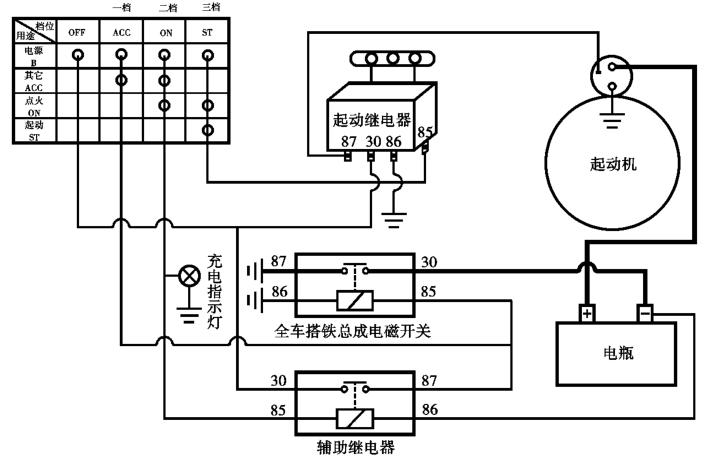
2 改进的措施
我们在传统电路的基础上,增加一个全车搭铁总成电磁开关( 见图 2) ,当点火开关在 ACC 一挡位置,全车搭铁总成电磁开关线圈通电,吸下电磁开关活动触片,全车搭铁线路接通,全车待电。但是,有一个问题是当电磁开关到 ST 挡时,ACC 断电,这就导致全车搭铁总成电磁开关断电,引起全车搭铁断开,拖拉机全车无电,无法启动发动机。

图 2 全车搭铁总成电磁开关
为了解决这个问题,我们研究电路情况后,决定再增加一个辅助继电器,在拖拉机启动点火开关处于 ST 挡的时候,额外给全车搭铁线电磁开关供一路电,电路工作情况如下。
当点火开关在 ST 挡时,由 ON 挡引一路火线引电连接到辅助继电器 85 号接线端子,辅助继电器的 87 号端子与全车搭铁电磁开关的 85 号端子连接,这样,当点火开关在 ST 位置时,能够保证搭铁总成始终处于接合状态,完成拖拉机正常启动。
3 拖拉机电路其它功能的实现
充电功能。当发动机启动前,点火开关在 ON 位置,蓄电池给发电机励磁线圈供电,充电指示灯亮; 当发动机启动后,发电机在发动机的带动下,开始发电,充电指示灯熄灭并向蓄电池充电。
小功率用电设备( 如收音机、雨刮器等) 用电。当点火开关在 ACC 挡时通电,当小功率用电设备开关打开即可工作。
安全断电功能。当点火开关在 OFF 挡,辅助继电器内部线圈断电,全车搭铁电磁开关线圈断电,蓄电池搭铁断开,拖拉机全车无电。拖拉机蓄电池处于独立安全状态。改进后的起动电路( 见图 3) 。

图 3 改进后的起动电路