无论是建筑行业、机械行业或者是其他行业,设计师使用CAD软件进行设计后常常会用到表格功能。常见的表格有明细表、工序卡、图样目录等形式,将项目重要数据以表格的形式插入到图纸当中,才能最终完成出图工作。因此CAD软件表格功能是否强大,及是否能助力内外部数据交互,将直接影响着设计师的工作效率。
中望CAD作为一款致力于提高设计师绘图效率的CAD软件,早在以前版本就已实现表格数据的便捷导入和导出:通过“TABLE”命令创建表格、自定义表格样式、从Excel中导入表格等,以及通过“TABLEEXPORT”命令导出*.csv通用格式表格。
最新版本功能当然只进不退,中望CAD 2022对原本表格功能进行了大力升级,来往下看看新版中表格功能是如何进阶的吧!
打印不再烦恼:新增表格打断功能
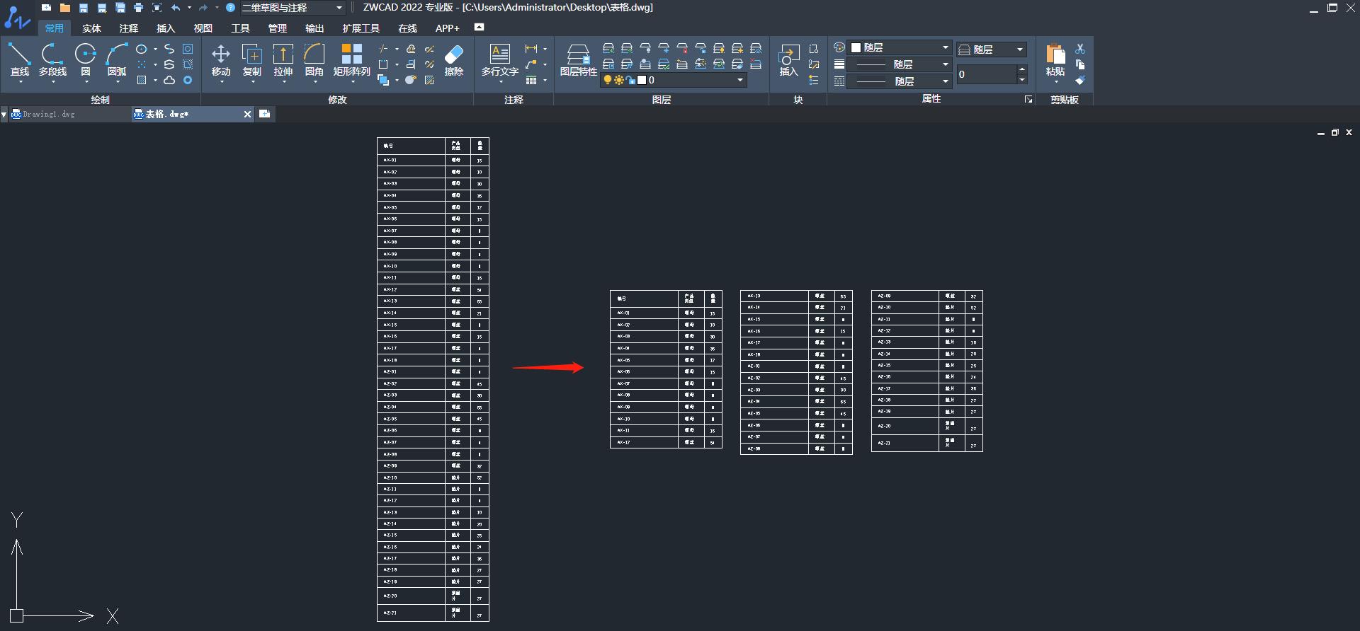
当设计师需要打印一些行数较多的表格时,常常因为表格太长无法打印为一面而烦恼。这时中望CAD 2022新增的表格打断功能就完美解决了这个问题:通过表格打断功能,我们能将长表格拆分为几个小表格,这样被拆分的表格就可以随心放置在适当的打印范围之中并打印为一面。同时在横向排列拆分表格后,也方便在同一水平线上去查找数据,提升设计体验。

通过表格打断功能将长表格分割为多个小表格
计算能力拔升:新增插入公式、自动运算和填充功能
中望CAD 2022还支持表格插入公式功能,目前可以插入求和、均值、相乘(相乘需手动在单元格中输入公式)等多种常用表格公式,加强了计算复杂数据的能力。操作一样贴近Excel,非常简单且熟悉:用户选择单元格后,可通过点击表格工具栏上的公式按钮选择需要插入的公式,或手动输入数值的方式,并将需要计算的数据写入公式中,便可以计算出所需结果。同时含有公式的单元格的底色会自动填充为灰色,方便后续查看或更改公式。

支持插入求和、均值、相乘等公式
另外,当设计师修改与公式中相关联的数据时,包含公式的单元格会自动重新进行运算,并更新计算结果,无需执行任何手动的操作。

修改关联数据同步更新计算结果
最后,新版还新增了自动填充功能。通过此功能,设计师可以用拖拽夹点的方式完成单元格内容的自动填充。如果单元格的内容为数字时,拖拽夹点往下或往右就会填充递增数值,往上或往左则填充递减数值;如果单元格内容为文字时,拖拽夹点则直接复制单元格中的内容。

通过拖拽夹点自动填充表格内容
上述三种表格操作方式是不是很熟悉?没错!中望CAD的表格功能的操作方式与Excel相近,设计师可以零再学成本,马上上手完成表格内容创建,直接执行一些复杂的表格计算任务,大大提高了设计师的工作效率。
内外数据交互同步:少不了强悍的数据链接功能
除了上述功能外,中望CAD 2022还增加了数据链接功能。这是这个版本的超级亮点之一,不妨通过视频一起来深入了解:
视频加载中...
可以看出,数据链接的操作也十分简单直观:在“插入”菜单栏中找到并打开数据链接管理器,点击“创建新的Excel数据链接”,输入链接名称后选择电脑内的一个Excel文件,就基本完成了数据链接的创建。然后通过“TABLE”命令创建表格,在“插入表格”对话框中选中“从数据链接”插入表格,再选择之前创建的数据链接,就实现插入表格与指定的外部表格相关联的操作了。
内外部表格支持双向同步更新。中望CAD内表格数据需要设计师右键单击单元格解锁编辑,后使用“DATALINKUPDATE”命令,即可将修改同步至外部表格数据中;当修改外部表格数据时,电脑界面右下方会自动弹出通知,单击弹窗里的超链接,即可同步自动更新中望CAD内表格数据。

通过数据链接实现内外部表格数据同步
总之,数据链接搭建起了CAD软件和外部表格的桥梁,让中望CAD与Excel、WPS等的数据实现双向同步更新,可以有效减轻设计师的工作量,时刻保持数据信息的一致性和准确性,也方便上下人员及时沟通。
如果你是一名重度依赖表格数据的CAD设计师,那么恭喜你通过这篇文章成功解锁中望CAD 2022全新升级的表格功能,让CAD表格的创建和处理变得智能高效,让表格数据的导出和导入也变得简单快捷,相信这对你会是一次耳目一新的感受。