电流互感器的定义
电流互感器原理是依据电磁感应原理制成的。电流互感器是由闭合的铁心和绕组组成。它的一次侧绕组匝数很少,串在需要测量的电流的线路中,因此它经常有线路的全部电流流过,二次侧绕组匝数比较多,串接在测量仪表和保护回路中,电流互感器在工作时,它的二次侧回路始终是闭合的,因此测量仪表和保护回路串联线圈的阻抗很小,电流互感器的工作状态接近短路。电流互感器是把一次侧大电流转换成二次侧小电流来测量 ,二次侧不可开路。
电流互感器的工作原理
电流互感器的主要所用是用来将交流电路中的大电流转换为一定比例的小电流(我国标准为5安倍),以供测量和继电保护之用。大家应该知道在发电、变电、输电、配电过程中由于用电设备的不同,电流往往从几十安到几万安都有,而且这些电路还可能伴随高压。那么为了能够对这些线路的电路进行监控、测量,同时又要解决高压、高电流带来的危险,这时就需要用到电流互感器了。有些人可能见过电工用的钳形表 ,这是一种用来测量交流电流的设备,它那个“钳”便是穿心式电流互感器。
电流互感器由一次线圈、二次线圈、铁心、绝缘支撑及出线端子等组成。电流互感器的铁心由硅钢片叠制而成,其一次线圈与主电路串联,且通过被测电流I1,它在铁心内产生交变磁通,使二次线圈感应出相应的二次电流I2。如将励磁损耗忽略不计,则I1n1=I2n2,其中n1和n2分别为一、二次线圈的匝数。电流互感器的变流比K=I1/I2=n2/n1。
由于电流互感器的一次线圈连接在主电路中,所以一次线圈对地必须采取与一次线路电压相适应的绝缘材料,以确保二次回路与人身的安全。二次回路由电流互感器的二次线圈、仪表以及继电器的电流线圈串联组成。电流互感器大致可分为两类,测量用电流互感器和保护用电流互感器。
电流互感器的原理是依据电磁感应原理,它的一次绕组经常有线路的全部电流流过,电流互感器在工作时,它的2次回路始终是闭合的,因此测量仪表和保护回路串联线圈的阻抗很小,电流互感器的工作状态接近短路。
在理想的电流互感器中,如果假定空载电流Ⅰ0=0,则总磁动势Ⅰ0N0=0,根据能量守恒定律,一次绕组磁动势等于二次绕组磁动势,即
Ⅰ1NI=-Ⅰ2N2
即电流互感器的电流与它的匝数成反比,一次电流对二次电流的比值Ⅰ1 /Ⅰ2称为电流互感器的电流比。当知道二次电流时,乘上电流比就可以求出一次电流,这时二次电流的相量与一次电流的相量相差1800。
电流互感器的分类
按装设地点分:户内式、户外式。一般35kV以上采用户外式。
按照绕组匝数分:单匝式、多匝式
按照高、低压耦合方式分:无线电电磁波耦合、电容耦合和光电耦合式。
按安装方式分 :
贯穿式电流互感器:用来穿过屏板或墙壁的电流互感器。
支柱式电流互感器:安装在平面或支柱上,兼做一次电路导体支柱用的电流互感器。
套管式电流互感器:没有一次导体和一次绝缘,直接套装在绝缘的套管上的一种电流互感器。
母线式电流互感器:没有一次导体但有一次绝缘,直接套装在母线上使用的一种电流互感器。
按用途分:
测量用电流互感器:电流互感器的测量绕组,在正常工作电流范围内,向测量、计量等装置提供电网的电流信息。
保护用电流互感器:电流互感器的保护绕组,在电网故障状态下,向继电保护等装置提供电网故障电流信息。
按绝缘介质分:
干式电流互感器:由普通绝缘材料经浸漆处理作为绝缘。
浇注式电流互感器:用环氧树脂或其他树脂混合材料浇注成型的电流互感器。
油浸式电流互感器:由绝缘纸和绝缘油作为绝缘,一般为户外型。目前我国在各种电压等级均为常用。
气体绝缘电流互感器:主绝缘由SF6气体构成。
按电流变换原理分:
光电式电流互感器:通过光电变换原理以实现电流变换的电流互感器。其中,光电式又可分为:混合型光电互感器、磁光玻璃光电互感器和全光纤光电互感器。
电磁式电流互感器:根据电磁感应原理实现电流变换的电流互感器。
电流互感器接线方式
(1) 单相式接线方式
这种接线只有一只电流互感器组成,接线简单。用于小电流接地系统零序电流的测量,也可以用于三相对称电流中电流的测量或过负荷保护。

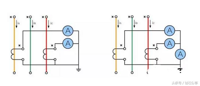
(2) 三相完全星形接线方式
三相完全星形接线又叫全星形接线。是用三台电流互感器与三只继电器对应按星形连接而成。
一般应用于大接地电流系统的测量和保护回路接线,可以反应任何一相,任何形式的电流变化。

(3) 两相不完全星形接线方式
两相不完全星形接线方式是在A、C两相装有电流互感器分别与两只电流继电器相连。
一般用于小电流接地系统的测量和保护回路,由于该系统没有零序电流,另外一相电流可以计算获得。可以反应各类相间故障,但不能完全反应接地故障。

(4) 三角形接线方式
这种接线方式将三相电流互感器二次绕组按极性头尾相接,像三角形,极性不能搞错。
这种接线主要用于保护二次回路的转角或滤除短路电流中的零序分量。

(5)两相电流差接线方式
两相电流差接线方式由两台电流互感器和一只电流继电器组成。
也仅用于三相三线制电路中,这种接线的优点是不但节省一块电流互感器,而且也可以用一块继电器反映三相电路中的各种相间短路故障,亦即用最少的继电器完成三相过电流保护,节省投资。

(6)和电流接线方式
这种接线,将两组星形接线并接,一般用于3/2断路器接线,角形接线,桥型接线的测量和保护回路,用以反应两个开关的电流之和。
找元器件上快易购电子元器件搜索