由于计算机设备的集成度越来越高,网络化程度也越来越高,所以信息系统更加依赖于高可靠的网络中心的不间断运行。网络中心的高可靠运行需求,给机房场地环境带来了更高的要求。
网络中心机房建设内容:
机房装修系统
机房布线系统(网络布线、电话布线、DDN、卫星线路等布线)
机房屏蔽、防静电系统(屏蔽网、防静电地板等)
机房防雷接地系统
机房保安系统(防盗报警、监控、门禁)
机房环境监控系统
机房专业(精密)空调通风系统
机房服务器及网络设备机柜/机架
机房照明及应急照明系统
机房UPS配电系统
机房设备远程控制管理系统(KVM)
下表为机房建设的基本参数要求:

怎样进行网络中心机房建设设计?
在进行网络中心机房设计前,先要确定所需要的机房面积。哪怎样计算所需要的机房面积呢?
如果用户没有确定的机房场地及面积可以参考《机房建设标准》来计算
1、网络中心机房组成应按计算机运行特点及设备具体要求确定,一般宜由主机房、基本工作间、第一类辅助房间、第二类辅助房间、第三类辅助房间等组成。 2、网络中心机房的使用面积应根据计算机设备的外形尺寸布置确定。在计算机设备外形尺寸不完全掌握的情况下,电子计算机机房的使用面积应符合下列规定:
一、主机房面积可按下列方法确定: 1.当计算机系统设备已选型时,可按下式计算: A=K∑S (2.2.2-1) 式中A-计算机主机房使用面积(m2); K-系数,取值为5~7; S-计算机系统及辅助设备的投影面积(m2)。 2.当计算机系统的设备尚未选型时,可按下式计算: A=KN (2.2.2-1) 式中K-单台设备占用面积,可取4.5~5.5(m2/台); N-计算机主机房内所有设备的总台数。 二、基本工作间和第一类辅助房间面积的总和,宜等于或大于主机房面积的1.5倍。 三、上机准备室、外来用户工作室、硬件及软件人员办公室等可按每人3.5m2~4m2计算。
在确定设计网络中心机房面积及位置后,就要确定机房布局:即根据机房平面及用户需求,遵循机房建设规范及相关标准,划分合理的布局。
机房布局,需要考虑以下几点:
1、不仅要考虑到增加主机房有效面积的利用率,便于机房设备、服务器机柜的合理摆放;又要兼顾人员和设备的进出通道,避免人员频繁穿越机房区域;还要体现出企业机房的美观、科技形象。
2、机房平面和空间布局应具有适当的灵活性,以便设备增容或扩建。
3、尽可能合并和减少辅助机房区房间,提高主机房和一类辅助间的利用面积。
4、便于设备摆放和人员操作,同时满足空调制冷、电源配电的需要。
5、进出通道合理布局,便于机房管理人员、维护、参观访问人员合理分流。
6、在做机房布局设计时需要与用户多沟通,深入了解用户对布局及功能区的需求,最终确定布局后才能进行下一步的工作。
机房的功能布局一般分为:
主机房:用于安置小型机/服务器等主机、通讯网络区域(内外网络)、存储区域、介质库区域。
监控室:网络管理人员上班、值班场所,监控室和主机房相通,主要对主机房进行监控和管理,减少人员频繁进入主机房。
资料室:存放资料的房间。
配电室:负责整个主机房关键设备的配电,放置UPS及电池系统。
钢瓶间:放置气体消防的钢瓶间,要求开门方向正对消防通道,保证危急时刻的快速处理。如小机房采用无管网则不需要设置。
辅助功能区:
会议接待室:为机房的参观人员及内部的机房管理人员准备的临时接待场所。
硬件维修和软件开发室:设备的维修和软件的开发测试,不能在主机房内进行。
休息室:提供给机房管理人员值班休息的场所。
值班及更衣室:值班和更衣室设置在机房的入口,便于管理和人员进出的需求。
洗漱间和卫生间:洗漱间和卫生间设置靠近管理人员主要工作的区域。
功能区布局基本原则:
机房系统是一个封闭区域,走廊两端进出设门禁、防火门;
主机房周围(介质库、监控室)是和机房同等保护区域,应在机房内设立;
配电室、钢瓶室输出管线距离主机房尽可能近一点,管线简洁节省投资;
监控室与主机房一般是在主机房的隔壁,监控室主要是主机运行监控管理、环境物理参数监控,摄像监控系统等;
消防、门禁安保监控另设值班室24小时适时监控。
以下为一个机房布局设计,请大家根据以上设计原则自己分析一下:

在完成机房布局设计后,就可以按照机房各个系统进行详细的设计了。
第一个子系统:机房装饰装修
在以前的机房建设设计方案中,较多地强调了计算机设备的技术要求,而忽略了掌握这些重要设备的人的需要,大多数的机房环境都会给人以沉闷、单调、烦燥的感觉。现在的机房装饰设计方案,需要考虑的是:以人为本,充分考虑人与环境、人与机、机与环境的亲和性、协调性。
在机房装饰设计中,遵循简洁、明快、大方的宗旨,强调规范性、标准性、实用性。
机房装饰用材选用气密性好、不起尘、易清洁、变形小,具有防火、防潮性能;宜选用亚光材料,避免在机房内产生各种干扰光线(反射光、折射光、弦光等)。
机房装修工程直接决定了整个数据机房的外观形象,可采取明快、现代的设计风格。另外,由于数据机房在功能方面的特殊性,使得数据机房的装修设计除了必须遵循美观、实用等一般性原则外,还必须满足数据机房对环境(包括温湿度、照度、洁净度、电磁屏蔽等)的特殊要求。
地面:地面装饰是指在机房内部铺设优质高密抗静电活动地板(系统电阻值范围:1.0×10的5次方~1.0×10的8次方),符合GB6650-86《计算机机房活动地板技术条件》的要求。
墙面:墙面装饰是指在机房墙面上使用轻钢龙骨架+纸面石膏板做基层,采用铝塑板饰面。或采用彩钢板进行装饰。
隔断:隔断是指采用防火玻璃或轻质隔墙对机房进行功能分区。一般在主机房监控室等采用防火玻璃;在需要隐秘的功能区采用轻质隔墙或砖墙。

天面:天面是指采用铝合金微孔扣板做机房的天花吊顶 ,达到防尘、吸音并且美观的效果。
窗门:根据需要在机房出入口及各功能区设置合适的门和窗。原则上在主机房采用全封闭,不设置窗,只设置门,其它功能区适当设置通风窗户。
保温:为防止凝露、节约能源,采取保温措施来控制平面、立面隔热及热量的散失,在楼顶/地面铺设防水防火的隔热材料来提高机房的隔热保温防止凝露。一般做法是在安装精密空调的功能区内的地板和天花上铺设保温棉,达到保温隔热的功能。
第二个子系统:机房供配电子系统
机房的供配电系统是机房工程中的关键项目,是一个综合性供配电系统,在这个系统中不仅要解决计算机设备的用电问题,还要解决保障计算机设备正常运行的其它附属设备的供配电问题,如计算机机房专用恒温恒湿器(空调器),机房照明系统用电,安全消防系统用电等。下表为机房供配电的指标,分为三级。

设计一个符合计算机运行要求的供配电系统,首先应确定供电等级。计算机机房的供电等级是根据计算机的工作性质及其重要性来划分,分为三级。
一级负荷计算机房。此类机房是指如国防建设、生产、交通运输、金融财政、航空管理等部门的机房。这些部门的机房如遇突然断电使计算机中断工作的话,将导致严重的人身伤亡等恶性事故,造成无法弥补的重大损失。所以这类机房应采用一类供电——不间断供电系统。
二级负荷计算机房。此类机房是指如科研单位和一些应用计算机控制系统的生产单位的机房,这些单位的机房一旦突然中断供电将使生产、运输、通信等受到一定程度的影响,给国民经济造成一定的损失。这类机房一般采用二类供电——需建立带备用的供电系统。
三级负荷计算机房。此类计算机房是指应用计算机做些一般的统计、查询、情报检索工作单位的机房。这些机方如突然中断供电虽会使工作受一定影响,但一般不会引起太大的损失。这类机房一般采用三类供电——按一般用户供电。
确定供电等级后,需选择一个切合实际的供电方式。对供电方式的选择应在了解各种供电方式的特点基础上,根据设备、场合、环境和供电条件等实际情况进行设计与施工。
机房供配电系统需要向以下设备提供电源:
不间断电源(UPS);空调(包括精密空调、机房专业空调、普通空调);照明;维修电源插座。
而不间断电源系统(UPS)又需要向以下设备提供电源:
小型机(甚至更高级别的计算机);服务器;存储设备;网络设备(交换机、路由器、防火墙等);应急照明;消防系统;环境监控系统;机房门禁、安防监控等系统。
在设计时需要做出配电图,再根据需要配置配电柜、电力电缆、电源插座、走线路由等。以下是一个机房的基本配电图,大型机房还要复杂的多。

第三个子系统:机房综合布线系统
机房综合布线系统为机房内部提供网络通信基础链路,在每个机架上提供结构化布线槽,为每个机架提供局域接入服务。
综合布线系统可以采用下走线方式布线或者上走线方式布线。
一般采用光纤和六类布线,把服务器机柜、小型机、存储服务器汇聚到网络机柜,提供高速(1000M以上)输出网络。
设计范围包括机房内的数据信息点布线、语音点布线、服务器机柜及小型机与网络机柜之间的光纤布线 。每台服务器机柜要求布放1个6芯以上光缆及和6根以上六类网线;小型机、存储服务器要求每台布放1个6芯光缆及和2根六类网线。采用星型结构汇聚到网络机柜。光缆在两头分别熔接尾纤,上架管理,网络在两头分别端接到六类配线架进行模块化管理。下面为案例结构图:

第四个子系统:不间断电源系统(UPS)
供电系统由于电网范围大受各种因素的影响,时常会有不正常的现象发生,往往会对计算机系统造成不利的作用,为此,采用(UPS)不间断电源极为重要,它不但能提供稳定可靠的高质量的电源,没有瞬变和谐波,即使当电网断电时,它也可由后备电池支撑,继续供电,使计算机有一定的时间进行处理。所以中心机房应采用UPS不间断电源,防止停电造成计算机设备的损坏和网络通讯中断。UPS电源应提供不低于2小时后备供电能力。UPS功率大小应根据机房使用UPS电源设备的总功率进行计算,并具有20-30%的余量。设备间电源设备应具有过压过流保护功能,已防止对设备的不良影响和冲击。
不间断电源系统(UPS)配置方法:
UPS功率大小应根据机房使用UPS电源设备的总功率进行计算,并具有20-30%的余量。
机房使用UPS电源设备的总功率和后备电池时间一般由用户来确定,由于UPS属于专业设备,一般由所选定的厂家根据用户需求来对UPS及电池进行配置及提供整体解决方案,我们所要把其整合到我们的方案内。比较著名的厂家有梅兰、APC、山特、科士达、台达、爱默生等,都有相应的厂家技术支持。
怎样选择UPS?
许多用户在确定UPS功率时,由于资金的困扰和对UPS不甚了解,往往从目前机房设备的容量去选择UPS的功率,这样就会导致UPS功率容量与负载的功率相同或略大。实际上这样选择是不明智的。选购UPS电源时,要根据自身电网条件、用电环境、自然环境、用电设备的特殊要求、应用和维护水平等因素,确定满足需要的UPS电源。建议用户从以下几个方面来确定所选择的UPS功率。 1、确定所需UPS的类型 1)根据负载对输出稳定度、切换时间、输出波形要求来确定是选择在线式、在线互动式、后备式以及正弦波、方波等类型的UPS。在线式UPS的输出稳定度、瞬间响应能力比另外两种强,对非线性负载及感性负载的适应能力也较强。对一些较精密的设备、较重要的设备要求采用在线式UPS。在一些市电波动范围比较大的地区,避免使用互动式和后备式。如果要使用发电机配短延时UPS,推荐在线式UPS。
2)UPS作为基础供电设备,最重要的是可靠性。一般而言,功率大些的UPS的MTBF(平均无故障时间)要远远高于小功率UPS的MTBF。因此,从可靠性考虑应选择功率大一些的UPS。 3)从投资成本或扩容角度考虑,建议用户根据建设资金、未来3~5年的业务发展等方面情况,采取一次投资,一次到位的方式;或是边成长边建设,选择可升级、扩容的UPS产品,避免因资金不足或业务发展预测不到位等因素带来的重复投资的损失。 2、确定所需UPS的容量如无特殊行业标准要求,建议按如下方案考虑: 1)计算所有的负载总和(S=S1+S2+……+Sn),单位:VA;UPS的容量≥S÷0.8(考虑UPS的抗冲击能力及扩容需要) 2)后备满载供电时间不少于30分钟。 在确定UPS的功率值之后,还需要考虑UPS的备用时间:标准型,备用时间为5~10分钟;长延时,备用时间为1~8小时,保证长时间运转;任意配置,可根据用户特殊需求定制。 3、考虑断电保护的性能以及电池的后备时间 UPS依备用时间可分为标准型及长延时型。标准型UPS备用时间为5-15分钟,长效型为1-8小时,甚至更长。假如您的设备停电时,只需要存盘、退出即可,建议选用标准型UPS;假如您的设备停电时,仍须长时间运转,那须选用长效型UPS。 4、附加功能为了提高系统的可靠性,建议采用UPS热备份系统,可以考虑串联热备份或并联热备份。小容量的UPS(1~2KVA)还可以选用冗余开关。可以选用远程监控面板,实现在远端监视和控制UPS的工作。可以选用监控
软件,实现计算机和UPS之间的智能化管理。可以选用网络适配器,实现UPS的网络化管理(基于SNMP)。在某些多雨多雷地区,可以配用防雷器。还要考虑是否能够对网络使用和对外设进行保护。因为外设越来越齐全(如打印机、扫描仪),这部分设备也同样需要保护。是否具备电缆线浪涌保护和数据线浪涌保护功能?在无人值守时是否能够进行自动的系统关机?另外,因为用户商用桌面的UPS多放在自己的身边,所以在产品的设计风格、制造工艺方面也是需要考虑的。 5、服务能力 ,每个用户的网络特点、电力环境都不相同,电源保护要求也随之变化。用户在使用UPS时可能遇到的种种问题也不尽相同,用户希望自己购置的是完全适合实际需求的产品和服务,而且关心设备投资的短期、长期回报率及投资风险。而现实是,绝大多数用户缺乏这方面的专业人员,所以,优质的服务体系和主动的服务态度也成为用户选购UPS时必须考虑的一个重要因素。
更多内容请查看暖通南社UPS相关课件。
第五个子系统:机房精密空调
中心机房内都安装有重要的计算机设备如小型机、存储服务器服务器及网络设备,而使用精密空调才能确保机房内各种网络等重要服务器能可靠稳定、并在最佳状态下运行的基础。
以下表1和表2分别为机房在开机时和停机时的温湿度要求。
表1 开机时机房温、湿度要求

表2 停机时机房温、湿度要求

机房精密空调配置:
首先需要计算空调的负荷,这是比较专业的,所以需要专业厂家提供技术支持。
但是我们需要了解以下的数据:
主设备的数量/用电情况;
机房面积及净空高度;
厂家就可以确定精密空调的容量及配置。
机房精密空调送风方式
机房专用恒温恒湿空调的送风模式主要有2种:上送风或下送风方式。
目前采用较多的仍是下送风、上回风方式,这种送风方式的最大优点在防静电地板下面形成一个巨大的静压箱,送风均匀,机房环境温湿度均衡性较好,但要求
在楼板上覆盖隔热保温棉,在机房铺设较高的架空防静电地板。这种方式也比较容易实现机房下走线,适用于机房楼层较高的场地。

机房精密空调送风方式:
上送风方式一般用于机房采用上走线方式,走线采用吊装桥架或APC机房专用走线槽,需在空调机组顶部现场制作静压箱和送风管,在相对送风距离较短的场合,10~12米以内也可不用送风管而仅安装静压箱。
在机房宽度相对较小时,通常指12米以内,这种方式相对会节省隔热保温棉和防静电地板的费用或者楼层较矮的场地。
机房精密空调室外机安装:
如现场无特殊要求,当室外机高于室内机时,建议垂直最大距离为20米;当室外机低于室内机时,建议垂直最大距离为5米;建议管道总长不超过60米,管道长度大于30米时,需加装DX管道延长组件。2种室外机组的安装方式示意图:

有些用户由于预算方面的原因,可能无法配置精密空调,可以选择安装机房专用空调,与精密空调比较,机房专用空调只能保持恒定温度,而无法保持机房恒定的湿度,其价格相对要经济。但是如果机房有恒温恒湿的要求,也只能使用精密空调了。
还有相对于不太重要的机房来说,机房环境不需要太高,也可以选择安装普通的柜式空调机,但要求具备有来电自启动的功能。
第六个子系统:新、排风系统
机房的新风系统通常起到主要起着两个作用,其一是维持机房内空气的清新,保护在其内工作的人员的身体健康;其二是保证机房内空气的一定正压,防止室外空气未经处理从围护结构缝隙泄漏进机房内,影响机房空气的温湿度、洁净度要求。此外,机房专用空调对新风系统也有一定需求。
计算机房采用气体灭火,由于机房区域处于封闭状态,一旦失火产生的有害烟尘将无法排除,鉴于此,在机房配置满足消防规范的有关要求排风设备。排风系统采用管道式有组织排风,并配备电动排风防火阀,与消防系统联动,平时慢速排气,火灾后高速排烟。
新、排风系统配置方案:这个系统属于专业的系统,需要专业厂家技术支持。
第七个子系统:机房防雷接地系统
南方是雷电多发的区域,为了防止遭受雷害,确保机房内设备的安全和正常工作,提高网络运行的安全系数,实施机房的整体防雷与接地工作是十分重要的。首先良好的接地线,可以把计算机信号的干扰滤掉。此外,当遇到雷电、机柜附近的强功率源或电弧干扰时,良好的机房防雷接地系统也能对计算机设备起到一定的保护作用。

机房防雷统设计:
机房电源防雷:一般采用三级防雷,分别在大楼配电室安装第一级防雷器,在楼层配电室安装第二级防雷器,在机房进线端安装第三级防雷器,如有特别敏感的设备需要特别保护,则还需要配置防雷电源插座。所有的防雷器必须使用相应线径的铜芯电缆连接到最近的等电位网,通过等电位网接入地网中。
连接铜芯电缆的线径要求:
第一级:要求线径达到50平方以上;
第二级:要求线径达到30平方以上;
第三级:要求线径达到16平方以上。
机房信号防雷:与电源防雷一样,通讯网络的防雷主要采用通讯避雷器防雷。目前,计算机远程联网常采用的方式有电话线、专线、X.25、DDN和帧中继等,通讯网络设备主要为MODEM、DTU、路由器和远程中断控制器等。通常根据通讯线路的类型、通讯频带、线路电平等选择通讯避雷器,将通讯避雷器串联在通讯线路上。并要有良好的接地线。
防雷系统需要具备防雷资质的专业公司才能设计施工,所以本系统一般采用合作方式进行,由专业公司提供技术支持。
目前比较常用的防雷设备厂家有地凯、盾牌、OBO、TOP等。
接地系统设计:
根据国家规范以及机房接地要求,机房接地系统最好采用综合接地方式,在机房内用扁钢把所有接地点都连成一体,将三种接地引下线接入地桩。
交流接地和安全工作接地合二为一,与直流接地,防雷接地分别用三根接地引线引至大楼的地面,如图12-2所示E2,E3,E4。再将它们与避雷地桩E1接成综合接地网。这样他们就有同样的电位,在发生雷击时,不会发生雷电反击而损坏设备。同时,要求接地电阻小于1Ω,可保证接地线间不产生电位差、不相互干扰。这是目前工程上最常见的做法。为了保证接地电阻小于1Ω,我们将采用优质的接地体和引下线,根据实际情况综合运用深埋、添加降阻剂、增大接地线横截面面积、增加接地体数量等方法来降低接地电阻,以达到国家标准的要求。

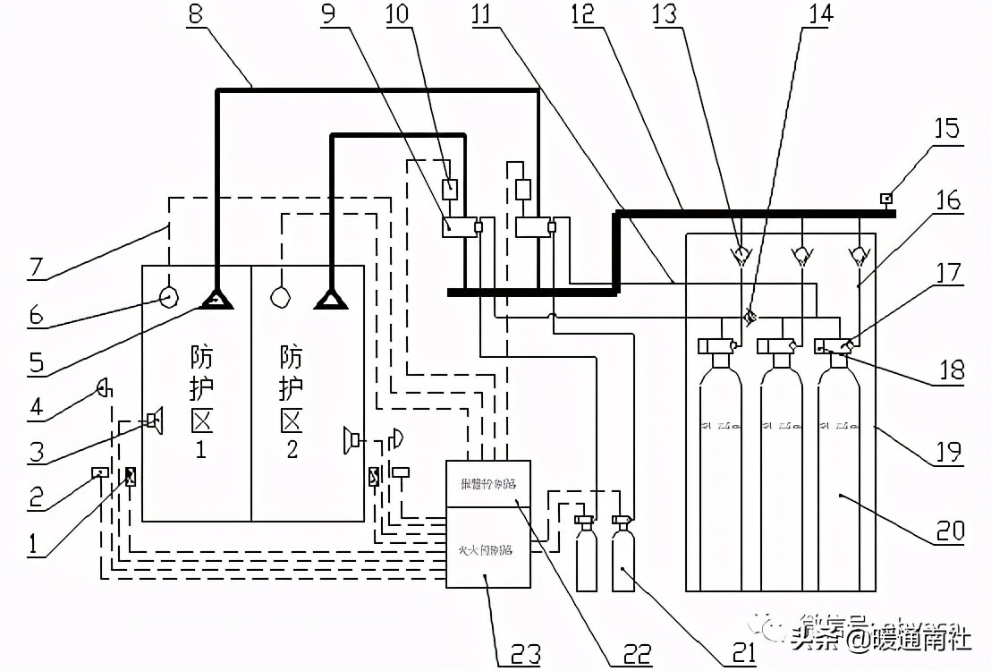
第八个子系统:气体消防系统
与防雷系统一样,都是需要具备消防资质的专业公司才能进行设计及施工,所以本系统一般采用合作方式进行,由专业公司提供技术支持。
由于气体灭火属于全淹没的灭火系统,对人体会造成毁灭性伤害,所以建议只在设备较多且无人值班的功能区采用气体消防,在需要人员值班的功能区还是采用普通喷淋消防系统比较保险。
一般采用七氟丙烷自动灭火系统 ,根据机房面积确定使用管网或者无管网灭火方式,一般面积较小的机房(小于50平米),采用无管网方式,面积较大的机房需要采用管网方式。
消防系统还要具备火灾报警功能,灭火装置具有自动、手动及机械应急操作三种方式 。
气体消防系统:气体消防要求消防区域空间必须密封。

第九个子系统:照明及应急照明系统
计算机房内的照明要求在离地面0.8m处,照度不应低于200lx,其它房间的照明不应低于5lx,主要通道及有关房间可根据需要设置,但其照度要求是在离地面0.8m处不低于1lx。
考虑照明质量均匀度、对比度,防止眩光影响。机房照明使用明装式菱纹灯盘连续安装,防止直射眩光。
正常照明系统由220V市电单电源供电,现场开关控制。
应急照明由UPS电源供电,照度作为正常照明的一部分,平时由现场开关控制,消防自动报警时由消防信号强制开启。其照度宜为一般照明的1/10。
照明及应急照明系统
计算机机房应设置疏散照明和安全出口标志灯,其照度不应低于0.51X。电子计算机机房照明线路宜穿钢管暗敷或在吊顶内穿钢管明敷。大面积照明场所的灯具宜分区、分段设置开关。
技术夹层内应设照明,采用单独支路或专用配电箱(盘)供电。
第十个子系统:安保系统(含机房门禁、视频监控及红外报警)
中心作为信息系统的核心重地,需要保证绝对的安全,所以需要一个结合视频监控、红外报警以及门禁管理的综合安保系统,可以实时监控到进入机房的人员以及对非法闯入进行报警和录像,为机房的安全提供保障。
系统要求实现与动力环境监控系统的联动,一旦发生安防告警,可以切换到相应摄像机画面,并启动录像功能。
机房门禁:一般在机房入口和各功能区出入口安装智能门禁系统,对人员进出进行授权、记录、查询,并可与防盗、报警、保安等系统结合成综合管理系统,既方便内部人员按权限自由出入,又杜绝外来人员随意进出。
门禁系统可以采用指纹、IC卡或双重认证方式。

机房门禁配置:
门禁系统设备包括以下内容:
管理软件—用于门禁系统的发卡、授权、维护、查询开门事件等管理,配置1套即可。
门禁控制器—分为单门、双门、4门、8门等,根据门禁数量配置相应的控制器。
读卡器—读取认证数据如IC卡或指纹等。一般每个门配1台,有些特殊要求进出都要读卡开门的场所,每个门所要配2台。
电锁—分为电磁锁、电控锁或电插锁,根据不同需要选择不同类型的电锁,每个单门配置1套,双门需要配2套。
开门按钮—用于从内开门的开关,每个门配1个。
门磁—用于检测门的开关状态,每个门配1个。
IC卡—用于授权凭证,每人配1张。
视频监控:在各机房出入口、各功能区出入口及重点区域安装摄像机,通过视频电缆传到硬盘录像机,进行实时监视和录像。

视频监控配置:
视频监控系统设备包括以下内容:
监控管理软件—用于对视频信号进行处理、录像、回放,安装在硬盘录像机上,可以把视频信号实时显示在显示器上。
硬盘录像机—分为4路、6路、8路、16路,用于视频信号的记录,根据监控点数量配置相应的硬盘录像机。
硬盘—一般硬盘录像机不配置硬盘,需要根据录像时间确定硬盘容量。
摄像机—安装在监控现场,用于把现场画面转换成视频信号,传输给硬盘录像机。分为半球型、枪机、球机等,按照需要配置相应数量及型号的摄像机。
电缆—需要视频电缆和电源线,用于连接摄象机到硬盘录象机,需要所有摄像机所用电缆的总和。
红外报警:在各机房出入口、各功能区出入口及重点区域安装红外探头,通过信号线传到报警,进行非法入侵报警。同时联动视频监控和门禁系统。

红外报警配置:
红外报警系统设备包括以下内容:
报警管理软件—用于对报警信号的处理、记录,安装在计算机上,可以设置电子地图,在地图上显示报警方位,可以选配。
报警主机—分为4路、8路、12路或者更多,用于接收报警信号,并通过警号和闪灯发出报警信号,根据报警点数量配置相应的主机。
红外探头—安装在监控现场,利用红外线探测人体信号,传输给报警主机。按照需要配置相应数量的探头。
电缆—需要信号线和电源线,用于连接红外探头到主机,需要所有探头所用电缆的总和。
警号和闪灯—用于发生声光报警信号,提醒值班人员有非法入侵。根据需要配置。
第十一个子系统:KVM及机房设备远程监控系统
网络中心机房,机房内将放置有各种品牌的服务器及网络设备,由于各种因素,机房在一般情况下不允许人员进入,所以需要一套可以通过机房本地或远程终端对机房内的服务器、网络设备等进行统一管理的解决方案,以便使有关操作人员不必到机房内也能操控服务器及网络设备,且当系统规模扩张时仍能保持整个系统的完整性而达到管理上的简单有效。
KVM及机房设备远程监控系统就是实现以上功能的解决方案,通过IP网络,可以实现对机房的所有设备以及电源进行远程控制和管理,可以避免人员进入设备机房。
由于KVM系统不同厂家产品配置也不一样,所以需要厂家进行方案配置。
第十二个子系统:机房环境监控系统
网络中心机房的环境设备或子系统(如UPS、精密空调、消防等)为服务器、网络设备等硬件系统提供正常的运行环境。一旦机房环境设备出现故障,就会影响到硬件系统的运行,对数据传输、存储以及整个系统运行的可靠性构成威胁,若事故严重又没有得到及时的处理,就可能损坏硬件设备,造成严重后果。
因此,为了保证机房运行的安全性和稳定性,需要对机房场地设备及环境进行集中监控和管理,包括:UPS、精密空调、温度、湿度、漏水、消防等系统监控。
机房环境监控系统:机房环境监控系统利用相应的传感器以及设备通信接口,实现对机房内的UPS、空调、配电等动力环境设备以及温度、湿度、漏水、烟感等环境参量进行集中监控,并可通过网络进行远程监控。以确保机房环境及设备的
正常运行。
由于该系统不同厂家产品配置也不一样,所以需要厂家进行方案配置。
机房环境监控系统一般系统框图:

服务器机柜和网络机柜:
由于中心机房对设备环境及机柜要求很高,所以需要配置专业的服务器机柜和网络机柜,要求按照设备数量配置相应数量的机柜,预留30%以上的空间。
机柜配电,由于设备对电力要求也很高,所以机柜必须配备专业的电源插座(PDU)。
服务器机柜要求前、后门采用“超级网孔”设计,通风率达55%以上。静态承重为600KG 以上,移动承重为300KG 以上。
机房楼板承重参照国家标准GB/T2887-2011《电子计算机场地通用规范》要求,机房楼板荷重要求≥500kg/m²。
如果机房所在楼层原来的楼板荷重设计达不到以上要求,需要做承重加固处理。如可以在楼板上设置承重槽钢将设备的重量分散到楼板主体梁上;或者对楼板进行专业的加固处理,这种方案需要具备相应资质的专业公司才能设计施工。
本文素材来源于互联网,暖通南社整理编辑。