
温度、湿度、压力、流量、尺寸、位移量、质量、力、速度、加速度、转速等非电量不能直接使用一般的电工仪表和电子仪器测量,必须先将这些被测的非电量转换成电信号,然后采用电气测量的方法进行测量,这就是非电量的电气测量。其中,能将非电量转换为电信号的器件叫做传感器,图1-40为部分传感器的外形。

图1-40 部分传感器的外形图

图1-40 部分传感器的外形图(续)
传感器通常由敏感元件和转换元件组成,原理如图1-41所示。

图1-41 传感器的组成方框图
敏感元件是指传感器中能直接感受或响应被测量(非电量)的部分,将被测的非电量先变换成另一种更易于变换成电量的非电量,然后再变换成电量。
转换元件是传感器中能将敏感元件输出的非电量转换成适于传输和测量的电信号的部分。需要指出的是:并非所有的传感器都明显地分为敏感元件和转换元件两部分,热敏电阻、电容式传感器等不是合二为一的;有的则合二为一,如压电式传感器、霍尔式传感器等。
测量电路是指将传感器输出的电量变成便于显示、记录、控制和处理的有用电信号的电路。常用的电路如交直流电桥电路、高阻抗输入电路、脉冲电路、振荡电路等。图 1-42 为转速传感器将齿轮的转数转化为相应数量方波脉冲的工作流程简图。

图1-42 转速传感器的应用
由于电气测量技术具有准确度高、响应快以及便于与计算机相连以实现自动在线实时测量等诸多优点,故传感器技术的发展非常迅速。
一、传感器的分类
传感器是根据材料的物理、化学、生物学的特性和规律设计而成的器件,种类繁多,在测控领域内,由某一原理设计的传感器可以同时测量多种非电量,而有时一种非电量又可用多种不同原理的传感器测量,因此传感器的分类方法较多,一般可按以下几种方法分类。
1.按输入量分类
按输入量可分为压力、位移、速度、温度、湿度等传感器。这种分类方法明确地表达了传感器的用途,便于选用,但该分类法将原理互不相同的传感器归于一类,难以找出每种传感器的转换原理上有何共性和差异。
2.按测量原理分类
这种分类方法是以物理和化学等的原理、规律和效应作为分类依据,如电压式、热电式、电阻式、光电式、电感式等。这种分类方法的优点是对于传感器的工作原理比较清楚,类别少,利于对传感器进行深入分析和研究。
3.按能量关系分类
按能量观点分类,可将传感器分为有源传感器和无源传感器。前者将非电能量转换为电能量,称之为能量转换型传感器。通常配合有电压测量电路和放大器,如压电式、热电式、电磁式等。无源传感器又称能量控制型传感器。它本身不是一个换能器,被测非电量仅对传感器中能量起控制或调节作用。所以,它们必须有辅助电源,这类传感器有电阻式、电容式、电感式等。
4.根据半导体有关理论分类
分为半导体力敏、热敏、光敏、气敏等固态传感器。
5.按输出量分类
按输出量分类有模拟式和数字式传感器。模拟式传感器的输出信号为模拟量;数字式传感器的输出信号为数字量,便于与计算机连用,且抗干扰性强,如盘式角压数字传感器,光栅传感器等。
6.其他分类
传感器通常也可按结构型和物性型分类。
(1)结构型
主要是通过机械结构的几何形状或尺寸的变化将外界被测量转换为相应电阻、电感、电容等物理量的变化,从而检测出被测量信号。这种传感器目前应用的最为普遍。
(2)物性型
物性型是利用某些材料本身物理性质的变化而实现测量。它是半导体、电介质、铁电体等作为敏感材料的固态器件。
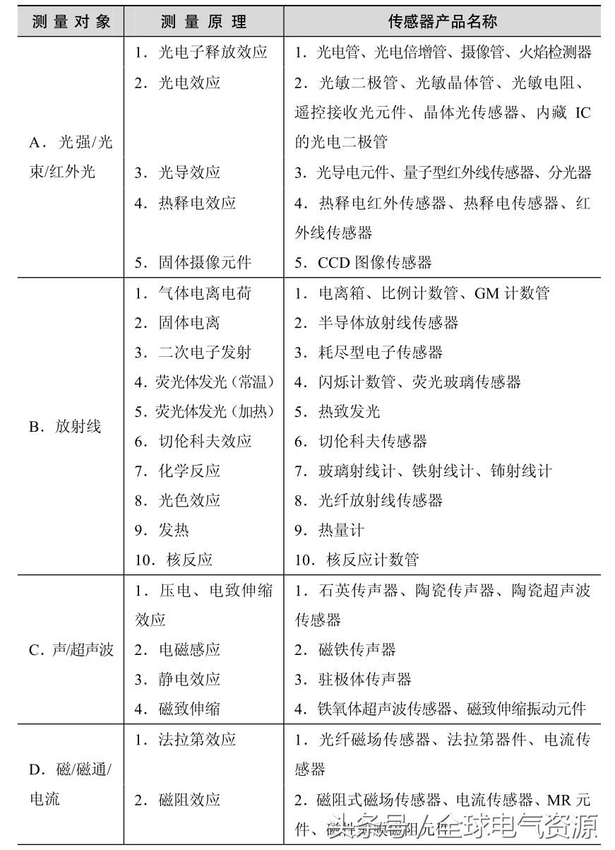
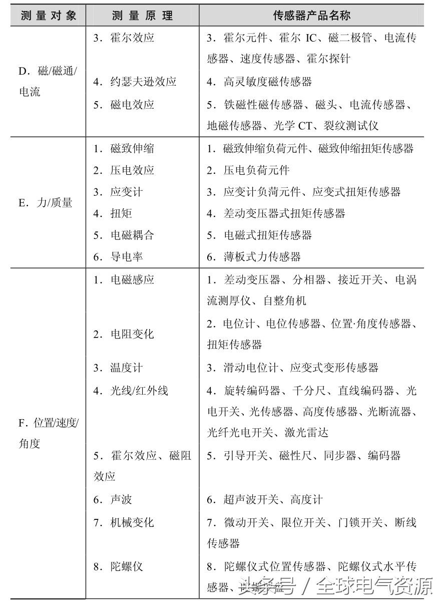
传感器按测量原理和用途两个大类细分如表1-4所示。






表1-4 传感器的分类及产品
二、温度传感器
温度是与人类的生活、工作关系最为密切的物理量。温度传感器是把非电量温度转换为电信号的传感器,它的种类很多,常用的有热电阻、热电偶、集成温度传感器等。
1.热电阻
金属热电阻传感器也称为热电阻传感器,是利用金属导体的电阻值随温度变化而变化的原理进行测温的。一般的热电阻传感器由热电阻、连接导线显示仪表组成。热电阻广泛用来测量−220~850℃范围内的温度,少数情况下,低温可测量至1K(−272℃),高温可测量至1000℃。金属热电阻大都由纯金属材料制成,目前主要采用的材料是铂和铜,也有用锰、铑、碳等材料制作热电阻的。
(1)铂热电阻
铂热电阻的特点是测温精度高、稳定性好,是制造热电阻的最好材料。铂热电阻的应用范围为−200~850℃。
因为铂材料价格昂贵,因此一般工程测量中多采用铜作为热电阻材料。铜的最大优点是价格低廉,易于提纯,在−50~150℃的范围内,温度特性的线性较好。其缺点是铜的电阻率仅为铂的几分之一,因此,铜热电阻所用材料细而且长,机械强度较差,热惯性较大,在温度高于100℃以上或在侵蚀性介质中使用时,易氧化,稳定性较差。因此,铜热电阻只能用于测量精度要求不高且温度不高(100℃以下)及无侵蚀性的介质中。
(2)热敏电阻
半导体热敏电阻简称热敏电阻,是一种新型的半导体测温元件,热敏电阻是利用某些金属氧化物或单晶锗、硅等材料,按特定工艺制成的感温元件。热敏电阻可分为3种类型,即正温度系数(PTC)热敏电阻、负温度系数(NTC)热敏电阻以及在某一特定温度下电阻值会发生突变的临界温度电阻器(CTR)。目前使用较多的热敏电阻是NTC型热敏电阻。热敏电阻与金属热电阻比有以下几点不同。
① 热敏电阻的温度系数值远大于金属热电阻,所以半导体温度计的灵敏度很高。
② 同温度情况下,热敏电阻阻值远大于金属热电阻。所以连接导线电阻对测量误差的影响极小,适用于远距离测量。
③ 热敏电阻温度曲线非线性相当严重,所以其测量温度范围远小于金属热电阻,一般在−50~300℃。
④ 半导体热敏电阻的性能不够稳定、互换性差、精度较低,这是它的主要缺点。
2.热电偶
热电偶的原理基于热电效应。如图1-43所示,当A、B两种不同材料的导体组成一个闭合电路时,若两接点T、T0的温度不同,则在该电路中会产生电动势并形成电流,这种现象称为热电效应,该电动势称为热电动势。图中的两个接点,一个称为测量端T,或称为热端;另一个称为参考端T0,也称为冷端。热电偶就是利用上述的热电效应来测量温度的。

图1-43 热电偶原理
实验证明:热电动势与热电偶两端的温度差成比例。
按结构形式不同,热电偶通常分为普通热电偶、铠装式热电偶和薄膜热电偶3类。
(1)普通热电偶
普通热电偶应用于工业上测量液体、气体等介质的温度。它一般由热电偶丝、绝缘套管、保护套管和接线盒组成,实验室使用时可以不用保护套管,以减小热惯性。
(2)铠装式热电偶
铠装式热电偶是由热电偶丝、绝缘材料、金属套管三者组合成一体的具有特殊结构的热电偶。它可以做得很细很长,可以弯曲。根据热端形状的不同,它又可分为多种结构形式,不同的结构形式,响应时间和应用场合及特点不同。这类热电偶的突出优点是可小型化、使用方便、使用寿命长、热惯性小。此外,这类传感器还具有强度高、耐压、耐振动和耐冲击等优点,并可根据需要制成不同长度,最长可达100m。
(3)薄膜热电偶
薄膜热电偶是用真空蒸镀等方法使两种热电极材料蒸镀到绝缘板上,上面再蒸镀一层二氧化硅作为绝缘和保护层,形成薄膜状热电偶,其热接点极薄(0.01~0.1µm),因此特别适用于快速测量物体壁面的温度。安装时用黏合剂将它黏结在被测物体壁面上即可。
3.集成温度传感器
它是把感温元件(多为PN结)与有关的电子线路集成在很小的硅片上封装而成的。由于PN结不能耐高温,所以集成温度传感器通常只能测量 150℃以下的温度,典型的工作温度范围是−50~150℃。集成温度传感器具有体积小、线性好、反应灵敏等优点,所以应用十分广泛。
集成温度传感器按输出电量不同可分为电压型、电流型和频率型几类。电压型传感器的优点是直接输出电压,且输出阻抗低,易于与信号处理电路相连接。电流型传感器的输出阻抗极高,因此可以简单地使用双股绞线传输数百米远,而不必考虑传输导线的电阻,特别适合于远距离精密温度遥感和遥测。频率输出型传感器除了具有与电流输出型传感器相似的优点外,还便于与微型计算机连接。
4.应用举例
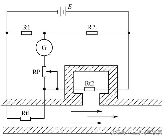
(1)热敏电阻流量计

图1-44 热敏电阻流量计原理图
图1-44是一个热敏电阻流量计的原理图。Rt1、Rt2为两个热敏电阻探头,Rt1 置于管道中央,其散热情况受介质流速的影响;Rt2 放在温度与流体相同,但不受介质流速影响的小室中。调节 RP,使得当介质处于静止状态时,电桥处于平衡状态,流量计G没有指示。当介质流动时,由于介质流动带走热量,温度的变化引起了Rt1的阻值变化,使电桥失去平衡从而有输出,电流计G的指示直接反映了流量的大小。
(2)热电偶冷端温度补偿器
图 1-45 是利用温度传感器 LM335 和高精度集成运算放大器LM308A构成的K型热电偶冷端温度补偿电路,它可利用LM335来测量热电偶的冷端温度。R1 为限流电阻,RP1 是校准温度电位器。LM335的输出电压经R2和R6分压后,得到所需的补偿电压UB,其电压温度系数为:


图1-45 K 型热电偶冷端温度补偿电路
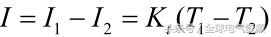
(3)AD590集成温度传感器测量温差
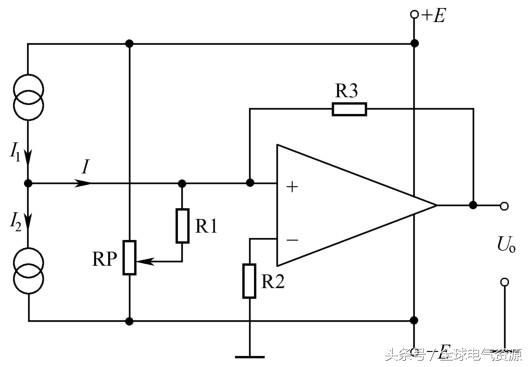
图1-46为两块AD590集成温度传感器做成的温差测量电路。两块AD590分别处于两个被测点,其温度分别为T1、T2,AD590输出的相应电流分别为I1、I2,若两块AD590有相同的标度因子Kt,则


图1-46 AD590 测量温差电路
运放A的输出电压Uo为

可见,只要Kt一定,输出电压正比于两个被测点的温差。但在实际中感温器件的Kt值总有差异,因此,在电路中引入电位器RP,通过隔离电阻R1注入一个校正电流ΔI,以获得平稳的零位误差。
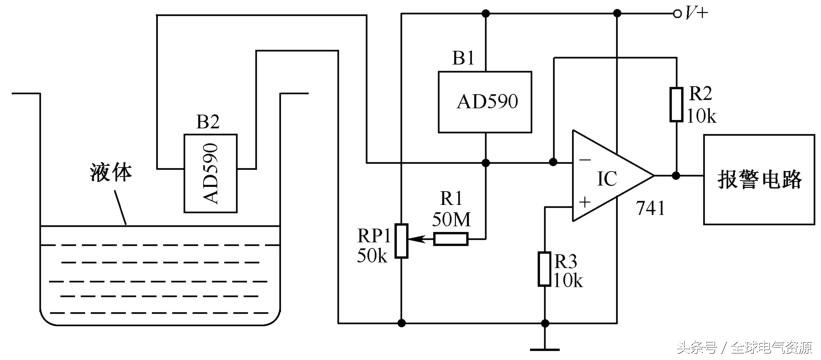
(4)AD590集成温度传感器液位报警器
图1-47是由两个AD590集成温度传感器、运算放大器及报警电路组成的液位报警器。传感器 B2安装在警戒液面的位置,B1放置在外部。两个传感器在正常情况下,温度相同,调节电位器RP1使运算放大器的输出为零。当液面升高时,传感器B2将会被液体淹没,由于液体温度与环境温度不同,因此使运算放大器输出控制信号,经报警电路报警。

图1-47 AD590 液位报警电路
三、速度传感器
1.霍尔式转速传感器
霍尔式转速传感器由霍尔开关集成传感器和磁性转盘组成,霍尔式转速传感器的各种不同结构如图 1-48 所示。将磁性转盘的输入轴与被测转轴相连,当被测转轴转动时,磁性转盘便随之转动,固定在磁性转盘附近的霍尔开关集成传感器便可在每一个小磁铁通过时产生一个相应的脉冲,检测出单位时间的脉冲数,便可知道被测对象的转速。磁性转盘上的小磁铁数目的多少,将决定传感器的分辨率。如图1-48所示。

图1-48 部分霍尔转速传感器的结构

图1-48 部分霍尔转速传感器的结构(续)
2.磁电式转速传感器
磁电式转速传感器的结构如图 1-49 所示。它是由永久磁铁、线圈、磁盘等组成。在磁盘上加工有齿形凸起,磁盘装在被测转轴上,与转轴一起旋转。当转轴旋转时,磁盘的凹凸齿形将引起磁盘与永久磁铁间气隙大小的变化,从而使永久磁铁组成的磁路中磁通量随之发生变化。有磁路通过的感应线圈,当磁通量发生突变时,会感应出一定幅度的脉冲电势,其频率为:

式中,Z为磁轮的齿数;n为磁轮的转数,单位rad/min。

图1-49 磁电式转速传感器的结构
3.光电式转速传感器
常见的光电式转速传感器有直射式和反射式两种。直射式输入轴与待测轴相接,光通过开孔圆盘和缝隙板照射在光敏元件上。开孔盘旋转一周,光敏元件接受光的次数等于盘上的开孔数。若开孔数为m,记录过程时间为t秒,总脉冲数为N,则转速为:

反射型的光电传感器如图1-50所示。其前端部分采用光纤封装,适应微小物体,特别是微小旋转体的测量。由于传感器内装有光源(LED)、感光元件(光电晶体管)以及放大器等,所以体积设计得很小,使用方便。光源是经过频率调制的,所以抗干扰性强,还有状态显示,可供用户测量时确认工作状态。振荡回路用来产生一个调制频率来点亮光源发光二极管,采用不稳定多谐振荡方式,振荡频率约为7kHz,脉宽约25μs。

图1-50 反射型的光电传感器原理框图
从光源发射出来的脉冲光,经过被检测物体的反射,被传感器的光电晶体管所接受,然后经过交流放大器,被放大到适当的电平后,进行检波和积分,再转换成直流电压信号。然后是波形整形,与一定的直流电压相比较,高于此值,输出为Hi,低于此值,输出为Lo。状态指示灯也是,输出高电平Hi时,LED点亮,输出低电平Lo时, LED不亮,以作为状态确认用。
光电转速传感器跟计数器配套使用,检测范围可达 10000r/min,误差为1r/min。
4.应用举例
(1)霍尔传感器测量转速
图 1-51 所示是两种不同结构的霍尔转速传感器。用图示的方法设置磁体,使磁性转盘的输入轴与被测转轴相连,霍尔传感器固定在磁性转盘附近。当被测转轴转动时,磁性盘随之转动,磁体每经过霍尔传感器一次,霍尔传感器便输出一个相应的电压脉冲。检出单位时间的脉冲数,便可求出被测转速。例如,在车轮转轴上装上磁体,在靠近磁体位置上装上霍尔传感器,即可制成车速表和里程表等。

图1-51 霍尔转速传感器的结构
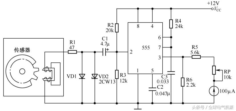
(2)磁电式传感器测转速
磁电式转速计电路如图 1-52 所示,电路由磁电式转速传感器、单稳态触发电路、显示仪表等组成。当磁轮随被测转轴一起转动时,在永久磁铁上的线圈便会产生一系列的感应脉冲,脉冲的频率与磁盘的转速成正比。单稳触发电路由555集成电路及其外围元件组成,当被测轴转速为零时,555集成电路的2脚电压为4.5V,输出端3脚为零。当被测轴转动时,传感器输出的负向脉冲触发555集成电路,每触发一次,从555集成电路3脚输出一个幅度为Vcc,宽度等于1.lR4C3的方波信号。该方波的频率等于触发脉冲的频率,因此输出方波的平均值正比于被测转速,接在输出端的微安表可直接显示出被测转速的大小。电位器RP用于校准刻度。

图1-52 磁电式转速表电路
(3)光电式传感器测转速
图1-53为光电转速表的工作原理图。图1-53(a)在待测转轴上固定一个带孔的调制圆盘,在调制圆盘的一边由发光元件产生恒定光,光透过盘上的小孔到达由光敏二极管组成的光敏转换器上,转换成相应的电脉冲信号。若圆盘上开 10 个小孔,则旋转一周,光线透过小孔10次,输出10个脉冲信号,孔越多,测量的分辨率越高。测速也可以采用反射式,只要用白纸画上黑道的圆纸贴在旋转体上即可,如图1-53(b)所示,图中的1是待测转盘,2是发光元件,3是光敏转换器。

图1-53 光电数字式转速表工作原理图
四、磁性开关及应用
1.磁性开关介绍
磁力式接近开关简称磁性开关。图 1-54 所示是一种非接触式位置检测开关,这种非接触位置检测不会磨损和损伤检测对象物,响应速度高。生产线上常用的接近开关还有感应型、静电容量型、光电型等。感应型接近开关用于检测金属物体的存在,静电容型接近开关用于检测金属及非金属物体的存在,磁性开关用于检测磁石的存在。安装方式上有导线引出型、接插件式、接插件中继型。根据安装场所环境的要求接近开关可选择屏蔽式和非屏蔽式。磁性开关内部电路如图1-55所示。

图1-54 磁性开关

图1-55 磁性开关内部电路图
当有磁性物质接近磁性开关传感器时,传感器动作并输出开关信号。在实际应用中,可在被测物体(如汽缸的活塞或活塞杆)上安装磁性物质,在汽缸缸筒外面的两端各安装一个磁感式接近开关,就可以用这两个传感器分别标识汽缸运动的两个极限位置。
为了防止因错误接线损坏磁性开关,通常在使用磁性开关时都串联了限流电阻和保护二极管。这样即使引出线极性接反,磁性开关也不会烧毁,只是该磁性开关不能正常工作。
2.磁性开关的安装与调试
在生产线的自动控制中,可以利用该信号判断被测物体的运动状态或所处的位置。
(1)电气接线与检查
重点考虑传感器的尺寸、位置、安装方式、布线工艺、电缆长度以及周围工作环境等因素对传感器工作的影响。
在磁性开关上设置有LED,用于显示传感器的信号状态,供调试与运行监视时观察。当汽缸活塞靠近,接近开关输出动作,输出“1”信号,LED灯亮;当没有汽缸活塞靠近,接近开关输出不动作,输出“0”信号,LED不亮。
(2)磁性开关的安装与调整
磁性开关与工件配合使用时,如果安装不合理,可能使得工件的动作不正确。当工件移向磁性开关,并接近到一定距离时,磁性开关才有“感知”,开关才会动作,通常把这个距离叫“检出距离”。
五、光纤光电接近开关及应用
1.光纤式光电接近开关简介
光纤式光电开关由光纤检测头、光纤放大器两部分组成,光纤放大器和光纤检测头是分离的两个部分,光纤检测头的尾端部分分成两条光纤,使用时分别插入放大器的两个光纤孔子。光纤式光电开关的输出连接至控制器。光纤式光电开关也是光纤传感器的一种,光纤传感器传感部分没有电路连接,不产生热量,只利用很少的光能,这些特点使光纤传感器成为危险环境下的理想选择。光纤传感器还可以用于关键生产设备的长期高可靠性和稳定性的监视。相对于传统传感器,光纤传感器具有下述优点:抗电磁干拢、可工作于恶劣环境,传输距离远,使用寿命长。此外,由于光纤头具有较小的体积,所以可安装在空间很小的地方。光纤放大器根据需要来放置。比如在生产过程中遇到烟火、电火花等就可能引起爆炸和火灾,而光能不会成为火源,不会引起爆炸和火灾,所以可将光纤检测头设置在危险场所,将放大器单元设置在非危险场所进行使用。光纤光电传感器如图 1-56所示。

图1-56 光纤光电传感器
光纤传感器由光纤检测头、光纤放大器两部分组成,放大器和光纤检测头是分离的两部分。光纤传感器分为传感型和传光型两大类。传感器是以光纤本身作为敏感元件,使光纤兼有感受和传递被测信息的作用。传光型是把由被测对象所调制的光信号输入光纤,通过输出端进行光信号处理而进行测量的,传光型光纤传感器的工作原理与光电传感器类似。
2.光纤式光电开关的应用举例。
(1)电气与机械安装
安装过程中,首先将光纤检测头固定,将光纤放大器安装在导轨上,然后将光纤检测头的尾端两条光纤,分别插入放大器的两个光纤孔,接线时请注意根据导线颜色判断电源极性和信号输出线。
(2)灵敏度调整
光纤式光电开关在生产线上应用越来越多,但在一此尘埃多、容易接触到有机溶剂及需要较高性价比的应用场所,实际上可以选择使用其他一些传感器来代替,如电容式接近开关、电涡流式接近开关等。
六、 电容式和电涡式接近开关
电容传感器的工作原理是利用力学量变化使电容器中其中的一个参数发生变化的方法来实现信号变换的。可根据生产线上被测物体的不同、安装环境不同,来选用电容式或电感式接近开关。
电容式接近开关亦属于一种具有开关量输出的位置传感器,它的测量头通常是构成电容器的一个极性,而另一个极板是物体的本身,当物体移向接近开关时,物体和接近开关的极距或者介电常数发生变化,引起静电容量发生变化,使和测量头相连的电路状态也随之发生变化,由此便可控制开关的接通和关断。这种接近开关的检测物体,并不限于金属导体,也可以是绝缘的液体或粉状物体。电容传感器如图1-57所示,电感传感器如图1-58所示。

图1-57 电容传感器

图1-58 电感传感器
电涡流式接近开关属于电感传感器的一种,是利用电涡流效应制成的有开关量输出的位置装置传感器,它由LC高频振荡器和放大处理电路组成,利用金属物体在接近这个能产生电磁场的振荡感应头时,使物体内部产生电涡流。这个电涡流反作用于接近开关,使接近开关振荡能力衰减,内部电路的参数发生变化,由此识别出有无金属物体接近,进而控制开关的通或断。这种接近开关所能检测的物体必须是金属物体。无论是哪一种接近传感器,在使用时都必须注意被测物的材料、形状、尺寸、运动速度等因素。
在传感器安装与选用中,必须认真考虑检测距离、设定距离、保证生产线上传感器的可靠动作。各传感器的电气符号如图1-59所示。

图1-59 磁性开关、电容传感器、电感传感器
有关更多传感器的知识请参阅相关书籍。每种传感器的适用场合与要求不同,检测距离、安装方式、输出接口电气特性都不同,这需要在安装调试中综合考虑。
七、传感器的使用注意事项
(1)安装及线路调试
① 要熟悉传感器及后级电路的原理、特点和要求。
② 传感器安装位置和方法要正确,固定要牢固。传感器的输出信号线要符合说明书的要求。
③ 传感器的供电电源要符合说明书的要求。输出信号的极性、电流方向要与后级电路输入的要求一致。
④ 传感器及后级电路安装完毕后,要开机反复进行调整,直到达到最佳状态。
(2)操作要点
① 传感器必须与被测物体保持紧密联系,有些就直接安装在被测物体上。传感器的安装位置是否准确,对检测结果影响很大。
② 对于传感器接收装置的输入电路,其检测的精度取决于传感器的精度、安装位置和方法是否正确及接收装置的精度。
★
来源于《电工从业技能深入精通》
作者:张志远,版权归原作者所有,如有侵权,请联系删除。
★
看完文章后,您可以:
1、分享到朋友圈,把正能量传递给更多的人!
2、关注微信公众号:全球电气资源(ID:qqdqzy888)或我们的官方网站(www.ourger.com)获取更多有用电气专业知识、图纸、计算软件及资讯。

猜你喜欢:
电动机控制基础之磁路与变压器
正弦交流电路的基础知识
为什么插座的三孔和两孔要离得那么近?
特高压直流输电线路带电作业现场,你见过吗?
220V无刷高压电机发电演示