在电路中,二极管由于其单向导电特性被广泛使用。从电路理论的角度讲,电阻R,电感L,电容C可以组成最基本的线性网络。而二极管作为一种单向导电器件,其开关动作引入了其他频率分量,造成了电路模型的非线性。因此在经典的电路理论中很少被讨论到。但在实际的工程应用中,二极管却是同电阻电容这些线性元件具有同等地位的常用元件。相关理论和案例的缺失,导致知识与实际应用的脱节,很多初学者只能通过别人的电路经验去死记硬背,而不会去对应具体的线路图去分析。
一份电源产品的BOM表中,以D字母开头的二极管标志占用的篇幅一定不会太少。这是由于电源中需要有大量的开关动作,无论是主电路,还是控制电路,都少不了实时的开关状态变化。
所以下文中我们从电力电子线路的角度出发,结合不同的应用实例,来理解二极管单向导电特性。后面有机会的话,我们再从半导体结构出发,更深入地讲解二极管的物理特性。今天我们侧重应用。
所谓内涵,也就是单向导电特性所对应的电压电流曲线。这条曲线描述的是二极管的伏安特性,是这一类元件(PN结)所具备的通性。
我们先考虑 理想的二极管模型,它的伏安特性如下图。二极管导通时,不考虑PN结压降,两端电压为零,运行轨迹就在i轴的正半轴,电流大小由外部电路决定。二极管截止时,忽略漏电流,运行轨迹就在v轴的负半轴,PN结承受的反压同样由外部电路决定。可以看到,二极管具有导通正向电流,阻断反向电压的作用。这便是二极管PN结的单向导通特性,也是所有半导体外特性的基础。

当然,如果考虑到二极管的 实际特性,伏安特性曲线就会略有调整。

对于二极管的实际模型,我们需要关心的内容其实很多,一份二极管的datasheet规格书,会贴出二极管的各个指标,这些指标用于二极管的选型。具体datasheet上参数的解释,我们后面找机会再介绍, 今天我们先关注二极管的应用,也就是单向导电性的外延。
上文中我们提到,电力电子电路的功率部分和控制部分都需要用到二极管。这两部分用到的二极管分别可以成为功率二极管和信号二极管,从技术角度来讲,这样的区分只是一个简单的不严格归类,是为了方便大家认识电路系统中二极管的应用。实际的二极管有非常多的形式,这需要半导体原厂的专家来总结,这里不做赘述。
下面我们来举例说明各种系统中二极管的应用。 例1到例3,是建议电力电子专业的初学者参考的,例4到例9,非本专业的感兴趣读者也可以看的。
例1
第一个最典型的应用例子就是电感电流续流,英文称为freewheeling。二级管流通开关管关断后的感性电流,感性电流可以来源于滤波电感,谐振电感,或者是变压器漏感,因为电感是储能元件,其电流不能突变。
那么为什么要通过二极管续流呢?因为二极管这条支路是压降最低的,我们知道电流的特性是优先选择低阻抗的回路流通, 当开关管关断时,开关管在瞬态进入线性区,其等效电阻要远大于二极管导通时的等效阻抗,因此二极管导通。同理,开关管再次开通时电流就会流向低阻抗的开关管沟道 。
我们常见的Buck电路,Boost电路,Flyback电路,都是利用了这一点。国外的学者把这样的结构称为感性三端口开关网络,如下图。三个元件的位置可以互换,组成不同形式的网络,但原理都是二极管完成续流,保证电感能量的连续性。

上图中两个坐标图分别代表了两个理想的开关器件在导通和截止时的伏安点。
那么,图中的二极管可以换成其他的主动器件吗?当然可以,同步整流的概念就是这样来的。感兴趣的读者可以查阅相关同步整流资料,这里我们主要关注被动器件--功率二极管。
在二极管续流的过程中,当下一个开关周期到来,二极管就会从导通状态切换到截止状态,并且在切换过程中产生反向恢复。可以看到,二极管的开通关断,完全是被开关管的开关状态及电感的能量状态决定的。所以我们把二级管归类为被动器件(Passive Components)。与被动器件相对应的是主动器件(Active Components),如MOSFET,IGBT,BJT等,通过控制主动器件的门极驱动可以控制开关管的通断。
值得注意的是,在功率电路中,我们需要选定某个具体场合的二极管,即二极管选型。这时我们需要关心二极管的电压电流应力。一般来说,当电路拓扑结构确定下来后,主动器件和被动器件的应力基本就被定下来了(如果不考虑各种工程上的极端工况)。
任何一个主电路功率拓扑,只要明确知道了主动器件和被动器件在各个模态的运行状态及其物理意义,就可以画出电路关键器件的电压电流波形。波形可以通过实测得到,也可以通过仿真及理论分析得到,最好是两者结合。有了波形,就能从数学上直观地计算出其电压电流应力,从而就为器件选型提供了依据。
在上图的Buck电路中,二极管的电压应力就是输入电压,那么选用的二极管的击穿电压一定要高于电路的最高输入电压,一般还要取20%-50%的余量以保证电压尖峰和各种极限工况。
例2
各种功率电路中,二极管另一个非常重要作用是箝位。
所谓箝位,就是指在一个开关周期内的某个或者某几个模态时间里,将电路中某个点的电位钳在一个固定电压。这个固定电压可能来源于电压源,也可能来源于某个电容(在开关周期里其两端电压几乎可以认为是直流)或者其他容性元件。
为什么箝位能够形成呢,同样是因为二极管的单向导电性。当二极管阳极的电压上升到比阴极电压高0.7V时,二极管就能导通。 在二极管流通电流的过程中,如果阴极连接的是电压源类型的器件,那么二极管的阳极电压就会被箝位在这个电压源电压加0.7V。
可见,形成箝位有两个条件:第一个是阳极电压高于阴极电压0.7V;第二个是二极管中有电流流通。
我们之前的专题中提到过,零电压开通(ZVS)是需要二极管进行电平箝位的,将开关管的Vce电压或者Vds电压箝位到零,这就是一种典型箝位。
几年前,商用小功率电路拓扑主要使用的是传统的准谐振反激(QR- Flyback)。
我们知道,可以通过提高电路运行的开关频率来减小电感电容等储能元件的体积。但传统的QRFlyback的高频表现主要被开关管损耗发热限制,所以体积很难再优化,目前仅有少部分整机厂商可利用QR-Flyback把适配器体积缩小到极致(可参考联想的口红电源系列)。
为了实现高频化,目前市场上有部分手机笔记本的小型化电源适配器产品,采用了有源箝位的反激电路(Active Clamped Flyback,ACF)结构。

说起ACF,不得不提到另外一个拓扑,有源箝位正激(Active Clamped Forward),两种拓扑都可以简称ACF。

这两种箝位技术的设计初衷,都是想依靠辅管进行箝位,以回馈能量的方式取代传统正激电路或者反激电路里用到的RCD吸收,同时实现辅管的ZVS,提高效率 。
但带来的问题是,虽然实现了辅管的ZVS,但是主管的ZVS并不一定能实现,主要取决于主管开通时与主管结电容谐振的元件能量是否足够。
实际上有源箝位反激电路早在1994年就被提出,但由于其主管在开通前,励磁电感被输出电容箝位,开关管结电容电压谐振下降是依靠原边漏感的能量,所以只有在重载时才具备ZVS条件,难以全范围实现ZVS(特别是在高压轻载),同时副边的二极管强制关断,对效率并没有明显的改善,因此没有被业界接受。

在上图的例子中,我们可以看到,在主管的关断过程中,辅管的二极管实现了能量的回馈,通过箝位减小了主管的电压尖峰,优化了效率(绿色框)。但是在主管的开通模态,输出侧的二极管的箝位作用却是负面的,它使得励磁电感被输出电压源“短路”,谐振能量的来源只能是漏感(红色框)。
现有的ACF反激,不再依靠漏感实现主管的ZVS,而是等漏感与结电容谐振完成,副边的二极管电流谐振到零自然关断后,原副边脱开,输出电容不再箝位励磁电感时,箝位解除,之后依靠励磁电感的能量实现主管的ZVS。实现原边ZVS的同时实现了副边二极管的ZCS,大大提高了效率。

近几年,随着IC技术的进步以及用户对小体积充电体验需求的增强,ACF电路已逐渐从实验室走到了产业界。
两年前,TI率先推出了小功率45W有源箝位反激电源的控制器UCC28780。通过控制原边箝位电容的电荷,调整辅管的导通时间,从而调整主管开通前的Ip电流,也就是实时地调整了谐振能量的大小,使得主管在各种输入电压条件下都能够实现ZVS,其关键波形如下图。

例3
前面两个例子中我们提到的都是二极管配合电感的例子,接下来我们举一个配合电容的例子--整流。
整流桥大家一定都比较熟悉。工程上把整流桥称为桥堆,一般是由四个二极管合封而成。整流桥后接大电解电容,就形成了一个典型的整流网络。很多用电器的输入侧就是桥堆加电解电容,将220V的工频交流电压整流成310V的直流。

事实上,电力电子线路中的拓扑中的被动整流结构主要分为三大类。
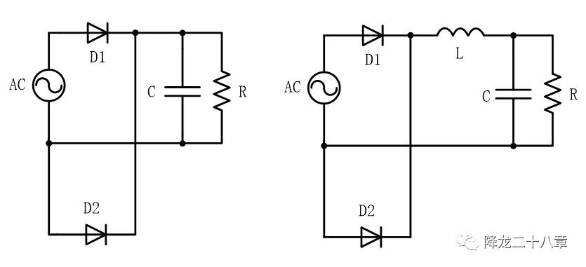
第一类是半波整流 。如下图,可以再分为电压源型负载和电流源型负载。
下图中左边的电路中D为整流二极管,当AC电压源的电压为正(上正下负)时,二极管导通,大电容C两端的电压即为AC电压源的正电压。当AC电压源为负(下正上负)时,二极管截止。电容C只接受了AC电压正半周的电压,所以称为半波整流。这里的AC电压源,可以是变压器的副边绕组,其输出的电压可以是高频方波,也可以是工频220V市电。

右边的电路中D1为整流管,D2为续流管。由于大电感L的存在,输出(红色框)可以看做是一个电流源。经过整流和续流后,电流源同样只获得了AC电压源正半周的电压波形,同样是半波整流。
第二类是全波整流 。左边是电压源型负载,当AC电压为负时,二极管D2导通,继续对负载供电。电容C获得的是整个周期的AC电压波形,故称为全波整流。(图中缺少一个AC电源,图片无法订正。)

右边是电流源型负载。与电流源型负载半波整流相比,全波整流去掉了一个续流二极管,大家知道这是为什么吗?
第三类是全桥整流 。这个结构大家是熟悉的,无论是输入侧的工频整流,还是输出侧的高频整流,都可以见到全桥整流结构的身影。同样有电压源型负载和电流源型负载,这里我们就不再画出来了。
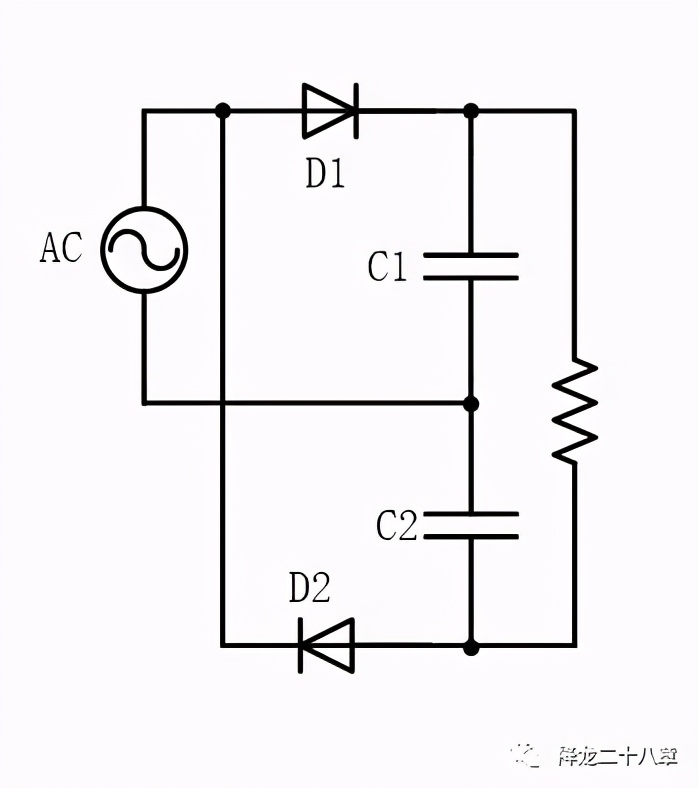
我们再介绍最后一种整流电路,倍压整流电路。
顾名思义,倍压即是将电压成倍增加,那么如何实现呢?
如下图,我们假设输入AC电压是幅值为V1的对称方波,则当AC在正半周时,D1导通,D2截止,C1的电压为V1,当AC电压在负半周时,D1截止,D2导通,C2的电压为V1。这样,电阻两端的电压为两倍的V1,从而实现了倍压。

增加电容的和二极管的个数,还可以构成三倍压,四倍压电路,感兴趣的读者可以自行探索。关于倍压电路,是为了降低器件的应力而设计的,因此一定需要注意两个电容的均压问题。在实际应用中,倍压电路使用也非常广泛,例如我们的家用微波炉中,为了产生4000V的高压,输出侧整流就采用了倍压电路。再例如某些工厂的静电除尘设备,需要产生高压,变压器副边同样也使用了倍压整流。
以上我们就讨论了功率电路中二极管的三个主要应用:续流,箝位,整流。
接下来我们再来看二极管在控制电路中的应用。
例4
二极管的单向导电性,非常适合来实现选通功能。
很多芯片都有带有保护引脚,当检测到这个引脚的电平为低或者为高时,芯片形成保护机制,停止输出。
实际的电路系统中,会有非常多的保护功能需要实现,如过压保护,过流保护,过温保护,但是一些模拟芯片的保护引脚却非常有限。
这时我们就可以采用共阴极(高电平保护)或者共阳极(低电平保护)的连接方式,来扩充这个引脚的保护功能。

这些故障往往不能同时发生,即使同时发生,信号传输速度也不一定相同,所以可以认为同一时刻只有一颗二极管导通。
另一种选通是功能型选通,例如在开关电源里,对于输出往往存在两种环路控制,第一种是电压环路控制,第二种是电流环路控制,分别用于输出电压闭环和输出电流闭环(限流降功率),同样可以将上图中的共阴极或者共阳极二极管连接到芯片的反馈引脚,在另一极接相应的环路。
例5
单向导电特性同样可以让二极管在模拟电路中实现一些时序逻辑。
最典型的例子就是辅助电的启动。我们知道,开关电源的主电路功率器件驱动的开通需要IC的信号,而IC的供电则是来源于辅助电。
对于某些两级式的电路拓扑,在一些极限工况下,为了提高系统的效率,后级正常运行后可以使用后级电路的辅助电给前级供电。这时便可以使用二极管实现。

值得注意的是,这样的结构前后两级的辅助电必须共地。同时,后级的辅助电电压必须比前级的高0.7V。
例6
二极管在调理电路中有一个非常重要的作用,就是用来做保护的锁死。比如某些电源,要求过温保护后需要将保护锁死,不再发驱动。即使温度降到正常,也不会恢复。只能通过重启电源恢复。
这样的功能可以用集成比较器搭配二极管实现。

保护前,B点电压为Vb=Vref*R2/(R1+R2),A 点电压为检测到的主电路电压Vi。当Vi高于Vb,比较器输出Vo由高电平翻转为低电平(忽略内部OC三极管压降可以认为是零),保护触发。
此时,Vo被拉至地,二极管D导通,C点电位为0.7V,可以将C点的电压看做0.7V的电压源,根据叠加定理,可以计算得到此时B点的电平。 一般来说用于锁死的正反馈线路中的R3取值较小甚至直接短路,B点的电位一般在0.7V左右。如果Vi始终达不到0.7V,那么保护就一直在,输出一直是低电平,这样就形成了一个正反馈,用于保护的锁死。
例7
二极管和电容组合的整流特性,决定了它们还能形成峰值检测电路。
某些场合,我们需要采样输入交流电压的峰值,可以采用下图中检峰电路。Vin是整流后的馒头波,经过分压后达到A点。B点与二极管阴极连接。一开始,电容C2两端电压为零,Vo为零,B点电位为零,A点电位高于B点电位,比较器OC输出,VCC通过二极管和R3给C2充电。C2容值较大,A点电压上升速度比B点快。

经历几个周期后(具体几个周期由R3,C2的时间常数决定),AB两点电压同时达到峰值,见下图。当A点电压达到峰值并开始下降时,B点电压高于了A点电压,二极管处于截止状态。但电容C2的电压放电慢,一个工频周期可以认为不变化,一直维持在A点的峰值电压处。因此这样的结构可以用来做检峰电路。

例8
二极管导通时的低阻抗特性(相对),可以用来做驱动加速。如下图,MOSFET等功率器件的驱动都需要一定的电流,图中DRH为芯片发出的驱动,VGH连接的功率器件的门极。可以看到,器件开通时,电流从DRH流向VGH,电流可以走两条支路,R2支路和R4支路。关断时电流从VGH到DRH,则只能走R4这一条支路。因此开通时等效的驱动电阻要比2.7ohm小,开通比关断快。

例9
最后一点就是控制电路的中的箝位(或者称为限幅)作用了。典型的例子是,在一些MCU的IO引脚,经常使用一些BAV99,就是为了防止芯片引脚电压过高,二极管的作用就是将尖峰箝位在电压的正负轨+-0.7V以保护芯片。
总结一下 :
在这里,我们介绍了二极管在主功率电路中的续流,箝位,整流三种作用,在控制电路中的选通、时序、保护锁死、检峰、驱动加速、限幅保护六种作用。
该内容是小编转载自网络,仅供学习交流使用,如有侵权,请联系删除。如果你还想了解更多关于电子元器件的相关知识及电子元器件行业实时市场信息, 敬请关注微信公众号 【上海衡丽贸易有限公司】