作为一名带娃读书、运动两不误的海归妈妈,已经开始迎来了“可怕”的暑假。最让人担心的并不是娃能否趁着假期在二升三的学业上弯道超车,而是要如何应对暑期接二连三兴趣班“久坐”带来的负面影响。
你看的没错~今年的暑假我们在线上很忙。本周已经开始着手准备教育部白名单“中国芯”科创赛的第二轮,需要做作品、写论文、拍视频;紧接着就是为期两周每日3小时的元宇宙VR线上夏令营;8月还要开始上机器人…这些都是娃特别喜欢的,但也都是需要久坐桌前用心且费眼的。

一、儿童久坐、坐姿异常的危害
查过很多资料后,我发现国内青少年久坐行为现状不容乐观,身体姿态正常的儿童、青少年占比极低,不正确的读写姿势+屏幕姿势人群均已超过 50%。根据2022年国家体育总局体育科学研究所与《光明日报》联合调研组对我国儿童青少年身体姿态与脊柱健康展开的调查研究显示:我国68.7%的青少年存在2项及以上的身体姿态问题,80%的青少年至少存在1项身体姿态问题。
平日里,很多孩子都有身体趴在桌子上写字看书、跷二郎腿、或者盘腿坐、躺着看书的习惯,我家皮猴也不例外。除非时刻提醒,否则看书写字不一会儿就会距离桌面越来越近,时间长了甚至还有脖子往前伸的趋势。

然而,弯背、塌腰、驼背都属于坐姿异常,后仰坐姿、向前倾坐姿不光会影响到肌肉活动从而降低身体脊柱的姿势稳定性,还会破坏骨骼肌肉的平衡。但是,造成孩子身体姿态异常的因素又有很多,桌椅高度、书包重量、运动量及运动方式都可能造成儿童体态异常。
为了能够趁着假期帮助孩子调整体态,我也做了多方调整。比如办游泳年卡,让娃隔一天游泳一次,每次游1-1.5个小时;还有每日坚持做100次手臂操来避免过早长出“小翅膀”(翼状肩胛)。
同时,我还给他换了学习桌。把之前带有繁琐书架的旧书桌换成了桌面极简的爱果乐探索家7;把能窝腿的座椅换成了全榉木的可调节座椅。多管齐下,希望尽可能帮助孩子调整体态。

二、选择儿童学习桌需要注意的几个最重要的指标
- 材料
对于儿童学习桌的材料来说,其实最本质考验的就是木头和支架。有的桌子是木面+钢架,还有的是木面+木架。木头支架的桌子相对分量足、不易晃,在家里摆放不挑地方;而钢架的看着轻便,但相对易晃动,想要用的稳当只能放墙角把边缘顶住,或者摆放重物。
桌面的材质分纯实木和木板,纯实木桌面分量足、稳定性好,除了纹理更自然以外,材料安全性更高;实木板压制的桌面其实是由几块薄板压制成的,整体分量会比较轻,用的时候通常会有轻微晃动的情况。不过木板压制的桌子胜在变型小、强度大,耐磨,结构稳定性好。但材料安全性不好说,比较考验品牌口碑。

- 环保
环保主要考虑的是甲醛,购买任何大件家具都要注意。一般人对甲醛并不敏感,而有的人对甲醛反应很大,皮肤会起包、甚至还会嘴肿。在我国,E0级的判断标准是甲醛释放量≤0.5mg/L,欧盟环保标准是<0.5mg/L, 日本是F4星级标准<0.3mg/L。购买之前一定要看好甲醛释放量,符合标准的用着才放心。
- 功能
在测评过若干款儿童学习桌之后,目前按照我现阶段的需要,基本上属于“断舍离”的偏好。摒弃设计花哨、繁琐的书架,追求简洁干净的桌面。对功能要求会把是否符合人体工学设计、可调节高低放在了首位。其他的像分区设计、面板调节等都是我心里的辅助加持项,重要但不是必须。
人体工学设计,网络上的解释很简单。其实就是使工具的使用方式尽量适合人体的自然形态,这样就可以让使用工具的人在工作时,身体和精神不需要任何主动适应,从而尽量减少使用工具造成的疲劳。

也就是说,咱们买的儿童学习桌椅一定是桌椅可调、保持一定的比例关系,用的时候不觉得费眼费腰,不觉得累。桌椅是为人服务的,而不是让孩子的肩背去适应桌椅。符合人体工学设计,才是孩子们需要的桌椅,才不会影响身姿体态。缺少这个设计,一切免谈。
我们家给孩子选择了爱果乐的探索家7,原因其实很简单。这款桌椅的设计有望帮孩子改掉以前养成的不良坐姿,符合我们现在阶段调整身姿体态的需要,并且具有以下几大优势:
1、进口榉木、稳定实用、性价比高
之前说过,儿童学习桌主要看桌面木板和支架。市场上很多纯实木的儿童学习桌,动不动价格都在3000+以上,而且桌腿还是钢架,稳定性达也不到满分。爱果乐这款探索家整个桌面+桌腿选的是符合欧洲环保耐用标准的A*级A**榉木,德国进口。这种木质与松木、橡胶木相比更为坚硬且不易磨损。一张桌子能从5岁用到18岁,耐磨抗造,踏实陪伴孩子学习成长。

原木色的设计我特别喜欢,宽宽大大一张桌面摆在家里看着很柔和,光滑不磨手,无论摆在哪个角落,无论家里是什么样的装修,都能hou的住。

原来还担心这种桌腿之间没有横梁的桌子会晃,没想到这款专门做了加厚设计,用着非常稳。摆在家即便两边空空没有家具或墙面卡住,也不觉得晃。而且价格只有2000出头,性价比很高!

2、简洁干净、桌面宽大、网课无压力
如果你跟现在的我一样喜欢简单、干净、清爽的风格,那么选这款不带书架的探索家真的没错了。
1.2米的桌面宽宽大大想放什么都可以自己安排。如果偶尔需要收纳几个小物件,摆个小盒子就可以。不用的话随时收起来。最重点的是,这种书桌用起来一抬脑袋没有压迫感。即便孩子写作业,也不会隐约觉得视线前面有遮挡。

早前我们也用过带书架的学习桌,摆在那里是很好看。但后期随着网课增多才发现,宽大桌面的会更适合像我家这种需要经常盯着屏幕的中小学生。
原因很简单,带书架的书桌通常没有办法摆放电脑。尤其是台式机,书架会占掉一半的书桌面积,再放一个电脑根本没法用,键盘都摆不下。

放iPad或者学习机也总觉得距离不够远,纯听课盯着屏幕看的话还行,一旦需要点击屏幕上手操作,距离就会拉近,对娃视力不友好。
当然,如果你家阳台地方大,并且有充足的阳光,那么像探索家7这种桌子放在阳台上也是极好的。想象一下孩子坐在干净的桌前看书学习,听着窗外的鸟鸣,让眼睛享受充足的自然光,光是想象这个画面都觉得心情舒畅!

3、安全环保、桌板可调、细节考究
为了安全环保,整个桌子只涂了木蜡油,没有涂适合漆,哪怕是第一次拆箱,闻起来也没有任何味道。甲醛含量比苹果都要低!用着特别放心!

为了保护孩子的颈部,避免长时间写字弯曲引起肌肉酸痛。桌面设计了0-50°自由角度调节,使用时可以按照需要选择。比如写作业时可以把桌面调到15°,阅读放在30°,绘画直接调50。按下“小挡板”,小手一勾就可以够得到,孩子自己就能调~


还有一个小细节我特别喜欢!有些学习桌的挡书条需要粘在桌面上,用的时候需要经常拆了又贴,时间长了就会失掉粘性,可是一直保留的话孩子写字胳膊那里又总感觉隔着一道坎,很不方便。爱果乐探索家7的挡书条是磁吸到桌面上的!想用就用不用随时拿下来很方便,一点不影响美观和体验!

桌面地下有两个静音自吸式抽屉,抽拉过程很顺滑无噪音,孩子可以把自己的笔记本、和学习用具摆进去。

细节上考虑也很周全,桌边两侧都有调节孔,两边都可以调节桌子高低,不限制桌子摆放位置,方便客户使用。

4、符合人体工学设计,矫正坐姿异常
前面讲咱们选儿童学习桌一定是要可调且保持一定的比例关系,用的时候不觉得费眼费腰的。
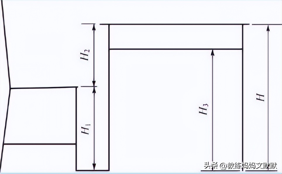
我国目前对于桌面高,座高和配合高差有明确规定:桌面高度尺寸H为680-760mm,椅凳类家具的座面高度H1为400-440mm,桌面和椅面配套使用的桌椅高差H2应控制在250-320mm内。

探索家7这款桌子设计很人性化,高度定在在61-79cm,5-18岁都可以使用。即便像我这样的成人,用来办公也没有任何问题。

桌子的高度可以根据孩子的成长需要随时调整,操作杆上有精准刻度,摇动手柄就可以调整合适的高度。这个升降刻度经过科学测算,匹配不同年龄身型,可以引导正确坐姿。

孩子在使用桌椅时,记得遵循三个90度坐姿原则——脚底和地面90°(脚平放在地上,脚踝与地面呈90°)、大腿和小腿90°(膝盖弯曲,大腿和小腿呈90°)、臀部和腰部90°(腰部挺直,臀部和腰部呈90度)。如果座椅偏高,大腿就会前倾,小腿就会受到很大压力。时间久了脚丫会感到酸麻;同样,如果座椅偏低,臀部就会受到压力。时间久了,屁股也容易酸痛。

因此,三个90°符合儿童成长规律的坐姿原则,按照整个调节桌椅也最有助于提升孩子学习专注力。

与桌子相配的椅子,我这次选了与之相配的智榉椅6。别看这张椅子外形不大,但成年人都可以坐。椅子可以调节,能适应孩子不同阶段的身型。座位上下、前后都有三个档位,用的时候根据自家娃的高矮胖瘦以及三个90°原则调节即可。像我家娃现在身高134,椅子放到最低、坐整张椅面就能把他的驼背支撑起来。我自己160的身高,坐娃的椅子也不觉得累。

整个椅子的接触面都是倒圆角设计,打磨光滑不易产生触碰疼痛。厂家还送了椅垫,表面是拆卸的科技布,脏了擦擦就行,透气还好打理。

另外,这款桌子安装都是免费的,并且有5年质保,有问题可以随时找厂家。目前小家伙用着感觉不错,很享受在自己专属的宽大桌子上学习,腰背比以前要挺,还去掉了从前坐着就把脚放椅子窝着看书上的坏毛病。
开学季准备给娃选儿童学习桌椅的小伙伴,同款爱果乐的探索家7+智榉椅6供大家参考~