随着时代的发展,小区高楼林立,居民的日常生活用水保证水压稳定性和流量至关重要。传统的楼顶水箱供水体现的水压不稳定已达到不了目前居民用水的质量要求。现在的新型环保节能恒压供水系统可以保证高楼层用水稳定性,供水系统一般由水泵机组,变频器控制系统,隔膜压力罐 和一些辅件构成。目前变频器恒压供水系统广泛应用于商业大厦,工业用水,高层住宅小区等。

系统概括
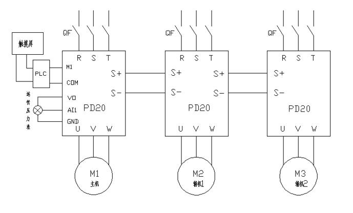
惠州某住宅小区采用两组三台11kw立式水泵,配套使用的是三台11kw三晶电气PD20系列的专用供水变频器,结合其它配件如:远传压力表、压力传感器、plc、触摸屏、压力罐、储水箱等组成三台联泵恒压供水系统。三台PD20变频器通过RS485通讯组成联机系统,实现多联泵恒压供水功能。操作平台触摸屏控制系统启停,监控管道水压等,当来水压力偏低检测到缺水时自动转换到备用储水箱保证供水稳定。

变频器控制原理图和参数设置
1.系统控制原理图

2.参数设置表格

系统特点
安排方便:PD20变频器结构为背负式变频器,防护等级为IP65,可直接装在电机上易操作、节约布线和控制柜成本,防护等级高可适应潮湿的环境、具有防尘效果。
智能控制:PD20恒压供水频率源为PID控制,根据用水量、水压的变化经过PID作用后调节运行频率从而达到恒压控制,平滑的控制水泵转速,减少了水压波动大对管道的冲击。
节能高效:PD20变频器多联机模式可实现可调时间轮泵使用,避免长时间使用一台水泵工作。高峰期用水时压力不足自动加泵保持目标压力供水,当检测到少量用水会自动减泵,达到节能的效果。不用水时会自动进入休眠状态,用水时低于唤醒压力值时可自动启动。

稳定可靠:多联泵模式下主机出现致命性故障时,可自行转换到备用主机作为主机使用,辅机出现故障时可跳开这台辅机使用。无论主机或辅机出现故障时不会直接影响到供水系统的正常工作,保证了居民的用水的稳定性。
故障保护:PD20变频器具有缺水保护,过压保护,反馈断线,对电机有过流,过压,欠压,短路等保护功能。